临床病例讨论——发热、咳嗽、肺间质改变
病历摘要
患儿,男,3岁9个月,因“间断发热、咳嗽18天”入院。
18天前,患儿受凉后出现发热,体温39℃左右,伴流涕、咳嗽,无喘憋、胸痛。于当地静点头孢唑林、双黄连4天,体温降至37.5℃,咳嗽却较前加重,偶有痰,痰中无血丝,呼吸略增快,无紫绀。拍胸片为“肺部斑片状影”,诊为“肺炎”,换用头孢三嗪静点3天后热退,症状逐渐减轻,换用红霉素静点3天后咳嗽消失,复查胸片却无好转,故怀疑“肺结核”转我院,门诊以“肺间质病变原因待查”收入院。患儿既往体健,无反复咳嗽、咳痰、气促病史。患儿祖母3年前曾患肺结核。
入院查体 患儿一般情况好,发育营养中等,呼吸平稳,无缺氧征。全身皮肤无皮疹。浅表淋巴结无肿大,未及头颈部包块及颅骨缺损。双肺呼吸音稍粗,左右对称,未闻及干湿罗音,心腹无异常,肝脾不大,无杵状指。
, 百拇医药
实验室检查 血常规:WBC 5.7×109/L,N 70%,L 25%,M 5%,血红蛋白(HB) 124 g/L,血小板(PLT) 304×109/L;C反应蛋白(CRP) 4.02 mg/L;血沉 18 mm/1h; 结核菌素纯蛋白衍生物(PPD)
5U阴性;EB病毒、巨细胞病毒(CMV)IgM阴性;支原体抗体阴性;血生化、血气正常;Ig系列正常,CD系列:CD3
45%(正常值50%~70%),CD4
28%(30%~45%),CD8 14%(20%~30%);痰涂片未见含铁血黄素细胞,抗酸染色未找到结核杆菌;
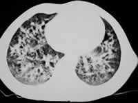
胸片(见图1):两肺广泛分布粗网点状及小斑片状阴影,并可见广泛小囊状透亮影,部分结节内有空腔;上纵隔不宽,纵隔心影无移位,纵隔肺门未见肿大淋巴结及钙化。肺部CT(见图2):两肺广泛间质改变及小泡性气肿,囊大小不一,壁厚薄不同,伴少量实质病变。头颅平片:右眶外上方类圆形局限性骨破坏。肺功能正常。
, http://www.100md.com
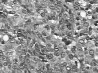
胸腔镜下肺活检普通病理(见图3):可见大小不等的结节,结节内见增生的郎格罕组织细胞,符合郎格罕细胞组织细胞增生症。免疫组化:CD1a阳性,CD68阳性,电镜检查:肺泡间隔及肺泡腔内可见大量组织细胞浸润及渗出,但胞浆中未找到特征性的Birbeck颗粒。
图1
X线胸片 治疗前
图2
胸部CT 治疗前
, http://www.100md.com
图3
病理HE染色
治疗经过 患儿确诊后采用改良LCH-Ⅰ方案化疗:甲基泼尼松龙30
mg/kg.d,d1-3;继以鬼臼噻吩甙(VM26)100
mg/m2,d4-6,以后每3周的头3天应用同样剂量的VM26,共8个疗程化疗,配合免疫治疗。现已化疗5个月。用药过程中,患儿无明显咳嗽、咳痰、气促等呼吸道症状,无反复呼吸道感染,复查胸片及肺部CT均提示“肺内病变较前明显吸收好转”,颅骨平片提示“骨破坏较前明显修复”,肺功能及血气检查正常。
病例讨论
金玲 医师:该患儿病例特点为:①幼儿期起病,呈急性经过,病程较短。②表现间断发热、咳嗽、呼吸增快等呼吸系统症状。③肺部体征不明显。④胸片、CT等影像学检查提示两肺广泛间质改变伴囊性病变,颅骨平片有眶骨骨破坏。⑤抗炎后临床症状消失,但胸部X线无好转。根据患儿有呼吸道症状、广泛肺间质改变及骨破坏,并结合患儿年龄,考虑郎格罕细胞组织细胞增生症,进一步经胸腔镜肺活检确诊为本病。但患儿临床表现与肺部改变不一致,能否用本病解释?是否尚需与其他疾病鉴别?
, 百拇医药
赵顺英 副主任医师(呼吸科):患儿为3~4岁幼儿,于急性呼吸道感染时拍X线胸片发现广泛肺间质改变伴囊性病变。针对该患儿特点应考虑以下疾病:①EB病毒、CMV以及支原体、衣原体感染均可致肺间质改变,但罕见囊性变,且该患儿无肝脾淋巴结肿大、肝功异常等表现,临床不支持。EBV、CMV-IgM、支原体抗体均阴性助诊除外。②粟粒型肺结核:可有呼吸道症状、肺部体征和影像学检查的不一致性,即呼吸道症状多不明显,肺部缺乏阳性体征,X线改变明显,患儿符合这些特征,并且祖母曾患肺结核,故应考虑。但患儿无结核中毒症状,接种过卡介苗,PPD皮试阴性,胸片和肺部CT未见肺门纵隔淋巴结肿大,且未经治疗的粟粒性肺结核肺内不会出现囊性改变,并查痰涂片未找到结核杆菌均不支持该诊断。③特发性肺含铁血黄素沉着症:反复发作至慢性期可引起上述胸片改变,但患儿无反复呼吸道症状和小细胞低色素性贫血,痰涂片未找到含铁血黄素细胞可除外该病。④全身疾病的肺部表现:如恶性淋巴瘤、结缔组织病也可出现肺间质改变,但囊性气肿不符合,且无此类疾病相应的全身临床表现。⑤支气管扩张症:重症囊状支气管扩张可有囊性改变,但本患儿病程短,无反复咳嗽、多痰、咯血等病史,X线示囊腔大小不一、囊壁厚薄不同与本病X线特点不符,故除外。⑥慢性间质性肺疾患:如脱屑性间质性肺炎、淋巴细胞间质性肺炎均可有终末肺小泡性气肿,且常起病隐匿,呈慢性过程,本患儿无慢性病史,血气、肺功能均正常,故不支持。⑦肺血管性疾患:如肺淋巴管平滑肌瘤病,可表现双肺弥漫性囊性改变,空腔大小壁厚可不一致,但一般无结节改变,与本患儿X线不符。⑧郎格罕细胞组织细胞增生症:患儿虽呼吸道症状不明显,但肺部X线有典型的网点状、斑片状阴影伴肺囊性变,结合颅骨骨破坏及肺活检病理可确诊本病。
, http://www.100md.com
曾津津 副主任医师(放射科):郎格罕细胞组织细胞增生症常有多系统、多器官侵害,包括肺部。对肺部病变X线阳性率各地报告不同,约为50%~70%,这是对肺部弥漫性间质病变的重要鉴别诊断之一。其胸部X线改变随病程及病变浸润程度而异,早期可表现肺纹理增多、毛糙,肺中内带低密度之细网交织影,或呈毛玻璃状;中期典型表现为广泛、密度不一的网结或粟粒状影,可伴小结节或片状浸润,常伴小囊状阴影,易致间质肺气肿和气胸,病变以两肺中上野明显,两侧肋膈角很少受累。当合并肺部感染时更易发生囊性变,炎症吸收后部分囊性变可消失,但网粒状改变更为明显;晚期呈弥漫性肺纤维化,两肺可呈粗大的条索状影,并有明显囊泡形成,最后变成蜂窝肺。该患儿X线改变符合中期典型表现。
本病尚需与其他肺间质病变如急性粟粒型肺结核、特发性肺含铁血黄素沉着症、间质性肺泡炎等鉴别。诊断需结合临床,遇有可疑者尚应作骨骼X线检查,肺间质病变与骨缺损二者对诊断本病有相辅相成、互相印证的作用。该患儿颅骨骨破坏对本病诊断有极大帮助。另外胸部CT尤其高分辨CT扫描能更清晰地显示病灶的分布和细微的改变,亦有助于早期诊断和鉴别诊断。
, 百拇医药
吴敏媛 主任医师(血液科):郎格罕细胞组织细胞增生症是一组原因不明、病理上以分化较好的郎格罕细胞组织细胞增生为共同特点的疾病。其发病与免疫紊乱有关。临床表现多种多样,全身器官均可受累,而肺部病变可为全身病变的一部分,也可单独受累,即被称为原发性肺嗜酸性肉芽肿。肺部浸润多发生于5岁以内的婴幼儿。总结本院1958—2002年确诊本症的429例病人,旧分型中勒雪病(LS)173例(占36.9%),肺部浸润约占80%;韩薛柯综合征(HSC)94例(21.9%),肺部浸润40%;而骨嗜酸性肉芽肿(EGB)81例(18.9%),均无肺部浸润。男女比例为1.5~29∶1。胸片有阳性改变的病人2/3早期可无呼吸道症状。当合并呼吸道感染或病变程度达中晚期时才出现明显呼吸道症状,如咳嗽、咯痰、轻重不等的气促、呼吸困难等,亦可伴胸痛、低热、体重减轻;重者可出现气胸、皮下气肿、纵隔气肿,甚至呼吸衰竭死亡。部分病人可因肺纤维化发展为肺心病。肺功能早期可正常,随病情进展,肺纤维化导致肺顺应性下降,才出现换气功能异常、限制性通气障碍、CO弥散功能下降、低氧血症。该患儿有细胞免疫异常:CD3、CD4、CD8均较正常减低,尤以CD8减低明显,可能为本病发病的免疫学基础。结合本患儿肺部改变、颅骨骨破坏及病理结果可确诊本病。本患儿发病年龄大于2岁,受累器官为肺和颅骨,有肺功能受累,依据Lavin-Osband评分法分级,属1分Ⅱ级,旧分型中属中间型(骨损害伴内脏侵犯型)。
, 百拇医药
张永红 主任医师(血液科):郎格罕细胞组织细胞增生症为反应性非肿瘤增殖性疾患,偶有自发痊愈者,但以慢性发展者多见。2岁以内婴幼儿往往病情进展较快,全身多器官侵犯,预后不良,甚至有恶变倾向,未经治疗的病人病死率达70%~90%,而肺部是本病极易被侵犯的部位。目前我院治疗采用:①联合化疗:常用方案有Gardener方案及LCH-Ⅰ方案。化疗后肺中小囊状气肿可于数周后消失,而网粒状阴影消退极慢,可持续数年。②免疫调节治疗:针对患儿细胞免疫功能异常,并对合并有肺、肝等重要脏器浸润者应用胸腺肽等免疫调节剂治疗效果良好。③积极控制并预防感染:应用有效抗生素积极控制感染,合并气胸时及早行胸腔闭式引流,使患儿度过呼吸困难的危险期,为进一步化疗赢得时间。因本患儿以内脏侵犯为主、肺部病变较重,故选用LCH-Ⅰ方案,配合口服胸腺肽,通过免疫调节加化疗的方法,一方面改善机体免疫,另一方面有效地控制郎格罕细胞的恶性化趋势,使肺部病变逐渐减轻。既往认为如此广泛的肺间质病变是不可逆的,易发展为肺纤维化、肺心病,本例患儿经过有效治疗,病变明显减轻,取得了良好疗效,故广泛肺间质病变并非绝对不可逆,早期发现、早期治疗,防止肺部病变进展至不可逆的程度,对提高治愈率,降低死亡率具有重要意义。
吴敏媛 主任医师(血液科):本病约35%的病人死于肺部病变的气胸、肺气肿、肺心病或呼吸衰竭,病情进展凶险,是本病死亡的主要原因之一。40年来,我院在治疗方法上不断探索、总结和改进,根据不同类型的病人选择不同的治疗方案,并定期随诊观察,随时加以调整,使肺部病变的并发症如气胸、肺气肿等发生率明显降低,治疗有效率明显提高,总有效率由10年前的79.6%升至90%;总死亡率由21.8%降至5%以内,使病人预后得以明显改善。, 百拇医药(金玲 张永红 赵顺英 吴敏媛)
患儿,男,3岁9个月,因“间断发热、咳嗽18天”入院。
18天前,患儿受凉后出现发热,体温39℃左右,伴流涕、咳嗽,无喘憋、胸痛。于当地静点头孢唑林、双黄连4天,体温降至37.5℃,咳嗽却较前加重,偶有痰,痰中无血丝,呼吸略增快,无紫绀。拍胸片为“肺部斑片状影”,诊为“肺炎”,换用头孢三嗪静点3天后热退,症状逐渐减轻,换用红霉素静点3天后咳嗽消失,复查胸片却无好转,故怀疑“肺结核”转我院,门诊以“肺间质病变原因待查”收入院。患儿既往体健,无反复咳嗽、咳痰、气促病史。患儿祖母3年前曾患肺结核。
入院查体 患儿一般情况好,发育营养中等,呼吸平稳,无缺氧征。全身皮肤无皮疹。浅表淋巴结无肿大,未及头颈部包块及颅骨缺损。双肺呼吸音稍粗,左右对称,未闻及干湿罗音,心腹无异常,肝脾不大,无杵状指。
, 百拇医药
实验室检查 血常规:WBC 5.7×109/L,N 70%,L 25%,M 5%,血红蛋白(HB) 124 g/L,血小板(PLT) 304×109/L;C反应蛋白(CRP) 4.02 mg/L;血沉 18 mm/1h; 结核菌素纯蛋白衍生物(PPD)
5U阴性;EB病毒、巨细胞病毒(CMV)IgM阴性;支原体抗体阴性;血生化、血气正常;Ig系列正常,CD系列:CD3
45%(正常值50%~70%),CD4
28%(30%~45%),CD8 14%(20%~30%);痰涂片未见含铁血黄素细胞,抗酸染色未找到结核杆菌;
胸片(见图1):两肺广泛分布粗网点状及小斑片状阴影,并可见广泛小囊状透亮影,部分结节内有空腔;上纵隔不宽,纵隔心影无移位,纵隔肺门未见肿大淋巴结及钙化。肺部CT(见图2):两肺广泛间质改变及小泡性气肿,囊大小不一,壁厚薄不同,伴少量实质病变。头颅平片:右眶外上方类圆形局限性骨破坏。肺功能正常。
, http://www.100md.com
胸腔镜下肺活检普通病理(见图3):可见大小不等的结节,结节内见增生的郎格罕组织细胞,符合郎格罕细胞组织细胞增生症。免疫组化:CD1a阳性,CD68阳性,电镜检查:肺泡间隔及肺泡腔内可见大量组织细胞浸润及渗出,但胞浆中未找到特征性的Birbeck颗粒。

图1
X线胸片 治疗前

图2
胸部CT 治疗前

, http://www.100md.com
图3
病理HE染色
治疗经过 患儿确诊后采用改良LCH-Ⅰ方案化疗:甲基泼尼松龙30
mg/kg.d,d1-3;继以鬼臼噻吩甙(VM26)100
mg/m2,d4-6,以后每3周的头3天应用同样剂量的VM26,共8个疗程化疗,配合免疫治疗。现已化疗5个月。用药过程中,患儿无明显咳嗽、咳痰、气促等呼吸道症状,无反复呼吸道感染,复查胸片及肺部CT均提示“肺内病变较前明显吸收好转”,颅骨平片提示“骨破坏较前明显修复”,肺功能及血气检查正常。
病例讨论
金玲 医师:该患儿病例特点为:①幼儿期起病,呈急性经过,病程较短。②表现间断发热、咳嗽、呼吸增快等呼吸系统症状。③肺部体征不明显。④胸片、CT等影像学检查提示两肺广泛间质改变伴囊性病变,颅骨平片有眶骨骨破坏。⑤抗炎后临床症状消失,但胸部X线无好转。根据患儿有呼吸道症状、广泛肺间质改变及骨破坏,并结合患儿年龄,考虑郎格罕细胞组织细胞增生症,进一步经胸腔镜肺活检确诊为本病。但患儿临床表现与肺部改变不一致,能否用本病解释?是否尚需与其他疾病鉴别?
, 百拇医药
赵顺英 副主任医师(呼吸科):患儿为3~4岁幼儿,于急性呼吸道感染时拍X线胸片发现广泛肺间质改变伴囊性病变。针对该患儿特点应考虑以下疾病:①EB病毒、CMV以及支原体、衣原体感染均可致肺间质改变,但罕见囊性变,且该患儿无肝脾淋巴结肿大、肝功异常等表现,临床不支持。EBV、CMV-IgM、支原体抗体均阴性助诊除外。②粟粒型肺结核:可有呼吸道症状、肺部体征和影像学检查的不一致性,即呼吸道症状多不明显,肺部缺乏阳性体征,X线改变明显,患儿符合这些特征,并且祖母曾患肺结核,故应考虑。但患儿无结核中毒症状,接种过卡介苗,PPD皮试阴性,胸片和肺部CT未见肺门纵隔淋巴结肿大,且未经治疗的粟粒性肺结核肺内不会出现囊性改变,并查痰涂片未找到结核杆菌均不支持该诊断。③特发性肺含铁血黄素沉着症:反复发作至慢性期可引起上述胸片改变,但患儿无反复呼吸道症状和小细胞低色素性贫血,痰涂片未找到含铁血黄素细胞可除外该病。④全身疾病的肺部表现:如恶性淋巴瘤、结缔组织病也可出现肺间质改变,但囊性气肿不符合,且无此类疾病相应的全身临床表现。⑤支气管扩张症:重症囊状支气管扩张可有囊性改变,但本患儿病程短,无反复咳嗽、多痰、咯血等病史,X线示囊腔大小不一、囊壁厚薄不同与本病X线特点不符,故除外。⑥慢性间质性肺疾患:如脱屑性间质性肺炎、淋巴细胞间质性肺炎均可有终末肺小泡性气肿,且常起病隐匿,呈慢性过程,本患儿无慢性病史,血气、肺功能均正常,故不支持。⑦肺血管性疾患:如肺淋巴管平滑肌瘤病,可表现双肺弥漫性囊性改变,空腔大小壁厚可不一致,但一般无结节改变,与本患儿X线不符。⑧郎格罕细胞组织细胞增生症:患儿虽呼吸道症状不明显,但肺部X线有典型的网点状、斑片状阴影伴肺囊性变,结合颅骨骨破坏及肺活检病理可确诊本病。
, http://www.100md.com
曾津津 副主任医师(放射科):郎格罕细胞组织细胞增生症常有多系统、多器官侵害,包括肺部。对肺部病变X线阳性率各地报告不同,约为50%~70%,这是对肺部弥漫性间质病变的重要鉴别诊断之一。其胸部X线改变随病程及病变浸润程度而异,早期可表现肺纹理增多、毛糙,肺中内带低密度之细网交织影,或呈毛玻璃状;中期典型表现为广泛、密度不一的网结或粟粒状影,可伴小结节或片状浸润,常伴小囊状阴影,易致间质肺气肿和气胸,病变以两肺中上野明显,两侧肋膈角很少受累。当合并肺部感染时更易发生囊性变,炎症吸收后部分囊性变可消失,但网粒状改变更为明显;晚期呈弥漫性肺纤维化,两肺可呈粗大的条索状影,并有明显囊泡形成,最后变成蜂窝肺。该患儿X线改变符合中期典型表现。
本病尚需与其他肺间质病变如急性粟粒型肺结核、特发性肺含铁血黄素沉着症、间质性肺泡炎等鉴别。诊断需结合临床,遇有可疑者尚应作骨骼X线检查,肺间质病变与骨缺损二者对诊断本病有相辅相成、互相印证的作用。该患儿颅骨骨破坏对本病诊断有极大帮助。另外胸部CT尤其高分辨CT扫描能更清晰地显示病灶的分布和细微的改变,亦有助于早期诊断和鉴别诊断。
, 百拇医药
吴敏媛 主任医师(血液科):郎格罕细胞组织细胞增生症是一组原因不明、病理上以分化较好的郎格罕细胞组织细胞增生为共同特点的疾病。其发病与免疫紊乱有关。临床表现多种多样,全身器官均可受累,而肺部病变可为全身病变的一部分,也可单独受累,即被称为原发性肺嗜酸性肉芽肿。肺部浸润多发生于5岁以内的婴幼儿。总结本院1958—2002年确诊本症的429例病人,旧分型中勒雪病(LS)173例(占36.9%),肺部浸润约占80%;韩薛柯综合征(HSC)94例(21.9%),肺部浸润40%;而骨嗜酸性肉芽肿(EGB)81例(18.9%),均无肺部浸润。男女比例为1.5~29∶1。胸片有阳性改变的病人2/3早期可无呼吸道症状。当合并呼吸道感染或病变程度达中晚期时才出现明显呼吸道症状,如咳嗽、咯痰、轻重不等的气促、呼吸困难等,亦可伴胸痛、低热、体重减轻;重者可出现气胸、皮下气肿、纵隔气肿,甚至呼吸衰竭死亡。部分病人可因肺纤维化发展为肺心病。肺功能早期可正常,随病情进展,肺纤维化导致肺顺应性下降,才出现换气功能异常、限制性通气障碍、CO弥散功能下降、低氧血症。该患儿有细胞免疫异常:CD3、CD4、CD8均较正常减低,尤以CD8减低明显,可能为本病发病的免疫学基础。结合本患儿肺部改变、颅骨骨破坏及病理结果可确诊本病。本患儿发病年龄大于2岁,受累器官为肺和颅骨,有肺功能受累,依据Lavin-Osband评分法分级,属1分Ⅱ级,旧分型中属中间型(骨损害伴内脏侵犯型)。
, 百拇医药
张永红 主任医师(血液科):郎格罕细胞组织细胞增生症为反应性非肿瘤增殖性疾患,偶有自发痊愈者,但以慢性发展者多见。2岁以内婴幼儿往往病情进展较快,全身多器官侵犯,预后不良,甚至有恶变倾向,未经治疗的病人病死率达70%~90%,而肺部是本病极易被侵犯的部位。目前我院治疗采用:①联合化疗:常用方案有Gardener方案及LCH-Ⅰ方案。化疗后肺中小囊状气肿可于数周后消失,而网粒状阴影消退极慢,可持续数年。②免疫调节治疗:针对患儿细胞免疫功能异常,并对合并有肺、肝等重要脏器浸润者应用胸腺肽等免疫调节剂治疗效果良好。③积极控制并预防感染:应用有效抗生素积极控制感染,合并气胸时及早行胸腔闭式引流,使患儿度过呼吸困难的危险期,为进一步化疗赢得时间。因本患儿以内脏侵犯为主、肺部病变较重,故选用LCH-Ⅰ方案,配合口服胸腺肽,通过免疫调节加化疗的方法,一方面改善机体免疫,另一方面有效地控制郎格罕细胞的恶性化趋势,使肺部病变逐渐减轻。既往认为如此广泛的肺间质病变是不可逆的,易发展为肺纤维化、肺心病,本例患儿经过有效治疗,病变明显减轻,取得了良好疗效,故广泛肺间质病变并非绝对不可逆,早期发现、早期治疗,防止肺部病变进展至不可逆的程度,对提高治愈率,降低死亡率具有重要意义。
吴敏媛 主任医师(血液科):本病约35%的病人死于肺部病变的气胸、肺气肿、肺心病或呼吸衰竭,病情进展凶险,是本病死亡的主要原因之一。40年来,我院在治疗方法上不断探索、总结和改进,根据不同类型的病人选择不同的治疗方案,并定期随诊观察,随时加以调整,使肺部病变的并发症如气胸、肺气肿等发生率明显降低,治疗有效率明显提高,总有效率由10年前的79.6%升至90%;总死亡率由21.8%降至5%以内,使病人预后得以明显改善。, 百拇医药(金玲 张永红 赵顺英 吴敏媛)