当前位置:
首页
>
期刊
>
《中华放射医学与防护杂志》
>
2000年第3期
编号:
10657848
计算机控制的X线机若干维修问题的探讨
http://www.100md.com
《中华放射学杂志》
2000年第3期
宣海奇 巩丽娟 苗红杰
宣海奇(100730 北京,卫生部北京医院医学工程科);巩丽娟(100730 北京,卫生部北京医院医学工程科);苗红杰(100730 北京,卫生部北京医院医学工程科)
中华放射学杂志
2000
0
34
3
关键词:
期刊
zhfsxzz
0
213-214
器械维修
fur
-->
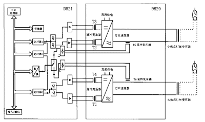
传统X线设备的控制电路一般是采用各种逻辑电路搭接的,比如当无X线曝光时,我们可以采用分离法检修,从主电路中负责不同功能的继电器是否闭合,追踪到相应的灯丝高压或保护电路 ......
百拇医药网
http://www.100md.com/html/DirDu/2005/07/06/65/78/84.htm
您现在查看是摘要页,
全文长 4941 字符
。