当前位置: 首页 > 期刊 > 《中国烧伤创疡杂志》 > 1998年第3期
编号:10660132
皮瓣内微血管过氧化物酶组织化学染色方法的实验研究
http://www.100md.com 《中国烧伤创疡杂志》 1998年第3期
梁 杰 郝新光 广东医学院整形外科研究所(524001) 梁 杰 郝新光 中国烧伤创疡杂志 1998 0 0 3
关键词:皮瓣 内源性过氧化物酶 微血管染色 期刊 zgsscyzz 0 整 形 fur -->

内容摘要 本文选S-D大白鼠鼠背皮瓣为材料,对内源性过氧化物酶染色显示微血管的方法进行实验研究。结果以10%缓冲甲醛(PH7.2-7.4)在4℃固定6-12小时,冰冻切片40um,联苯胺液显示微血管效果最好,该方法不需灌注,对血管无扩张,破裂作用,无人为改变,可用于皮瓣微血管形态学研究和定量分析。

Microvascular Network Architecture inthe Skin Flap Shown by Peroxidase Histochemical Staining Technique Liang Jie, et al. Plastic surgery research Institute of GuangdongMeidcal College, Zhangjiang 542401

Abstract The histochemical staining of endogeneous peroxidase in red cellwithin blood vessels was used to show the microvascular network architecture of the dorsaskin flap of S-D rats. The best result was obtained when tissue specimens were fixed in10% buffer formalin at 4oC, for 6 to 12 hours and made into 40 micron frozen sections andthen stained with DAB-NiCl. This method can be used quantitatively or semi-quantitativelyto evaluate blood circulation in tissues or organs, through measuring the density of theirmicrovascular bed without artificial errors, such as dilation and rupture of blood vesselsresulted from perfusion. This method can be used in the study of blood circulation andmicrovascular morphology of skin flap.

Key words Skin flap endogeneousperoxidase microvascular staining

微血管形态学研究和定量分析是研究微循环变化规律和调节机理的基础,同时也是移植组织血管构筑变化规律研究的重要课题。研究皮瓣微血管构筑对皮瓣的开发与移植具有重要价值。目前常用的微血管显示方法多为灌注法,造影法及血管铸型法等。这些方法存在着操作复杂,灌注压力不易掌握,易出现人工假象之弊[1,2] 。本文利用血液中的内源性过氧化物酶染色显示皮瓣的微血管,效果满意。

一、材料与方法

(一)动物来源:选S-D大白鼠20只,体重200-250g,雌雄不限,鼠龄100-150天。

(二)血管染色方法:取鼠背皮瓣标本,大小1cm×0.5cm。分别用:(1)10%缓冲甲醛(PH7.2-7.4),(2)10%甲醛(PH<5),(3)纯丙酮,(4)95%酒精。在4℃固定6-12小时。冰冻切片30-50um,将切片用联苯胺液(0.05mol/L PH7.6 TBS 100ml,DAB50mg,30%H2 O2 30ul)显示血管5-10分钟,镜下控制,自来水终止显色。中性红复染后,常规脱水,透明,封片。

二、结 果

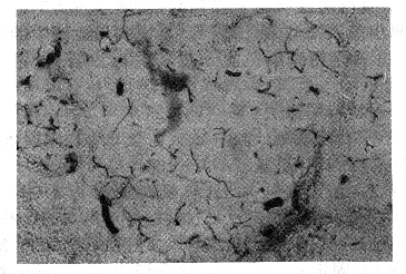
含有红细胞的微血管染成黑色,光镜下清晰可辨,背景呈复染色。四种固定液中以10%缓冲甲醛(PH7.2-7.4)固定的组织,内源性过氧化物酶活性最强,血管数量多,颜色深。10%甲醛(PH<5)固定的组织,酶活性低,血管数量少,颜色浅。纯丙酮及95%酒精固定的组织无法冰冻切片。

正常鼠背皮瓣与人近似,较人的薄,浅筋膜内脂肪较少,并多一肉膜层。皮瓣的微血管网可分为五层:①浅筋膜层血管网;②肉膜层血管网:主要走行于肌纤维间隙内,其分支吻合形成血管网;③真皮深层血管网,主要是皮脂腺,毛囊周围的毛细血管网;④乳头下层血管网,由皮动脉分支的终未微血管纵横交错排列而成;⑤乳头层血管网,为乳头下层血管网的分支形成的毛细血管袢。

三、讨 论

利用血液中存在着大量的由红细胞产生并释放入血浆中的内源性过氧化物酶,它能催化过氧化氢形成水和初生态氧,使联苯胺氧化成联苯胺兰,后者又进一步氧化成一种稳定的联苯胺棕沉淀于血管腔内,而将血管显示。在上述一系列反应中,过氧化氢是特异的,而作为电子供体的DAB是非特异的,所以可在底物液中加入不同的电子供体,将血管显示成不同的颜色。有学者在底物液中加入一定量的金属镍后,提高酶反应的敏感性、降代背景染色,便于观察和定量分析。由于组织器官内血液量多,酶含量丰富,反应产物较多,颜色就较深。所以,根据血管数量及颜色深浅可以在组织学水平定量或半定量判定组织器官活体时的血液循环。

内源性过氧化物酶染色显示微血管及判定血液循环的准确与否,关键在于取材和固定处理的防止血管腔内血液溢出和固定时最大限度地保存酶活性。固定的目的是使血液凝固,保持酶活性,防止酶扩散,保存良好的组织结构,从而有利于形态学研究。过氧化物酶是一种比较稳定的酶,能抵抗固定剂的部分破坏作用,通过对四种固定液在不同环境中的对比,结果以PH7.2-7.4的醛类固定剂效果最好,而10%甲醛(PH<5),因其PH值较低,对酶活性影响较大。

内源性过氧化物酶组化法不需向血管内灌注填充剂、示踪剂等物,对毛细血管无刺激作用,保持了微血管的自然状态和管径大小,这对进行移植组织微血管的形态计量学研究十分重要。它与AKP、ATP等酶组化法的比较亦具以下优点[3,4] :(1)过氧化物酶活性十分稳定,血管腔内含量丰富,且能抵抗醛类固定剂的部分破坏作用,故染色容易成功,重复性好;(2)方法的适用范围广,人和动物组织均适用;(3)切片可长期保存,血管不易退色,便于回顾性研究。此外,方法应用过程须注意:(1)组织标本必须新鲜,其表面不能被血液污染,若被污染速用生理盐水洗净;(2)固定液的PH值不能小于5,PH值过低,易使内源性过氧化物酶的活性丧失;(3)常规制片过程的温度、透明、包埋等会使酶活性丧失,故只能采用冰冻切片将酶显示;(4)切片在显色之前要尽量避免与高温、酸、碱等物接触,以免影响酶的活性。

参考文献

[1]刘晓霞.大鼠脊髓微血管碳素墨水灌注厚切片的制备.中华病理学杂志,1993,22∶53
[2]Willner LAInadequacy of filling the capillary bed of skeletal muscle with Microfil.FedProc,1987,36:523
[3]罗实,刘建华,李吉.三种酶组化方法显示毛细血管的比较和应用。中国医科大学学报,1992,21∶77
[4]熊正文,李春光,黄林,等。一种微血管显示方法及其应用。中华病理学杂志,1992,21∶313

图1 乳头层毛细血管袢,乳头下层血管网

图2 真皮深层血管网,示毛囊旁毛细血管

图3 肉膜层血管网,肌纤维间毛细血管网

图4 浅筋膜层血管网,脂肪间隔毛细血管网

, 百拇医药