地塞米松预处理对缺氧缺血性脑病新生大鼠神经和体格发育的影响
http://www.100md.com
蒋予. 李瑞林. 黄绍平. 吴建维.
地塞米松.缺氧缺血性脑病.新生大鼠.
参见附件(212kb)。
作者:蒋予 李瑞林 黄绍平 吴建维
单位:(西安医科大学第二附属医院儿科 西安 710004)
关键词:地塞米松;缺氧缺血性脑病;新生大鼠
西安医科大学学报000215 摘要 目的 探讨地塞米松(Dex)预处理对新生儿缺氧缺血性脑病(Hypoxic-ischemic encephalopathy,HE)新生大鼠神经及体格发育的影响。方法 4日龄SD大鼠85只随机分为3组,分别给予生理盐水、两种剂量Dex预处理4天,然后结扎左侧颈总动脉,放入37℃恒温有机玻璃缺氧房中3h。分别于生后10、14、21、28d取全脑标本切片作HE染色,测定各组大鼠总死亡率、体重、非结扎侧皮层厚度和细胞密度。结果 Dex组大鼠脑梗塞发生率及梗塞面积、体重、非结扎侧皮层厚度和细胞密度均少于对照组。低剂量Dex组和高剂量Dex组死亡率均高于对照组。两个Dex剂量组间无明显差异。结论 Dex预处理对HIE新生大鼠具有神经保护作用,但可抑制体格生长和大脑皮层发育,可能导致精神运动发育迟滞。
中图分类号 R365 文献标识码 A 文章编号 0258-0659(2000)02-0129-03
Effect of dexamethasone on development of nervous system and growth of body in neonatal rat with hypoxic-ischemic encephalopathy
Jiang Yu Li Reilin Huang Shaoping
(Department of Pediatrics, Second Affiliated Hospital,Xi′an Medical University,Xi′an 710004,China)
ABSTRACT Objective To investigate the effect of dexamethasone on development of nervous system and growth of body in neonatal rats with HIE.Methods 85 4-d-old Sprague-Dawley rat pups were randomized to 3 of 19, 32 and 34 different treatment groups.Neonatal rats were treated with either 0.1ml/kg saline or 0.1~0.5mg/kg dexamethasone for consecutive 4d.In the 7th postnatal day, after ligation of the left common carotid artery, the rats were exposed to 8% oxyen -92% nitrogen at 37℃ for 3 h.The weight was noted, and then the rats were decapitated in the 10th, 14th, 21st and 28th postnatal day.The brains were subsequently perfusion fixed and stained with hematoxylineosin.In the non-ligated side motor cortex, the area of infarction, the density and thickness of cells was measured with a microcomputer image analysis system(MCID),respectively.Results The rate of ligated side brain damage was lower in both Dex groups.However, a high mortality rate (71.43%) was noted in the high dose Dex groups.The weight of rats in both Dex groups was lower than that of the saline group.The density and the thickness of cells in cortical was lower in both Dex groups than that of the saline group in the 14th and 21st postnatal days (P<0.005 each).But that was still lower in higher-dose Dex group in the 28th postnatal day(P<0.001).Conclusion Pretreatment with Dex suppresses neuronal maturation of the brain and physical growing in neonatal rat, it may give rise to psychomotor retardation later.
KEY WORDS hypoxic-ischemic encephalopathy neonatal rat dexamethasone
新生儿缺氧缺血性脑病(Hypoxic-ischemic encephalopathy, HIE)是新生儿期后造成伤残儿童的主要原因之一[1],目前对HIE尚无有效的治疗方法。近年动物研究发现地塞米松对缺氧缺血性脑损害具有神经保护作用,但地塞米松(Dex)治疗对HIE动物发育的影响研究甚少,国内尚未见此方面研究的报道。
1 材料和方法
1.1 实验动物 4日龄SD大鼠85只,体重8~10g,雌雄不限,由母鼠哺乳,21天后离窝。
1.2 仪器、试剂 密闭有机玻璃缺氧房(自制),地塞米松(5mg/2ml上海生化制药厂生产,批号:96041203)。
1.3 研究方法
随机将动物分为三组:盐水[10mg/(kg.d)]对照组19只;低剂量Dex [0.1mg/(kg.d)]组32只;高剂量Dex[0.5mg/(kg.d)]组34只。从生后4d起给予相应的药物腹腔注射,连续4d。
按Lui等的方法[2],将预处理后的7日龄大鼠,用硫贲妥钠40mg/kg腹腔注射麻醉,无菌手术下结扎左侧颈总动脉后,放回窝中恢复3~4h,再放入37℃恒温有机玻璃缺氧房中,暴露于92%N2和8%O2的环境中3h后放回窝中饲养。
分别于生后10、14、21、28d分批处死大鼠,取全脑常规固定、石蜡包埋,经乳头核平面作4μm厚冠状切片、HE染色。应用自动图象分析仪测定顶皮质I区的大脑皮层厚度及细胞密度、生后10日脑梗塞面积,并计算梗塞发生率、体重、总死亡率等。另于10日龄鼠大脑皮层左顶叶取1mm3的组织块,2.5%戊二醛固定,常规制作超薄切片,电镜下观察大脑皮层细胞超微结构变化。
1.4 统计分析 数值以均数±标准差表示,计量资料采用完全随机设计方差分析(多样本均值比较),计数资料采用χ2检验,SAS软件分析,0.05为显著性水平。
2 结 果
2.1 脑梗塞发生率和梗塞面积 低剂量Dex组、高剂量Dex组和对照组的梗塞发生率分别为37.93%(11/29)、46.43%(13/28)、76.47%(13/17),Dex组与对照组间有显著差异(P<0.005),两个Dex组间比较无显著差异(P>0.05)。3组的10日龄梗塞面积分别为(1.250±0.082)mm2、(1.348±0.102)mm2和(6.663±0.637)mm2,低剂量Dex组和高剂量Dex组的梗塞面积小于对照组(分别为P<0.001,P<0.005),两个Dex组间无统计学差异(P>0.05)。
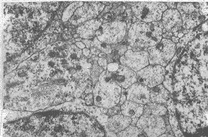
2.2 大脑神经细胞超微结构病理学改变 电镜下可见HIE后72h对照组大脑神经细胞胞浆内质网肿胀显著,呈大空泡样变,嵴消失殆尽,线粒体肿胀并减少,核糖体脱颗粒显著,糖原显著减少,细胞器减少,核膜迂曲,核仁部分边集,细胞膜未见改变(图1)。低剂量Dex组与对照组改变大致相同,仅程度稍轻,而高剂量Dex组可见细胞核膜迂曲程度改善,神经细胞形态结构大致正常(图2)。
图1 10日龄对照组大鼠大脑皮层神经细胞电镜超微结构变化(10×1 000倍)
图2 10日龄Dex 0.5预处理组大鼠的大脑皮层神经细胞电镜超微结构变化(10×1 000倍)
图3 Dex预处理组和对照组大鼠大脑皮质的细胞密度 以
±s表示,方差分析P<0.005,▲P<0.001(均与对照组比较)
2.3 非结扎侧大脑皮层厚度及细胞密度 见图3,图4。在生后10、14d,两Dex剂量组顶皮质1区皮层厚度和细胞密度均少于对照组(P<0.05、P<0.005),两Dex剂量组间无显著差异(P>0.05),至生后21d低剂量Dex组与对照组趋于一致(P>0.05),而高剂量Dex组直至生后28d仍少于对照组(P<0.05)。
2.4 HIE新生大鼠体格发育 见图5。在大鼠生后7~14d,Dex预处理组的体重均小于对照组(P<0.005),生后21d时,低剂量Dex组与对照组体重无明显差异(P>0.05),高剂量Dex组直至生后28d体重仍低于对照组(P<0.005)。
图4 Dex预处理组和对照组大鼠的大脑皮层厚度
以
±s表示,方差分析*P<0.05,▲P<0.005(均与对照组比较)
图5 Dex预处理组和对照组大鼠的体重增长情况
以
±s表示,方差分析*P<0.05,▲P<0.001(均与对照组比较)
2.5 HIE新生大鼠的死亡率 生后7~10d对照组、低剂量Dex组、高剂量Dex组HIE后总死亡率分别为17.65%(3/17)、51.72%(15/29)、71.43%(20/28),而Dex剂量组与对照组差异显著(P<0.005),两Dex组间无统计学差异。
3 讨 论
Dex预处理对HIE影响的研究较少,国内未见报道。本实验证明Dex预处理可明显减少新生大鼠HIE的梗塞发生率和平均梗塞面积,具有明显神经保护作用。此外,还观察到Dex可减少大鼠体重,也可致大脑皮层变薄、细胞密度减低,与国外报道一致[2~5]。在高剂量时尤为明显,这种作用持续至14~28d。Dex预处理可增加HIE大鼠死亡率,说明具有神经保护作用剂量的Dex对大鼠体格和神经发育有严重影响。
研究证明,糖皮质激素不能减轻成人脑缺血的损害,而对新生儿HIE具有保护作用[3,6,7],本实验也充分证明Dex预处理对新生大鼠HIE具有神经保护作用,这种年龄依赖性的原因不明。用Dex处理HIE的动物体格生长、胸腺重量的减少和血糖升高可用糖皮质激素拮抗剂RU38486抑制,且甲基强的松龙在减轻HIE的病理学方面和Dex有相同的效果[6,8,9];Dex与糖皮质激素Ⅱ型受体有高度亲合性,可作用于膜受体在数秒至数分钟内产生效应,这种可溶性激素受体复合物传递到核,与DNA上的激素反应成分相互作用,DNA以阳性或阴性的方式调节基因表达,导致某种蛋白质或酶的抑制或产生,提示糖皮质激素可能是通过细胞内糖皮质激素受体起作用。
与Dex有高亲合性的糖皮质激素Ⅱ型受体生后即存在,生后2~15d内源性糖皮质激素水平非常低,且无受体的自动调节作用,垂体-下丘脑轴对应激刺激的反应较成人低,生后3周至1月时,随着这个系统的成熟,大鼠对HI易感性增加,可能与髓鞘形成和神经突触功能完善有关,此时糖皮质激素对于HI瀑布没有影响[7]。本实验表明用Dex预处理可引起非结扎侧大脑皮层变薄及细胞密度减低,Liu等的实验[2]也发现Dex可致大脑皮层神经细胞髓鞘形成延迟,细胞数减少。因此,Dex预处理保护新生大鼠脑免受HI损伤,可能是通过抑制神经发育成熟实现的。
Dex预处理抑制大鼠体格发育、增加HIE新生大鼠死亡率,其机理可能为Dex抑制生长激素分泌和造成负氮平衡所致。糖皮质激素具有促进蛋白质分解、抑制蛋白质合成、久用可致生长减慢的生理效应。作者在试验中观察到体格瘦弱的大鼠运动能力差,在窝中仔鼠较多时吃不到足够的母乳,而母鼠又不能主动哺乳,导致热量及蛋白质严重不足,形成恶性循环,这也可能是体格发育抑制及死亡率增加的原因之一。
本研究证明Dex预处理对新生大鼠缺氧缺血性脑损害具有神经保护作用,但可抑制大脑皮层及体格发育,可能导致精神运动发育迟滞。在人类新生儿HIE中的作用是否与动物试验结果一致尚待进一步研究。
参考文献
1,Zanardo V, Demi M, Padovani E. Hypoxic-ischemic brain damage in the newborn (editorial)[J].Pediatr Med Chir, 1997;19(1)∶1
2,Kiu-Y, Wada H, Takada S et al.Preventive effects of dexamethasone on hypoxic-ischemic brain damage in the neonatal rat[J].Brain Dev,1995;17(3)∶186
3,Sapolsky RM, Meaney MJ.The maturation of the adrenocortical response in the rat[J].Brain Res Rev,1986;11(1)∶65
4,Ikonomidou C, Mossinger JL,Salles KS et al.Sensitivity of the deve lopi ng rat brains to hypoxic-ischemic damage parallels sensitivity to N-methyl-as partate neurotoxicity[J].J Neurosci, 1989;9(5)∶2809
5,Vannucci RC, Mujsce DJ.Effect of glucose on perinatal hypoxic-ischemi c brain damage[J].Biol Neonate, 1992;62(1)∶215
6,Tuir UI, Simone CS, Barks JD et al.Dexamethasone prevents cerebal infa rction without affecting cerebral blood flow in neonatal rat[J].Stroke,1993;24 (3)∶452
7,Barks JD,Post M,Tuir UI.Dexamethasone prevents hypoxic-ischemic brain damage in neonatal rat.Pediatr Res,1991;29(6)∶558
8,Tuir UI.Glucocorticids and prevention hypoxic-ischemic brain damage[ J].Neurosci Behav Rev, 1997;21(2)∶175
9,Tuir UI,Chuma PD,Delbigio MR.Prevention of hypoxic-ischemic damage wi th dexamethasone is dependent on age and not influenced by fasting[J].Exp-Neu rol,1995;132(1)∶116
(1999-10-23收稿 1999-11-25修回)
作者:蒋予 李瑞林 黄绍平 吴建维
单位:(西安医科大学第二附属医院儿科 西安 710004)
关键词:地塞米松;缺氧缺血性脑病;新生大鼠
西安医科大学学报000215 摘要 目的 探讨地塞米松(Dex)预处理对新生儿缺氧缺血性脑病(Hypoxic-ischemic encephalopathy,HE)新生大鼠神经及体格发育的影响。方法 4日龄SD大鼠85只随机分为3组,分别给予生理盐水、两种剂量Dex预处理4天,然后结扎左侧颈总动脉,放入37℃恒温有机玻璃缺氧房中3h。分别于生后10、14、21、28d取全脑标本切片作HE染色,测定各组大鼠总死亡率、体重、非结扎侧皮层厚度和细胞密度。结果 Dex组大鼠脑梗塞发生率及梗塞面积、体重、非结扎侧皮层厚度和细胞密度均少于对照组。低剂量Dex组和高剂量Dex组死亡率均高于对照组。两个Dex剂量组间无明显差异。结论 Dex预处理对HIE新生大鼠具有神经保护作用,但可抑制体格生长和大脑皮层发育,可能导致精神运动发育迟滞。
中图分类号 R365 文献标识码 A 文章编号 0258-0659(2000)02-0129-03
Effect of dexamethasone on development of nervous system and growth of body in neonatal rat with hypoxic-ischemic encephalopathy
Jiang Yu Li Reilin Huang Shaoping
(Department of Pediatrics, Second Affiliated Hospital,Xi′an Medical University,Xi′an 710004,China)
ABSTRACT Objective To investigate the effect of dexamethasone on development of nervous system and growth of body in neonatal rats with HIE.Methods 85 4-d-old Sprague-Dawley rat pups were randomized to 3 of 19, 32 and 34 different treatment groups.Neonatal rats were treated with either 0.1ml/kg saline or 0.1~0.5mg/kg dexamethasone for consecutive 4d.In the 7th postnatal day, after ligation of the left common carotid artery, the rats were exposed to 8% oxyen -92% nitrogen at 37℃ for 3 h.The weight was noted, and then the rats were decapitated in the 10th, 14th, 21st and 28th postnatal day.The brains were subsequently perfusion fixed and stained with hematoxylineosin.In the non-ligated side motor cortex, the area of infarction, the density and thickness of cells was measured with a microcomputer image analysis system(MCID),respectively.Results The rate of ligated side brain damage was lower in both Dex groups.However, a high mortality rate (71.43%) was noted in the high dose Dex groups.The weight of rats in both Dex groups was lower than that of the saline group.The density and the thickness of cells in cortical was lower in both Dex groups than that of the saline group in the 14th and 21st postnatal days (P<0.005 each).But that was still lower in higher-dose Dex group in the 28th postnatal day(P<0.001).Conclusion Pretreatment with Dex suppresses neuronal maturation of the brain and physical growing in neonatal rat, it may give rise to psychomotor retardation later.
KEY WORDS hypoxic-ischemic encephalopathy neonatal rat dexamethasone
新生儿缺氧缺血性脑病(Hypoxic-ischemic encephalopathy, HIE)是新生儿期后造成伤残儿童的主要原因之一[1],目前对HIE尚无有效的治疗方法。近年动物研究发现地塞米松对缺氧缺血性脑损害具有神经保护作用,但地塞米松(Dex)治疗对HIE动物发育的影响研究甚少,国内尚未见此方面研究的报道。
1 材料和方法
1.1 实验动物 4日龄SD大鼠85只,体重8~10g,雌雄不限,由母鼠哺乳,21天后离窝。
1.2 仪器、试剂 密闭有机玻璃缺氧房(自制),地塞米松(5mg/2ml上海生化制药厂生产,批号:96041203)。
1.3 研究方法
随机将动物分为三组:盐水[10mg/(kg.d)]对照组19只;低剂量Dex [0.1mg/(kg.d)]组32只;高剂量Dex[0.5mg/(kg.d)]组34只。从生后4d起给予相应的药物腹腔注射,连续4d。
按Lui等的方法[2],将预处理后的7日龄大鼠,用硫贲妥钠40mg/kg腹腔注射麻醉,无菌手术下结扎左侧颈总动脉后,放回窝中恢复3~4h,再放入37℃恒温有机玻璃缺氧房中,暴露于92%N2和8%O2的环境中3h后放回窝中饲养。
分别于生后10、14、21、28d分批处死大鼠,取全脑常规固定、石蜡包埋,经乳头核平面作4μm厚冠状切片、HE染色。应用自动图象分析仪测定顶皮质I区的大脑皮层厚度及细胞密度、生后10日脑梗塞面积,并计算梗塞发生率、体重、总死亡率等。另于10日龄鼠大脑皮层左顶叶取1mm3的组织块,2.5%戊二醛固定,常规制作超薄切片,电镜下观察大脑皮层细胞超微结构变化。
1.4 统计分析 数值以均数±标准差表示,计量资料采用完全随机设计方差分析(多样本均值比较),计数资料采用χ2检验,SAS软件分析,0.05为显著性水平。
2 结 果
2.1 脑梗塞发生率和梗塞面积 低剂量Dex组、高剂量Dex组和对照组的梗塞发生率分别为37.93%(11/29)、46.43%(13/28)、76.47%(13/17),Dex组与对照组间有显著差异(P<0.005),两个Dex组间比较无显著差异(P>0.05)。3组的10日龄梗塞面积分别为(1.250±0.082)mm2、(1.348±0.102)mm2和(6.663±0.637)mm2,低剂量Dex组和高剂量Dex组的梗塞面积小于对照组(分别为P<0.001,P<0.005),两个Dex组间无统计学差异(P>0.05)。
2.2 大脑神经细胞超微结构病理学改变 电镜下可见HIE后72h对照组大脑神经细胞胞浆内质网肿胀显著,呈大空泡样变,嵴消失殆尽,线粒体肿胀并减少,核糖体脱颗粒显著,糖原显著减少,细胞器减少,核膜迂曲,核仁部分边集,细胞膜未见改变(图1)。低剂量Dex组与对照组改变大致相同,仅程度稍轻,而高剂量Dex组可见细胞核膜迂曲程度改善,神经细胞形态结构大致正常(图2)。
图1 10日龄对照组大鼠大脑皮层神经细胞电镜超微结构变化(10×1 000倍)
图2 10日龄Dex 0.5预处理组大鼠的大脑皮层神经细胞电镜超微结构变化(10×1 000倍)
图3 Dex预处理组和对照组大鼠大脑皮质的细胞密度 以
2.3 非结扎侧大脑皮层厚度及细胞密度 见图3,图4。在生后10、14d,两Dex剂量组顶皮质1区皮层厚度和细胞密度均少于对照组(P<0.05、P<0.005),两Dex剂量组间无显著差异(P>0.05),至生后21d低剂量Dex组与对照组趋于一致(P>0.05),而高剂量Dex组直至生后28d仍少于对照组(P<0.05)。
2.4 HIE新生大鼠体格发育 见图5。在大鼠生后7~14d,Dex预处理组的体重均小于对照组(P<0.005),生后21d时,低剂量Dex组与对照组体重无明显差异(P>0.05),高剂量Dex组直至生后28d体重仍低于对照组(P<0.005)。
图4 Dex预处理组和对照组大鼠的大脑皮层厚度
以
图5 Dex预处理组和对照组大鼠的体重增长情况
以
2.5 HIE新生大鼠的死亡率 生后7~10d对照组、低剂量Dex组、高剂量Dex组HIE后总死亡率分别为17.65%(3/17)、51.72%(15/29)、71.43%(20/28),而Dex剂量组与对照组差异显著(P<0.005),两Dex组间无统计学差异。
3 讨 论
Dex预处理对HIE影响的研究较少,国内未见报道。本实验证明Dex预处理可明显减少新生大鼠HIE的梗塞发生率和平均梗塞面积,具有明显神经保护作用。此外,还观察到Dex可减少大鼠体重,也可致大脑皮层变薄、细胞密度减低,与国外报道一致[2~5]。在高剂量时尤为明显,这种作用持续至14~28d。Dex预处理可增加HIE大鼠死亡率,说明具有神经保护作用剂量的Dex对大鼠体格和神经发育有严重影响。
研究证明,糖皮质激素不能减轻成人脑缺血的损害,而对新生儿HIE具有保护作用[3,6,7],本实验也充分证明Dex预处理对新生大鼠HIE具有神经保护作用,这种年龄依赖性的原因不明。用Dex处理HIE的动物体格生长、胸腺重量的减少和血糖升高可用糖皮质激素拮抗剂RU38486抑制,且甲基强的松龙在减轻HIE的病理学方面和Dex有相同的效果[6,8,9];Dex与糖皮质激素Ⅱ型受体有高度亲合性,可作用于膜受体在数秒至数分钟内产生效应,这种可溶性激素受体复合物传递到核,与DNA上的激素反应成分相互作用,DNA以阳性或阴性的方式调节基因表达,导致某种蛋白质或酶的抑制或产生,提示糖皮质激素可能是通过细胞内糖皮质激素受体起作用。
与Dex有高亲合性的糖皮质激素Ⅱ型受体生后即存在,生后2~15d内源性糖皮质激素水平非常低,且无受体的自动调节作用,垂体-下丘脑轴对应激刺激的反应较成人低,生后3周至1月时,随着这个系统的成熟,大鼠对HI易感性增加,可能与髓鞘形成和神经突触功能完善有关,此时糖皮质激素对于HI瀑布没有影响[7]。本实验表明用Dex预处理可引起非结扎侧大脑皮层变薄及细胞密度减低,Liu等的实验[2]也发现Dex可致大脑皮层神经细胞髓鞘形成延迟,细胞数减少。因此,Dex预处理保护新生大鼠脑免受HI损伤,可能是通过抑制神经发育成熟实现的。
Dex预处理抑制大鼠体格发育、增加HIE新生大鼠死亡率,其机理可能为Dex抑制生长激素分泌和造成负氮平衡所致。糖皮质激素具有促进蛋白质分解、抑制蛋白质合成、久用可致生长减慢的生理效应。作者在试验中观察到体格瘦弱的大鼠运动能力差,在窝中仔鼠较多时吃不到足够的母乳,而母鼠又不能主动哺乳,导致热量及蛋白质严重不足,形成恶性循环,这也可能是体格发育抑制及死亡率增加的原因之一。
本研究证明Dex预处理对新生大鼠缺氧缺血性脑损害具有神经保护作用,但可抑制大脑皮层及体格发育,可能导致精神运动发育迟滞。在人类新生儿HIE中的作用是否与动物试验结果一致尚待进一步研究。
参考文献
1,Zanardo V, Demi M, Padovani E. Hypoxic-ischemic brain damage in the newborn (editorial)[J].Pediatr Med Chir, 1997;19(1)∶1
2,Kiu-Y, Wada H, Takada S et al.Preventive effects of dexamethasone on hypoxic-ischemic brain damage in the neonatal rat[J].Brain Dev,1995;17(3)∶186
3,Sapolsky RM, Meaney MJ.The maturation of the adrenocortical response in the rat[J].Brain Res Rev,1986;11(1)∶65
4,Ikonomidou C, Mossinger JL,Salles KS et al.Sensitivity of the deve lopi ng rat brains to hypoxic-ischemic damage parallels sensitivity to N-methyl-as partate neurotoxicity[J].J Neurosci, 1989;9(5)∶2809
5,Vannucci RC, Mujsce DJ.Effect of glucose on perinatal hypoxic-ischemi c brain damage[J].Biol Neonate, 1992;62(1)∶215
6,Tuir UI, Simone CS, Barks JD et al.Dexamethasone prevents cerebal infa rction without affecting cerebral blood flow in neonatal rat[J].Stroke,1993;24 (3)∶452
7,Barks JD,Post M,Tuir UI.Dexamethasone prevents hypoxic-ischemic brain damage in neonatal rat.Pediatr Res,1991;29(6)∶558
8,Tuir UI.Glucocorticids and prevention hypoxic-ischemic brain damage[ J].Neurosci Behav Rev, 1997;21(2)∶175
9,Tuir UI,Chuma PD,Delbigio MR.Prevention of hypoxic-ischemic damage wi th dexamethasone is dependent on age and not influenced by fasting[J].Exp-Neu rol,1995;132(1)∶116
(1999-10-23收稿 1999-11-25修回)
您现在查看是摘要介绍页,详见PDF附件(212kb)。