牛骨移植及牙种植体植入的实验研究
作者:赵怡芳 J.M.Symington R.D.Listrom
单位:430070 武汉,湖北医科大学口腔医学院;加拿大多伦多大学牙科系口腔颌面外科
关键词:种植体;牙植入体;移植,异种
中华口腔医学杂志980204 【摘要】 目的 探讨牛骨块在牙种植领域应用的可能性。方法 将20块牛骨外置移植于兔胫骨干骺端,同时植入牙种植体固定骨块。术后按计划给动物注射三种荧光素,并通过组织学和组织测 量学方法评价新骨形成。结果 荧光素标记的新骨逐渐替代移植骨的松质骨和部分皮质骨,实验结束时新骨已达牙种植体肩台平面。实验84天,4个上位螺纹平面的骨面积明显高于21天的骨面积。平均矿物沉积率为1.90 μm/d~2.75 μm/d。结论 牛骨外置移植结合螺钉型牙种植体植入可增加受区骨量。
Experimental study of cattle bone grafting in combination with implant insertion Zhao Yifang*, J. M. Symington, R. D. Listrom.*College of Stomatology, Hubei Medical University, Wuhan 430070
, http://www.100md.com
【Abstract】 Objective To study the effect of cattle bone grafting in combination with implant insertion. Methods Twenty cattle bone blocks were onlayed on the rabbit tibial metaphysis, which were fixed by dental implants. Triple fluorochromes were sequentially given to animals following the operation. New bone formation was histologically and histomorphometrically evaluated. Results The fluorochrome-labelled new bone gradually replaced almost all the spongy bone and the partial cortical bone of the graft at the end of the experiment. There was a significant higher percentage of bone area at the first four thread levels at 84 days than at 21 days. The average mineral apposition rates ranged from 1.90μm/d to 2.75 μm/d. Conclusion The onlay cattle bone grafting in conjunction with screw-type dental implants can be used to increase the volume of the recipient bone.
, 百拇医药
【Key words】 Implantation Dental implants Transplantation, heterologous
修复颌骨或牙槽骨严重吸收后的失牙是极困难的。部分患者可从传统的义齿修复前手术中获得较好的近期疗效,但因义齿承受区骨的吸收较快,远期效果常不满意。因此,近年来许多学者已将研究重点转向牙种植体或牙种植体合并骨移植术。新鲜自体骨移植及牙种植体植入已应用于处理牙槽骨高度或宽度不足[1,2]。新鲜自体骨移植有成骨及骨诱导能力,但仍需第二个手术区,增加手术时间并可能引起供区并发症[3]。所以异种骨或异质材料的应用受到人们的关注。牛骨是一种较常用的异种骨移植材料[4]。
材料和方法
1.实验动物及手术:10只体重3.0~3.5kg新西兰雄性白兔用于本实验。在全麻下手术。两后肢剃毛后,10%聚烯吡酮碘(providon-iodine)消毒手术区,铺巾。右胫骨干骺端的前内侧区作一约3cm长切口。切开软组织及暴露皮质骨后,按Ostial
钛合金牙种植体系统操作要求,在生理盐水持续外冲洗的情况下,用骨钻及螺丝攻完成受植床及移植骨的准备。将20mm×9mm×5mm牛骨块外置移植至受植区,其松质骨面与兔胫骨皮质骨接触,皮质骨朝向表面。螺钉型牙种植体(10mm×4mm)经移植骨植入胫骨,使植骨块完全固定。分层缝合术创。按上述步骤完成左侧手术。
, 百拇医药
2.荧光素标记安排:术后每隔1周依次使用四环素经静脉注射(20mg/kg体重),二甲酚橙(xylenol orange)皮下给药(90mg/kg体重),茜草素络合酮(alizarin complexone)皮下注射(30mg/kg体重)。
3.切片准备;术后21、28、35及84天分别采用过量戊巴比妥钠静脉注射处死动物,每次2只。剥离软组织后,用电锯切下包括移植骨和牙种植体的胫骨段。按非脱钙标本的方法[5],乙醇逐级脱水,甲基丙烯酸甲酯浸润包埋。包埋液完全聚合硬化后取出组织块,经打磨修整至适当大小。采用低速锯和金刚刀片,平行于牙种植体长轴切取包括种植体的切片两张。在距种植体3mm处分别切取无种植体的切片两张。所有切片经800#和4000#硅碳纸磨光减薄至约30μm 。取含牙种植体和无牙种植体的切片各1张,Stevenel蓝和Van Gieson苦味品红染色。
4.组织学和组织测量学:染色和非染色的切片均在Leitz显微镜下观察。显微镜与计算机联接,利用Bioquant Meg Ⅳ形态测量软件获得新骨测量的数据资料,包括矿物沉积率、牙种植体每侧连续6个螺纹平面骨,移植骨及软组织或骨髓组织的面积。
, 百拇医药
结果
所有动物术后伤口无感染或移植物外露等并发症。切取标本时发现移植骨与受区骨连接牢靠。移植骨可见不同程度新骨包绕,其浅分与软组织附着,但皮质骨表面易与软组织分离。
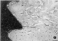
1.组织学观察:移植后21天,牙种植体的下部与胫骨的板层骨接触,其中部被新骨 、移植骨及软组织包绕。受植床的新骨长入移植骨的松质间隙内,形成所谓的骨性连接或融合(图1,2)。
术后28天及35天,新骨继续替代移植骨的松质骨。沿牙种植体生长的新骨,在部分区域形成直接骨接触。有些切片中,在新骨与移植骨的皮质骨间存在较明显的纤维组织带,其中散在分布尚未完全吸收的移植骨骨小梁及少量新骨。在42天,有较多的新骨形成。牙种植体周围的胫骨可见骨改建。
术后84天,移植骨的松质骨几乎被新骨完全替代(图3)。新骨生长已达牙种植体肩台平面(图4)。部分新形成的骨已转变为成熟的板层骨。受植区的胫骨部分吸收或变薄。骨髓腔明显增大甚或向上推进到移植骨的皮质骨深面,与实验早期相比牙种植体下部的骨接触向上迁移约一个螺纹平面。



, 百拇医药
图1 术后21天,胫骨表面的新骨向移植骨内生长(磨片×40) 图2 新骨在移植骨的松质骨间隙内生长,或包绕牛骨的骨小梁(磨片×100) 图3 新骨与牙种植体形成部分直接接触(磨片×40) 图4 在牙种植体肩台平面,种植体与移植骨的皮质骨间有新骨长入(磨片×100)
2.组织测量学:牙种植体每侧连续6个螺纹平面测得的骨面积百分比及移植骨面积百分比见表1,2。84天与21天的结果相比,4个冠侧螺纹平面的骨面积明显增加(P<0 .01),移植骨的面积显著减少。因骨髓腔增大,第6个螺纹平面骨面积减少。
不含牙种植体的切片中测得受区平均矿物沉积率(MAR)为1.90μm/d~2.75μm/d。前3个标记期的MAR低于后2个标记期的MAR。MAR1与MAR4或MAR5的差异有高度显著性(P<0.01)。
表1 每个螺纹平面骨面积百分比(
±s) 时间(天)
, 百拇医药
螺纹平面
1
2
3
4
5
6
21
0.00
3.90±2.29
22.74±5.24
44.29±9.97
87.07±5.52
, 百拇医药
48.71±7.72
84
17.95±5.42
67.54±5.53
67.07±5.13
85.88±1.32
55.42±3.99
1.93±0.36
表2 每个螺纹平面移植骨面积百分比(
±s) 时间(天)
, 百拇医药
螺纹平面
1
2
3
4
5
6
21
66.77±
8.41
32.38±
0.88
18.49±
, http://www.100md.com
4.27
13.32±
4.05
0.00
0.00
84
53.28±
16.52
7.49±
2.23
0.33±
0.29
0.90±
, http://www.100md.com
0.78
0.00
0.00
讨论
自从切开-磨光技术首先由Donath和Breuner[6]报道以来,与牙种植体有关的组织学和组织测量学研究方面已被广泛应用。采用这种方法可维持金属种植体与受区骨和骨代用材料的原有关系。若使用脱钙处理技术,则不可能决定移植材料是生理性吸收或仅是脱钙的原因而丧失。使用荧光素作为骨标记的实验,必须采用非脱钙技术制片。
在研究骨形成及吸收的实验中多色荧光素标记技术受到重视[7]。移植骨中显示荧光素则表明血管侵入、新骨形成。受区矿物沉积率的变化,后2个标记期的MAR较前3个标记期的MAR高,可能与新骨替代移植骨后骨髓腔增大,血供的变化有关。本研究中各组动物的MAR高于同龄兔正常胫骨的MAR,说明手术后受植区新骨形成加快。
, 百拇医药
移植材料外置移植后的吸收及新骨形成,与固定方法有密切关系。Maletta等[8]曾研究自体肋骨和异体冻干肋骨外置移植后的愈合和血管再生成。植入骨膜下未行骨间固定的两种移植骨最终被吸收,受区骨量增加极少。 本研究中采用螺钉型牙种植体使牛骨块与深面的胫骨牢靠固定。实验结束时,除部分皮质骨外,5mm厚的移植骨逐渐被新形成的骨替代,受区骨量明显增加。
有活力的骨与牙种植体的直接接触是决定种植体成功的重要条件。骨面积的百分比和骨-种植体接触百分比可用于评价骨整合状态[9]。
参考文献
1 Adell R, Lekholm U, Grondahl K, et al. Reconstruction of severely resorbed edentulous maxilla using osseointegrated fixtures in immediate autogenous bone grafts. Int J Oral Maxillofac Implants, 1990, 5:233-246.
, 百拇医药
2 Isaksson S, Alberius P. Maxillary alveolar ridge augmentation with onlay bone-grafts and immediate endosseous implants. J Cranio-maxillofac Surg, 1992, 20:2-7.
3 Laurie SW, Kaban LB, Mulliken JB, et al. Donor-site morbidity after harvesting rib and iliac bone. Plast Reconstr Surg, 1984, 73:933-938.
4 Taherei ZE, Gueramy M. Experiment with calfbone in cervical interbody spinal interfusion. J Nurosurg, 1972, 36:67-71.
, 百拇医药
5 Maniatopoulos C, Rodrigue A, Deporter DA, et al. An improved method for preparing histological sections of metallic implants. Int J Oral Maxillofac Implants, 1986, 1:31-37.
6 Donath K, Breuner G. A method for the study of undecalcified bones and teeth with attached tissues. The S
ge-Schliff (sawing and grinding) technique. J Oral Pathol, 1982, 11:318-326.
, http://www.100md.com
7 Mendes M, Pritzker KPH. Optimizing multiple fluorochrome bone histodynamic markers. Bone, 1993, 14:537-542.
8 Maletta JA, Gasser JA, Fonseca RJ, et al. Comparison of the healing and revascularization of onlayed autologous and lyophilized allogenic rib grafts to the edentuous maxilla. J Oral Maxillofac Surg, 1983, 41:487-499.
9 Albreksson T, Carlsson LV, Mosberg P, et al. Directly bone-anchored implants, with special emphasis on the concept of osseointegration in orthopaedic surgery. In : Cameron HC, ed. 1st. Bone implant interface. Louis: Mosby Year Book, 1994. 97-120.
(收稿:1996-02-08 修回:1997-10-29), 百拇医药
单位:430070 武汉,湖北医科大学口腔医学院;加拿大多伦多大学牙科系口腔颌面外科
关键词:种植体;牙植入体;移植,异种
中华口腔医学杂志980204 【摘要】 目的 探讨牛骨块在牙种植领域应用的可能性。方法 将20块牛骨外置移植于兔胫骨干骺端,同时植入牙种植体固定骨块。术后按计划给动物注射三种荧光素,并通过组织学和组织测 量学方法评价新骨形成。结果 荧光素标记的新骨逐渐替代移植骨的松质骨和部分皮质骨,实验结束时新骨已达牙种植体肩台平面。实验84天,4个上位螺纹平面的骨面积明显高于21天的骨面积。平均矿物沉积率为1.90 μm/d~2.75 μm/d。结论 牛骨外置移植结合螺钉型牙种植体植入可增加受区骨量。
Experimental study of cattle bone grafting in combination with implant insertion Zhao Yifang*, J. M. Symington, R. D. Listrom.*College of Stomatology, Hubei Medical University, Wuhan 430070
, http://www.100md.com
【Abstract】 Objective To study the effect of cattle bone grafting in combination with implant insertion. Methods Twenty cattle bone blocks were onlayed on the rabbit tibial metaphysis, which were fixed by dental implants. Triple fluorochromes were sequentially given to animals following the operation. New bone formation was histologically and histomorphometrically evaluated. Results The fluorochrome-labelled new bone gradually replaced almost all the spongy bone and the partial cortical bone of the graft at the end of the experiment. There was a significant higher percentage of bone area at the first four thread levels at 84 days than at 21 days. The average mineral apposition rates ranged from 1.90μm/d to 2.75 μm/d. Conclusion The onlay cattle bone grafting in conjunction with screw-type dental implants can be used to increase the volume of the recipient bone.
, 百拇医药
【Key words】 Implantation Dental implants Transplantation, heterologous
修复颌骨或牙槽骨严重吸收后的失牙是极困难的。部分患者可从传统的义齿修复前手术中获得较好的近期疗效,但因义齿承受区骨的吸收较快,远期效果常不满意。因此,近年来许多学者已将研究重点转向牙种植体或牙种植体合并骨移植术。新鲜自体骨移植及牙种植体植入已应用于处理牙槽骨高度或宽度不足[1,2]。新鲜自体骨移植有成骨及骨诱导能力,但仍需第二个手术区,增加手术时间并可能引起供区并发症[3]。所以异种骨或异质材料的应用受到人们的关注。牛骨是一种较常用的异种骨移植材料[4]。
材料和方法
1.实验动物及手术:10只体重3.0~3.5kg新西兰雄性白兔用于本实验。在全麻下手术。两后肢剃毛后,10%聚烯吡酮碘(providon-iodine)消毒手术区,铺巾。右胫骨干骺端的前内侧区作一约3cm长切口。切开软组织及暴露皮质骨后,按Ostial
, 百拇医药
2.荧光素标记安排:术后每隔1周依次使用四环素经静脉注射(20mg/kg体重),二甲酚橙(xylenol orange)皮下给药(90mg/kg体重),茜草素络合酮(alizarin complexone)皮下注射(30mg/kg体重)。
3.切片准备;术后21、28、35及84天分别采用过量戊巴比妥钠静脉注射处死动物,每次2只。剥离软组织后,用电锯切下包括移植骨和牙种植体的胫骨段。按非脱钙标本的方法[5],乙醇逐级脱水,甲基丙烯酸甲酯浸润包埋。包埋液完全聚合硬化后取出组织块,经打磨修整至适当大小。采用低速锯和金刚刀片,平行于牙种植体长轴切取包括种植体的切片两张。在距种植体3mm处分别切取无种植体的切片两张。所有切片经800#和4000#硅碳纸磨光减薄至约30μm 。取含牙种植体和无牙种植体的切片各1张,Stevenel蓝和Van Gieson苦味品红染色。
4.组织学和组织测量学:染色和非染色的切片均在Leitz显微镜下观察。显微镜与计算机联接,利用Bioquant Meg Ⅳ形态测量软件获得新骨测量的数据资料,包括矿物沉积率、牙种植体每侧连续6个螺纹平面骨,移植骨及软组织或骨髓组织的面积。
, 百拇医药
结果
所有动物术后伤口无感染或移植物外露等并发症。切取标本时发现移植骨与受区骨连接牢靠。移植骨可见不同程度新骨包绕,其浅分与软组织附着,但皮质骨表面易与软组织分离。
1.组织学观察:移植后21天,牙种植体的下部与胫骨的板层骨接触,其中部被新骨 、移植骨及软组织包绕。受植床的新骨长入移植骨的松质间隙内,形成所谓的骨性连接或融合(图1,2)。
术后28天及35天,新骨继续替代移植骨的松质骨。沿牙种植体生长的新骨,在部分区域形成直接骨接触。有些切片中,在新骨与移植骨的皮质骨间存在较明显的纤维组织带,其中散在分布尚未完全吸收的移植骨骨小梁及少量新骨。在42天,有较多的新骨形成。牙种植体周围的胫骨可见骨改建。
术后84天,移植骨的松质骨几乎被新骨完全替代(图3)。新骨生长已达牙种植体肩台平面(图4)。部分新形成的骨已转变为成熟的板层骨。受植区的胫骨部分吸收或变薄。骨髓腔明显增大甚或向上推进到移植骨的皮质骨深面,与实验早期相比牙种植体下部的骨接触向上迁移约一个螺纹平面。
, 百拇医药
图1 术后21天,胫骨表面的新骨向移植骨内生长(磨片×40) 图2 新骨在移植骨的松质骨间隙内生长,或包绕牛骨的骨小梁(磨片×100) 图3 新骨与牙种植体形成部分直接接触(磨片×40) 图4 在牙种植体肩台平面,种植体与移植骨的皮质骨间有新骨长入(磨片×100)
2.组织测量学:牙种植体每侧连续6个螺纹平面测得的骨面积百分比及移植骨面积百分比见表1,2。84天与21天的结果相比,4个冠侧螺纹平面的骨面积明显增加(P<0 .01),移植骨的面积显著减少。因骨髓腔增大,第6个螺纹平面骨面积减少。
不含牙种植体的切片中测得受区平均矿物沉积率(MAR)为1.90μm/d~2.75μm/d。前3个标记期的MAR低于后2个标记期的MAR。MAR1与MAR4或MAR5的差异有高度显著性(P<0.01)。
表1 每个螺纹平面骨面积百分比(
, 百拇医药
螺纹平面
1
2
3
4
5
6
21
0.00
3.90±2.29
22.74±5.24
44.29±9.97
87.07±5.52
, 百拇医药
48.71±7.72
84
17.95±5.42
67.54±5.53
67.07±5.13
85.88±1.32
55.42±3.99
1.93±0.36
表2 每个螺纹平面移植骨面积百分比(
, 百拇医药
螺纹平面
1
2
3
4
5
6
21
66.77±
8.41
32.38±
0.88
18.49±
, http://www.100md.com
4.27
13.32±
4.05
0.00
0.00
84
53.28±
16.52
7.49±
2.23
0.33±
0.29
0.90±
, http://www.100md.com
0.78
0.00
0.00
讨论
自从切开-磨光技术首先由Donath和Breuner[6]报道以来,与牙种植体有关的组织学和组织测量学研究方面已被广泛应用。采用这种方法可维持金属种植体与受区骨和骨代用材料的原有关系。若使用脱钙处理技术,则不可能决定移植材料是生理性吸收或仅是脱钙的原因而丧失。使用荧光素作为骨标记的实验,必须采用非脱钙技术制片。
在研究骨形成及吸收的实验中多色荧光素标记技术受到重视[7]。移植骨中显示荧光素则表明血管侵入、新骨形成。受区矿物沉积率的变化,后2个标记期的MAR较前3个标记期的MAR高,可能与新骨替代移植骨后骨髓腔增大,血供的变化有关。本研究中各组动物的MAR高于同龄兔正常胫骨的MAR,说明手术后受植区新骨形成加快。
, 百拇医药
移植材料外置移植后的吸收及新骨形成,与固定方法有密切关系。Maletta等[8]曾研究自体肋骨和异体冻干肋骨外置移植后的愈合和血管再生成。植入骨膜下未行骨间固定的两种移植骨最终被吸收,受区骨量增加极少。 本研究中采用螺钉型牙种植体使牛骨块与深面的胫骨牢靠固定。实验结束时,除部分皮质骨外,5mm厚的移植骨逐渐被新形成的骨替代,受区骨量明显增加。
有活力的骨与牙种植体的直接接触是决定种植体成功的重要条件。骨面积的百分比和骨-种植体接触百分比可用于评价骨整合状态[9]。
参考文献
1 Adell R, Lekholm U, Grondahl K, et al. Reconstruction of severely resorbed edentulous maxilla using osseointegrated fixtures in immediate autogenous bone grafts. Int J Oral Maxillofac Implants, 1990, 5:233-246.
, 百拇医药
2 Isaksson S, Alberius P. Maxillary alveolar ridge augmentation with onlay bone-grafts and immediate endosseous implants. J Cranio-maxillofac Surg, 1992, 20:2-7.
3 Laurie SW, Kaban LB, Mulliken JB, et al. Donor-site morbidity after harvesting rib and iliac bone. Plast Reconstr Surg, 1984, 73:933-938.
4 Taherei ZE, Gueramy M. Experiment with calfbone in cervical interbody spinal interfusion. J Nurosurg, 1972, 36:67-71.
, 百拇医药
5 Maniatopoulos C, Rodrigue A, Deporter DA, et al. An improved method for preparing histological sections of metallic implants. Int J Oral Maxillofac Implants, 1986, 1:31-37.
6 Donath K, Breuner G. A method for the study of undecalcified bones and teeth with attached tissues. The S
, http://www.100md.com
7 Mendes M, Pritzker KPH. Optimizing multiple fluorochrome bone histodynamic markers. Bone, 1993, 14:537-542.
8 Maletta JA, Gasser JA, Fonseca RJ, et al. Comparison of the healing and revascularization of onlayed autologous and lyophilized allogenic rib grafts to the edentuous maxilla. J Oral Maxillofac Surg, 1983, 41:487-499.
9 Albreksson T, Carlsson LV, Mosberg P, et al. Directly bone-anchored implants, with special emphasis on the concept of osseointegration in orthopaedic surgery. In : Cameron HC, ed. 1st. Bone implant interface. Louis: Mosby Year Book, 1994. 97-120.
(收稿:1996-02-08 修回:1997-10-29), 百拇医药