局部缓释药丸防治开放性骨折感染的实验研究
作者:吴宏斌 郑启新 徐逢仁 李世谱 刘畅 阎玉华
单位:吴宏斌 徐逢仁 430022 武汉,同济医科大学附属协和医院急救中心;郑启新 骨科;李世谱 刘畅 阎玉华 武汉工业大学生物材料中心
关键词:磷酸三钙;环丙沙星;骨折,开放性;感染
中华创伤杂志980411 【摘要】 目的 局部植入缓释药丸防治开放性骨折骨及软组织感染。方法 用可降解人工骨移植材料磷酸三钙承载第三代喹喏酮类广谱抗生素环丙沙星制成磷酸三钙/环丙沙星缓释药丸(TCDC)并检测其体外抑菌能力及植入兔股骨大转子后释药情况。结果 TCDC对金葡菌、大肠杆菌、绿脓杆菌等骨科感染常见致病菌有强大且持久的抑菌能力,持续时间分别大于5、51天,等于27天。TCDC周围骨及肌肉组织能长期(大于30天)保持较高药物浓度,而血中浓度极低且呈逐渐下降趋势。结论 TCDC具有防治开放性骨折感染的良好前景。
, 百拇医药
Experimental Study on Local Drug Delivery System for Treatment of Open Fractures WU Hong-bin, ZHENG Qi-xing, XU Feng-ren, et al. Emergency Center of Union Hospital, Tongji Medical University, Wuhan 430022
【Abstract】 Aim Drug delivery system (DDS) was adopted for the prophylaxis and treatment of osteomyelitis and soft tissue infection after open fractures. Methods We prepared a new DDS, tricalcium phosphate/ciprofloxacine delivery capsule (TCDC) by loading broadspectrum antibiotic: ciprofloxacine into the cylindrical cavity of biodegradable bone substitute tricalcium phosphate (TCP) and TCDC'S bacteriostasis ability in vitro and in vivo were also tested. Results TCDC showed great and lasting bacteriostasis to common pathogens of orthopaedic infections, such as staphylococcus aureus, escherichia coli and pseudomonas aeruginosa, with bacteriostasis lasting more than 5 days, 51 days and 27 days respectively. In vivo study showed that high concentration of ciprofloxacine still occurred in the bone and muscle tissues surrounding TCDC which was placed in the great trochanter of rabbit and that it continued to let off ciprofloxacine for at least 30 days, while the concentration of ciprofloxacine in blood was very low and tended to reduce gradually. Conclusion TCDC can sustain a high local antibiotic concentration while the blood antibiotic concentration is very low. It may become a good method to treat infections after open fractures.
, 百拇医药
【Key words】 Tricalcium phosphate Ciprofloxacine Open fracture Infection
开放性骨折较易并发软组织感染及骨髓炎,严重感染常会影响骨折愈合。如何防治这类感染,一直是临床医师颇为关切的问题。Henry等将载抗生素的聚甲基丙烯酸甲酯(polymethylemethacrylate, PMMA)药丸置入骨折部,在临床上取得了良好的防治感染效果[1]。Rethman则用聚乙烯酸/聚乳酸共聚物(polyglycolic acid/polylactic acid copolymer)承载抗生素治疗鼠股骨干骨折合并金葡菌感染,亦获成功[2]。笔者用磷酸三钙承载广谱抗生素环丙沙星制成磷酸三钙/环丙沙星缓释药丸(tricalciurm phosphate/ciprofloxacine delivervy capsule, TCDC),并对其体内、外的释药情况进行了研究。
, http://www.100md.com
材料与方法
一、TCDC的制备
分析纯CaHPO4.2H2O和CaCO3粉末按一定比例充分混匀后,常压下升温致960℃,保温2小时再冷却成TCDC原料粉备用。选择以P2O5-CaO为主要成份的低融点玻璃为高温粘结剂,以重量比为1∶6~7的比例与TCDC原料粉充分混匀、烘干,再加入40%左右溶融的石蜡作为成孔剂,充分拌合后,注入药囊模具成型,药丸分中空圆柱状主体和尾盖两部分(图1)。药丸内径2mm、长8mm、壁厚1mm。将成型后的坯体放入高温炉内埋烧,排蜡和烧成一次完成。排蜡在200℃~500℃间进行,烧成温度为900℃,在900℃保温2小时后随炉冷却,将烧成的药丸装载8mg盐酸环丙沙星药粉,并用α-磷酸三钙骨水泥(α-TCP)将尾盖与主体封合在一起。
, 百拇医药
图1 TCDC药丸分中空圆柱状主体与尾盖两部分,装药后用α-TCP骨水泥封合在一起
二、体外抑菌实验
将160℃高温消毒2小时的TCDC3粒,在无菌操作下分别置于接种有金葡菌、绿脓杆菌、大肠杆菌的琼脂培养基中央;另用160℃高温消毒2小时未装药的TCP空药丸,亦分别置于接种有上述3种细菌的培养基中央作为对照。实验组及对照组培养基均置于37℃温箱。24小时后记录抑菌情况。72小时后将所有TCDC及TCP空药丸重新转入新的接种有相应菌种的培养基中,置37℃温箱,继续观察抑菌情况,如此反复转培17次,共观察57天。上述所有标准菌种为同济医科大学附属协和医院检验科提供。
三、体内释药实验
1.同济医科大学动物中心提供的大耳白兔8只(雌兔5只、雄兔3只),体重2~2.5kg。846合剂肌肉麻醉后,于无菌条件下手术暴露双侧股骨大转子,每侧钻两个直径4mm,深6~7mm的骨腔,两腔相距约2mm,每个骨腔植入TCDC1粒。TCDC约3/4植入骨腔内,约1/4留于腔外用肌肉组织包裹。每侧股骨转子区植入TCDC2粒,双侧共4粒。植入后1、2、3、4、5、7、9、12天从兔耳缘静脉采血2ml,并于第9、16、23、30天分别处死兔2只。处死前耳缘静脉采血2ml,处死后取紧邻植入体的骨和肌肉各500~700mg。用日本岛津公司产HPLC-Ⅰ型高效液相色谱仪检测血及组织中环丙沙星浓度。
, 百拇医药
2.将植入兔股骨转子区30天后的TCDC取出,置入接种有金葡菌的琼脂培养基中央,37℃温箱培养24小时后观察抑菌情况。
结 果
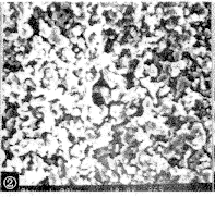
一、扫描电镜观察TCP载体材料的横断面形貌
图2可见载体壁具有分布均匀的连通气孔。图3可见清晰的连通气孔。孔壁晶体发育不均匀,多为不规则形。测量气孔孔径一般在30μm左右。
图2 TCDC壁具有分布均匀的连通气孔,药物微粒通过
这些微孔缓慢释出 SEM ×1000
, http://www.100md.com 图3 TCDC壁中,孔壁晶体发育不均,多不规则,测量孔径一般在30μm左右 SEM ×5000
二、体外抑菌实验结果
实验组TCDC有明显抑菌圈,对照组TCP载体材料无抑菌作用,每种细菌的抑菌圈在第1~4次转培过程中逐渐缩小,以后大小无明显变化。绿脓杆菌抑菌圈变化最大,直径从5.8cm逐渐降至3.6cm,持续一段时间后,约在第27天抑菌能力明显下降,抑菌圈直径仅1.4cm,第30天后抑菌圈不明显。金葡菌及大肠杆菌抑菌圈直径分别从4.0cm及4.6cm降至2.6cm及3.6cm,直至51天后,抑菌圈直径仍能维持在2.4cm及3.5cm左右。
三、体内释药结果
附表示骨组织及肌肉组织在30天内都有较高浓度的环丙沙星,其中肌肉组织药浓度普遍高于骨组织,可能与TCDC部分直接暴露于肌肉中,且肌肉较骨骼含水量高有关。而血中药物浓度极低,16天后基本测不出。图4示植入兔体内30天后的TCDC对金葡菌仍有明显的抑菌能力。图5示血药浓度逐渐下降,至第12天后基本测不出,说明环丙沙星不会在体内蓄积。
, http://www.100md.com
图4 植入兔体内30天后,TCDC对金葡菌仍有明显抑菌能力,抑菌圈直径3.2cm
图5 TCDC植入后,血中环丙沙星浓度逐渐下降,至第12天后已非常微弱
附表 TCDC植入后不同时间骨、肌肉及血中环丙沙星浓度变化 组别
环丙沙星浓度(
)
第9天
第16天
第23天
第30天
, http://www.100md.com
骨(μg/g)
0.68(0.21~1.05)
0.60(0.42~0.87)
0.47(0.23~0.80)
0.30(0.10~0.62)
肌肉(μg/g)
2.55(0.43~4.80)
1.23(0.60~2.10)
1.82(1.33~3.00)
1.28(1.05~1.73)
血(10mg/L)
, http://www.100md.com
0.11(<0.01~0.21)
<0.01
<0.01
<0.01
注:括号内数字为(x最小~x最大)
讨 论
开放性骨折患者由于软组织损伤、创口污染,容易发生软组织感染或骨髓炎,导致骨折延迟愈合甚至不愈合。常规的处理方法是:严格清创,恰当固定,尽量早期闭合创口,全身应用足量、广谱、强效抗生素防治感染。长期全身应用抗生素有可能带来一系列副反应[3],而且损伤局部药浓度往往不高,使药物利用率很低。
1980年Klemm首次局部应用庆大霉素/PMMA珠链防治骨及软组织感染获得成功[3]。此后许多学者用一系列生物相容性良好的骨替代材料如PMMA、聚乙烯酸/聚乳酸共聚物(PGA/PLA)、羟基磷灰石(HA)等制成局部缓释药丸用于防治骨及软组织感染,在实验及临床研究中都取得了良好效果[1~4]。与常规用药方式相比,局部用药具有以下优点:(1)一次性用药,且用量小;(2)局部持续浓度高,血中药浓度低,全身副作用小;(3)药物载体可同时作为骨移植、修补材料;(4)可根据不同病人的需要制成不同释药速度的缓释药丸[4]。但目前临床上常用的载体如PMMA、PGA/PLA等存在许多不完善处,前者与植入部周围组织连接不牢,易松动滑脱,而且局部维持的抗生素浓度在植入后几天迅速降到较低水平,也不能承载对热不稳定药物,且释药不完全、没有降解性[5,6]。后者虽能降解吸收,但生物相容性不甚理想,易导致迟发性水肿反应及植入部窦道形成[7]。
, 百拇医药
TCP是一种生物相容性良好且能在体内逐渐降解的生物活性陶瓷,它能与周围骨组织牢固连接,在植入初期作为骨长入的支架,发挥骨传导作用,以后又逐渐降解以至完全被新生骨取代,是目前最接近于生理性骨的人工骨移植材料[8,9]。在载体形状方面,把TCP制成中空圆柱状,是为了便于装载各种粉剂药物。在实际临床工作中,还可根据需要制成其他形状,便于骨缺损的填补,以恢复缺损处骨架稳定性。载体壁中充满了许多相连微孔,这是药物释出的通道。由于微孔孔径大于100μm时在体内易被新骨及结缔组织长入填塞[10],笔者将TCDC的微孔孔径控制在30μm左右,既可让药物顺利通过,又可避免释药后期微孔被堵,影响药物释放。
环丙沙星是第三代喹喏酮类广谱强效杀菌药。抑菌实验显示出TCDC对骨及软组织感染常见致病菌均有强大而持久的抑菌能力。动物实验中,虽然所用药量较小,每只兔每侧仅用药16mg,但植入30天后,植入部肌肉及骨骼组织中药浓度仍持续很高水平,分别为1.28μg/g及0.30μg/g,此时取出的药丸对金葡菌仍有明显抑菌作用。从附表还可看出,局部药浓度随时间下降缓慢,不存在载抗生素PMMA中局部药浓度在植入几天内骤降的情况。整个实验期内,药物血浓度极低,第1~9天药浓度逐渐下降,第12天后基本测不出来。故药物不会在体内蓄积,不会产生肝肾损害及菌群失调等并发症。
, 百拇医药
综上所述,笔者认为局部植入TCDC能成为一种良好防治开放性骨折及软组织感染的方法。它能维持植入局部较高抗生素浓度,从而降低感染发生率。它作为骨移植材料,能同时恢复骨架稳定性,促进骨折愈合。从其制备过程可以看出,TCDC能承载各种粉剂药物,且装药及消毒方便,植入后不需手术取出,值得进一步实验及临床研究。
本课题受国家自然科学基金资助
参考文献
[1]Henry SL, Ostermann PAW, Seligson D. The antibiotic bead pouch technique: The management of severe compound fractures. Clinic Orthop, 1993, 295∶54-62.
[2]Rethman MP. Locally applied microencapsulated ampicillin obviate infection of internally fixed fractures in rat. J Dent Res, 1988, 67∶298-304.
, http://www.100md.com
[3]Klemn K. Gentamycin-PMMA-Beads in treating bone and soft tissue infections. Excerpta Med Orthop, 1980, 25∶182-184.
[4]Duncan CP. Antibiotic depots. J Bone Joint Surg (Br), 1993, 75∶349-350.
[5]陈安民,王泰仪.庆大霉素-PMMA链的研制和实验研究.中华骨科杂志, 1986, 6∶466-468.
[6]Jason C, Wayne D, Mader JT, et al. Failure of bipolar hip arthroplasty secondary to retain antibiotic-impregnated polymethylemethacrylate beads. J Bone Joint Surg (Am), 1988, 70∶1246-1248.
, 百拇医药
[7]Bostman OM, Finland H. Current concepts review: Absorbable implants for the fixation of fractures. J Bone Joint Surg (Am), 1991, 73∶148-151.
[8]郑启新,朱通伯,杜靖远.骨形态发生蛋白/多孔磷酸三钙陶瓷复合人工骨的研制及其诱导成骨的研究.中华骨科杂志, 1991, 11∶43-47.
[9]郑启新,杜靖远,朱通伯.多孔磷酸三钙陶瓷人工骨生物降解的实验观察.同济医科大学学报, 1996, 25∶37-40.
[10]Bajpai PK, Benguzzi HA. Ceramic systems for long-term delivery of chemicals and biological. J Biomed Mater, 1988, 22∶1245-1266.
(收稿:1997-07-21 修回:1998-05-14), 百拇医药
单位:吴宏斌 徐逢仁 430022 武汉,同济医科大学附属协和医院急救中心;郑启新 骨科;李世谱 刘畅 阎玉华 武汉工业大学生物材料中心
关键词:磷酸三钙;环丙沙星;骨折,开放性;感染
中华创伤杂志980411 【摘要】 目的 局部植入缓释药丸防治开放性骨折骨及软组织感染。方法 用可降解人工骨移植材料磷酸三钙承载第三代喹喏酮类广谱抗生素环丙沙星制成磷酸三钙/环丙沙星缓释药丸(TCDC)并检测其体外抑菌能力及植入兔股骨大转子后释药情况。结果 TCDC对金葡菌、大肠杆菌、绿脓杆菌等骨科感染常见致病菌有强大且持久的抑菌能力,持续时间分别大于5、51天,等于27天。TCDC周围骨及肌肉组织能长期(大于30天)保持较高药物浓度,而血中浓度极低且呈逐渐下降趋势。结论 TCDC具有防治开放性骨折感染的良好前景。
, 百拇医药
Experimental Study on Local Drug Delivery System for Treatment of Open Fractures WU Hong-bin, ZHENG Qi-xing, XU Feng-ren, et al. Emergency Center of Union Hospital, Tongji Medical University, Wuhan 430022
【Abstract】 Aim Drug delivery system (DDS) was adopted for the prophylaxis and treatment of osteomyelitis and soft tissue infection after open fractures. Methods We prepared a new DDS, tricalcium phosphate/ciprofloxacine delivery capsule (TCDC) by loading broadspectrum antibiotic: ciprofloxacine into the cylindrical cavity of biodegradable bone substitute tricalcium phosphate (TCP) and TCDC'S bacteriostasis ability in vitro and in vivo were also tested. Results TCDC showed great and lasting bacteriostasis to common pathogens of orthopaedic infections, such as staphylococcus aureus, escherichia coli and pseudomonas aeruginosa, with bacteriostasis lasting more than 5 days, 51 days and 27 days respectively. In vivo study showed that high concentration of ciprofloxacine still occurred in the bone and muscle tissues surrounding TCDC which was placed in the great trochanter of rabbit and that it continued to let off ciprofloxacine for at least 30 days, while the concentration of ciprofloxacine in blood was very low and tended to reduce gradually. Conclusion TCDC can sustain a high local antibiotic concentration while the blood antibiotic concentration is very low. It may become a good method to treat infections after open fractures.
, 百拇医药
【Key words】 Tricalcium phosphate Ciprofloxacine Open fracture Infection
开放性骨折较易并发软组织感染及骨髓炎,严重感染常会影响骨折愈合。如何防治这类感染,一直是临床医师颇为关切的问题。Henry等将载抗生素的聚甲基丙烯酸甲酯(polymethylemethacrylate, PMMA)药丸置入骨折部,在临床上取得了良好的防治感染效果[1]。Rethman则用聚乙烯酸/聚乳酸共聚物(polyglycolic acid/polylactic acid copolymer)承载抗生素治疗鼠股骨干骨折合并金葡菌感染,亦获成功[2]。笔者用磷酸三钙承载广谱抗生素环丙沙星制成磷酸三钙/环丙沙星缓释药丸(tricalciurm phosphate/ciprofloxacine delivervy capsule, TCDC),并对其体内、外的释药情况进行了研究。
, http://www.100md.com
材料与方法
一、TCDC的制备
分析纯CaHPO4.2H2O和CaCO3粉末按一定比例充分混匀后,常压下升温致960℃,保温2小时再冷却成TCDC原料粉备用。选择以P2O5-CaO为主要成份的低融点玻璃为高温粘结剂,以重量比为1∶6~7的比例与TCDC原料粉充分混匀、烘干,再加入40%左右溶融的石蜡作为成孔剂,充分拌合后,注入药囊模具成型,药丸分中空圆柱状主体和尾盖两部分(图1)。药丸内径2mm、长8mm、壁厚1mm。将成型后的坯体放入高温炉内埋烧,排蜡和烧成一次完成。排蜡在200℃~500℃间进行,烧成温度为900℃,在900℃保温2小时后随炉冷却,将烧成的药丸装载8mg盐酸环丙沙星药粉,并用α-磷酸三钙骨水泥(α-TCP)将尾盖与主体封合在一起。
, 百拇医药
图1 TCDC药丸分中空圆柱状主体与尾盖两部分,装药后用α-TCP骨水泥封合在一起
二、体外抑菌实验
将160℃高温消毒2小时的TCDC3粒,在无菌操作下分别置于接种有金葡菌、绿脓杆菌、大肠杆菌的琼脂培养基中央;另用160℃高温消毒2小时未装药的TCP空药丸,亦分别置于接种有上述3种细菌的培养基中央作为对照。实验组及对照组培养基均置于37℃温箱。24小时后记录抑菌情况。72小时后将所有TCDC及TCP空药丸重新转入新的接种有相应菌种的培养基中,置37℃温箱,继续观察抑菌情况,如此反复转培17次,共观察57天。上述所有标准菌种为同济医科大学附属协和医院检验科提供。
三、体内释药实验
1.同济医科大学动物中心提供的大耳白兔8只(雌兔5只、雄兔3只),体重2~2.5kg。846合剂肌肉麻醉后,于无菌条件下手术暴露双侧股骨大转子,每侧钻两个直径4mm,深6~7mm的骨腔,两腔相距约2mm,每个骨腔植入TCDC1粒。TCDC约3/4植入骨腔内,约1/4留于腔外用肌肉组织包裹。每侧股骨转子区植入TCDC2粒,双侧共4粒。植入后1、2、3、4、5、7、9、12天从兔耳缘静脉采血2ml,并于第9、16、23、30天分别处死兔2只。处死前耳缘静脉采血2ml,处死后取紧邻植入体的骨和肌肉各500~700mg。用日本岛津公司产HPLC-Ⅰ型高效液相色谱仪检测血及组织中环丙沙星浓度。
, 百拇医药
2.将植入兔股骨转子区30天后的TCDC取出,置入接种有金葡菌的琼脂培养基中央,37℃温箱培养24小时后观察抑菌情况。
结 果
一、扫描电镜观察TCP载体材料的横断面形貌
图2可见载体壁具有分布均匀的连通气孔。图3可见清晰的连通气孔。孔壁晶体发育不均匀,多为不规则形。测量气孔孔径一般在30μm左右。
图2 TCDC壁具有分布均匀的连通气孔,药物微粒通过
这些微孔缓慢释出 SEM ×1000
, http://www.100md.com 图3 TCDC壁中,孔壁晶体发育不均,多不规则,测量孔径一般在30μm左右 SEM ×5000
二、体外抑菌实验结果
实验组TCDC有明显抑菌圈,对照组TCP载体材料无抑菌作用,每种细菌的抑菌圈在第1~4次转培过程中逐渐缩小,以后大小无明显变化。绿脓杆菌抑菌圈变化最大,直径从5.8cm逐渐降至3.6cm,持续一段时间后,约在第27天抑菌能力明显下降,抑菌圈直径仅1.4cm,第30天后抑菌圈不明显。金葡菌及大肠杆菌抑菌圈直径分别从4.0cm及4.6cm降至2.6cm及3.6cm,直至51天后,抑菌圈直径仍能维持在2.4cm及3.5cm左右。
三、体内释药结果
附表示骨组织及肌肉组织在30天内都有较高浓度的环丙沙星,其中肌肉组织药浓度普遍高于骨组织,可能与TCDC部分直接暴露于肌肉中,且肌肉较骨骼含水量高有关。而血中药物浓度极低,16天后基本测不出。图4示植入兔体内30天后的TCDC对金葡菌仍有明显的抑菌能力。图5示血药浓度逐渐下降,至第12天后基本测不出,说明环丙沙星不会在体内蓄积。
, http://www.100md.com
图4 植入兔体内30天后,TCDC对金葡菌仍有明显抑菌能力,抑菌圈直径3.2cm
图5 TCDC植入后,血中环丙沙星浓度逐渐下降,至第12天后已非常微弱
附表 TCDC植入后不同时间骨、肌肉及血中环丙沙星浓度变化 组别
环丙沙星浓度(
第9天
第16天
第23天
第30天
, http://www.100md.com
骨(μg/g)
0.68(0.21~1.05)
0.60(0.42~0.87)
0.47(0.23~0.80)
0.30(0.10~0.62)
肌肉(μg/g)
2.55(0.43~4.80)
1.23(0.60~2.10)
1.82(1.33~3.00)
1.28(1.05~1.73)
血(10mg/L)
, http://www.100md.com
0.11(<0.01~0.21)
<0.01
<0.01
<0.01
注:括号内数字为(x最小~x最大)
讨 论
开放性骨折患者由于软组织损伤、创口污染,容易发生软组织感染或骨髓炎,导致骨折延迟愈合甚至不愈合。常规的处理方法是:严格清创,恰当固定,尽量早期闭合创口,全身应用足量、广谱、强效抗生素防治感染。长期全身应用抗生素有可能带来一系列副反应[3],而且损伤局部药浓度往往不高,使药物利用率很低。
1980年Klemm首次局部应用庆大霉素/PMMA珠链防治骨及软组织感染获得成功[3]。此后许多学者用一系列生物相容性良好的骨替代材料如PMMA、聚乙烯酸/聚乳酸共聚物(PGA/PLA)、羟基磷灰石(HA)等制成局部缓释药丸用于防治骨及软组织感染,在实验及临床研究中都取得了良好效果[1~4]。与常规用药方式相比,局部用药具有以下优点:(1)一次性用药,且用量小;(2)局部持续浓度高,血中药浓度低,全身副作用小;(3)药物载体可同时作为骨移植、修补材料;(4)可根据不同病人的需要制成不同释药速度的缓释药丸[4]。但目前临床上常用的载体如PMMA、PGA/PLA等存在许多不完善处,前者与植入部周围组织连接不牢,易松动滑脱,而且局部维持的抗生素浓度在植入后几天迅速降到较低水平,也不能承载对热不稳定药物,且释药不完全、没有降解性[5,6]。后者虽能降解吸收,但生物相容性不甚理想,易导致迟发性水肿反应及植入部窦道形成[7]。
, 百拇医药
TCP是一种生物相容性良好且能在体内逐渐降解的生物活性陶瓷,它能与周围骨组织牢固连接,在植入初期作为骨长入的支架,发挥骨传导作用,以后又逐渐降解以至完全被新生骨取代,是目前最接近于生理性骨的人工骨移植材料[8,9]。在载体形状方面,把TCP制成中空圆柱状,是为了便于装载各种粉剂药物。在实际临床工作中,还可根据需要制成其他形状,便于骨缺损的填补,以恢复缺损处骨架稳定性。载体壁中充满了许多相连微孔,这是药物释出的通道。由于微孔孔径大于100μm时在体内易被新骨及结缔组织长入填塞[10],笔者将TCDC的微孔孔径控制在30μm左右,既可让药物顺利通过,又可避免释药后期微孔被堵,影响药物释放。
环丙沙星是第三代喹喏酮类广谱强效杀菌药。抑菌实验显示出TCDC对骨及软组织感染常见致病菌均有强大而持久的抑菌能力。动物实验中,虽然所用药量较小,每只兔每侧仅用药16mg,但植入30天后,植入部肌肉及骨骼组织中药浓度仍持续很高水平,分别为1.28μg/g及0.30μg/g,此时取出的药丸对金葡菌仍有明显抑菌作用。从附表还可看出,局部药浓度随时间下降缓慢,不存在载抗生素PMMA中局部药浓度在植入几天内骤降的情况。整个实验期内,药物血浓度极低,第1~9天药浓度逐渐下降,第12天后基本测不出来。故药物不会在体内蓄积,不会产生肝肾损害及菌群失调等并发症。
, 百拇医药
综上所述,笔者认为局部植入TCDC能成为一种良好防治开放性骨折及软组织感染的方法。它能维持植入局部较高抗生素浓度,从而降低感染发生率。它作为骨移植材料,能同时恢复骨架稳定性,促进骨折愈合。从其制备过程可以看出,TCDC能承载各种粉剂药物,且装药及消毒方便,植入后不需手术取出,值得进一步实验及临床研究。
本课题受国家自然科学基金资助
参考文献
[1]Henry SL, Ostermann PAW, Seligson D. The antibiotic bead pouch technique: The management of severe compound fractures. Clinic Orthop, 1993, 295∶54-62.
[2]Rethman MP. Locally applied microencapsulated ampicillin obviate infection of internally fixed fractures in rat. J Dent Res, 1988, 67∶298-304.
, http://www.100md.com
[3]Klemn K. Gentamycin-PMMA-Beads in treating bone and soft tissue infections. Excerpta Med Orthop, 1980, 25∶182-184.
[4]Duncan CP. Antibiotic depots. J Bone Joint Surg (Br), 1993, 75∶349-350.
[5]陈安民,王泰仪.庆大霉素-PMMA链的研制和实验研究.中华骨科杂志, 1986, 6∶466-468.
[6]Jason C, Wayne D, Mader JT, et al. Failure of bipolar hip arthroplasty secondary to retain antibiotic-impregnated polymethylemethacrylate beads. J Bone Joint Surg (Am), 1988, 70∶1246-1248.
, 百拇医药
[7]Bostman OM, Finland H. Current concepts review: Absorbable implants for the fixation of fractures. J Bone Joint Surg (Am), 1991, 73∶148-151.
[8]郑启新,朱通伯,杜靖远.骨形态发生蛋白/多孔磷酸三钙陶瓷复合人工骨的研制及其诱导成骨的研究.中华骨科杂志, 1991, 11∶43-47.
[9]郑启新,杜靖远,朱通伯.多孔磷酸三钙陶瓷人工骨生物降解的实验观察.同济医科大学学报, 1996, 25∶37-40.
[10]Bajpai PK, Benguzzi HA. Ceramic systems for long-term delivery of chemicals and biological. J Biomed Mater, 1988, 22∶1245-1266.
(收稿:1997-07-21 修回:1998-05-14), 百拇医药