促甲状腺素释放激素治疗实验性脊髓损伤的酶及免疫组织化学评价
作者:朱悦 王星铎 包峰
单位:朱悦 王星铎 110001 沈阳,中国医科大学第一临床学院骨科;包峰 中国医科大学脑研究所神经解剖研究室
关键词:脊髓损伤;促甲状腺素释放激素;酶组织化学;免疫组织化学;超微结构
中华创伤杂志980412 【摘要】 目的 为促甲状腺素释放激素(TRH)对实验性脊髓损伤的治疗作用提供可靠的形态学依据。方法 以改良Allen法制作Wistar大鼠不完全性脊髓损伤模型;采用定量酶组织化学方法比较正常组、治疗组和对照组脊髓前角细胞内乙酰胆碱酯酶(AchE)、酸性磷酸酶(ACP)活性;应用定量免疫组织化学方法比较脊髓白质内轴突数量;通过超微结构观察比较脊髓组织损伤程度。结果 (1)损伤后不同时间治疗组前角细胞AchE活性均高于对照组,损伤后2周基本恢复正常;而ACP活性均低于对照组,于损伤后4周基本恢复正常。(2)治疗组脊髓白质一定面积内轴突数量多于对照组。(3)超微结构观察显示治疗组神经组织损伤及出血程度均轻于对照组。结论 TRH对实验性脊髓损伤的治疗作用有较为可靠的形态学证据。
, http://www.100md.com
Evaluation of Enzyme Histochemistry and Immunohistochemistry on TRH in Treating Experimental Spinal Cord Injury ZHU Yue*, WANG Xing-duo, BAO Feng. *Dept. of Orthopaedics, First Clinical College, China Medical University, Shenyang 110001
【Abstract】 Aim To provide reliable morphological evidence for therapeutic effects of thyrotropin-releasing hormone (TRH) on the experimental spinal cord injury. Methods Wistar rats were subjected to incomplete spinal cord injury with the modified Allen methods; Acetylcholinesterase (AchE) activity and acid phosphatase (ACP) activity of anterior horn cells in the normal group, the treated group and the control group were measured respectively with the quantitative enzyme histochemistry; The number of axon in the spinal white matter was surveyed in the three groups by means of the quantitative immunohistochemistry; The spinal tissue injury was also observed ultrastructurally. Results (1) AchE activity of anterior horn cells in the treated group was higher than that of the control group at various time, and its activity restored to normal level basically two weeks after injury; ACP activity was lower than that of the control group in various time, and its activity restored to normal level basically four weeks after injury. (2) The number of axon in a certain area of spinal white matter in the treated group was more than that of the control group. (3) Ultrastructural observation showed that both the nerve tissue injury and the extent of hemorrhage were milder in the treated group than that of the control group. Conclusion The therapeutic effects of TRH on the experimental spinal cord injury have the reliable morphological evidence.
, http://www.100md.com
【Key words】 Spinal cord injury Thyrotropin releasing hormone (TRH) Enzyme histochemistry Immunohistochemistry Ultrastructure
目前大多数研究表明,促甲状腺素释放激素(TRH)能够促进实验性脊髓损伤运动功能的恢复,但其治疗效果在形态学上尚不能确定。为此,笔者以脊髓灰质中前角细胞和白质中神经轴突为研究对象进行特异的形态学研究,以提供TRH治疗作用在形态学方面的可靠依据。
材料与方法
一、动物分组及给药方法
Wistar大鼠50只,体重180~220g,雌雄不限,随机分成正常组(6只)、治疗组(22只)和对照组
(22只)。正常组未行致伤。治疗组于损伤后每隔30分钟腹腔注射TRH(3mg/kg),共3次,而后每隔1小时给药,共2次。对照组与治疗组同时相腹腔注射等量等渗盐水。实验动物分别于损伤后6、24小时及1、2、4周取材。
, http://www.100md.com
二、脊髓损伤模型制备
以2%戊巴比妥钠(40mg/kg)腹腔注射麻醉。麻醉后大鼠俯卧位,固定于江湾Ⅰ号立体定向仪上,暴露T13脊髓节段。采用改良Allen法施以50g.cm致伤量。此致伤量可造成大鼠不完全性截瘫[1]。
三、酶组织化学染色
损伤后1,2,4周损伤部位切片按Karnovsky-Root亚铁氰化铜法显示乙酰胆碱酯酶(AchE);损伤后1,4周按Gomori改良法显示酸性磷酸酶(ACP)。正常组按同样方法行两种酶染色。随机选取3组脊髓前角有核神经细胞各36个,应用日产Luzex-F型彩色图像分析仪进行酶灰度定量分析。以灰度值表示酶活性,灰度值越大其酶活性越低,反之亦然。
四、免疫组织化学染色
, http://www.100md.com
正常组和损伤后1周损伤部位冰冻切片行常规ABC法染色,第一抗体为鼠抗人200 000,70 000神经中丝蛋白抗体(NF,DAKO)。设立阴性对照。应用图像分析技术定量白质两侧前索和侧索0.2mm2面积内轴突数量。
五、透射电镜
大鼠于损伤后6,24小时经灌流固定后,取损伤部位脊髓,常规制作透射电镜标本。在日产H-600透射电镜下观察。
六、统计学处理
酶灰度值比较采用单因素方差分析、q检验及t检验,轴突数量比较采用t检验。
结 果
一、各组AchE活性变化
正常组脊髓前角细胞酶活性较强,酶反应颗粒呈棕红色,细胞核清晰可见。损伤后1周,对照组前角细胞AchE活性较弱;治疗组前角细胞AchE活性较正常组弱,但强于对照组。损伤后2,4周,治疗组前角细胞AchE活性均较对照组强。损伤后2周,治疗组前角细胞AchE活性基本恢复正常。损伤后4周,对照组前角细胞AchE活性基本恢复正常。灰度定量分析结果见表1。
, 百拇医药
表1 各组脊髓前角细胞内AchE灰度值比较(
±s) 组别
伤后时间(周)
0
1
2
4
正常组
56.2±7.2
-
-
-
治疗组
, 百拇医药
-
65.0±20.0**
62.7±17.7**
58.2±17.6*
对照组
-
82.2±19.5
119.1±64.4
67.9±21.4
与对照组比较, *P<0.05 **P<0.01
, 百拇医药 二、各组ACP活性变化
正常组脊髓前角细胞酶活性较弱,酶反应颗粒细小,呈棕黑色,均匀弥散分布于细胞质中,细胞核及核仁清晰可见。损伤后1周,对照组前角细胞ACP活性增强,反应颗粒增多,颗粒粗大,细胞核被致密的酶反应颗粒覆盖;治疗组前角细胞ACP活性较对照组弱。损伤后4周,治疗组前角细胞ACP活性仍弱于对照组,接近于正常组。灰度定量分析结果见表2。表2 各组脊髓前角细胞内ACP灰度值比较(
±s) 组别
伤后时间(周)
0
1
4
正常组
, 百拇医药
110.5±13.8
-
-
治疗组
-
81.0±12.9*
109.6±24.8*
对照组
-
54.5±18.5
79.0±20.7△
与对照组比较, *P<0.05 与正常组比较, △P<0.01
, 百拇医药
三、各组轴突数量变化
正常组白质内轴突数量多,分布广泛而均匀。损伤后1周,对照组白质轴突数量少,呈散在分布且不均匀。治疗组介于两组之间,数量较多,分布较均匀,定量分析结果见表3。表3 各组白质一定面积内轴突数量比较(
±s) 组别
部位
前索
侧索
正常组
1276.2±375.7
1456.9±233.2
治疗组
, 百拇医药
834.9±71.4*
741.0±135.1*
对照组
543.7±223.4
492.0±94.5
与对照组比较, *P<0.01
四、两组超微结构变化
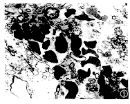
对照组损伤后6小时神经元胞浆内有空泡形成;髓鞘有扭曲变形,分层松解;轴突周围有出血区,出血范围较大(图1)。损伤后24小时,对照组细胞各种损伤加重,神经胶质细胞核固缩,细胞器变性改变重。轴突内可见溶酶体反应性增多改变(图2);轴突内还可见微管扩张,各种细胞器空泡变性改变;髓鞘有脱失,水肿明显。治疗组损伤性改变较对照组轻。损伤后6小时,神经元无明显改变;髓鞘分层松解较轻,线粒体较丰富(图3);出血较少(图4)。损伤后24小时,轴突内也可见溶酶体增多,但较对照组少,水肿亦较轻;轴突

, http://www.100md.com
图1 损伤后6小时对照组出血范围较大 ×2 500 图2 损伤后24小时对照组溶酶体反应性增多 ×10 000
图3 损伤后6小时治疗组髓鞘分层松解较轻,线粒体丰富 ×8 000
图4 损伤后24小时治疗组出血较少 ×8 000内线粒体变性改变也较对照组轻。
讨 论
TRH是一种广泛分布于脑和脊髓的神经三肽,具有多种生理功能,其中主要作用之一是作为阿片肽的生理性拮抗剂,而不阻断其镇痛效应。它之所以被用于治疗实验性脊髓损伤缘于以下两点:(1)在实验性休克中,TRH能够明显改善心血管功能及存活率。(2)在实验性脊髓损伤中,阿片受体拮抗剂纳络酮能明显提高脊髓血流量和促进运动功能恢复。经Faden等[2]研究证实,TRH对改善脊髓损伤后运动功能具有显著的作用,而且明显优于纳络酮和大剂量地塞米松[3]。虽然此后的大多数研究[4]也得出了这一结论,但其治疗效果在形态学上迄今尚不能确定[5]。定量的酶及免疫组织化学研究可为TRH的治疗作用提供可靠的形态学依据。前角细胞和轴突是脊髓重要的结构和功能单位,笔者从前角细胞损伤程度、轴突数量及两者超微结构改变三个方面进行了特异的形态学研究。
, 百拇医药
AchE是胆碱能神经元的标志酶,ACP为细胞溶酶体的标志酶。笔者以这两种酶的活性变化来反映前角细胞的损伤程度,并进行酶活性的动态观察以反映前角细胞损伤恢复的快慢。治疗组伤后不同时相前角细胞AchE活性均高于对照组,而ACP活性均低于对照组;并且治疗组前角细胞两种酶活性明显先于对照组恢复正常的实验结果,说明治疗组前角细胞损伤程度轻于对照组,而且恢复也较对照组快,可见TRH对脊髓前角细胞具有明显的保护作用。
神经中丝是构成神经胞体和神经轴突的细胞骨骼框架结构,其分子量的差别分为3种:70000,160 000和200 000。70 000神经中丝存在于神经胞体和轴突中,200 000神经中丝仅存在于轴突内。因此用抗200 000,70 000神经中丝蛋白抗体可特异地显示出神经轴突。治疗组前索和侧索内的轴突数量均明显多于对照组,说明TRH明显地减轻了脊髓继发性损伤从而有效地阻止了过多的神经轴突坏死。此外,在超微结构的观察中,治疗组神经组织损伤及出血程度均轻于对照组,这种改变为TRH的治疗作用提供了较为直观的形态学依据。
, http://www.100md.com
TRH的疗效在上述三个方面的体现为其所具有的促进运动功能恢复的作用提供了形态学基础。TRH的作用机制及其对人类脊髓损伤是否具有治疗作用目前尚不明确,有待于进一步研究探讨。
本课题受辽宁省科学技术委员会基金资助
参考文献
[1]Wrathall JR, Pattegrew RK, Harvey F. Spinal cord contusion in the rat: Production of graded, reproducible, injury groups. Experimental Neurology, 1985, 88∶108-122.
[2]Faden AI, Jacobs TP, Holaday JW. Thyrotropin releasing hormone improves neurologic recovery after spinal trauma in cats. N Eng1 J Med, 1981, 305∶1063-1067.
, http://www.100md.com
[3]Faden AI, Jacobs TP, Smith MT, et al. Comparison of thyrotropin-releasing hormone (TRH), naloxone, and dexamethasone treatments in experimental spinal injury. Neurol, 1983, 33∶673-678.
[4]Faden AI, Salzman S. Pharmacological strategies in CNS trauma. Trends pharmacol Sci, 1992, 13∶29-35.
[5]Takami K, Hashimoto T, Shino A, et al. Effect of thyrotropin-releasing hormone (TRH) in experimental spinal cord injury: A quantitative histopathologic study. Jpn J Pharmacol, 1991, 57∶405-417.
(收稿:1997-07-23 修回:1998-04-15), 百拇医药
单位:朱悦 王星铎 110001 沈阳,中国医科大学第一临床学院骨科;包峰 中国医科大学脑研究所神经解剖研究室
关键词:脊髓损伤;促甲状腺素释放激素;酶组织化学;免疫组织化学;超微结构
中华创伤杂志980412 【摘要】 目的 为促甲状腺素释放激素(TRH)对实验性脊髓损伤的治疗作用提供可靠的形态学依据。方法 以改良Allen法制作Wistar大鼠不完全性脊髓损伤模型;采用定量酶组织化学方法比较正常组、治疗组和对照组脊髓前角细胞内乙酰胆碱酯酶(AchE)、酸性磷酸酶(ACP)活性;应用定量免疫组织化学方法比较脊髓白质内轴突数量;通过超微结构观察比较脊髓组织损伤程度。结果 (1)损伤后不同时间治疗组前角细胞AchE活性均高于对照组,损伤后2周基本恢复正常;而ACP活性均低于对照组,于损伤后4周基本恢复正常。(2)治疗组脊髓白质一定面积内轴突数量多于对照组。(3)超微结构观察显示治疗组神经组织损伤及出血程度均轻于对照组。结论 TRH对实验性脊髓损伤的治疗作用有较为可靠的形态学证据。
, http://www.100md.com
Evaluation of Enzyme Histochemistry and Immunohistochemistry on TRH in Treating Experimental Spinal Cord Injury ZHU Yue*, WANG Xing-duo, BAO Feng. *Dept. of Orthopaedics, First Clinical College, China Medical University, Shenyang 110001
【Abstract】 Aim To provide reliable morphological evidence for therapeutic effects of thyrotropin-releasing hormone (TRH) on the experimental spinal cord injury. Methods Wistar rats were subjected to incomplete spinal cord injury with the modified Allen methods; Acetylcholinesterase (AchE) activity and acid phosphatase (ACP) activity of anterior horn cells in the normal group, the treated group and the control group were measured respectively with the quantitative enzyme histochemistry; The number of axon in the spinal white matter was surveyed in the three groups by means of the quantitative immunohistochemistry; The spinal tissue injury was also observed ultrastructurally. Results (1) AchE activity of anterior horn cells in the treated group was higher than that of the control group at various time, and its activity restored to normal level basically two weeks after injury; ACP activity was lower than that of the control group in various time, and its activity restored to normal level basically four weeks after injury. (2) The number of axon in a certain area of spinal white matter in the treated group was more than that of the control group. (3) Ultrastructural observation showed that both the nerve tissue injury and the extent of hemorrhage were milder in the treated group than that of the control group. Conclusion The therapeutic effects of TRH on the experimental spinal cord injury have the reliable morphological evidence.
, http://www.100md.com
【Key words】 Spinal cord injury Thyrotropin releasing hormone (TRH) Enzyme histochemistry Immunohistochemistry Ultrastructure
目前大多数研究表明,促甲状腺素释放激素(TRH)能够促进实验性脊髓损伤运动功能的恢复,但其治疗效果在形态学上尚不能确定。为此,笔者以脊髓灰质中前角细胞和白质中神经轴突为研究对象进行特异的形态学研究,以提供TRH治疗作用在形态学方面的可靠依据。
材料与方法
一、动物分组及给药方法
Wistar大鼠50只,体重180~220g,雌雄不限,随机分成正常组(6只)、治疗组(22只)和对照组
(22只)。正常组未行致伤。治疗组于损伤后每隔30分钟腹腔注射TRH(3mg/kg),共3次,而后每隔1小时给药,共2次。对照组与治疗组同时相腹腔注射等量等渗盐水。实验动物分别于损伤后6、24小时及1、2、4周取材。
, http://www.100md.com
二、脊髓损伤模型制备
以2%戊巴比妥钠(40mg/kg)腹腔注射麻醉。麻醉后大鼠俯卧位,固定于江湾Ⅰ号立体定向仪上,暴露T13脊髓节段。采用改良Allen法施以50g.cm致伤量。此致伤量可造成大鼠不完全性截瘫[1]。
三、酶组织化学染色
损伤后1,2,4周损伤部位切片按Karnovsky-Root亚铁氰化铜法显示乙酰胆碱酯酶(AchE);损伤后1,4周按Gomori改良法显示酸性磷酸酶(ACP)。正常组按同样方法行两种酶染色。随机选取3组脊髓前角有核神经细胞各36个,应用日产Luzex-F型彩色图像分析仪进行酶灰度定量分析。以灰度值表示酶活性,灰度值越大其酶活性越低,反之亦然。
四、免疫组织化学染色
, http://www.100md.com
正常组和损伤后1周损伤部位冰冻切片行常规ABC法染色,第一抗体为鼠抗人200 000,70 000神经中丝蛋白抗体(NF,DAKO)。设立阴性对照。应用图像分析技术定量白质两侧前索和侧索0.2mm2面积内轴突数量。
五、透射电镜
大鼠于损伤后6,24小时经灌流固定后,取损伤部位脊髓,常规制作透射电镜标本。在日产H-600透射电镜下观察。
六、统计学处理
酶灰度值比较采用单因素方差分析、q检验及t检验,轴突数量比较采用t检验。
结 果
一、各组AchE活性变化
正常组脊髓前角细胞酶活性较强,酶反应颗粒呈棕红色,细胞核清晰可见。损伤后1周,对照组前角细胞AchE活性较弱;治疗组前角细胞AchE活性较正常组弱,但强于对照组。损伤后2,4周,治疗组前角细胞AchE活性均较对照组强。损伤后2周,治疗组前角细胞AchE活性基本恢复正常。损伤后4周,对照组前角细胞AchE活性基本恢复正常。灰度定量分析结果见表1。
, 百拇医药
表1 各组脊髓前角细胞内AchE灰度值比较(
伤后时间(周)
0
1
2
4
正常组
56.2±7.2
-
-
-
治疗组
, 百拇医药
-
65.0±20.0**
62.7±17.7**
58.2±17.6*
对照组
-
82.2±19.5
119.1±64.4
67.9±21.4
与对照组比较, *P<0.05 **P<0.01
, 百拇医药 二、各组ACP活性变化
正常组脊髓前角细胞酶活性较弱,酶反应颗粒细小,呈棕黑色,均匀弥散分布于细胞质中,细胞核及核仁清晰可见。损伤后1周,对照组前角细胞ACP活性增强,反应颗粒增多,颗粒粗大,细胞核被致密的酶反应颗粒覆盖;治疗组前角细胞ACP活性较对照组弱。损伤后4周,治疗组前角细胞ACP活性仍弱于对照组,接近于正常组。灰度定量分析结果见表2。表2 各组脊髓前角细胞内ACP灰度值比较(
伤后时间(周)
0
1
4
正常组
, 百拇医药
110.5±13.8
-
-
治疗组
-
81.0±12.9*
109.6±24.8*
对照组
-
54.5±18.5
79.0±20.7△
与对照组比较, *P<0.05 与正常组比较, △P<0.01
, 百拇医药
三、各组轴突数量变化
正常组白质内轴突数量多,分布广泛而均匀。损伤后1周,对照组白质轴突数量少,呈散在分布且不均匀。治疗组介于两组之间,数量较多,分布较均匀,定量分析结果见表3。表3 各组白质一定面积内轴突数量比较(
部位
前索
侧索
正常组
1276.2±375.7
1456.9±233.2
治疗组
, 百拇医药
834.9±71.4*
741.0±135.1*
对照组
543.7±223.4
492.0±94.5
与对照组比较, *P<0.01
四、两组超微结构变化
对照组损伤后6小时神经元胞浆内有空泡形成;髓鞘有扭曲变形,分层松解;轴突周围有出血区,出血范围较大(图1)。损伤后24小时,对照组细胞各种损伤加重,神经胶质细胞核固缩,细胞器变性改变重。轴突内可见溶酶体反应性增多改变(图2);轴突内还可见微管扩张,各种细胞器空泡变性改变;髓鞘有脱失,水肿明显。治疗组损伤性改变较对照组轻。损伤后6小时,神经元无明显改变;髓鞘分层松解较轻,线粒体较丰富(图3);出血较少(图4)。损伤后24小时,轴突内也可见溶酶体增多,但较对照组少,水肿亦较轻;轴突
, http://www.100md.com
图1 损伤后6小时对照组出血范围较大 ×2 500 图2 损伤后24小时对照组溶酶体反应性增多 ×10 000
图3 损伤后6小时治疗组髓鞘分层松解较轻,线粒体丰富 ×8 000
图4 损伤后24小时治疗组出血较少 ×8 000内线粒体变性改变也较对照组轻。
讨 论
TRH是一种广泛分布于脑和脊髓的神经三肽,具有多种生理功能,其中主要作用之一是作为阿片肽的生理性拮抗剂,而不阻断其镇痛效应。它之所以被用于治疗实验性脊髓损伤缘于以下两点:(1)在实验性休克中,TRH能够明显改善心血管功能及存活率。(2)在实验性脊髓损伤中,阿片受体拮抗剂纳络酮能明显提高脊髓血流量和促进运动功能恢复。经Faden等[2]研究证实,TRH对改善脊髓损伤后运动功能具有显著的作用,而且明显优于纳络酮和大剂量地塞米松[3]。虽然此后的大多数研究[4]也得出了这一结论,但其治疗效果在形态学上迄今尚不能确定[5]。定量的酶及免疫组织化学研究可为TRH的治疗作用提供可靠的形态学依据。前角细胞和轴突是脊髓重要的结构和功能单位,笔者从前角细胞损伤程度、轴突数量及两者超微结构改变三个方面进行了特异的形态学研究。
, 百拇医药
AchE是胆碱能神经元的标志酶,ACP为细胞溶酶体的标志酶。笔者以这两种酶的活性变化来反映前角细胞的损伤程度,并进行酶活性的动态观察以反映前角细胞损伤恢复的快慢。治疗组伤后不同时相前角细胞AchE活性均高于对照组,而ACP活性均低于对照组;并且治疗组前角细胞两种酶活性明显先于对照组恢复正常的实验结果,说明治疗组前角细胞损伤程度轻于对照组,而且恢复也较对照组快,可见TRH对脊髓前角细胞具有明显的保护作用。
神经中丝是构成神经胞体和神经轴突的细胞骨骼框架结构,其分子量的差别分为3种:70000,160 000和200 000。70 000神经中丝存在于神经胞体和轴突中,200 000神经中丝仅存在于轴突内。因此用抗200 000,70 000神经中丝蛋白抗体可特异地显示出神经轴突。治疗组前索和侧索内的轴突数量均明显多于对照组,说明TRH明显地减轻了脊髓继发性损伤从而有效地阻止了过多的神经轴突坏死。此外,在超微结构的观察中,治疗组神经组织损伤及出血程度均轻于对照组,这种改变为TRH的治疗作用提供了较为直观的形态学依据。
, http://www.100md.com
TRH的疗效在上述三个方面的体现为其所具有的促进运动功能恢复的作用提供了形态学基础。TRH的作用机制及其对人类脊髓损伤是否具有治疗作用目前尚不明确,有待于进一步研究探讨。
本课题受辽宁省科学技术委员会基金资助
参考文献
[1]Wrathall JR, Pattegrew RK, Harvey F. Spinal cord contusion in the rat: Production of graded, reproducible, injury groups. Experimental Neurology, 1985, 88∶108-122.
[2]Faden AI, Jacobs TP, Holaday JW. Thyrotropin releasing hormone improves neurologic recovery after spinal trauma in cats. N Eng1 J Med, 1981, 305∶1063-1067.
, http://www.100md.com
[3]Faden AI, Jacobs TP, Smith MT, et al. Comparison of thyrotropin-releasing hormone (TRH), naloxone, and dexamethasone treatments in experimental spinal injury. Neurol, 1983, 33∶673-678.
[4]Faden AI, Salzman S. Pharmacological strategies in CNS trauma. Trends pharmacol Sci, 1992, 13∶29-35.
[5]Takami K, Hashimoto T, Shino A, et al. Effect of thyrotropin-releasing hormone (TRH) in experimental spinal cord injury: A quantitative histopathologic study. Jpn J Pharmacol, 1991, 57∶405-417.
(收稿:1997-07-23 修回:1998-04-15), 百拇医药