庚型肝炎临床和病理特征
作者:许家璋 王海涛 杨志国 乐美兆 隋云华 何长伦
单位:210002 南京, 解放军第八一医院肝病研究所(许家璋、杨志国、乐美兆、隋云华、何长伦);军事医学科学院微生物流行病学研究所(王海涛)
关键词:肝炎,庚型;病理学,临床
中华传染病杂志980409 【摘要】 目的 探讨庚型肝炎(HG)临床和病理特征。方法 采用逆转录聚合酶链反应(RT-PCR)检测血清HGV RNA;用庚型肝炎病毒(HGV)NS5区抗原制备单克隆抗体(McAb),对22例临床和/或病理确诊的急、慢性庚型肝炎进行肝脏免疫组化。结果 HGV感染的血清学模式以重叠HBV,HCV,HAV或HEV二重感染为主,占63.6%(14/22),单独HGV感染者占36.4%(8/22);HGV在肝脏内分布呈散在胞浆型。结论 HGV单独感染者临床多呈隐匿性发病,症状轻,慢性化程度高。
, http://www.100md.com
Clinincal and pathological features of hepatitis G Xu Jiazhang, Wang Haitao, Yang Zhiguo et al.Institute of Liver Diseases, the 81st Hospital of PLA, Nanjing 210002
【Abstract】 Objective To investigate the clinical and pathological features of viral hepatitis G. Methods Twenty-two cases of hepatitis G (HG) all with serum HGV-RNA positive were clinically and/or pathologically dioganosed. RT-PCR were taken for HGV-RNA assay. The biopsy tissue from liver were immunohistochemically assayed with HGV NS5 monoclonal antibody (McAb). Results Eight of 22 patients were infected by HGV only and the other 14 cases were infected by HGV accompanied with any one of HBV, HCV, HEV and HAV infection. The patients infected by HGV only showed slight symptoms and signs without jaundice. The level of transaminase elevated low-gradely and liver tissue were slightly damaged. The result of immunohistochemical assay showed positive staining mainly located in cytoplasm. Conclusion HGV can cause hepatitis which may present acute or chronic. Infection with HGV along is frequently asymptomatic or mildly symptomatic and predisposes to chronic.
, 百拇医药
【Key words】 hepatitis G Pathology,clinical
1995年Simmons等[1]首次发现GBV-C以来,国内外学者对其分子生物学、流行病学进行了系统研究[2~4],而对该型肝炎的临床和病理报道甚少。鉴于HGV多为重叠HCV或HBV感染,对HGV是否单独致病还存在异议。我们收集了本院1995年以来,经临床和/或病理确诊的庚型肝炎22例,并结合肝脏免疫组化的研究,报道如下。
对象与方法
一、研究对象
22例庚型肝炎均系1995年12月~1997年5月我院住院患者,男性21例,女性1例,年龄21~72岁,其中HGV单独感染者8例,重叠感染者14例(重叠HAV和HEV感染者各1例,HBV感染者5例,HCV感染者6例,HGV+HBV+HCV三重感染者1例)。
, http://www.100md.com
二、研究方法
(一) 血清病原学检测 HGV RNA检测采用逆转录聚合酶链反应(RT-PCR),引物由解放军军事医学科学院五所馈赠,检测方法参照文献[5]。HBV DNA(PCR),HCV RNA (RT-PCR)检测试剂购于华美生物工程公司,抗-HAV-IgM、HBV M、抗-HCV-IgG、抗-HEV-IgG、抗-CMV-IgG。抗-EBV-IgG均采用ELISA检测,试剂分别购于南京军区军事医学研究所、华美生物工程公司及中国病毒研究所。
(二) 肝功能检测 采用自动生化分析仪检测TSB、ALT、AST A/G、r-GT、AKP,同时送检凝血酶原时间等。
(三) 肝脏组织学检测 本组22例中有12例行肝脏组织活检,标本经光、电镜检查,进行分级分期。
(四) 肝脏免疫组化
, 百拇医药
1. HGV NS5区单克隆抗体(McAb) 由军事医学科学院微生物流行病学研究所制备,琼脂双扩散效价1∶50~100,参照文献[6],各抗体工作浓度:McAb 1∶50,生物素化羊抗鼠IgG 1∶80,辣根过氧化酶标记亲和素1∶160,正常鼠血清1∶50。
2. 鼠抗人HBsAg 鼠抗人HCV(NS3)肝脏组化试剂,购于北京中山生物技术有限公司,并按其方法操作。
结 果
一、HGV血清学感染的模式与临床病理诊断的关系
见表1。本组22例中有8例经临床确诊,病史中均有慢性肝病史,其中2例为肝硬变。12例肝组织活检者,单独HGV感染者7例,临床和病理符合者4例,见表2;5例重叠感染者中,有2例HGV+HBV者,入院后病情重,发展快,2周内血清TSB高达581.6μmol/L和488.6μmol/L,凝血酶原活动度分别为25%和22.6%,均有中度以上腹水,Ⅱ°~Ⅲ°肝性脑病,其中1例持续性昏迷72小时,肝组织活检提示:在慢性肝病的组织学改变基础上,同时出现肝脏亚大块坏死,病程中血清HGV RNA、HBsAg、抗-HBe、抗-HBc持续阳性,而HBV DNA始终阴性,是自然病程改变,还是HGV感染干扰HBV复制,尚难判定。1例HGV+HCV感染者,8个月前因宫外孕术中输血400ml发现肝功能异常已半年,临床和病理诊断均符合慢性肝炎,本例HGV和HCV感染是同时感染还是重叠感染,因急诊手术前未做进一步检测尚难判断。在2例重叠HAV或HEV病例中,临床呈急性发病,住院后TSB 7~10天分别高达83μmol/L和186.7μmol/L,ALT 1 269IU/L,2 569IU/L,临床过程与“急性黄疸型肝炎”相似,分别于住院第10、15天,行肝脏穿刺,其病理报告为慢性肝炎。提示HGV感染较隐匿,往往呈亚临床型,本组2例重叠HAV或HEV肝炎患者,与同期住院的单独HAV或HEV感染者临床过程非常相似,但肝组织学已有慢性肝炎的病理改变。
, 百拇医药
二、庚型肝炎血清学和组织学的变化
见表2。
表1 HGV感染类型与临床和/或病理诊断的关系 感染类型
例数
临床和/或病理诊断
急性肝炎
慢性肝炎
慢性重型肝炎
肝硬变
单独HGV感染
8
2
, 百拇医药
6
-
-
HGV+HBV
5
-
2
2
1
HGV+HCV
6
-
6
-
, 百拇医药
-
HGV+HAV
1
-
1
-
-
HGV+HEV
1
-
1
-
-
HGV+HBV
, 百拇医药
+HCV
1
-
-
-
1
注:22例中12例肝活检患者分布,单独HGV感染者7例,HGV+HBV 2例,HGV+HCV 1例,HGV+HAV 1例,HGV+HEV 1例表2 8例HGV单独感染者血清学和临床病理诊断 编号
TSB
(μmol/L)
ALT
(IU/L)
, 百拇医药
AST
(IU/L)
A/G
临床诊断
病理诊断
1
<17.1
60~110
<40
1.28
慢性肝炎
慢性肝炎G1S1
, 百拇医药
2
<17.1
182~79
82~61
1.52
急性肝炎
急性肝炎
3
<17.1
101~121
60~65
1.49
急性肝炎
, 百拇医药
慢性肝炎G1S1
4
<17.1
208~142
69~82
1.26
慢性肝炎
-
5
106.2
535~71
116~71
, 百拇医药
1.32
急性肝炎
急性肝炎
6
<17.1
87~112
65~50
1.50
慢性肝炎
慢性肝炎G1S1伴轻度脂肪变性
7
<17.1
, 百拇医药
350~160
159~80
1.96
急性肝炎
慢性肝炎G2S1
8
29.0
<40
47~<40
1.39
Dubin-Johnson综合征
慢性肝炎G1S1
, http://www.100md.com
8例HG患者血清学多次检查仅HGV RNA阳性,血清学检测可排除非甲至非戊型肝炎病毒感染,也可排除CMV及EBV感染。其中7例患者组织学改变:(1) 肝细胞损伤轻,其中5例仅出现轻度碎屑样坏死,电镜下大部分肝细胞核形态完整,仅少数肝细胞核出现浅切迹,细胞器改变也较轻微,主要是线粒体出现不同程度肿胀,嵴不清,部分线粒体甚质浓缩,电子密度增高,粗面内质网扩张,部分膜旁核糖体脱颗粒。(2) 肝细胞糖原变性明显,是7例庚型肝炎的一种普遍现象,光镜下常以“水样变性”出现,胞质透亮,而电镜下则是糖原颗粒聚积在肝细胞质中,重者把线粒体和粗面内质网挤向核周。提示肝细胞肝糖原代谢受到一定程度损伤。(3) 纤维组织增生早,但程度轻。
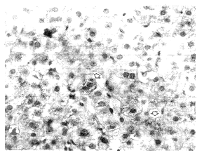
图1 庚肝患者肝穿组织切片,经特异McAb染色,阳性肝细胞胞浆呈棕黄颗粒状,相邻肝细胞染色阴性 BA染色法×1000
, http://www.100md.com
三、HGV在肝细胞中分布及组织学损伤的关系
为进一步排除HBV和HCV的感染,对7例庚型肝炎单独感染者肝活检标本,同时进行了三种免疫组化检测,结果:HBsAg和HCV均为阴性,HGV特异性McAb染色,HGV抗原阳性者5例,HGV抗原仅分布在肝细胞浆呈棕黄色颗粒,相邻肝细胞染色阴性,见图1。为进一步阐明HGV NS5区McAb的特异性,对此进行了肝脏组织的原位杂交的观察,结果HGV基因探针阳性细胞与免疫组化相仿。
图1所示1例HGV单独感染病例,男,21岁,体检发现肝功能异常,于1995年4月28日入院无输血及使用血制品史,入院时TSB 23.34μmol/L,ALT 182IU/L,AST 82IU/L,A/G 46.9/36.1,AKP 123IU/L γ-GT 34 IU/L,血清病原学检查HNA~E均为阴性,临床诊断为“急性黄疸型肝炎”,经一般护肝药物治疗,肝功能恢复正常,住院18天出院。同年10月17日因ALT复升再次入院,半月后行肝穿刺活检,组织学显示:肝细胞浊肿,可见点状坏死及灶性坏死,汇管区有轻度纤维组织增生及淋巴细胞浸润,见图2,图3。
, 百拇医药
图2 肝细胞浊肿,汇管区肝细胞界板轻度破坏,并有灶性淋巴细胞浸润 HE×350
图3 肝细胞核出现浅的切迹,边缘呈锯齿状,线粒体嵴不清,肝细胞间可见胶原纤维束伸入 ×10500讨 论
HGV是1995年首次确认的一种新型肝炎病毒,迄今为止研究表明:HGV是单股正链RNA病毒,呈世界性分布,人群中HGV感染率和发病率尚无确实的资料。究其原因,一是各家选择研究对象的标准不一,研究的手段不同。二是大量的研究仅为血清学,缺乏组织标本的研究。三是大多为不同肝炎病毒重叠感染,缺乏HGV单独感染的标本。
本研究采用了RT-PCR检测血清HGV RNA,用HGV NS5区抗原制备的单克隆抗体进行肝脏免疫组化,对临床和/或病理确诊的22例庚型肝炎作了系统观察。结果提示:1. HGV感染的临床模式有6种,以重叠HBV、HCV、HAV或HEV感染为主,占63.6%(14/22),又以HGV+HBV和HGV+HCV居多,在重叠HBV感染时应警惕发生重型肝炎的可能。2. 单独HGV感染者临床较为少见,本组从720例各型病毒性肝炎中,检出22例HGV RNA的阳性者,其中单独HGV感染者8例,其临床病理特征是:① 临床症状轻,多为亚临床型起病;② 体征少,慢性化程度较高;③ 血清ALT和AST呈轻度或中度升高;④ 肝组织损伤较轻多为灶性坏死和轻度碎屑样坏死,汇管区有不同程度淋巴细胞浸润;⑤ 电镜下见肝细胞线粒体肿胀,肝糖原颗粒聚积,肝纤维组织增生早但程度轻;⑥ HGV在肝组织内呈散在分布,为胞浆型。本研究提示:HGV具有致病性。
, 百拇医药
本课题系全军“九五”科研课题
参考文献
1 Simmons JN, Pilot-Matiast TJ, Leary TP,et al. Identification of two flavivirus-like genomes in the GB hepatitis agent. Proc Natl Acad Sci USA, 1995, 92:3401-3404.
2 Linnen JI, Wages J, Zhang-Keck ZY, et al. Molecular cloning and disease association of hepatitis G virus: a transfusion-transmissible agent. Science, 1996,271:505-508.
3 Schlaude GG, Dawson GJ, Simmons JN, et al. Molecular and seiologic in the transmission of the GB hepatits agent. J Med Virol, 1995,46:81-83.
4 周育森,王海涛,何玉先,等.中国人庚型肝炎病毒(HGV)全基因结构特点及HGV感染的地理分布.微生物学通报,1997,24:27-31.
5 徐俊杰,周育森,许家璋,等.中国南京庚型肝炎病毒部分基因的克隆及cDNA序列分析.中华实验和临床病毒学杂志,1997,11:27-29.
6 徐在海,初连瑞,孔祥英,等.ABC和BA法的染色敏感性及其在病毒性抗原定位中的作用.中国免疫学杂志,1986,2:241-243.
(收稿:1997-10-29 修回:1998-05-06), 百拇医药
单位:210002 南京, 解放军第八一医院肝病研究所(许家璋、杨志国、乐美兆、隋云华、何长伦);军事医学科学院微生物流行病学研究所(王海涛)
关键词:肝炎,庚型;病理学,临床
中华传染病杂志980409 【摘要】 目的 探讨庚型肝炎(HG)临床和病理特征。方法 采用逆转录聚合酶链反应(RT-PCR)检测血清HGV RNA;用庚型肝炎病毒(HGV)NS5区抗原制备单克隆抗体(McAb),对22例临床和/或病理确诊的急、慢性庚型肝炎进行肝脏免疫组化。结果 HGV感染的血清学模式以重叠HBV,HCV,HAV或HEV二重感染为主,占63.6%(14/22),单独HGV感染者占36.4%(8/22);HGV在肝脏内分布呈散在胞浆型。结论 HGV单独感染者临床多呈隐匿性发病,症状轻,慢性化程度高。
, http://www.100md.com
Clinincal and pathological features of hepatitis G Xu Jiazhang, Wang Haitao, Yang Zhiguo et al.Institute of Liver Diseases, the 81st Hospital of PLA, Nanjing 210002
【Abstract】 Objective To investigate the clinical and pathological features of viral hepatitis G. Methods Twenty-two cases of hepatitis G (HG) all with serum HGV-RNA positive were clinically and/or pathologically dioganosed. RT-PCR were taken for HGV-RNA assay. The biopsy tissue from liver were immunohistochemically assayed with HGV NS5 monoclonal antibody (McAb). Results Eight of 22 patients were infected by HGV only and the other 14 cases were infected by HGV accompanied with any one of HBV, HCV, HEV and HAV infection. The patients infected by HGV only showed slight symptoms and signs without jaundice. The level of transaminase elevated low-gradely and liver tissue were slightly damaged. The result of immunohistochemical assay showed positive staining mainly located in cytoplasm. Conclusion HGV can cause hepatitis which may present acute or chronic. Infection with HGV along is frequently asymptomatic or mildly symptomatic and predisposes to chronic.
, 百拇医药
【Key words】 hepatitis G Pathology,clinical
1995年Simmons等[1]首次发现GBV-C以来,国内外学者对其分子生物学、流行病学进行了系统研究[2~4],而对该型肝炎的临床和病理报道甚少。鉴于HGV多为重叠HCV或HBV感染,对HGV是否单独致病还存在异议。我们收集了本院1995年以来,经临床和/或病理确诊的庚型肝炎22例,并结合肝脏免疫组化的研究,报道如下。
对象与方法
一、研究对象
22例庚型肝炎均系1995年12月~1997年5月我院住院患者,男性21例,女性1例,年龄21~72岁,其中HGV单独感染者8例,重叠感染者14例(重叠HAV和HEV感染者各1例,HBV感染者5例,HCV感染者6例,HGV+HBV+HCV三重感染者1例)。
, http://www.100md.com
二、研究方法
(一) 血清病原学检测 HGV RNA检测采用逆转录聚合酶链反应(RT-PCR),引物由解放军军事医学科学院五所馈赠,检测方法参照文献[5]。HBV DNA(PCR),HCV RNA (RT-PCR)检测试剂购于华美生物工程公司,抗-HAV-IgM、HBV M、抗-HCV-IgG、抗-HEV-IgG、抗-CMV-IgG。抗-EBV-IgG均采用ELISA检测,试剂分别购于南京军区军事医学研究所、华美生物工程公司及中国病毒研究所。
(二) 肝功能检测 采用自动生化分析仪检测TSB、ALT、AST A/G、r-GT、AKP,同时送检凝血酶原时间等。
(三) 肝脏组织学检测 本组22例中有12例行肝脏组织活检,标本经光、电镜检查,进行分级分期。
(四) 肝脏免疫组化
, 百拇医药
1. HGV NS5区单克隆抗体(McAb) 由军事医学科学院微生物流行病学研究所制备,琼脂双扩散效价1∶50~100,参照文献[6],各抗体工作浓度:McAb 1∶50,生物素化羊抗鼠IgG 1∶80,辣根过氧化酶标记亲和素1∶160,正常鼠血清1∶50。
2. 鼠抗人HBsAg 鼠抗人HCV(NS3)肝脏组化试剂,购于北京中山生物技术有限公司,并按其方法操作。
结 果
一、HGV血清学感染的模式与临床病理诊断的关系
见表1。本组22例中有8例经临床确诊,病史中均有慢性肝病史,其中2例为肝硬变。12例肝组织活检者,单独HGV感染者7例,临床和病理符合者4例,见表2;5例重叠感染者中,有2例HGV+HBV者,入院后病情重,发展快,2周内血清TSB高达581.6μmol/L和488.6μmol/L,凝血酶原活动度分别为25%和22.6%,均有中度以上腹水,Ⅱ°~Ⅲ°肝性脑病,其中1例持续性昏迷72小时,肝组织活检提示:在慢性肝病的组织学改变基础上,同时出现肝脏亚大块坏死,病程中血清HGV RNA、HBsAg、抗-HBe、抗-HBc持续阳性,而HBV DNA始终阴性,是自然病程改变,还是HGV感染干扰HBV复制,尚难判定。1例HGV+HCV感染者,8个月前因宫外孕术中输血400ml发现肝功能异常已半年,临床和病理诊断均符合慢性肝炎,本例HGV和HCV感染是同时感染还是重叠感染,因急诊手术前未做进一步检测尚难判断。在2例重叠HAV或HEV病例中,临床呈急性发病,住院后TSB 7~10天分别高达83μmol/L和186.7μmol/L,ALT 1 269IU/L,2 569IU/L,临床过程与“急性黄疸型肝炎”相似,分别于住院第10、15天,行肝脏穿刺,其病理报告为慢性肝炎。提示HGV感染较隐匿,往往呈亚临床型,本组2例重叠HAV或HEV肝炎患者,与同期住院的单独HAV或HEV感染者临床过程非常相似,但肝组织学已有慢性肝炎的病理改变。
, 百拇医药
二、庚型肝炎血清学和组织学的变化
见表2。
表1 HGV感染类型与临床和/或病理诊断的关系 感染类型
例数
临床和/或病理诊断
急性肝炎
慢性肝炎
慢性重型肝炎
肝硬变
单独HGV感染
8
2
, 百拇医药
6
-
-
HGV+HBV
5
-
2
2
1
HGV+HCV
6
-
6
-
, 百拇医药
-
HGV+HAV
1
-
1
-
-
HGV+HEV
1
-
1
-
-
HGV+HBV
, 百拇医药
+HCV
1
-
-
-
1
注:22例中12例肝活检患者分布,单独HGV感染者7例,HGV+HBV 2例,HGV+HCV 1例,HGV+HAV 1例,HGV+HEV 1例表2 8例HGV单独感染者血清学和临床病理诊断 编号
TSB
(μmol/L)
ALT
(IU/L)
, 百拇医药
AST
(IU/L)
A/G
临床诊断
病理诊断
1
<17.1
60~110
<40
1.28
慢性肝炎
慢性肝炎G1S1
, 百拇医药
2
<17.1
182~79
82~61
1.52
急性肝炎
急性肝炎
3
<17.1
101~121
60~65
1.49
急性肝炎
, 百拇医药
慢性肝炎G1S1
4
<17.1
208~142
69~82
1.26
慢性肝炎
-
5
106.2
535~71
116~71
, 百拇医药
1.32
急性肝炎
急性肝炎
6
<17.1
87~112
65~50
1.50
慢性肝炎
慢性肝炎G1S1伴轻度脂肪变性
7
<17.1
, 百拇医药
350~160
159~80
1.96
急性肝炎
慢性肝炎G2S1
8
29.0
<40
47~<40
1.39
Dubin-Johnson综合征
慢性肝炎G1S1
, http://www.100md.com
8例HG患者血清学多次检查仅HGV RNA阳性,血清学检测可排除非甲至非戊型肝炎病毒感染,也可排除CMV及EBV感染。其中7例患者组织学改变:(1) 肝细胞损伤轻,其中5例仅出现轻度碎屑样坏死,电镜下大部分肝细胞核形态完整,仅少数肝细胞核出现浅切迹,细胞器改变也较轻微,主要是线粒体出现不同程度肿胀,嵴不清,部分线粒体甚质浓缩,电子密度增高,粗面内质网扩张,部分膜旁核糖体脱颗粒。(2) 肝细胞糖原变性明显,是7例庚型肝炎的一种普遍现象,光镜下常以“水样变性”出现,胞质透亮,而电镜下则是糖原颗粒聚积在肝细胞质中,重者把线粒体和粗面内质网挤向核周。提示肝细胞肝糖原代谢受到一定程度损伤。(3) 纤维组织增生早,但程度轻。
图1 庚肝患者肝穿组织切片,经特异McAb染色,阳性肝细胞胞浆呈棕黄颗粒状,相邻肝细胞染色阴性 BA染色法×1000
, http://www.100md.com
三、HGV在肝细胞中分布及组织学损伤的关系
为进一步排除HBV和HCV的感染,对7例庚型肝炎单独感染者肝活检标本,同时进行了三种免疫组化检测,结果:HBsAg和HCV均为阴性,HGV特异性McAb染色,HGV抗原阳性者5例,HGV抗原仅分布在肝细胞浆呈棕黄色颗粒,相邻肝细胞染色阴性,见图1。为进一步阐明HGV NS5区McAb的特异性,对此进行了肝脏组织的原位杂交的观察,结果HGV基因探针阳性细胞与免疫组化相仿。
图1所示1例HGV单独感染病例,男,21岁,体检发现肝功能异常,于1995年4月28日入院无输血及使用血制品史,入院时TSB 23.34μmol/L,ALT 182IU/L,AST 82IU/L,A/G 46.9/36.1,AKP 123IU/L γ-GT 34 IU/L,血清病原学检查HNA~E均为阴性,临床诊断为“急性黄疸型肝炎”,经一般护肝药物治疗,肝功能恢复正常,住院18天出院。同年10月17日因ALT复升再次入院,半月后行肝穿刺活检,组织学显示:肝细胞浊肿,可见点状坏死及灶性坏死,汇管区有轻度纤维组织增生及淋巴细胞浸润,见图2,图3。
, 百拇医药
图2 肝细胞浊肿,汇管区肝细胞界板轻度破坏,并有灶性淋巴细胞浸润 HE×350
图3 肝细胞核出现浅的切迹,边缘呈锯齿状,线粒体嵴不清,肝细胞间可见胶原纤维束伸入 ×10500讨 论
HGV是1995年首次确认的一种新型肝炎病毒,迄今为止研究表明:HGV是单股正链RNA病毒,呈世界性分布,人群中HGV感染率和发病率尚无确实的资料。究其原因,一是各家选择研究对象的标准不一,研究的手段不同。二是大量的研究仅为血清学,缺乏组织标本的研究。三是大多为不同肝炎病毒重叠感染,缺乏HGV单独感染的标本。
本研究采用了RT-PCR检测血清HGV RNA,用HGV NS5区抗原制备的单克隆抗体进行肝脏免疫组化,对临床和/或病理确诊的22例庚型肝炎作了系统观察。结果提示:1. HGV感染的临床模式有6种,以重叠HBV、HCV、HAV或HEV感染为主,占63.6%(14/22),又以HGV+HBV和HGV+HCV居多,在重叠HBV感染时应警惕发生重型肝炎的可能。2. 单独HGV感染者临床较为少见,本组从720例各型病毒性肝炎中,检出22例HGV RNA的阳性者,其中单独HGV感染者8例,其临床病理特征是:① 临床症状轻,多为亚临床型起病;② 体征少,慢性化程度较高;③ 血清ALT和AST呈轻度或中度升高;④ 肝组织损伤较轻多为灶性坏死和轻度碎屑样坏死,汇管区有不同程度淋巴细胞浸润;⑤ 电镜下见肝细胞线粒体肿胀,肝糖原颗粒聚积,肝纤维组织增生早但程度轻;⑥ HGV在肝组织内呈散在分布,为胞浆型。本研究提示:HGV具有致病性。
, 百拇医药
本课题系全军“九五”科研课题
参考文献
1 Simmons JN, Pilot-Matiast TJ, Leary TP,et al. Identification of two flavivirus-like genomes in the GB hepatitis agent. Proc Natl Acad Sci USA, 1995, 92:3401-3404.
2 Linnen JI, Wages J, Zhang-Keck ZY, et al. Molecular cloning and disease association of hepatitis G virus: a transfusion-transmissible agent. Science, 1996,271:505-508.
3 Schlaude GG, Dawson GJ, Simmons JN, et al. Molecular and seiologic in the transmission of the GB hepatits agent. J Med Virol, 1995,46:81-83.
4 周育森,王海涛,何玉先,等.中国人庚型肝炎病毒(HGV)全基因结构特点及HGV感染的地理分布.微生物学通报,1997,24:27-31.
5 徐俊杰,周育森,许家璋,等.中国南京庚型肝炎病毒部分基因的克隆及cDNA序列分析.中华实验和临床病毒学杂志,1997,11:27-29.
6 徐在海,初连瑞,孔祥英,等.ABC和BA法的染色敏感性及其在病毒性抗原定位中的作用.中国免疫学杂志,1986,2:241-243.
(收稿:1997-10-29 修回:1998-05-06), 百拇医药