对磨牙症患者肌松弛治疗与垫治疗的效果分析
作者:王克伦 王毓英 杨朝晖
单位:100081 北京医科大学口腔医学院
关键词:肌电图;垫;肌松弛仪
中华口腔医学杂志/980516对磨牙症患者肌松弛治疗与
垫治疗的效果分析
【摘要】 目的 对应用肌松弛仪与
垫治疗夜磨牙症的疗效进行评价。方法 应用肌电图仪、声控记录器及
力计对28例磨牙症患者治疗前后的情况进行了测试与分析。结果 应用垫治疗的效果比应用肌松弛仪者好,二者的例数之比:磨牙停止者为12∶1,磨牙时间减少者为13∶10,效果不显著者为2∶17。经两种方法治疗后,患者的肌电图表现为静息期时间均明显缩短,V/T曲线倾斜度均减小。结论 应用肌松弛仪或
垫治疗磨牙症均有肯定的效果,本研究观察到的肌电图改变可以作为评价疗效的客观指标。
, http://www.100md.com
【关键词】 肌电图
垫 肌松弛仪
Evaluation of the treatment effect for bruxism by using myomonitor and occlusal splint
Wang Kelun, Wang Yuying, Yang Zhaohui. School of Stomatology, Beijing Medical University, Beijing 100081
【Abstract】 Objective To evaluate the treatment effect of bruxism by using myomonitor and occlusal splint therapy.Methods By using EMG, audiocontrolled recorder and myollectronic recording device to record and analyse the muscles functional state before and after treatment.Results Splint therapy was more effective than the myomonitor did, such as teeth grinding stopped in 12 cases to 1 case, grinding time decreased in 13 cases to 10 cases and no significant effect in 2 cases to 17 cases. SPD and V/T curve slope of muscles decreased.Conclusion This indicates that the functional state of masticatory muscles got improved. Splint therapy is one of the effective treatment method for bruxism.
, http://www.100md.com
【Key words】 Electromyography (EMG) Occlusal Splint Myomonitor
由于磨牙症的发病机理尚不够清楚,治疗方法虽然种类较多,但对于其疗效标准难以得到客观统一的认识。临床医生主要根据患者的主诉进行判断。长期的夜间磨牙病症,逐渐造成咀嚼肌的紧张性增高,继之可使咀嚼肌受到一定程度的损害。本项研究的目的,是观察肌松弛仪与垫对磨牙症的治疗效果并就肌电图表现作为判定磨牙症疗效的客观指标进行讨论。
材料和方法
一、实验对象
选磨牙症患者28名,男13名,女15名。年龄22岁~40岁,平均26.2岁。选择标准:要求有磨牙史3年以上,症状明显。能经常复诊,愿意合作。
二、实验仪器
, http://www.100md.com
实验采用O.T.E.2780型4导肌电图仪(意大利产)。咬合力的测定使用Y6D-3A型动态电阻应变仪及SC16型光线记录示波器记录波形。传感器的灵敏度由北京理工大学力学研究室标定。
三、检查方法和步骤
门诊检查,填写病历后进行肌电图检查。肌电检查采用表面电极,1~4导联分别记录左侧嚼肌,右侧嚼肌,左侧颞肌,右侧颞肌。用摄相机拍摄肌电图图像。
检查及实验步骤:①检查前按规定要求将仪器预备好。②嘱受试者端坐,头托支持枕部,上身微后倾。两眼平视,全身放松。用75%酒精擦试皮肤,连接电极。③休息位肌电记录:肌电仪扫描速度为1秒/DIV(每刻度),灵敏度10μV/DIV。嘱患者下颌放松,微闭唇,上下牙无接触,开机记录。扫描结束后,拍摄图像。④肌电及咬合力记录。将动态电阻应变仪的传感器放入受试者后牙区。嘱其逐渐用力咬合直至最大力量。同时开机记录肌电变化数值,拍摄图象。检查顺序先左后右。
力以kg为单位,肌电以μV为单位,描绘肌电/
力比值曲线。⑤静息期(silent period,SP)(指完全静息期与肌肉低活动期)检查:检查者手握弹簧锤(中国计量科学院标定),置于受试者颏部与地面平行。弹簧锤叩击力为7.5kg。要求受试者在正中位用最大力咬合;叩击颏部同时记录肌电活动期,重复3次取平均值,先嚼肌后颞肌。测量时间以毫秒为单位。⑥咀嚼肌耐力测量:开机后,嘱受试者用最大力量在正中
位持续咬合,直至不能坚持为止。拍摄图象,记录时间。此项检查只做嚼肌。⑦基础磨牙时间记录:用声控磨牙记录器记录受试者夜间磨牙时间,连续两夜取平均值。
, http://www.100md.com
四、治疗
肌松弛治疗[1,2]:用肌松弛仪(myomonitor J3型)对患者进行治疗。刺激电极置于两侧耳前区,参考电极置于颈后部。每次治疗40分钟,每日一次,疗程为一周。一周后重复上述检查,对治疗无效者,行
垫(occlusal splint)治疗[3,4]。用1.5mm厚的Biocryl塑料板,在下颌模型上用Bioster压缩机热压成形。调磨合适后戴入。嘱患者夜间戴用,一月后重复进行肌电检查并记录磨牙时间。
五、对治疗前后的肌电各指标进行统计学分析(配对t检验),观察其间差异有无显著性[5,6]。
结果
治疗结果分为4个等级。Ⅰ:停止磨牙。Ⅱ:有极显著性效果,磨牙时间减少50%以上。Ⅲ:有显著性效果,磨牙时间减少20%以上。Ⅳ:无显著性效果,磨牙时间减少20%以内。
, 百拇医药
一、用肌松弛仪治疗的效果见表1。
二、垫治疗的效果见表2。
三、肌松弛治疗与
垫治疗前后静息期时间与咀嚼肌耐力的改变见表3。
四、两种治疗前后的肌电/
力(V/T)比值曲线(图1)
表1 肌松弛仪治疗效果 疗效分级
例数(%)
治疗后平均每夜磨牙时间(s)
停止磨牙
, http://www.100md.com
1(3.57)
0
效果极显著
3(10.72)
278
效果显著
7(25)
492
无显著效果
17(60.71)
706
注:本组28例受试者,治疗前平均每夜磨牙时间746s表2 垫治疗效果 疗效分级
, http://www.100md.com
例数(%)
治疗后平均每夜磨牙时间(s)
停止磨牙
12(44.44)
0
效果极显著
8(29.63)
106
效果显著
5(18.52)
185
无显著效果
, 百拇医药 2( 7.41)
518
注:本组27例受试者,治疗前平均每夜磨牙时间546s
B 治疗前 M 肌松弛治疗后 S
垫治疗后上 嚼肌 下 颞肌
图1 两种方法治疗前后的V/T比值曲线
图1表明,两种治疗后,V/T曲线均有变化。以
力30kg时为例,治疗前平均嚼肌肌电值为780μV,颞肌为710μV。肌松弛治疗后,嚼肌肌电值为640μV,颞肌为610μV。经
垫治疗
, 百拇医药
后,嚼肌为580μV,颞肌为520μV。
表3 肌松弛仪与
垫治疗前后SP及耐力的改变(ms) 治疗方法
嚼 肌
颞 肌
耐 力
±s
P值
±s
P值
±s
, 百拇医药
P值
肌松弛仪 治疗前
31.43±4.82
<0.01
32.13±4.16
<0.01
41.13±3.83
>0.05
治疗后
25.47±3.96
26.46±4.26
39.67±10.90
, http://www.100md.com
垫 治疗前
29.16±4.42
>0.05
28.84±4.10
>0.05
38.28±5.69
<0.05
治疗后
25.44±4.34
26.32±4.24
46.22±4.74
, http://www.100md.com
注:
垫治疗前后,嚼肌完全静息期的P值<0.01,低活动期的P值>0.05讨论
一、磨牙症治疗方法的选择[7]
由于磨牙症的病因、机理复杂,其治疗方法也种类繁多。从病因学理论考虑,对磨牙症的治疗应从以下几方面入手:①消除精神紧张,缓解情绪压力。②消除刺激,改变原有的神经反馈型。③降低咀嚼肌的肌张力。④保护牙齿免受磨损及预防颞下颌关节病的发生。在临床实践中,对磨牙症的治疗方法主要有:心理疏导、调、
垫、生物反馈及药物治疗等,但每种疗法都有其局限性。也就是说,任何一种疗法都不会适用于所有的患者。
二、肌松弛及
垫治疗的作用及机理
, 百拇医药
自70年代初肌松弛仪已被牙科医生在临床上应用,认为其具有改善神经肌肉控制,促使肌肉收缩平衡的作用。在本项研究中,我们首先采用肌松弛治疗,对其中治疗效果较差者再行
垫治疗。经两种方法治疗后,V/T比值曲线陡度均减小,说明肌肉疲劳程度减低,肌功能状况改善。本项研究结果证实了
垫在磨牙症治疗中的良好效果。
三、SP值对评定磨牙症疗效的意义
静息期(SP)是收缩的肌肉受到外力刺激时,其肌电活动受抑制的阶段。SP的产生与运动神经元的不应期,肌梭失去易化,高尔基腱器官及牙周感受器反射抑制等因素有关。是一种保护性反射。
, 百拇医药 上 治疗前 下 治疗后
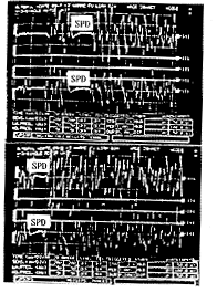
图2 肌松弛治疗一周后显示咀嚼肌SP明显缩短(分别由60ms减至30ms)
上 治疗前 下 治疗后
图3
垫治疗一月后显示颞肌双SP消失,嚼肌与颞肌SP明显缩短(分别由30ms减至20ms)
多数文献报道,有咀嚼肌疼痛症状的患者SP值延长且与症状严重程度呈正相关。本项研究中的磨牙症患者,经
垫治疗及肌松弛治疗后均表现为SP显著缩短,说明其神经肌肉系统的状态有所改善。
, http://www.100md.com
本实验中,有25%的患者出现双SP改变,呈间隔抑制现象(图2,3)。治疗后一部分患者的双SP消失。双SP的出现说明患者肌肉系统可能受到了不利影响,感受器阈值下降,自我保护功能加强。也有的学者认为,双SP是神经肌肉疲劳所引起的。
参考文献
1 Bessette RW, Quinlivan JT. Electromyographic evaluation of the myo-monitor. J Prosthet Dent. 1973, 30:19-24.
2 Bailey JO, Rugh JD. Effect of occlusal adjustment on bruxism as monitored by nocturnal EMG recording. J Dent Rehabilit, 1980, 59:317.
, 百拇医药
3 王毓英,杨朝晖.咀嚼肌肌电图静息期的临床应用概况.国外医学口腔医学分册,1997,24:104-105.
4 Hamada T, Kotani H, Kawazoe Y, et al. Effects of occlusal splint on the EMG activity of masseter and temporal muscles in bruxism with clinical symptoms. J Oral Rehabilit, 1982, 9:119-123.
5 Mejias JE, Mehta NR. Subjective and objective evaluation of bruxing patients undergoing short-term splint therapy. J Oral Rehabilit, 1982,279-289.
6 Mohl ND, Zarb GA, Carlsson GE, et al. A Textbook of occlusion. New York: Quintessence Inc, 1988. 112-113, 249-261.
7 Ash MM, Ramfiord SP. Occlusion. 4th ed. Philadelphia: Saunders,1995.144-146.
(收稿:1997-04-25 修回:1998-05-29), 百拇医药
单位:100081 北京医科大学口腔医学院
关键词:肌电图;垫;肌松弛仪
中华口腔医学杂志/980516对磨牙症患者肌松弛治疗与
【摘要】 目的 对应用肌松弛仪与
, http://www.100md.com
【关键词】 肌电图
Evaluation of the treatment effect for bruxism by using myomonitor and occlusal splint
Wang Kelun, Wang Yuying, Yang Zhaohui. School of Stomatology, Beijing Medical University, Beijing 100081
【Abstract】 Objective To evaluate the treatment effect of bruxism by using myomonitor and occlusal splint therapy.Methods By using EMG, audiocontrolled recorder and myollectronic recording device to record and analyse the muscles functional state before and after treatment.Results Splint therapy was more effective than the myomonitor did, such as teeth grinding stopped in 12 cases to 1 case, grinding time decreased in 13 cases to 10 cases and no significant effect in 2 cases to 17 cases. SPD and V/T curve slope of muscles decreased.Conclusion This indicates that the functional state of masticatory muscles got improved. Splint therapy is one of the effective treatment method for bruxism.
, http://www.100md.com
【Key words】 Electromyography (EMG) Occlusal Splint Myomonitor
由于磨牙症的发病机理尚不够清楚,治疗方法虽然种类较多,但对于其疗效标准难以得到客观统一的认识。临床医生主要根据患者的主诉进行判断。长期的夜间磨牙病症,逐渐造成咀嚼肌的紧张性增高,继之可使咀嚼肌受到一定程度的损害。本项研究的目的,是观察肌松弛仪与垫对磨牙症的治疗效果并就肌电图表现作为判定磨牙症疗效的客观指标进行讨论。
材料和方法
一、实验对象
选磨牙症患者28名,男13名,女15名。年龄22岁~40岁,平均26.2岁。选择标准:要求有磨牙史3年以上,症状明显。能经常复诊,愿意合作。
二、实验仪器
, http://www.100md.com
实验采用O.T.E.2780型4导肌电图仪(意大利产)。咬合力的测定使用Y6D-3A型动态电阻应变仪及SC16型光线记录示波器记录波形。传感器的灵敏度由北京理工大学力学研究室标定。
三、检查方法和步骤
门诊检查,填写病历后进行肌电图检查。肌电检查采用表面电极,1~4导联分别记录左侧嚼肌,右侧嚼肌,左侧颞肌,右侧颞肌。用摄相机拍摄肌电图图像。
检查及实验步骤:①检查前按规定要求将仪器预备好。②嘱受试者端坐,头托支持枕部,上身微后倾。两眼平视,全身放松。用75%酒精擦试皮肤,连接电极。③休息位肌电记录:肌电仪扫描速度为1秒/DIV(每刻度),灵敏度10μV/DIV。嘱患者下颌放松,微闭唇,上下牙无接触,开机记录。扫描结束后,拍摄图像。④肌电及咬合力记录。将动态电阻应变仪的传感器放入受试者后牙区。嘱其逐渐用力咬合直至最大力量。同时开机记录肌电变化数值,拍摄图象。检查顺序先左后右。
, http://www.100md.com
四、治疗
肌松弛治疗[1,2]:用肌松弛仪(myomonitor J3型)对患者进行治疗。刺激电极置于两侧耳前区,参考电极置于颈后部。每次治疗40分钟,每日一次,疗程为一周。一周后重复上述检查,对治疗无效者,行
五、对治疗前后的肌电各指标进行统计学分析(配对t检验),观察其间差异有无显著性[5,6]。
结果
治疗结果分为4个等级。Ⅰ:停止磨牙。Ⅱ:有极显著性效果,磨牙时间减少50%以上。Ⅲ:有显著性效果,磨牙时间减少20%以上。Ⅳ:无显著性效果,磨牙时间减少20%以内。
, 百拇医药
一、用肌松弛仪治疗的效果见表1。
二、垫治疗的效果见表2。
三、肌松弛治疗与
四、两种治疗前后的肌电/
表1 肌松弛仪治疗效果 疗效分级
例数(%)
治疗后平均每夜磨牙时间(s)
停止磨牙
, http://www.100md.com
1(3.57)
0
效果极显著
3(10.72)
278
效果显著
7(25)
492
无显著效果
17(60.71)
706
注:本组28例受试者,治疗前平均每夜磨牙时间746s表2 垫治疗效果 疗效分级
, http://www.100md.com
例数(%)
治疗后平均每夜磨牙时间(s)
停止磨牙
12(44.44)
0
效果极显著
8(29.63)
106
效果显著
5(18.52)
185
无显著效果
, 百拇医药 2( 7.41)
518
注:本组27例受试者,治疗前平均每夜磨牙时间546s
B 治疗前 M 肌松弛治疗后 S
图1 两种方法治疗前后的V/T比值曲线
图1表明,两种治疗后,V/T曲线均有变化。以
, 百拇医药
后,嚼肌为580μV,颞肌为520μV。
表3 肌松弛仪与
嚼 肌
颞 肌
耐 力
P值
P值
, 百拇医药
P值
肌松弛仪 治疗前
31.43±4.82
<0.01
32.13±4.16
<0.01
41.13±3.83
>0.05
治疗后
25.47±3.96
26.46±4.26
39.67±10.90
, http://www.100md.com
29.16±4.42
>0.05
28.84±4.10
>0.05
38.28±5.69
<0.05
治疗后
25.44±4.34
26.32±4.24
46.22±4.74
, http://www.100md.com
注:
一、磨牙症治疗方法的选择[7]
由于磨牙症的病因、机理复杂,其治疗方法也种类繁多。从病因学理论考虑,对磨牙症的治疗应从以下几方面入手:①消除精神紧张,缓解情绪压力。②消除刺激,改变原有的神经反馈型。③降低咀嚼肌的肌张力。④保护牙齿免受磨损及预防颞下颌关节病的发生。在临床实践中,对磨牙症的治疗方法主要有:心理疏导、调、
二、肌松弛及
, 百拇医药
自70年代初肌松弛仪已被牙科医生在临床上应用,认为其具有改善神经肌肉控制,促使肌肉收缩平衡的作用。在本项研究中,我们首先采用肌松弛治疗,对其中治疗效果较差者再行
三、SP值对评定磨牙症疗效的意义
静息期(SP)是收缩的肌肉受到外力刺激时,其肌电活动受抑制的阶段。SP的产生与运动神经元的不应期,肌梭失去易化,高尔基腱器官及牙周感受器反射抑制等因素有关。是一种保护性反射。
, 百拇医药 上 治疗前 下 治疗后
图2 肌松弛治疗一周后显示咀嚼肌SP明显缩短(分别由60ms减至30ms)
上 治疗前 下 治疗后
图3
多数文献报道,有咀嚼肌疼痛症状的患者SP值延长且与症状严重程度呈正相关。本项研究中的磨牙症患者,经
, http://www.100md.com
本实验中,有25%的患者出现双SP改变,呈间隔抑制现象(图2,3)。治疗后一部分患者的双SP消失。双SP的出现说明患者肌肉系统可能受到了不利影响,感受器阈值下降,自我保护功能加强。也有的学者认为,双SP是神经肌肉疲劳所引起的。
参考文献
1 Bessette RW, Quinlivan JT. Electromyographic evaluation of the myo-monitor. J Prosthet Dent. 1973, 30:19-24.
2 Bailey JO, Rugh JD. Effect of occlusal adjustment on bruxism as monitored by nocturnal EMG recording. J Dent Rehabilit, 1980, 59:317.
, 百拇医药
3 王毓英,杨朝晖.咀嚼肌肌电图静息期的临床应用概况.国外医学口腔医学分册,1997,24:104-105.
4 Hamada T, Kotani H, Kawazoe Y, et al. Effects of occlusal splint on the EMG activity of masseter and temporal muscles in bruxism with clinical symptoms. J Oral Rehabilit, 1982, 9:119-123.
5 Mejias JE, Mehta NR. Subjective and objective evaluation of bruxing patients undergoing short-term splint therapy. J Oral Rehabilit, 1982,279-289.
6 Mohl ND, Zarb GA, Carlsson GE, et al. A Textbook of occlusion. New York: Quintessence Inc, 1988. 112-113, 249-261.
7 Ash MM, Ramfiord SP. Occlusion. 4th ed. Philadelphia: Saunders,1995.144-146.
(收稿:1997-04-25 修回:1998-05-29), 百拇医药