毫米波电场对脊髓损伤后继发性损伤的组织学研究
作者:刘宏亮 刘青山 吴宗耀
单位:400038 重庆,第三军医大学西南医院康复科
关键词:脊髓损伤;毫米波*;大鼠
中华物理医学与康复杂志990104
【摘 要】 目的 探讨毫米波对脊髓损伤后继发性损伤的影响。方法 大鼠脊髓不完全性损伤后,立即以波长4.9、7.1、8.9 mm,功率密度7 mW/cm2的毫米波辐照损伤局部,观察组织学变化。结果 波长7.1 mm,功率密度7 mW/cm2的毫米波治疗组与损伤对照组比较,脊髓神经原损伤减轻,髓鞘结构较完好。结论 一定参数的毫米波能缓解脊髓损伤后的继发性损伤。
【中图号】 R318.03;R745.5
, 百拇医药
Histological research on lightening secondary injury of initial
spinalcord trauma with electric fields of millimeter wave
LIU Hongliang,LIU Qingshan,WU Zongyao.Department of Physical Medicine and
Rehabilitation,Southwestern Hospital of Third Military Medical Univercity,Chongqing400038
【Abstract】 Objective To observe whether the millimeter wave can lighten the secondary injury after initial trauma.Methods The rats which had injured spinal cord after trauma,were immediately treated with the millimeter wave in various parameters(4.9 mm7 mW/cm2,7.1 mm7 mW/cm2,8.9 mm7 mW/cm2,) and the histological changes were observed.Results The histological changes were slighter in 7.1 mm7 mW/cm2 group than that in the injury group.Conclusion The millimeter wave in the parameter 7.1 mm7 mW/cm2 could lighten the secondary spinal cord injury.
, 百拇医药
【Key words】 Spinal cord injuries Millimeter wave* Rats
脊髓损伤是中枢神经系统最常见的损伤,往往严重致残,极易因并发症致死。脊髓损伤涉及瞬间的原发损伤和继而在受损部位发生一种持久的组织代谢障碍、水肿和血流量下降的继发性损伤[1]。由于脊髓损伤复杂的病理生理机制,因而其治疗仍是一个尚待解决的难题。毫米波疗法已得到广泛的临床应用。但是目前国内外对毫米波作用于神经系统的生物效应的研究仍较少,尚未见毫米波应用于脊髓损伤的研究报道。
本研究首次将不同频率的毫米波应用于大鼠实验性脊髓损伤,观察毫米波对脊髓继发性损伤的影响,并探讨毫米波治疗作用的特征。
1 材料与方法
Wistar大鼠,体质量(200±50) g。以戊巴比妥钠25 mg/kg腹腔注射,每只动物皮下注射阿托品0.1 g麻醉动物,常规手术显露硬膜完整的脊髓L1节段,按改良Allen WD法致脊髓损伤。致伤势能80克厘米(gram-cm force,gcf),致伤后逐层缝合伤口。
, 百拇医药
毫米波治疗以成都电子科技大学研制的毫米波治疗系统,波长为4.9、7.1、8.9 mm,辐射喇叭口为圆形,面积2 cm2,采用非调制连续波,输出功率密度为7 mW/cm2。动物致伤后30 min内即行治疗,时间90 min,仅治疗1次。
实验分组:正常组,致伤对照组,4.9 mm7 mW/cm2组,7.1 mm7 mW/cm2组,8.9 mm7 mW/cm2组。
伤后第3 d再次麻醉动物,以4%的多聚甲醛灌注内固定取损伤段及其头尾各1个节段的脊髓,分别行HE染色、嗜银染色、尼氏染色,以免疫组化法(labelled strept avidin-biotin,LSAB法)程序行髓鞘碱性蛋白(myelin basic protein,MBP)观察。
2 结果
, 百拇医药
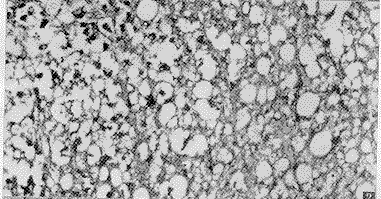
脊髓损伤组见神经元核膜模糊不清或核消失,神经元胞体突起减少,胞体回缩、圆钝,细胞周隙增大,尼氏体较正常减少或溶解,部分神经元胞体坏死溶解,神经元脱失。脊髓白质疏松,神经纤维结构紊乱,部分髓鞘肿胀、空泡变(图1)。嗜银染色下见神经纤维粗细不等、碎裂,轴索明显肿胀、退变或消失,数目较正常少(图2)。
图1 损伤组:神经元核膜消失或溶解,胞体回缩圆纯,经纤维结构紊乱 HE×200
图2 损伤组:神经纤维碎裂,轴索肿胀、退变 嗜银染色×400
7.1 mm7 mW/cm2治疗组与损伤组相比,神经元病理改变程度明显减轻,神经元脱失较损伤组减少。脊髓灰、白质结构较损伤组完整,神经纤维粗细不等,未见明显碎裂,神经纤维肿胀减轻(图3)。尼氏染色下见神经元尼氏体较损伤组保存好。而4.9 mm7 mW/cm2组、8.9 mm7 mW/cm2组与损伤组比较无显著差异。
, 百拇医药
图3 7.1mm-7.mW/cm2组:神经元数量较损伤组多,神经元改变较损伤组轻 HE×200
MBP阳性反应定位于有髓神经纤维髓鞘,MBP阳性反应白质外周至灰质由强逐渐变弱。损伤组及各治疗组MBP染色反应皆比正常弱,7.1 mm7 mW/cm2组的MBP染色反应与损伤组及4.9 mm7 mW/cm2、8.9 mm7 mW/cm2组比较明显增强。图像分析结果见表1。
表1 毫米波治疗脊髓损伤MBP免疫组化图像分析结果
组别
例数
面积(mm2)
积分吸光度
, 百拇医药
正常组
5
9 895△
7 831△
损伤组
5
1 364
1 225
4.9 mm7 mW/cm2
5
1 529
1 477
, 百拇医药
7.1 mm7 mW/cm2
6
5 165*
3 594*
8.9 mm7 mW/cm2
6
1 590
1 631
注:与各组比较△P<0.05;与损伤组及各治疗组比较*P<0.05
3 讨论
脊髓原发性损伤后所导致的一系列继发性损害,是导致神经功能障碍的主要原因。有报道由于继发性损伤致伤情加重可占临床收治的脊髓损伤病例的36%[2]。
, http://www.100md.com
从血液循环、神经化学、病理及神经电生理等方面的大量研究[3,4]证实了脊髓继发性损伤的存在。脊髓继发性损伤是多因素的综合作用,其改变是在损伤后4~8 h以缺血、出血、水肿为主要变化。普遍认为继发性损伤的机理是脊髓缺血所致。
因此,在初次创伤后由细胞反应引发的神经组织进一步损伤之前(伤后8 h内)采取措施,消除或缓解继发性损伤的发生,就可有效地减轻脊髓损伤的程度。如何防止或减轻脊髓损伤后的继发性损伤是脊髓损伤早期治疗的研究方向。
本实验以80 gcf致大鼠脊髓损伤,伤后30 min内即行毫米波治疗。光镜结果显示:伤后第3 d 7.1 mm7 mW/cm2治疗组的脊髓神经元、神经纤维的病理学改变比损伤组和4.9 mm7 mW/cm2组、8.9 mm7 mW/cm2组明显减轻。4.9 mm7 mW/cm2组、8.9 mm7 mW/cm2组与损伤组相比无显著性差异。
, 百拇医药
MBP约占髓鞘蛋白质总量的30%[5],其含量的变化反映中枢神经系统有无实质性损害,特别是有无脱髓鞘改变[6]。本研究MBP免疫组化结果显示:7.1 mm7 mW/cm2组MBP含量明显高于损伤组和其它治疗组。即7.1 mm7 mW/cm2组脊髓组织的髓鞘结构比损伤组和其它治疗组病变轻。
以上结果表明,在本研究应用的毫米波治疗系统中,波长为7.1 mm、输出功率密度为7 mW/cm2能有效地缓解脊髓损伤后继发性损伤的程度,这对脊髓损伤超急性阶段的临床治疗方案提供了有益的参考。本研究中仅波长7.1 mm的毫米波能缓解脊髓损伤后的继发性损伤作用,这说明毫米波的效应具有频率特异性。毫米波效应的频率特异性,即具有频率相关特性,对特定的生物组织只有特定频率的毫米波才会产生特定的生物效应。从某些毫米波对其它生物组织效应的研究中亦发现毫米波效应具有频率特异性[7-9]。
, http://www.100md.com
通常认为,某种生物系统对毫米波具有特定的吸收频率(谱),亦存在特定的效应频率(谱)。虽然两者不是一个概念,但是它们之间有着密切的联系。生物组织对毫米波具有相应的吸收频谱,其中可能某种频率才能产生生物效应,或者吸收频谱中不同的频率具有不同的生物学效应。被毫米波照射的生物体的结构通常是层状的。这种结构引起电磁波多次来回反射的结果,可能导致驻波形成。这可能是在被照射物体中形成毫米波功率的吸收或者分布的尖锐谐振的原因,此种特性可能演变为毫米波辐射生物效应的频率相关性[8,10]。关于频率相关效应的的机制尚待深入研究。
本研究提示,毫米波能缓解脊髓损伤后的继发性损伤,其效应具有频率特异性,这为临床脊髓损伤的物理治疗提供了有益的参考。
参考文献
1 Collins WF,Piepmeier J,Ogle E.The spinal cord injury problem: a review.CNS Trauma,1986,3:317-331.
, 百拇医药
2 郑文济,王洪生,王阳春,等.脊髓继发性损伤的实验与临床研究.中华神经外科杂志, 1996,12:39-41.
3 Senter HJ,Venes JL.Altered blood flow and secondary injury in experimental spinal cord trauma.J Neurosurg,1978,49:569-578.
4 陈恒胜,刘连生,伍亚民,等.兴奋性氨基酸受体激动剂对大鼠脊髓损伤后诱发电位和血流量影响.第三军医大学学报,1994,16:351-353.
5 王庆松.髓鞘碱性蛋白与中枢神经系统损害.国外医学神经病学神经外科学分册,1995,22:306-309.
6 Mukherjee A,Vogt RF,Linthicun DC.Measurement of myelin basic protein by radioimmunoassay in closed head trauma, multiple sclerosis and other neurological diseases.Clin Biochem,1985,18:304-307.
, http://www.100md.com
7 Pakhomov AG,Prol HK,Mathur SP,et al.Search for frequency specific effects of millimeter wave radiation on isolated nerve function.Bioelectromagnetics,1997, 18:324-334.
8 Khizhnyak EP,Ziskin MC.Heating patterns in biological tissue phantoms caused by millimeter wave electromagnetic irradiation.IEEE Trans Biomed Eng.1994,41:865-873.
9 Bush LG,Hill DW,Riazi MC,et al.Effects of millimeter-wave radiation on monolayer cell cultures:Ⅲ a search for frequency-specific athermal biological effects on protein synthesis.Bioelectromagnetics,1981,2:151-159.
10 张富鑫主编.极高频生物医学电子学.成都:电子科技大学出版社,1993.
收稿 1998-07-24
修回 1998-11-30, 百拇医药
单位:400038 重庆,第三军医大学西南医院康复科
关键词:脊髓损伤;毫米波*;大鼠
中华物理医学与康复杂志990104
【摘 要】 目的 探讨毫米波对脊髓损伤后继发性损伤的影响。方法 大鼠脊髓不完全性损伤后,立即以波长4.9、7.1、8.9 mm,功率密度7 mW/cm2的毫米波辐照损伤局部,观察组织学变化。结果 波长7.1 mm,功率密度7 mW/cm2的毫米波治疗组与损伤对照组比较,脊髓神经原损伤减轻,髓鞘结构较完好。结论 一定参数的毫米波能缓解脊髓损伤后的继发性损伤。
【中图号】 R318.03;R745.5
, 百拇医药
Histological research on lightening secondary injury of initial
spinalcord trauma with electric fields of millimeter wave
LIU Hongliang,LIU Qingshan,WU Zongyao.Department of Physical Medicine and
Rehabilitation,Southwestern Hospital of Third Military Medical Univercity,Chongqing400038
【Abstract】 Objective To observe whether the millimeter wave can lighten the secondary injury after initial trauma.Methods The rats which had injured spinal cord after trauma,were immediately treated with the millimeter wave in various parameters(4.9 mm7 mW/cm2,7.1 mm7 mW/cm2,8.9 mm7 mW/cm2,) and the histological changes were observed.Results The histological changes were slighter in 7.1 mm7 mW/cm2 group than that in the injury group.Conclusion The millimeter wave in the parameter 7.1 mm7 mW/cm2 could lighten the secondary spinal cord injury.
, 百拇医药
【Key words】 Spinal cord injuries Millimeter wave* Rats
脊髓损伤是中枢神经系统最常见的损伤,往往严重致残,极易因并发症致死。脊髓损伤涉及瞬间的原发损伤和继而在受损部位发生一种持久的组织代谢障碍、水肿和血流量下降的继发性损伤[1]。由于脊髓损伤复杂的病理生理机制,因而其治疗仍是一个尚待解决的难题。毫米波疗法已得到广泛的临床应用。但是目前国内外对毫米波作用于神经系统的生物效应的研究仍较少,尚未见毫米波应用于脊髓损伤的研究报道。
本研究首次将不同频率的毫米波应用于大鼠实验性脊髓损伤,观察毫米波对脊髓继发性损伤的影响,并探讨毫米波治疗作用的特征。
1 材料与方法
Wistar大鼠,体质量(200±50) g。以戊巴比妥钠25 mg/kg腹腔注射,每只动物皮下注射阿托品0.1 g麻醉动物,常规手术显露硬膜完整的脊髓L1节段,按改良Allen WD法致脊髓损伤。致伤势能80克厘米(gram-cm force,gcf),致伤后逐层缝合伤口。
, 百拇医药
毫米波治疗以成都电子科技大学研制的毫米波治疗系统,波长为4.9、7.1、8.9 mm,辐射喇叭口为圆形,面积2 cm2,采用非调制连续波,输出功率密度为7 mW/cm2。动物致伤后30 min内即行治疗,时间90 min,仅治疗1次。
实验分组:正常组,致伤对照组,4.9 mm7 mW/cm2组,7.1 mm7 mW/cm2组,8.9 mm7 mW/cm2组。
伤后第3 d再次麻醉动物,以4%的多聚甲醛灌注内固定取损伤段及其头尾各1个节段的脊髓,分别行HE染色、嗜银染色、尼氏染色,以免疫组化法(labelled strept avidin-biotin,LSAB法)程序行髓鞘碱性蛋白(myelin basic protein,MBP)观察。
2 结果
, 百拇医药
脊髓损伤组见神经元核膜模糊不清或核消失,神经元胞体突起减少,胞体回缩、圆钝,细胞周隙增大,尼氏体较正常减少或溶解,部分神经元胞体坏死溶解,神经元脱失。脊髓白质疏松,神经纤维结构紊乱,部分髓鞘肿胀、空泡变(图1)。嗜银染色下见神经纤维粗细不等、碎裂,轴索明显肿胀、退变或消失,数目较正常少(图2)。
图1 损伤组:神经元核膜消失或溶解,胞体回缩圆纯,经纤维结构紊乱 HE×200
图2 损伤组:神经纤维碎裂,轴索肿胀、退变 嗜银染色×400
7.1 mm7 mW/cm2治疗组与损伤组相比,神经元病理改变程度明显减轻,神经元脱失较损伤组减少。脊髓灰、白质结构较损伤组完整,神经纤维粗细不等,未见明显碎裂,神经纤维肿胀减轻(图3)。尼氏染色下见神经元尼氏体较损伤组保存好。而4.9 mm7 mW/cm2组、8.9 mm7 mW/cm2组与损伤组比较无显著差异。
, 百拇医药
图3 7.1mm-7.mW/cm2组:神经元数量较损伤组多,神经元改变较损伤组轻 HE×200
MBP阳性反应定位于有髓神经纤维髓鞘,MBP阳性反应白质外周至灰质由强逐渐变弱。损伤组及各治疗组MBP染色反应皆比正常弱,7.1 mm7 mW/cm2组的MBP染色反应与损伤组及4.9 mm7 mW/cm2、8.9 mm7 mW/cm2组比较明显增强。图像分析结果见表1。
表1 毫米波治疗脊髓损伤MBP免疫组化图像分析结果
组别
例数
面积(mm2)
积分吸光度
, 百拇医药
正常组
5
9 895△
7 831△
损伤组
5
1 364
1 225
4.9 mm7 mW/cm2
5
1 529
1 477
, 百拇医药
7.1 mm7 mW/cm2
6
5 165*
3 594*
8.9 mm7 mW/cm2
6
1 590
1 631
注:与各组比较△P<0.05;与损伤组及各治疗组比较*P<0.05
3 讨论
脊髓原发性损伤后所导致的一系列继发性损害,是导致神经功能障碍的主要原因。有报道由于继发性损伤致伤情加重可占临床收治的脊髓损伤病例的36%[2]。
, http://www.100md.com
从血液循环、神经化学、病理及神经电生理等方面的大量研究[3,4]证实了脊髓继发性损伤的存在。脊髓继发性损伤是多因素的综合作用,其改变是在损伤后4~8 h以缺血、出血、水肿为主要变化。普遍认为继发性损伤的机理是脊髓缺血所致。
因此,在初次创伤后由细胞反应引发的神经组织进一步损伤之前(伤后8 h内)采取措施,消除或缓解继发性损伤的发生,就可有效地减轻脊髓损伤的程度。如何防止或减轻脊髓损伤后的继发性损伤是脊髓损伤早期治疗的研究方向。
本实验以80 gcf致大鼠脊髓损伤,伤后30 min内即行毫米波治疗。光镜结果显示:伤后第3 d 7.1 mm7 mW/cm2治疗组的脊髓神经元、神经纤维的病理学改变比损伤组和4.9 mm7 mW/cm2组、8.9 mm7 mW/cm2组明显减轻。4.9 mm7 mW/cm2组、8.9 mm7 mW/cm2组与损伤组相比无显著性差异。
, 百拇医药
MBP约占髓鞘蛋白质总量的30%[5],其含量的变化反映中枢神经系统有无实质性损害,特别是有无脱髓鞘改变[6]。本研究MBP免疫组化结果显示:7.1 mm7 mW/cm2组MBP含量明显高于损伤组和其它治疗组。即7.1 mm7 mW/cm2组脊髓组织的髓鞘结构比损伤组和其它治疗组病变轻。
以上结果表明,在本研究应用的毫米波治疗系统中,波长为7.1 mm、输出功率密度为7 mW/cm2能有效地缓解脊髓损伤后继发性损伤的程度,这对脊髓损伤超急性阶段的临床治疗方案提供了有益的参考。本研究中仅波长7.1 mm的毫米波能缓解脊髓损伤后的继发性损伤作用,这说明毫米波的效应具有频率特异性。毫米波效应的频率特异性,即具有频率相关特性,对特定的生物组织只有特定频率的毫米波才会产生特定的生物效应。从某些毫米波对其它生物组织效应的研究中亦发现毫米波效应具有频率特异性[7-9]。
, http://www.100md.com
通常认为,某种生物系统对毫米波具有特定的吸收频率(谱),亦存在特定的效应频率(谱)。虽然两者不是一个概念,但是它们之间有着密切的联系。生物组织对毫米波具有相应的吸收频谱,其中可能某种频率才能产生生物效应,或者吸收频谱中不同的频率具有不同的生物学效应。被毫米波照射的生物体的结构通常是层状的。这种结构引起电磁波多次来回反射的结果,可能导致驻波形成。这可能是在被照射物体中形成毫米波功率的吸收或者分布的尖锐谐振的原因,此种特性可能演变为毫米波辐射生物效应的频率相关性[8,10]。关于频率相关效应的的机制尚待深入研究。
本研究提示,毫米波能缓解脊髓损伤后的继发性损伤,其效应具有频率特异性,这为临床脊髓损伤的物理治疗提供了有益的参考。
参考文献
1 Collins WF,Piepmeier J,Ogle E.The spinal cord injury problem: a review.CNS Trauma,1986,3:317-331.
, 百拇医药
2 郑文济,王洪生,王阳春,等.脊髓继发性损伤的实验与临床研究.中华神经外科杂志, 1996,12:39-41.
3 Senter HJ,Venes JL.Altered blood flow and secondary injury in experimental spinal cord trauma.J Neurosurg,1978,49:569-578.
4 陈恒胜,刘连生,伍亚民,等.兴奋性氨基酸受体激动剂对大鼠脊髓损伤后诱发电位和血流量影响.第三军医大学学报,1994,16:351-353.
5 王庆松.髓鞘碱性蛋白与中枢神经系统损害.国外医学神经病学神经外科学分册,1995,22:306-309.
6 Mukherjee A,Vogt RF,Linthicun DC.Measurement of myelin basic protein by radioimmunoassay in closed head trauma, multiple sclerosis and other neurological diseases.Clin Biochem,1985,18:304-307.
, http://www.100md.com
7 Pakhomov AG,Prol HK,Mathur SP,et al.Search for frequency specific effects of millimeter wave radiation on isolated nerve function.Bioelectromagnetics,1997, 18:324-334.
8 Khizhnyak EP,Ziskin MC.Heating patterns in biological tissue phantoms caused by millimeter wave electromagnetic irradiation.IEEE Trans Biomed Eng.1994,41:865-873.
9 Bush LG,Hill DW,Riazi MC,et al.Effects of millimeter-wave radiation on monolayer cell cultures:Ⅲ a search for frequency-specific athermal biological effects on protein synthesis.Bioelectromagnetics,1981,2:151-159.
10 张富鑫主编.极高频生物医学电子学.成都:电子科技大学出版社,1993.
收稿 1998-07-24
修回 1998-11-30, 百拇医药