LR White 包埋剂在电镜诊断中的应用
作者:肖永波 李锦添
单位:肖永波 李锦添(中山医科大学肿瘤研究所病理室,广州 510060)
关键词:组织包埋;显微镜检查;电子
临床与实验病理学杂志990331分类号 R446;R361.2 文献标识码 A
文章编号 1001-7399(1999)03-0265-01
LR White包埋剂是芳香族交联性丙烯酸,具有很高的亲水性,以往仅用于电镜免疫组化。在实践中发现LR White具有较好的稳定性,脱水要求不高,聚合时间短,切片容易,染色时间短等特点。为了缩短电镜诊断时间,因此我们对LR White作为电镜诊断包埋剂的可能性进行了研究。
1 材料和方法
, http://www.100md.com
1.1 材料来源 标本为中山医科大学肿瘤医院各临床科室送检的新鲜标本。
1.2 标本制作步骤
1.2.1 选择标本待检区域切成0.5~1.0 mm3大小,以多聚甲醛-戊二醛液前固定4 h。
1.2.2 Millonig磷酸盐缓冲液浸洗,10 min×3次。
1.2.3 1%锇酸后固定1 h。
1.2.4 Millonig缓冲液浸洗,10 min×3次。
1.2.5 逐级乙醇脱水。
1.2.6 依次在下列液体内渗透:1∶1的无水乙醇和LR White混合液,30 min;纯LR White 4℃ 4 h或过夜;纯LR White,30 min。
, 百拇医药
1.2.7 选择中等硬度LR White包埋,60℃聚合24 h。
1.2.8 半薄切片,厚约1 μm,1%甲苯胺蓝染色,光镜定位。
1.2.9 超薄切片厚60~70 nm,醋酸铀、枸橼酸铅双染,各5 min。JEOL JEM-1200 EX型电镜观察。
2 体会
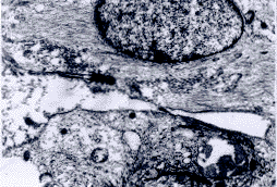
3年来,我们应用LR White包埋剂处理200例临床电镜诊断标本。在电镜下观察超薄切片显示:无论是细胞连接,胞质内各种细胞器以及组织类型特异性亚微结构等都能较好保存,结构较清晰。例如鼻腔嗅神经上皮细胞瘤的神经分泌颗粒及大量的神经细丝清晰可见(图1);肺腺鳞癌可见细胞间形成微腺腔,微绒毛突入腔内,细胞间桥粒或连接复合体结构,部分细胞质内张力丝束(图2)〔1〕;以上表现均达到了诊断的要求。
, 百拇医药
图1 鼻腔嗅神经上皮瘤:肿瘤细胞内有大量神经纤维细丝及一定量神经分泌颗粒。×400
图2 肺鳞腺癌:肿瘤细胞间形杨微腺腔,微绒毛突入腔内,并见紧密连接及桥粒样连接,细胞质内有较丰富的线粒体,RER等细胞器,部分细胞质内可见张力纤维束,呈双向分化。×400
样品的制作过程中,渗透、包埋和聚合的好与坏,直接影响到切片的质量,同时聚合及染色时间的长短也影响到电镜诊断的速度。
现将LR White包埋剂与目前我电镜室常用的电镜标本包埋剂Epon 812及PDAP相比较(表1)。
表1 LR White与Epon 812及PDAP相比较 项 目
Epon 812
, 百拇医药
PDAP
LR White
脱水要求
严格
严格
较宽松
渗透
Epon 812,4 h/次×3
PDAP,4 h/次×3
LR White方法*
包埋
根据湿度调节成分比例
, 百拇医药
不受湿度影响
不受湿度影响
聚合
室温过夜,60℃8~12 h
60℃ 72 h
60℃ 24 h
切片
易受湿度影响
硬性较大较
难切
易切出大面积
切片
载片
, 百拇医药
不需支持膜
需要支持膜
不需支持膜
染色时间
各需15~
30 min
各需30 min
以上
各只需5 min
染色效果
反差一般
反差弱
反差强
, 百拇医药
*依次在下列液体内渗透:1∶1的无水乙醇和LR White混合液,30 min;纯LR White 4℃ 4 h或过夜;纯LR White,30 min。
由表1可见LR White能集Epon 812和PDAP两者优点:聚合时间短、包埋块硬度适中易切片、染色时间短、反差强,即使在南方潮湿的气候条件下亦能使用;而又能够克服两者缺点:易受室内湿度影响,聚合时间长等。因此, LR White的使用,可有效地缩短电镜诊断时间,同时又保证了制片质量,使电镜能更好地为临床诊断服务。因此,推荐同行采用LR White作电镜诊断的包埋剂。
用LR White包埋的不足之处是仍有部分细胞成分的颗粒较为粗大,而不及Epon 812和PDAP细腻,尚待今后进一步改进。
作者简介:肖永波,男,29岁,技师
参考文献
1,黄文清.肿瘤电子显微镜诊断学.上海:上海科学技术出版社,1992:116~149
收稿日期:1998-05-10, 百拇医药
单位:肖永波 李锦添(中山医科大学肿瘤研究所病理室,广州 510060)
关键词:组织包埋;显微镜检查;电子
临床与实验病理学杂志990331分类号 R446;R361.2 文献标识码 A
文章编号 1001-7399(1999)03-0265-01
LR White包埋剂是芳香族交联性丙烯酸,具有很高的亲水性,以往仅用于电镜免疫组化。在实践中发现LR White具有较好的稳定性,脱水要求不高,聚合时间短,切片容易,染色时间短等特点。为了缩短电镜诊断时间,因此我们对LR White作为电镜诊断包埋剂的可能性进行了研究。
1 材料和方法
, http://www.100md.com
1.1 材料来源 标本为中山医科大学肿瘤医院各临床科室送检的新鲜标本。
1.2 标本制作步骤
1.2.1 选择标本待检区域切成0.5~1.0 mm3大小,以多聚甲醛-戊二醛液前固定4 h。
1.2.2 Millonig磷酸盐缓冲液浸洗,10 min×3次。
1.2.3 1%锇酸后固定1 h。
1.2.4 Millonig缓冲液浸洗,10 min×3次。
1.2.5 逐级乙醇脱水。
1.2.6 依次在下列液体内渗透:1∶1的无水乙醇和LR White混合液,30 min;纯LR White 4℃ 4 h或过夜;纯LR White,30 min。
, 百拇医药
1.2.7 选择中等硬度LR White包埋,60℃聚合24 h。
1.2.8 半薄切片,厚约1 μm,1%甲苯胺蓝染色,光镜定位。
1.2.9 超薄切片厚60~70 nm,醋酸铀、枸橼酸铅双染,各5 min。JEOL JEM-1200 EX型电镜观察。
2 体会
3年来,我们应用LR White包埋剂处理200例临床电镜诊断标本。在电镜下观察超薄切片显示:无论是细胞连接,胞质内各种细胞器以及组织类型特异性亚微结构等都能较好保存,结构较清晰。例如鼻腔嗅神经上皮细胞瘤的神经分泌颗粒及大量的神经细丝清晰可见(图1);肺腺鳞癌可见细胞间形成微腺腔,微绒毛突入腔内,细胞间桥粒或连接复合体结构,部分细胞质内张力丝束(图2)〔1〕;以上表现均达到了诊断的要求。
, 百拇医药
图1 鼻腔嗅神经上皮瘤:肿瘤细胞内有大量神经纤维细丝及一定量神经分泌颗粒。×400
图2 肺鳞腺癌:肿瘤细胞间形杨微腺腔,微绒毛突入腔内,并见紧密连接及桥粒样连接,细胞质内有较丰富的线粒体,RER等细胞器,部分细胞质内可见张力纤维束,呈双向分化。×400
样品的制作过程中,渗透、包埋和聚合的好与坏,直接影响到切片的质量,同时聚合及染色时间的长短也影响到电镜诊断的速度。
现将LR White包埋剂与目前我电镜室常用的电镜标本包埋剂Epon 812及PDAP相比较(表1)。
表1 LR White与Epon 812及PDAP相比较 项 目
Epon 812
, 百拇医药
PDAP
LR White
脱水要求
严格
严格
较宽松
渗透
Epon 812,4 h/次×3
PDAP,4 h/次×3
LR White方法*
包埋
根据湿度调节成分比例
, 百拇医药
不受湿度影响
不受湿度影响
聚合
室温过夜,60℃8~12 h
60℃ 72 h
60℃ 24 h
切片
易受湿度影响
硬性较大较
难切
易切出大面积
切片
载片
, 百拇医药
不需支持膜
需要支持膜
不需支持膜
染色时间
各需15~
30 min
各需30 min
以上
各只需5 min
染色效果
反差一般
反差弱
反差强
, 百拇医药
*依次在下列液体内渗透:1∶1的无水乙醇和LR White混合液,30 min;纯LR White 4℃ 4 h或过夜;纯LR White,30 min。
由表1可见LR White能集Epon 812和PDAP两者优点:聚合时间短、包埋块硬度适中易切片、染色时间短、反差强,即使在南方潮湿的气候条件下亦能使用;而又能够克服两者缺点:易受室内湿度影响,聚合时间长等。因此, LR White的使用,可有效地缩短电镜诊断时间,同时又保证了制片质量,使电镜能更好地为临床诊断服务。因此,推荐同行采用LR White作电镜诊断的包埋剂。
用LR White包埋的不足之处是仍有部分细胞成分的颗粒较为粗大,而不及Epon 812和PDAP细腻,尚待今后进一步改进。
作者简介:肖永波,男,29岁,技师
参考文献
1,黄文清.肿瘤电子显微镜诊断学.上海:上海科学技术出版社,1992:116~149
收稿日期:1998-05-10, 百拇医药