“胃腺套管”的形成机理
作者:甘亚平 赵红刚
单位:甘亚平 赵红刚(咸宁医学院病理学教研室,咸宁 437100)
关键词:套管样结构;胃粘膜;脱落细胞;胃镜活检
咸宁医学院学报990303 摘 要 目的:探讨胃镜活检胃粘膜切片中所见胃腺“套管现象”的形成机理。方法:胃镜活检标本342例及胃切除标本20例,常规石蜡切片、HE染色,光镜下观察分析。结果:胃镜活检胃粘膜切片(114/342)中,见部分胃腺有粘液和上皮细胞组成的内涵物,呈多种形态表现,大致可分为①规则的套管样结构;②不规则的套管样结构;③无定形内涵物。此等内涵物尤其是套管样结构在20例胃切除标本中完全未见。结论:胃腺内套管样结构为脱落细胞所形成,可能是胃镜取样时机械作用所致,与腺上皮增生无关。
中图分类 R361.2
, 百拇医药 Mechanism About the Formation of “Gastric Gland Casing””
GAN Yaping,ZHAO Honggang
Department of pathology,Xianning Medical Callege,Xianning 437100
ABSTRACT Objective To search the mechanism about the formation of “gastric gland casing” which was observed in specimens from gastroscopic biopsy.Methods The specimens of 342 cases of gastroscopic biobsy and 20 cases of gastrectomy were observed and analysed.Results In many specimens of gastroscopic biopsy(114/342) there were the inclusion consisted of mucus and epithelial cells in some glandular cavity with following features ① regular casing-like feature ② irregular casing-like feature and ③ inclusion without distinct structure.In specimens from gastrectomy these inclusions did not be seen at all.Conclusion The “casing-like feature” seen on specimens of mucosa obtained by gastroscopic biopsy consists of desquamative epthelial cells and does not relate to hyperplasia.
, 百拇医药
KEY WORDS Casing-like feature;Gastric mucosa;Desquamative cells;Gastroscopic biobsy
在胃镜活检切片中,经常可见到部分腺腔内有粘液和上皮细胞成分组成的内涵物,有时部分内涵物的上皮细胞排列成环状,酷似腺管,有作者称之为“胃腺套管”,认为是腺上皮增生所致,而且“在形成套管前有腔内生芽、乳头状结构的过渡形态”[1]。但在有关胃粘膜增生病变包括胃粘膜癌前病变及胃粘膜再生性增生的论文中,均未提及“胃腺套管”现象[2,3]。本文对胃腺内套管现象进行了详尽的观察分析,并对照胃切除的切片就其形成机理作了探讨。
1 材料与方法
收集我院近年来由同一位医师操作、同一台纤维胃镜所作胃粘膜活检标本342例,胃切除标本20例(包括萎缩性胃炎、胃溃疡、胃癌),常规石蜡切片、HE染色,光镜下观察。
, 百拇医药
2 结 果
2.1胃镜活检胃粘膜切片
342例中有114例
可见部分胃腺腔内有粘液和上皮细胞组成的内涵物,根据其组成情况的不同,将其分为以下几种形态表现。
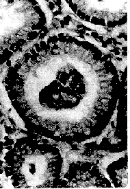
2.1.1 形成规则的套管。由单列上皮细胞组成,呈整齐的环状排列。此种套管的大多数,其上皮细胞极性同它们所在的主腺体上皮细胞是一致的(图1),只有少数套管的细胞与主腺体上皮相对而立(图2)。
图1 规则的套管,单列细胞整齐排列成
环状,极性与主腺体上皮一致(×400)
, 百拇医药
图2 规则的套管,套管上皮细胞与主腺体上皮
相对而立,无纤维血管轴心(×400)
2.1.2 形成不规则的套管。上皮细胞排列不规则,可单层或多层,细胞极性也不尽相同(图3)。
图3 不规则的套管,上皮细胞排列不规则,无纤维血管轴心(×400)
以上两型套管内均空虚无物,或仅有少许粘液。注意到上皮细胞与主腺体上皮相向而立的套管中心并不存在纤维血管轴心。
2.1.3 无定形内涵物。在若干胃腺腔内可见到凌乱无序的粘液和数量不定的上皮细胞(图4)。
, http://www.100md.com
图4 无定型内涵物,细胞凌乱无序,不形成环状(×400)
2.2 胃切除标本20例共切片65张,均未见上述胃镜活检标本中所见胃腺体的套管现象,甚至连无定型内涵物也难以找到。但在腺体增生区域可见具有纤维血管轴心的乳头状结构(图5)。
图5 胃癌切除标本,癌旁粘膜腺内有带纤维血管
轴心的乳头(×400)
3 讨 论
有报道认为胃腺内套管样结构与腺上皮增生有关,而且与腺上皮的生芽和乳头状结构有过渡形态[1]。若如此,那么套管样结构便应具备以下特点:①套管上皮细胞与主腺管上皮细胞形态完全一致;②套管上皮细胞应与主腺管上皮细胞相向而立,即“顶端对顶端”;③套管中心应具有纤维血管轴心,也就是说套管实际上是主腺体上皮的“芽”或“乳头状结构”的断面。本文所看到的套管样结构,与以上三点均不相符,表现为:①组成套管的上皮细胞与主腺管上皮细胞有不一致的情况,有的呈现胞核固缩,有的细胞核成了细长条形互相挤叠。②组成套管的上皮细胞与主腺管上皮的极性多数是一致的,只有少数为“顶端对顶端”。③套管中心空虚或偶有粘液,并无纤维血管轴心。这就说明套管样结构并非“生芽”或“乳头状”结构的断面。
, http://www.100md.com
再则如果套管样结构为增生所致,则在胃切除标本的切片中,位于腺体增生区域也应看到套管现象,但在笔者所观察的20例中未见到一例。在腺体增生区域可见到具有绒毛状突起的囊性腺体,其中偶尔出现游离于腺腔的、具有纤维血管轴心的乳头断面,但绝然不同于胃镜活检标本中所见到的套管样结构。极少数腺腔内可见到一些上皮细胞,但多排列无序,且胞核固缩,胞浆较所在腺体的上皮细胞红染。
综上所述,笔者认为本文胃镜活检切片中所看到的套管样结构实际上是游离存在于胃腺腔内的脱落细胞,其中排列有序的就成了“套管”。可以设想,上皮细胞的这种脱落,可能是胃镜活检夹取粘膜时的机械性作用所致,与增生无关,故在胃切除标本中不出现,而胃镜取材时,由于部分腺上皮受到挫伤、挤压、可导致腺上皮细胞单个、成条或成片脱落。细胞可无明显退变,与主腺体上皮形态基本上相同,仅有不同程度的受挤压变形表现。脱落的上皮细胞可因粘液的吸附或张力作用而形成管状排列,在切片上即成为“规则的套管样结构”或“不规则的套管样结构”,而有些便形成“无定形内涵物”。
, 百拇医药
参考文献
1 王仰坤,马乃绪.胃腺套管的病理形态及免疫组织化学观察.诊断病理学杂志,1995;2(1):26
2 Muragama H,Kikuchi M,Enijoi M,et al.Changes in gastric mucosa that antedate gastric carcinoma.Cancer,1990;66:2017
3 Ming SC.Gastric dysplasia:significance and pathologic criteria.Cancer,1984;54:1794
(1999-05-25收稿), 百拇医药
单位:甘亚平 赵红刚(咸宁医学院病理学教研室,咸宁 437100)
关键词:套管样结构;胃粘膜;脱落细胞;胃镜活检
咸宁医学院学报990303 摘 要 目的:探讨胃镜活检胃粘膜切片中所见胃腺“套管现象”的形成机理。方法:胃镜活检标本342例及胃切除标本20例,常规石蜡切片、HE染色,光镜下观察分析。结果:胃镜活检胃粘膜切片(114/342)中,见部分胃腺有粘液和上皮细胞组成的内涵物,呈多种形态表现,大致可分为①规则的套管样结构;②不规则的套管样结构;③无定形内涵物。此等内涵物尤其是套管样结构在20例胃切除标本中完全未见。结论:胃腺内套管样结构为脱落细胞所形成,可能是胃镜取样时机械作用所致,与腺上皮增生无关。
中图分类 R361.2
, 百拇医药 Mechanism About the Formation of “Gastric Gland Casing””
GAN Yaping,ZHAO Honggang
Department of pathology,Xianning Medical Callege,Xianning 437100
ABSTRACT Objective To search the mechanism about the formation of “gastric gland casing” which was observed in specimens from gastroscopic biopsy.Methods The specimens of 342 cases of gastroscopic biobsy and 20 cases of gastrectomy were observed and analysed.Results In many specimens of gastroscopic biopsy(114/342) there were the inclusion consisted of mucus and epithelial cells in some glandular cavity with following features ① regular casing-like feature ② irregular casing-like feature and ③ inclusion without distinct structure.In specimens from gastrectomy these inclusions did not be seen at all.Conclusion The “casing-like feature” seen on specimens of mucosa obtained by gastroscopic biopsy consists of desquamative epthelial cells and does not relate to hyperplasia.
, 百拇医药
KEY WORDS Casing-like feature;Gastric mucosa;Desquamative cells;Gastroscopic biobsy
在胃镜活检切片中,经常可见到部分腺腔内有粘液和上皮细胞成分组成的内涵物,有时部分内涵物的上皮细胞排列成环状,酷似腺管,有作者称之为“胃腺套管”,认为是腺上皮增生所致,而且“在形成套管前有腔内生芽、乳头状结构的过渡形态”[1]。但在有关胃粘膜增生病变包括胃粘膜癌前病变及胃粘膜再生性增生的论文中,均未提及“胃腺套管”现象[2,3]。本文对胃腺内套管现象进行了详尽的观察分析,并对照胃切除的切片就其形成机理作了探讨。
1 材料与方法
收集我院近年来由同一位医师操作、同一台纤维胃镜所作胃粘膜活检标本342例,胃切除标本20例(包括萎缩性胃炎、胃溃疡、胃癌),常规石蜡切片、HE染色,光镜下观察。
, 百拇医药
2 结 果
2.1胃镜活检胃粘膜切片
342例中有114例
可见部分胃腺腔内有粘液和上皮细胞组成的内涵物,根据其组成情况的不同,将其分为以下几种形态表现。
2.1.1 形成规则的套管。由单列上皮细胞组成,呈整齐的环状排列。此种套管的大多数,其上皮细胞极性同它们所在的主腺体上皮细胞是一致的(图1),只有少数套管的细胞与主腺体上皮相对而立(图2)。
图1 规则的套管,单列细胞整齐排列成
环状,极性与主腺体上皮一致(×400)
, 百拇医药
图2 规则的套管,套管上皮细胞与主腺体上皮
相对而立,无纤维血管轴心(×400)
2.1.2 形成不规则的套管。上皮细胞排列不规则,可单层或多层,细胞极性也不尽相同(图3)。
图3 不规则的套管,上皮细胞排列不规则,无纤维血管轴心(×400)
以上两型套管内均空虚无物,或仅有少许粘液。注意到上皮细胞与主腺体上皮相向而立的套管中心并不存在纤维血管轴心。
2.1.3 无定形内涵物。在若干胃腺腔内可见到凌乱无序的粘液和数量不定的上皮细胞(图4)。
, http://www.100md.com
图4 无定型内涵物,细胞凌乱无序,不形成环状(×400)
2.2 胃切除标本20例共切片65张,均未见上述胃镜活检标本中所见胃腺体的套管现象,甚至连无定型内涵物也难以找到。但在腺体增生区域可见具有纤维血管轴心的乳头状结构(图5)。
图5 胃癌切除标本,癌旁粘膜腺内有带纤维血管
轴心的乳头(×400)
3 讨 论
有报道认为胃腺内套管样结构与腺上皮增生有关,而且与腺上皮的生芽和乳头状结构有过渡形态[1]。若如此,那么套管样结构便应具备以下特点:①套管上皮细胞与主腺管上皮细胞形态完全一致;②套管上皮细胞应与主腺管上皮细胞相向而立,即“顶端对顶端”;③套管中心应具有纤维血管轴心,也就是说套管实际上是主腺体上皮的“芽”或“乳头状结构”的断面。本文所看到的套管样结构,与以上三点均不相符,表现为:①组成套管的上皮细胞与主腺管上皮细胞有不一致的情况,有的呈现胞核固缩,有的细胞核成了细长条形互相挤叠。②组成套管的上皮细胞与主腺管上皮的极性多数是一致的,只有少数为“顶端对顶端”。③套管中心空虚或偶有粘液,并无纤维血管轴心。这就说明套管样结构并非“生芽”或“乳头状”结构的断面。
, http://www.100md.com
再则如果套管样结构为增生所致,则在胃切除标本的切片中,位于腺体增生区域也应看到套管现象,但在笔者所观察的20例中未见到一例。在腺体增生区域可见到具有绒毛状突起的囊性腺体,其中偶尔出现游离于腺腔的、具有纤维血管轴心的乳头断面,但绝然不同于胃镜活检标本中所见到的套管样结构。极少数腺腔内可见到一些上皮细胞,但多排列无序,且胞核固缩,胞浆较所在腺体的上皮细胞红染。
综上所述,笔者认为本文胃镜活检切片中所看到的套管样结构实际上是游离存在于胃腺腔内的脱落细胞,其中排列有序的就成了“套管”。可以设想,上皮细胞的这种脱落,可能是胃镜活检夹取粘膜时的机械性作用所致,与增生无关,故在胃切除标本中不出现,而胃镜取材时,由于部分腺上皮受到挫伤、挤压、可导致腺上皮细胞单个、成条或成片脱落。细胞可无明显退变,与主腺体上皮形态基本上相同,仅有不同程度的受挤压变形表现。脱落的上皮细胞可因粘液的吸附或张力作用而形成管状排列,在切片上即成为“规则的套管样结构”或“不规则的套管样结构”,而有些便形成“无定形内涵物”。
, 百拇医药
参考文献
1 王仰坤,马乃绪.胃腺套管的病理形态及免疫组织化学观察.诊断病理学杂志,1995;2(1):26
2 Muragama H,Kikuchi M,Enijoi M,et al.Changes in gastric mucosa that antedate gastric carcinoma.Cancer,1990;66:2017
3 Ming SC.Gastric dysplasia:significance and pathologic criteria.Cancer,1984;54:1794
(1999-05-25收稿), 百拇医药