模拟失重大鼠不同部位动脉血管壁超微结构的变化*
作者:毛秦雯 张立藩 张乐宁 马进
单位:第四军医大学航空生理学教研室,西安 710032
关键词:模拟失重;动脉;超微结构;重塑;大鼠
航天医学与医学工程990404摘要:目的 研究模拟失重下身体不同部位动脉血管壁结构重塑变化的性质及其可逆性。方法 用透射电镜观察尾部悬吊4 wk(SUS-4)、悬吊4 wk后恢复1 wk(REC-1)、及对照(CON)大鼠后肢和头颈部动脉血管壁的超微结构改变。结果 后肢的动脉血管(如股动脉及胫前动脉)的改变是:SUS-4组平滑肌层数减少、平滑肌细胞内肌丝减少,间质胶原增多;REC-1组内弹力层增厚,平滑肌细胞内肌丝增加,内皮下出现合成表型的新生平滑肌细胞,间质量减少;头颈部的动脉血管(如颈总动脉及基底动脉)的变化:平滑肌细胞层数增加,细胞增生,由收缩表型向合成表型转化,以及平滑肌细胞迁移等;REC-1组上述改变有部分恢复。结论 对飞行后立位耐力降低的外周效应器机制假说提出了新的实验证据。
, 百拇医药
中图分类号:852.22 文献标识码:A 文章编号:1002-0837(1999)04-0249-05
Ultrastructural Changes of Arterial Wall from Different Body Parts of Rats during Simulated Weightlessness
MAO Qin-wen,ZHANG Li-fan,ZHANG Le-ning,MA Jin
Abstract:Objective To test the nature of remodeling of arteries in different body parts in adapting to local hemodynamic changes induced by tail-suspension. Method Ultrastructural changes of hindlimb and cerebral arteries from 4-wk tail-suspended (SUS-4),1-wk recovered (REC-1),and control (CON) rats were studied by transmission electron microscopy.Result For the hindquarter arteries,like the femoral artery and anterior tibial artery,there were fewer smooth muscle layers ,less myofilaments in the smooth muscle cell (SMC),and more intercellular substance in SUS-4 group than in CON group.After 1-wk recovery,the internal elastic lamina of the arteries thickened,the amount of myofilaments in SMC increased,the content of intercellular substance restored,and neoformative SMCs emerged under the endothelium. With respect to arteries in the neck region and the brain,like the common carotid artery and basilar artery,SMCs of contractile phenotype were converted to that of synthetic phenotype,and migration and hyperplasia of SMCs also happened.After 1-wk recovery all these alterations were somewhat restored. Conclusion It provided further evidence that peripheral effector mechanism might play an important role in the genesis of postflight orthostatic intolerance.
, 百拇医药
Key words:simulated weightlessness;artery;ultrastructure;remodeling;rat
Address reprint requests to:MAO Qin-wen.Department of Aerospace Physiology,The Fourth Military Medical University,Xi'an 710032,China
航天后立位耐力降低的机理至今仍不甚清楚。60年代以来,一贯注重从体液与血容量调节、下肢静脉系统顺应性、心脏功能状态、以及心血管调节功能的改变等进行研究。但除血容量降低这一公认的原因外,仍不能确定其他一些发现的具体意义[1,2]。90年代以来,空间实验室、和平号空间站的生命科学观察以及地面模拟研究[3~5]均提示,动脉血管机制的重要性不容忽视。近年还提出了“脑血管晕厥始动机制”假说来解释飞行后的立位耐力不良[1,2]。
, 百拇医药
本实验室近年发现:模拟失重下,大鼠不同解剖部位动脉血管可发生截然相反的结构与功能变化。在身体后部,可引起动脉管径与中膜面积均减小的萎缩性结构重塑以及收缩反应性降低;在身体前部,反而引起管径与中膜面积增大及反应性增强[6,7]。上述真实/模拟失重下人体研究的最新发现即可由此作出合理解释。我们推想,失重下人体动脉血管也可能发生类似的适应性改变,并可能是造成飞行后立位耐力不良的重要机理之一[6,7]。 但我们先前的形态学工作还只限于采用van Gieson-Orcein 染色法的光镜观察[8]。根据近年动脉血管结构研究的进展[9,10],还应进一步研究对模拟失重大鼠不同部位动脉血管结构重塑变化的细节与性质。如身体前部的动脉是否同时发生平滑肌细胞的肥大与增生?何者为主要?在此过程是否也出现平滑肌细胞表型的转化?为此,本实验利用透射电镜技术观察了尾部悬吊4 wk(SUS-4)及恢复1 wk(REC-1)大鼠后肢中等大小动脉(如股动脉、胫前动脉),以及身体前部的大、中动脉(如颈总动脉、基底动脉)超微结构的变化,并与对照组进行了比较。
, 百拇医药
方 法
动物 选取雄性SD大鼠18只,鼠龄14 wk,体重273±22 g。动物被随机分为三组(每组n=6),即模拟失重4 wk组(SUS-4),模拟失重4 wk后、恢复1 wk组(REC-1)与同步对照组(CON)。参照陈杰等[11]的方法,以尾部悬吊大鼠模型模拟失重影响。CON组有3只动物的取材与SUS-4组同时进行,其余3只则与REC-1组同时取材。
电镜标本制备 腹腔内注射戊巴比妥钠(45 mg/kg)将动物麻醉后,经主动脉插管行灌注固定。在3.4 kPa下,先用Krebs平衡液(含硝普钠10 μg/ml,37℃)以1 ml.min-1.(100 g)-1(体重)的流量灌流15 min。而后在相同压力下以固定液(含4%多聚甲醛及0.5%戊二醛)250 ml灌注固定[12]。立即剪取左侧股动脉、胫前动脉、颈总动脉及脑基底动脉各0.5 cm。股动脉和胫前动脉分别以腹股沟韧带和动脉向胫前动脉分支处作为标志点向远心端取材。颈总动脉以颈内、颈外动脉分支处为标志点向近心端剪取。基底动脉则以两侧椎动脉交汇处为标志点向远心端剪取。标本置入相同固定液中进行后固定,过夜。经磷酸缓冲液漂洗后,再用1%锇酸+0.8% K3Fe(CN)6进行后固定30 min。磷酸缓冲液清洗,行丙酮梯度脱水。用Epon 812包埋,60℃聚合24 h。先制作半薄横向切片,用光学显微镜观察、定位。再制作70~80 nm超薄切片,并将其置于有支持膜的铜网上。以5%水性醋酸铀染10 min,枸橼酸铅染 5 min。用JEM-2000EX型透射电镜(JEOL LTD,日本)观察及拍照。
, 百拇医药
结 果
后肢中等大小动脉血管壁横切面超微结构的变化
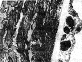
对照组(CON组) 股动脉及胫前动脉均为中等大小动脉。其内皮细胞有较多囊泡,线粒体偶见,粗面内质网、高尔基氏体少见。内皮下可见有明显的内弹力层。中膜较厚,主要由平滑肌细胞组成,间有少量厚薄均匀的细胞间质,内含胶原纤维及少量弹性纤维。股动脉中膜的平滑肌细胞基本为7层,而胫前动脉则基本为4层。在横切面,平滑肌细胞多呈梭形,但接近内膜处又近似圆形,而近外膜侧则呈长梭状。本组的平滑肌细胞皆属收缩表型:细胞内充满大量平行排列的肌丝束,其间有许多排布整齐的密区。还可见有散在分布的线粒体,高尔基氏体、粗面内质网少见(图1)。
图1 对照大鼠股动脉血管壁横切面超微结构照片
平滑肌细胞(★)呈梭形,之间是薄层间质,(●)为内弹力层,(▲)为内皮细胞,×2500×0.8
, 百拇医药
Fig.1 Electron micrograph of cross section of the wall of femoral artery from a simultaneous control rat
The spindle-shaped smooth muscle cells (★) were separated by scanty intercellular matrix.The micrograph shows the internal elastic lamina(●)and the endothelial cell (▲),×2500×0.8
模拟失重4 wk组(SUS-4组) 与对照组相比,内皮细胞的细胞器有减少趋势。中膜变薄。股动脉中膜的平滑肌细胞减少到6层。平滑肌细胞电子密度降低,肌丝稀疏。细胞间质的胶原纤维增多,靠近外膜一侧者为甚。胫前动脉的变化趋势与股动脉基本一致(图2)。
, 百拇医药
图2 模拟失重4 wk大鼠股动脉血管壁横切面超微结构照片
中膜变薄,平滑肌细胞(★)层数减少,细胞之间的间质(◆)增多,(●)为内弹力层,(▲)为内皮细胞,×2500×0.8
Fig.2 Electron micrograph of cross section of the wall of femoral artery from a 4-wk tail-suspended rat
The thin media,reduced number of layers of smooth muscle cells (★)and increased amount of intercellular substance(◆).The micrograph shows the internal elastic lamina(●)and the endothelia cell (▲),×2500×0.8
, http://www.100md.com
模拟失重4 wk后、恢复1 wk组(REC-1组) 与对照组相比,内皮细胞内细胞器数量呈增多趋势,可见有粗面内质网、高尔基氏体及较多的线粒体。内皮下出现属于合成表型的新生平滑肌细胞:圆形,体积较小,内有较多的粗面内质网、高尔基氏体和线粒体。内弹力层增厚,平滑肌细胞致密,细胞膜电子密度增加。细胞排列紧密,细胞间质减少(图3)。
图3 模拟失重4 wk后、恢复1 wk大鼠股动脉血管壁横切面超微结构照片
内皮下出现新生的平滑肌细胞(★),细胞排列紧密,细胞间质(◆)恢复,×2500×0.8
Fig.3 Electron micrograph of cross section of the femoral arterial wall from a 1-wk recovered rat
, 百拇医药
The neoformative smooth muscle cells (★) emerged under the endothelium.The content of intercellular substance(◆)was restored,×2500×0.8
头颈部大、中动脉血管壁横切面超微结构的变化
对照组(CON组) 颈总动脉具有典型的大动脉结构特点:中膜由4层弹力层及其间的3层平滑肌组成。平滑肌细胞呈梭形,皆属收缩表型。与对照组股动脉相比,平滑肌细胞内密区较少,且肌丝粗大疏松。基底动脉为中等肌性动脉。其壁较薄,管腔偏大,壁厚/内径比值较一般肌性动脉为小。内弹力层较厚。中膜基本为6层平滑肌细胞,皆属收缩表型(图4)。
图4 对照组大鼠颈总动脉血管壁横切面超微结构照片
, http://www.100md.com
中膜有数层弹力层(■)及分布在其间的梭形的平滑肌细胞(★),平滑肌细胞层间有数层较厚且均匀的弹力膜。(●)为内弹力层,(▲)为内皮细胞,×2500×0.8
Fig.4 Electron micrograph of cross section of the wall of common carotid artery from a simultaneous control rat
There were several layers of elastic lamina(■)in the media with spindle-shaped smooth muscle cells (★) distributed between them.The micrograph shows the internal elastic lamina(●)and the endothelia cell (▲),×2500×0.8
, 百拇医药
模拟失重4 wk组(SUS-4组) 与对照组相比,在颈总动脉与基底动脉均可见到以下改变。平滑肌细胞多由梭形转变为多角形或不规则形,其细胞突起周围则见有较多新分泌形成的胶原蛋白或/和弹性蛋白。细胞间质增多。在靠近内膜一侧,可见部分平滑肌细胞由收缩表型转化为合成表型。其主要表现是:胞质内除肌丝外,尚有较多的粗面内质网、高尔基氏体和线粒体。在近内弹力层处,还可见有平滑肌细胞向内皮下层迁移的现象:中膜平滑肌细胞伸出较长的突起,穿越附近的平滑肌细胞及内弹力层而到达内皮下层。此外,还可见内皮下层局部增厚,有大量疏松的细胞间质,其内可见有体积较小、呈圆形的合成表型平滑肌细胞;并见原内弹力层变薄,而在内皮下层又形成新的内弹力层,那些迁移来的平滑肌细胞渐变为梭形,而处于部分合成表型状态。最后,在这两种动脉管壁均见出现平滑肌细胞增生现象。如基底动脉中膜的平滑肌细胞层数已增加到基本为7层,且细胞排列不够整齐。收缩表型平滑肌细胞内还可见密区深染。在两种动脉皆未见细胞肥大现象(图5)。
, http://www.100md.com
图5 模拟失重4 wk大鼠颈总动脉血管壁横切面超微结构照片
中膜平滑肌细胞(★)已由梭形转变为多角形或不规则形。细胞突起周围可见有较多的由其所分泌的胶原蛋白(
)或弹性蛋白(
)。细胞间质(◆)增厚、增多,(●)为内弹力层,(▲)为内皮细胞,×2500×0.8
Fig.5 Electron micrograph of cross section of the wall of common carotid artery from a 4-wk tail-suspended rat
The spindle-shaped smooth muscle cells(★)changed to irregular ones.Around the processes of cells there was collagen(
) or elastin(
).The content of intercellular substance(◆)got thickened and more.The micrograph shows the internal elastic lamina(●)and the endothelial cell (▲),×2500×0.8
, 百拇医药
模拟失重4 wk后、恢复1 wk组(REC-1组) 与对照组相比,中膜平滑肌层仍较厚;细胞突起较SUS-4组减少,细胞排列较SUS-4组整齐。在内皮下层仍可见到一些处于部分合成表型的平滑肌细胞(图6)。
图6 模拟失重4 wk后、恢复1 wk大鼠颈总动脉血管壁横切面超微结构照片
细胞突起较SUS-4组减少,细胞排列较SUS-4组整齐,×2500×0.8
Fig.6 Electron micrograph of cross section of the wall of common carotid artery from a 1-wk recovered rat
The number of processes of smooth muscle cells were reduced as compared with that of the 4-wk tail-suspended rat,×2500×0.8
, 百拇医药
讨 论
模拟失重可引起大鼠身体前、后部位动脉血管发生不同方向的结构重塑变化。后肢的动脉血管,如股动脉及胫前动脉,模拟失重4 wk后可见中膜平滑肌层数减少、 平滑肌细胞内肌丝减少及间质胶原增多;恢复1 wk后则出现内弹力层增厚,平滑肌细胞内肌丝增加,内皮下出现属于合成表型的新生平滑肌细胞,间质减少。然而,颈部与脑的动脉血管,如颈总动脉与基底动脉,则表现相反的变化:模拟失重4 wk后可见有中膜平滑肌细胞层数增加、平滑肌细胞增生、迁移、出现合成型细胞等;恢复1 wk后则见上述改变有部分恢复。
血管形态及其超微结构观察的可靠性有赖于血管活体形态保存的状况。而后者又与标本制备过程中的四个因素有关,即固定方法、固定时血管的舒缩状态、取材位置及标本制备方法对细胞体积的影响。Lee曾对此进行过详细研究。我们严格按照他所推荐的血管标本制备方法[12],故所得结果应是可信的。
, 百拇医药 本工作也是前一工作[8]的继续和深入。我们用 van Gieson-Orcein 法染色,在光镜下已观察到:模拟失重4 wk可引起股动脉的内径及中膜面积分别减小7%及8%;恢复1 wk后,仅有部分恢复。胫前动脉的变化程度则更加显著[8]。而本工作电镜观察则不仅见到中膜平滑肌细胞层次减少,还可见平滑肌细胞内肌丝的数量有减少趋势。本实验室同步进行的功能实验已证明模拟失重可使大鼠后身动脉血管环的收缩反应性普遍降低[13],并推想其第一位的原因可能即在于收缩物质减少。上述电镜观察结果似已对此提出了更加直接的证据。在前一工作[8]还观察到:模拟失重4 wk可引起颈总动脉的内径及中膜面积分别增大9%与12%;恢复1 wk后,仅有部分恢复。基底动脉的变化程度则更加显著[8]。而本研究则进一步提示,颈部与脑部动脉血管的中膜肥厚似主要是由于平滑肌细胞增生所造成。这也与自发性高血压大鼠肠系膜阻力性动脉血管平滑肌质量增多主要由于细胞增生的结论一致[9]。结合本实验室关于模拟失重大鼠基底动脉收缩反应性普遍增强[14]的结果,我们已从脑血管结构与功能两个方面的变化提出了支持“脑血管晕厥始动机制”假说[1]的有力证据。
, 百拇医药
近来的研究结果表明,血管平滑肌细胞在机体不同发育阶段,或不同生理、病理状态下,存在两种不同的形态——收缩表型与合成表型[15]。在胚胎发育期,由具有多潜能分化能力的间充质细胞演变的平滑肌细胞呈合成表型,代表细胞旺盛生长状态。随着机体发育成熟,平滑肌细胞逐渐转化为收缩表型,成为执行收缩功能的高分化细胞。但当平滑肌细胞所处环境发生改变时,收缩表型平滑肌细胞又可转变为合成表型,其合成与分泌功能重新活跃。如某些体循环、肺循环的血管发生病变时,血管平滑肌细胞即可发生表型转化,从收缩表型向合成表型转变。此时,细胞总RNA增多,蛋白质合成及细胞增殖明显增加。胶原、弹力蛋白和蛋白聚糖等细胞外基质的合成与分泌增强。低氧性肺动脉高压下即可见血管平滑肌细胞由收缩表型转化为合成表型[1]。
本工作证明,模拟失重也可引起基底动脉管壁平滑肌细胞发生表型转化,并见平滑肌细胞向内皮下层迁移。这可能是头颈部血管高跨壁压作用所引起。在模拟失重4 wk、恢复1 wk组,在后肢动脉亦可见内皮下有合成表型平滑肌细胞出现。这可能与恢复时后肢动脉血管跨壁压力再度升高有关。此外,发生在内皮下的血管平滑肌细胞增生与动脉粥样硬化的早期改变有类似之处,提示在长期失重下脑部动脉血管在适应高跨壁压力的同时也可能发生血管损伤。最后还应指出,为进一步阐明模拟失重下局部血液动力学改变与血管重塑的关系,还应定量描述各细胞及间质成分的重塑变化过程。
, http://www.100md.com
*基金项目:国家自然科学基金(39380021)
参考文献
[1]张立藩.微重力心血管生理研究的回顾与展望[J].航天医学与医学工程,1998,11(5):378~387
[2]Watenpaugh DE,AR Hargens.The cardiovascular system in microgravity[M].In: Fregly MJ and CM Blattis,eds.Handbook of Physiology: Environmental Physiology.New York:Oxford University Press,1996:631~674
[3]Buckey JC,Lane LD,Levine BD et al.Orthostatic intolerance after spaceflight[C].16th Annual International Gravitational Physiology Meeting,Reno,USA,1995,Program and Abstract,Abstract 14
, 百拇医药
[4]Arbeille Ph,Fomina G,Pottier JM et al.Influence if the thigh cuffs countermeasure on the cardiovascular adaptation to 0 G (14 and 21 day Mir spaceflights)[J].J Gravit Physiol,1995,2(1):9~10
[5]Hargens AR.Recent bed rest results and countermeasure development at NASA[J].Acta Physiol Scand,1994,150:103~144
[6]ZHANG Li-fan,MAO Qin-wen,MA Jin.Effects of simulated weightlessness on arterial vasculature-an experimental study on vascular deconditioning[J].J Gravit Physiol,1996,3(2):5~8
, 百拇医药
[7]ZHANG Li-Fan,MA Jin,MAO Qin-wen,YU Zhi-bin.Plasticity of arterial vasculature during simulated weightlessness and its possible role in the genesis of postflight orthostatic intolerance[J].J Gravit Physiol,1997,4(2):97~100
[8]毛秦雯,张立藩,马 进.尾部悬吊大鼠不同部位动脉血管的分化性结构重塑变化及其可逆性[J].航天医学与医学工程,1999,12(3):177~180
[9]Mulvany MJ.The development and regression of vascular hypertrophy[J].J Cardiovasc Pharmacol,1992,19(Suppl 2): S22~S27
, 百拇医药
[10]宋 为,蔡英年,邓希贤,龚伊红,董继红. 缺氧时肺腺泡内动脉中膜平滑肌细胞表型变化[J].中国医学科学院学报,1994,16: 255~258
[11]陈 杰,马 进,丁兆平,张立藩.一种模拟失重影响的大鼠尾部悬吊模型[J].空间科学学报,1993,13(2):159~162
[12]Lee RMKW.Preservation of in vivo morphology of blood vessels for morphometric studies[J].Scanning Microscopy,1987,1(3):1287~1293
[13]Ma Jin,Zhang Li-fan,and Yu Zhi-bin.Effects of 14-day tail suspension on vasoreactivity of arteries from different parts of the body in rats[J].J Gravit Physiol,1996,3(2): 9~10
[14]张乐宁,马 进,张立藩.模拟失重可引起大鼠基底动脉收缩反应性增强[J].航天医学与医学工程,1999,12(1):10~13
[15]宋 为.血管平滑肌[M].见:韩启德,文允镒主编.血管生物学.北京:北京医科大学中国协和医科大学联合出版社,1997:6~15
收稿日期:1998-08-31, http://www.100md.com
单位:第四军医大学航空生理学教研室,西安 710032
关键词:模拟失重;动脉;超微结构;重塑;大鼠
航天医学与医学工程990404摘要:目的 研究模拟失重下身体不同部位动脉血管壁结构重塑变化的性质及其可逆性。方法 用透射电镜观察尾部悬吊4 wk(SUS-4)、悬吊4 wk后恢复1 wk(REC-1)、及对照(CON)大鼠后肢和头颈部动脉血管壁的超微结构改变。结果 后肢的动脉血管(如股动脉及胫前动脉)的改变是:SUS-4组平滑肌层数减少、平滑肌细胞内肌丝减少,间质胶原增多;REC-1组内弹力层增厚,平滑肌细胞内肌丝增加,内皮下出现合成表型的新生平滑肌细胞,间质量减少;头颈部的动脉血管(如颈总动脉及基底动脉)的变化:平滑肌细胞层数增加,细胞增生,由收缩表型向合成表型转化,以及平滑肌细胞迁移等;REC-1组上述改变有部分恢复。结论 对飞行后立位耐力降低的外周效应器机制假说提出了新的实验证据。
, 百拇医药
中图分类号:852.22 文献标识码:A 文章编号:1002-0837(1999)04-0249-05
Ultrastructural Changes of Arterial Wall from Different Body Parts of Rats during Simulated Weightlessness
MAO Qin-wen,ZHANG Li-fan,ZHANG Le-ning,MA Jin
Abstract:Objective To test the nature of remodeling of arteries in different body parts in adapting to local hemodynamic changes induced by tail-suspension. Method Ultrastructural changes of hindlimb and cerebral arteries from 4-wk tail-suspended (SUS-4),1-wk recovered (REC-1),and control (CON) rats were studied by transmission electron microscopy.Result For the hindquarter arteries,like the femoral artery and anterior tibial artery,there were fewer smooth muscle layers ,less myofilaments in the smooth muscle cell (SMC),and more intercellular substance in SUS-4 group than in CON group.After 1-wk recovery,the internal elastic lamina of the arteries thickened,the amount of myofilaments in SMC increased,the content of intercellular substance restored,and neoformative SMCs emerged under the endothelium. With respect to arteries in the neck region and the brain,like the common carotid artery and basilar artery,SMCs of contractile phenotype were converted to that of synthetic phenotype,and migration and hyperplasia of SMCs also happened.After 1-wk recovery all these alterations were somewhat restored. Conclusion It provided further evidence that peripheral effector mechanism might play an important role in the genesis of postflight orthostatic intolerance.
, 百拇医药
Key words:simulated weightlessness;artery;ultrastructure;remodeling;rat
Address reprint requests to:MAO Qin-wen.Department of Aerospace Physiology,The Fourth Military Medical University,Xi'an 710032,China
航天后立位耐力降低的机理至今仍不甚清楚。60年代以来,一贯注重从体液与血容量调节、下肢静脉系统顺应性、心脏功能状态、以及心血管调节功能的改变等进行研究。但除血容量降低这一公认的原因外,仍不能确定其他一些发现的具体意义[1,2]。90年代以来,空间实验室、和平号空间站的生命科学观察以及地面模拟研究[3~5]均提示,动脉血管机制的重要性不容忽视。近年还提出了“脑血管晕厥始动机制”假说来解释飞行后的立位耐力不良[1,2]。
, 百拇医药
本实验室近年发现:模拟失重下,大鼠不同解剖部位动脉血管可发生截然相反的结构与功能变化。在身体后部,可引起动脉管径与中膜面积均减小的萎缩性结构重塑以及收缩反应性降低;在身体前部,反而引起管径与中膜面积增大及反应性增强[6,7]。上述真实/模拟失重下人体研究的最新发现即可由此作出合理解释。我们推想,失重下人体动脉血管也可能发生类似的适应性改变,并可能是造成飞行后立位耐力不良的重要机理之一[6,7]。 但我们先前的形态学工作还只限于采用van Gieson-Orcein 染色法的光镜观察[8]。根据近年动脉血管结构研究的进展[9,10],还应进一步研究对模拟失重大鼠不同部位动脉血管结构重塑变化的细节与性质。如身体前部的动脉是否同时发生平滑肌细胞的肥大与增生?何者为主要?在此过程是否也出现平滑肌细胞表型的转化?为此,本实验利用透射电镜技术观察了尾部悬吊4 wk(SUS-4)及恢复1 wk(REC-1)大鼠后肢中等大小动脉(如股动脉、胫前动脉),以及身体前部的大、中动脉(如颈总动脉、基底动脉)超微结构的变化,并与对照组进行了比较。
, 百拇医药
方 法
动物 选取雄性SD大鼠18只,鼠龄14 wk,体重273±22 g。动物被随机分为三组(每组n=6),即模拟失重4 wk组(SUS-4),模拟失重4 wk后、恢复1 wk组(REC-1)与同步对照组(CON)。参照陈杰等[11]的方法,以尾部悬吊大鼠模型模拟失重影响。CON组有3只动物的取材与SUS-4组同时进行,其余3只则与REC-1组同时取材。
电镜标本制备 腹腔内注射戊巴比妥钠(45 mg/kg)将动物麻醉后,经主动脉插管行灌注固定。在3.4 kPa下,先用Krebs平衡液(含硝普钠10 μg/ml,37℃)以1 ml.min-1.(100 g)-1(体重)的流量灌流15 min。而后在相同压力下以固定液(含4%多聚甲醛及0.5%戊二醛)250 ml灌注固定[12]。立即剪取左侧股动脉、胫前动脉、颈总动脉及脑基底动脉各0.5 cm。股动脉和胫前动脉分别以腹股沟韧带和动脉向胫前动脉分支处作为标志点向远心端取材。颈总动脉以颈内、颈外动脉分支处为标志点向近心端剪取。基底动脉则以两侧椎动脉交汇处为标志点向远心端剪取。标本置入相同固定液中进行后固定,过夜。经磷酸缓冲液漂洗后,再用1%锇酸+0.8% K3Fe(CN)6进行后固定30 min。磷酸缓冲液清洗,行丙酮梯度脱水。用Epon 812包埋,60℃聚合24 h。先制作半薄横向切片,用光学显微镜观察、定位。再制作70~80 nm超薄切片,并将其置于有支持膜的铜网上。以5%水性醋酸铀染10 min,枸橼酸铅染 5 min。用JEM-2000EX型透射电镜(JEOL LTD,日本)观察及拍照。
, 百拇医药
结 果
后肢中等大小动脉血管壁横切面超微结构的变化
对照组(CON组) 股动脉及胫前动脉均为中等大小动脉。其内皮细胞有较多囊泡,线粒体偶见,粗面内质网、高尔基氏体少见。内皮下可见有明显的内弹力层。中膜较厚,主要由平滑肌细胞组成,间有少量厚薄均匀的细胞间质,内含胶原纤维及少量弹性纤维。股动脉中膜的平滑肌细胞基本为7层,而胫前动脉则基本为4层。在横切面,平滑肌细胞多呈梭形,但接近内膜处又近似圆形,而近外膜侧则呈长梭状。本组的平滑肌细胞皆属收缩表型:细胞内充满大量平行排列的肌丝束,其间有许多排布整齐的密区。还可见有散在分布的线粒体,高尔基氏体、粗面内质网少见(图1)。
图1 对照大鼠股动脉血管壁横切面超微结构照片
平滑肌细胞(★)呈梭形,之间是薄层间质,(●)为内弹力层,(▲)为内皮细胞,×2500×0.8
, 百拇医药
Fig.1 Electron micrograph of cross section of the wall of femoral artery from a simultaneous control rat
The spindle-shaped smooth muscle cells (★) were separated by scanty intercellular matrix.The micrograph shows the internal elastic lamina(●)and the endothelial cell (▲),×2500×0.8
模拟失重4 wk组(SUS-4组) 与对照组相比,内皮细胞的细胞器有减少趋势。中膜变薄。股动脉中膜的平滑肌细胞减少到6层。平滑肌细胞电子密度降低,肌丝稀疏。细胞间质的胶原纤维增多,靠近外膜一侧者为甚。胫前动脉的变化趋势与股动脉基本一致(图2)。
, 百拇医药
图2 模拟失重4 wk大鼠股动脉血管壁横切面超微结构照片
中膜变薄,平滑肌细胞(★)层数减少,细胞之间的间质(◆)增多,(●)为内弹力层,(▲)为内皮细胞,×2500×0.8
Fig.2 Electron micrograph of cross section of the wall of femoral artery from a 4-wk tail-suspended rat
The thin media,reduced number of layers of smooth muscle cells (★)and increased amount of intercellular substance(◆).The micrograph shows the internal elastic lamina(●)and the endothelia cell (▲),×2500×0.8
, http://www.100md.com
模拟失重4 wk后、恢复1 wk组(REC-1组) 与对照组相比,内皮细胞内细胞器数量呈增多趋势,可见有粗面内质网、高尔基氏体及较多的线粒体。内皮下出现属于合成表型的新生平滑肌细胞:圆形,体积较小,内有较多的粗面内质网、高尔基氏体和线粒体。内弹力层增厚,平滑肌细胞致密,细胞膜电子密度增加。细胞排列紧密,细胞间质减少(图3)。
图3 模拟失重4 wk后、恢复1 wk大鼠股动脉血管壁横切面超微结构照片
内皮下出现新生的平滑肌细胞(★),细胞排列紧密,细胞间质(◆)恢复,×2500×0.8
Fig.3 Electron micrograph of cross section of the femoral arterial wall from a 1-wk recovered rat
, 百拇医药
The neoformative smooth muscle cells (★) emerged under the endothelium.The content of intercellular substance(◆)was restored,×2500×0.8
头颈部大、中动脉血管壁横切面超微结构的变化
对照组(CON组) 颈总动脉具有典型的大动脉结构特点:中膜由4层弹力层及其间的3层平滑肌组成。平滑肌细胞呈梭形,皆属收缩表型。与对照组股动脉相比,平滑肌细胞内密区较少,且肌丝粗大疏松。基底动脉为中等肌性动脉。其壁较薄,管腔偏大,壁厚/内径比值较一般肌性动脉为小。内弹力层较厚。中膜基本为6层平滑肌细胞,皆属收缩表型(图4)。
图4 对照组大鼠颈总动脉血管壁横切面超微结构照片
, http://www.100md.com
中膜有数层弹力层(■)及分布在其间的梭形的平滑肌细胞(★),平滑肌细胞层间有数层较厚且均匀的弹力膜。(●)为内弹力层,(▲)为内皮细胞,×2500×0.8
Fig.4 Electron micrograph of cross section of the wall of common carotid artery from a simultaneous control rat
There were several layers of elastic lamina(■)in the media with spindle-shaped smooth muscle cells (★) distributed between them.The micrograph shows the internal elastic lamina(●)and the endothelia cell (▲),×2500×0.8
, 百拇医药
模拟失重4 wk组(SUS-4组) 与对照组相比,在颈总动脉与基底动脉均可见到以下改变。平滑肌细胞多由梭形转变为多角形或不规则形,其细胞突起周围则见有较多新分泌形成的胶原蛋白或/和弹性蛋白。细胞间质增多。在靠近内膜一侧,可见部分平滑肌细胞由收缩表型转化为合成表型。其主要表现是:胞质内除肌丝外,尚有较多的粗面内质网、高尔基氏体和线粒体。在近内弹力层处,还可见有平滑肌细胞向内皮下层迁移的现象:中膜平滑肌细胞伸出较长的突起,穿越附近的平滑肌细胞及内弹力层而到达内皮下层。此外,还可见内皮下层局部增厚,有大量疏松的细胞间质,其内可见有体积较小、呈圆形的合成表型平滑肌细胞;并见原内弹力层变薄,而在内皮下层又形成新的内弹力层,那些迁移来的平滑肌细胞渐变为梭形,而处于部分合成表型状态。最后,在这两种动脉管壁均见出现平滑肌细胞增生现象。如基底动脉中膜的平滑肌细胞层数已增加到基本为7层,且细胞排列不够整齐。收缩表型平滑肌细胞内还可见密区深染。在两种动脉皆未见细胞肥大现象(图5)。
, http://www.100md.com
图5 模拟失重4 wk大鼠颈总动脉血管壁横切面超微结构照片
中膜平滑肌细胞(★)已由梭形转变为多角形或不规则形。细胞突起周围可见有较多的由其所分泌的胶原蛋白(
Fig.5 Electron micrograph of cross section of the wall of common carotid artery from a 4-wk tail-suspended rat
The spindle-shaped smooth muscle cells(★)changed to irregular ones.Around the processes of cells there was collagen(
, 百拇医药
模拟失重4 wk后、恢复1 wk组(REC-1组) 与对照组相比,中膜平滑肌层仍较厚;细胞突起较SUS-4组减少,细胞排列较SUS-4组整齐。在内皮下层仍可见到一些处于部分合成表型的平滑肌细胞(图6)。
图6 模拟失重4 wk后、恢复1 wk大鼠颈总动脉血管壁横切面超微结构照片
细胞突起较SUS-4组减少,细胞排列较SUS-4组整齐,×2500×0.8
Fig.6 Electron micrograph of cross section of the wall of common carotid artery from a 1-wk recovered rat
The number of processes of smooth muscle cells were reduced as compared with that of the 4-wk tail-suspended rat,×2500×0.8
, 百拇医药
讨 论
模拟失重可引起大鼠身体前、后部位动脉血管发生不同方向的结构重塑变化。后肢的动脉血管,如股动脉及胫前动脉,模拟失重4 wk后可见中膜平滑肌层数减少、 平滑肌细胞内肌丝减少及间质胶原增多;恢复1 wk后则出现内弹力层增厚,平滑肌细胞内肌丝增加,内皮下出现属于合成表型的新生平滑肌细胞,间质减少。然而,颈部与脑的动脉血管,如颈总动脉与基底动脉,则表现相反的变化:模拟失重4 wk后可见有中膜平滑肌细胞层数增加、平滑肌细胞增生、迁移、出现合成型细胞等;恢复1 wk后则见上述改变有部分恢复。
血管形态及其超微结构观察的可靠性有赖于血管活体形态保存的状况。而后者又与标本制备过程中的四个因素有关,即固定方法、固定时血管的舒缩状态、取材位置及标本制备方法对细胞体积的影响。Lee曾对此进行过详细研究。我们严格按照他所推荐的血管标本制备方法[12],故所得结果应是可信的。
, 百拇医药 本工作也是前一工作[8]的继续和深入。我们用 van Gieson-Orcein 法染色,在光镜下已观察到:模拟失重4 wk可引起股动脉的内径及中膜面积分别减小7%及8%;恢复1 wk后,仅有部分恢复。胫前动脉的变化程度则更加显著[8]。而本工作电镜观察则不仅见到中膜平滑肌细胞层次减少,还可见平滑肌细胞内肌丝的数量有减少趋势。本实验室同步进行的功能实验已证明模拟失重可使大鼠后身动脉血管环的收缩反应性普遍降低[13],并推想其第一位的原因可能即在于收缩物质减少。上述电镜观察结果似已对此提出了更加直接的证据。在前一工作[8]还观察到:模拟失重4 wk可引起颈总动脉的内径及中膜面积分别增大9%与12%;恢复1 wk后,仅有部分恢复。基底动脉的变化程度则更加显著[8]。而本研究则进一步提示,颈部与脑部动脉血管的中膜肥厚似主要是由于平滑肌细胞增生所造成。这也与自发性高血压大鼠肠系膜阻力性动脉血管平滑肌质量增多主要由于细胞增生的结论一致[9]。结合本实验室关于模拟失重大鼠基底动脉收缩反应性普遍增强[14]的结果,我们已从脑血管结构与功能两个方面的变化提出了支持“脑血管晕厥始动机制”假说[1]的有力证据。
, 百拇医药
近来的研究结果表明,血管平滑肌细胞在机体不同发育阶段,或不同生理、病理状态下,存在两种不同的形态——收缩表型与合成表型[15]。在胚胎发育期,由具有多潜能分化能力的间充质细胞演变的平滑肌细胞呈合成表型,代表细胞旺盛生长状态。随着机体发育成熟,平滑肌细胞逐渐转化为收缩表型,成为执行收缩功能的高分化细胞。但当平滑肌细胞所处环境发生改变时,收缩表型平滑肌细胞又可转变为合成表型,其合成与分泌功能重新活跃。如某些体循环、肺循环的血管发生病变时,血管平滑肌细胞即可发生表型转化,从收缩表型向合成表型转变。此时,细胞总RNA增多,蛋白质合成及细胞增殖明显增加。胶原、弹力蛋白和蛋白聚糖等细胞外基质的合成与分泌增强。低氧性肺动脉高压下即可见血管平滑肌细胞由收缩表型转化为合成表型[1]。
本工作证明,模拟失重也可引起基底动脉管壁平滑肌细胞发生表型转化,并见平滑肌细胞向内皮下层迁移。这可能是头颈部血管高跨壁压作用所引起。在模拟失重4 wk、恢复1 wk组,在后肢动脉亦可见内皮下有合成表型平滑肌细胞出现。这可能与恢复时后肢动脉血管跨壁压力再度升高有关。此外,发生在内皮下的血管平滑肌细胞增生与动脉粥样硬化的早期改变有类似之处,提示在长期失重下脑部动脉血管在适应高跨壁压力的同时也可能发生血管损伤。最后还应指出,为进一步阐明模拟失重下局部血液动力学改变与血管重塑的关系,还应定量描述各细胞及间质成分的重塑变化过程。
, http://www.100md.com
*基金项目:国家自然科学基金(39380021)
参考文献
[1]张立藩.微重力心血管生理研究的回顾与展望[J].航天医学与医学工程,1998,11(5):378~387
[2]Watenpaugh DE,AR Hargens.The cardiovascular system in microgravity[M].In: Fregly MJ and CM Blattis,eds.Handbook of Physiology: Environmental Physiology.New York:Oxford University Press,1996:631~674
[3]Buckey JC,Lane LD,Levine BD et al.Orthostatic intolerance after spaceflight[C].16th Annual International Gravitational Physiology Meeting,Reno,USA,1995,Program and Abstract,Abstract 14
, 百拇医药
[4]Arbeille Ph,Fomina G,Pottier JM et al.Influence if the thigh cuffs countermeasure on the cardiovascular adaptation to 0 G (14 and 21 day Mir spaceflights)[J].J Gravit Physiol,1995,2(1):9~10
[5]Hargens AR.Recent bed rest results and countermeasure development at NASA[J].Acta Physiol Scand,1994,150:103~144
[6]ZHANG Li-fan,MAO Qin-wen,MA Jin.Effects of simulated weightlessness on arterial vasculature-an experimental study on vascular deconditioning[J].J Gravit Physiol,1996,3(2):5~8
, 百拇医药
[7]ZHANG Li-Fan,MA Jin,MAO Qin-wen,YU Zhi-bin.Plasticity of arterial vasculature during simulated weightlessness and its possible role in the genesis of postflight orthostatic intolerance[J].J Gravit Physiol,1997,4(2):97~100
[8]毛秦雯,张立藩,马 进.尾部悬吊大鼠不同部位动脉血管的分化性结构重塑变化及其可逆性[J].航天医学与医学工程,1999,12(3):177~180
[9]Mulvany MJ.The development and regression of vascular hypertrophy[J].J Cardiovasc Pharmacol,1992,19(Suppl 2): S22~S27
, 百拇医药
[10]宋 为,蔡英年,邓希贤,龚伊红,董继红. 缺氧时肺腺泡内动脉中膜平滑肌细胞表型变化[J].中国医学科学院学报,1994,16: 255~258
[11]陈 杰,马 进,丁兆平,张立藩.一种模拟失重影响的大鼠尾部悬吊模型[J].空间科学学报,1993,13(2):159~162
[12]Lee RMKW.Preservation of in vivo morphology of blood vessels for morphometric studies[J].Scanning Microscopy,1987,1(3):1287~1293
[13]Ma Jin,Zhang Li-fan,and Yu Zhi-bin.Effects of 14-day tail suspension on vasoreactivity of arteries from different parts of the body in rats[J].J Gravit Physiol,1996,3(2): 9~10
[14]张乐宁,马 进,张立藩.模拟失重可引起大鼠基底动脉收缩反应性增强[J].航天医学与医学工程,1999,12(1):10~13
[15]宋 为.血管平滑肌[M].见:韩启德,文允镒主编.血管生物学.北京:北京医科大学中国协和医科大学联合出版社,1997:6~15
收稿日期:1998-08-31, http://www.100md.com