β-榄香烯诱导人肝癌细胞株SMMC-7721凋亡的研究
作者:徐学军 周子成 罗元辉 鲁荣 门荣甫 房殿春
单位:徐学军 周子成 罗元辉 鲁 荣 门荣甫 房殿春 第三军医大学附属西南医院消化内科 重庆,400038
关键词:榄香烯;细胞凋亡;肝细胞癌
第三军医大学学报990412
提 要 目的:探索榄香烯对体外培养人肝细胞株的作用及其机制。方法:应用MTT方法分析榄香烯对肝癌细胞株SMMC-7721生长的影响。结果:榄香烯能明显抑制肝癌细胞生长,其半数生长抑制剂量为37.4 μg/ml;流式细胞术证实榄香烯能阻滞肝癌细胞从G0/G1期进入S期,并诱发细胞凋亡;透射电镜超微结构证实榄香烯能诱发肿瘤细胞凋亡的典型形态变化;免疫组化SP法及流式细胞术定量分析榄香烯能使肝癌细胞癌基因bcl-2、c-myc表达降低,抑癌基因p53表达增强。结论:榄香烯能诱导肝癌细胞凋亡,其作用机制可能与癌基因bcl-2、c-myc表达减少、p53表达增加有关。
, 百拇医药
中图法分类号 R329.25;R979.1
Elemene-induced apoptosis of SMMC-7721 cells of human hepatocellular carcinoma
Xu Xuejun, Zhou Zicheng, Luo Yuanhui, Lu Rong, Men Rongfu, Fang Dianchun
Department of Gasenterology, Southwest Hospital, Third Military Medical University, Chongqing, 400038
Abstract Objcetive: To determine whether elemene can induce apoptosis of SMMC-7721 cells in vitro and to analyze the potential role of Bcl-2, C-myc and P53 proteins in the regulation of the cellular apoptosis. Methods: SMMC-7721 cells were determined with MTT assay. Flow cytometry (FCM) analysis was carried out to quantify cellular apoptosis and the changes of cell cycle. Expression of Bcl-2, C-myc and P53 proteins was detected with immunocytochemical technique and FCM. Results: Exposure of SMMC-7721 cells to elemene resulted in an inhibition of cell growth. The IC50 value of elemene for SMMC-7721 cells was 37.4 μg/ml. The inhibition of elemene on the proliferation of SMMC-7721 cells consisted of cell cycle arrest in the transition from G0/G1 to S phase to induce apoptosis of the cells, which was confirmed by characteristic ultrastructural changes and by apo hypodipoid DNA peak on FCM. After 24 hours of exposure to elemene, FCM revealed that bcl-2 and c-myc were significantly downregulated while p53 up-regulated. Conclusion: Elemene might exert effects on SMMC-7721 cel line of human hepatocellular carcinoma through an inhibition on cellproliferation to induce apoptosis. The mechanism might be related to the combination of down-regulation of bcl-2 and c-myc and an up-regulation of p53.
, 百拇医药
Key words elemene; apoptosis; hepatocellular carcinoma
榄香烯系我国自行开发研制的广谱抗癌二类新药,其有效成分是从中药莪术中提取的以β-榄香烯为主要成分的榄香烯类化合物,该药毒副作用小,无骨髓抑制作用,具有广泛的临床应用前景[1,2]。本研究旨在探讨榄香烯对体外培养人肝癌细胞株的作用及其机制,为临床应用提供理论依据。
1 材料和方法
1.1 药物与试剂
榄香烯乳注射液由大连金港制药有限公司提供。噻唑蓝(MTT)系华美生物公司分装。DMEM培养基系GIBCO公司产品。小牛血清为本校微生物教研室产品。Bcl-2/124单克隆抗体由英国Davidy Mason教授惠赠,C-myc单克隆抗体购自福州迈新生物公司,P53 1801克隆抗体购自中山试剂公司。
, 百拇医药
1.2 细胞
人肝癌细胞株SMMC-7721引自上海肿瘤研究所。
1.3 主要仪器
流式细胞仪FACS420(美国),透射电子显微镜(日本),全自动酶标光度计(Beckman公司)。
1.4 方法
1.4.1榄香烯的剂量反应曲线
噻唑蓝还原法(MMT法)测定[3]。
1.4.2 细胞周期时相中DNA含量、凋亡率的测定 各组细胞分别于培养后不同时间(6、12、24 h)从孵箱中取出,常规消化离心,按文献[4]方法上机检测,检测结果以组方图显示,并输入计算机作数据处理,作细胞周期分析,并根据“亚G1峰”计算凋亡百分率。
, 百拇医药
1.4.3 细胞超微结构观察 细胞样品按常规固定处理后,在透射电镜下观察超微结构的变化。
1.4.4 免疫细胞化学及流式细胞仪检测bcl-2、p53、c-myc表达。
1.4.4.1 应用链霉菌抗生物素蛋白过氧化酶连接法(SP法) 细胞以2×103孔密度接种于96孔培养基中,待细胞处于对数生长期时,加入不同处理因素,24 h后去上清,4%多聚甲醛固定30 min。按SP试剂盒操作,DAB显色,自来水冲洗,甘油-PBS封固。一抗分别为bcl-2、c-myc、p53,阴性对照-抗用PBS代替。
1.4.4.2 FCM定量检测 按文献[4]方法检测,以荧光指数(FI)表示bcl-2、c-myc、p53表达的相对含量。
2 结果
, http://www.100md.com 2.1 榄香烯对肝癌细胞生长的抑制作用
榄香烯对SMMC-7721细胞的作用具有时间、剂量依赖关系,它明显抑制细胞生长,对SMMC-7721细胞的IC50值为37.4 μg/ml。
2.2 榄香烯对SMMC-7721细胞周期及凋亡率的影响,见表1
表1 榄香烯对SMMC-7721细胞周期的影响(%)
Tab 1 Effect of elemene on cell cycle of SMMC-7721 cells(%) Treatment
Cell cycle
Apoptosis(%)
G0/G1
, 百拇医药
S
G2/M
6 h
Control
63.17
16.33
20.50
7.6
20μg/ml
57.97
24.56
17.46
12 h
, 百拇医药
Control
62.61
19.36
18.03
13.0
20μg/ml
66.96
16.09
16.95
24 h
Control
62.89
17.85
, 百拇医药
19.26
19.1
20μg/ml
72.71
14.02
13.27
由表1可见,榄香烯20μg/ml处理,在早期(6 h)对S期有短暂的影响,当随着作用时间的延长,G0/G1期细胞明显增多,并引起细胞凋亡,DNA组方图上出现典型的凋亡峰(Apo峰),凋亡百分率逐渐增高。
2.3 形态学观察
光镜下对照组细胞散在或聚集生长,有多层生长现象,细胞大小不一,多形性;处理组细胞生长缓慢,呈单层生长,细胞变为梭形,变细变长,部分细胞变圆,表面有出芽现象,见图1,2。
, http://www.100md.com
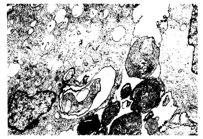
透射电镜下可观察到榄香烯处理组出现细胞凋亡特征性的形态学变化:染色质边集、核浓缩、核碎裂,凋亡小体形成(完整的细胞膜包绕着一部分细胞器),见图3,4。
图1 对照组细胞多层生长,细胞多形性 (倒置显微镜×100)
Fig 1 Multilayer growth and polymorphism of the cell in control group (inverted microscope×100)
图2 处理组细胞单层生长,部分细胞变圆,细胞表面发芽现象 (倒置显微镜×100)
Fig 2 Cell molayer growth,part of cell becoming round and appeating germinative phenomenonon cell surface in treatment group (inverted microscoper×100)
, http://www.100md.com
图3 对照组细胞表面绒毛,核不规则,有深切迹 (TEM×4 000)
Fig 3 Showing cell microvilli,nuclear irregular with deep incisare in control group (TEM×4 000)
图4 细胞处理24 h后表面微绒毛减少,凋亡小体形成 (TEM×6 000)
Fig 4 Showing cell microvilli reduced and apoptotic body fromed after 24 hrs' treatment (TEM×6 000)
2.4 Bcl-2、C-myc、P53检测结果
, 百拇医药
2.4.1SP法免疫组化染色定位 本实验显示Bcl-2阳性物质位于胞浆内,C-myc阳性物质主要位于胞核及部分胞浆内,P53阳性颗粒位于胞核及部分胞浆内。经榄香烯作用后,Bcl-2、C-myc表达均减弱,阳性细胞数减少,阳性着色减弱;而P53表达增强,表现为阳性细胞数增多,阳性着色加深。
表2 榄香烯处理对SMMC-7721细胞Bcl-2、C-myc、P53蛋白FI的影响
Tab 2 Effects of elemene on expression of Bcl-2,C-myc, P53 in SMMC-7721 cells Group
Bcl-2
C-myc
P53
Control
, 百拇医药
1.63
1.40
1.19
Treatment
1.25
1.08
1.31
2.4.2 流式细胞仪定量检测 由表2可见,榄香烯20μg/ml处理24 h后,Bcl-2、C-myc蛋白明显低于对照组,而P53蛋白则高于对照组。
3 讨论
越来越多的研究表明肿瘤的发生不仅与细胞增殖异常有关,亦与细胞凋亡异常有关。化疗是通过杀伤肿瘤细胞、抗肿瘤细胞增殖、促进细胞分化和/或促进细胞凋亡途径实现的。因此,细胞凋亡被视为评估疗效的一项新指标[5]。如何诱导和调控肿瘤细胞凋亡已成为目前抗癌治疗研究的热点。榄香烯是国家二类抗癌新药,临床观察,对肺、肝、脑肿瘤等有较好疗效,该药毒副作用小,对肝肾功能无损害,无骨髓抑制作用。以往研究发现,榄香烯对多种肿瘤细胞的生长、癌细胞DNA、RNA和蛋白质合成均有抑制作用,直接杀伤肿瘤细胞。杨骅等[6]研究发现榄香烯具有阻滞白血病细胞从S期进入G2/M期,并诱发其发生细胞凋亡的作用,从而证实榄香烯诱发细胞凋亡是其抗肿瘤作用机制的重要方面之一。在此基础上,我们则对榄香烯对人肝癌细胞作用进行了深入研究,结果发现:榄香烯对肝癌细胞生长有直接抑制作用,阻滞肝癌细胞从G0/G1期进入S期,抑制其增殖并发生细胞凋亡,这提示不同肿瘤细胞对榄香烯的敏感性不一致,细胞凋亡的启动可能存在多个调控点,其具体机制还有待进一步研究。
, 百拇医药
目前公认对细胞凋亡具有调控作用的基因有bcl-2、c-myc和p53等。bcl-2基因为凋亡抑制基因,编码Bcl-2蛋白,在正常肝细胞中无表达,其高表达可以引起肿瘤且明显延长细胞的生长期[7],还可与参与肿瘤耐药性产生有关。c-myc原癌基因对细胞凋亡的作用表现为促进和抑制两方面,即双信号假说[8],但c-myc调节细胞增殖、转化及凋亡机制仍需深入研究。p53基因为抑癌基因,在细胞生长过程中作为一种分子感受器,当细胞内DNA受损时,P53蛋白水平增高,以中止增殖,使受损细胞获得修复DNA的时间。如无法修复,则P53蛋白持续增高引起细胞凋亡[9]。本实验对凋亡调控基因的检测发现,经榄香烯处理后,癌基因bcl-2、c-myc表达降低,抑癌基因p53表达增加,表明榄香烯诱导肝癌细胞凋亡的作用机制可能与bcl-2、c-myc表达的减少、p53表达的增加有关,但此3种基因改变的主次关系、先后作用关系及相互作用还不清楚,有待于进一步研究。因而,进一步探讨β-榄香烯诱导人肝癌细胞凋亡时细胞周期及相关基因表达及影响其表达的因素,将对肝癌的发生及治疗起积极作用。
, 百拇医药
作者简介:徐学军,女,24岁,住院医师,硕士,现广州军区武汉总医院消化内科 武汉,430000
参考文献
1 傅乃武,全兰萍,郭永泗,等.β-榄香烯的抗肿瘤作用和药理学研究.中药通报,1984,9(1):35
2 时继慧,李成章,刘德兰,等.温莪术挥发油的实验药理研究β-榄香烯的抗肿瘤作用的研究.中药通报,1981,6(1):36
3 朱文菁,金慰芳,张丽丽,等.MTT法分析培养成骨细胞的存活和增殖能力.上海医科大学学报,1995,22(4):254
4 左连富 主编,流式细胞术与生物医学.沈阳:辽宁科学技术出版社,1996.240~374
5 Alison M R, Sarraf C E. Apoptosis:regulation and relevance to toxicology. Hum Exp Toxicol, 1995,14(3):234
, http://www.100md.com
6 杨 骅,王仙平,郁琳琳,等.榄香烯抗癌作用与诱发肿瘤细胞凋亡.中华肿瘤杂志,1996,18(3):169
7 Charotte F,L'Hermine A, Martin N, et al.Immunohistochemical detection of bcl-2 protein in normal and pathological human liver.Am J Pathol,1994,144(3):460
8 Evan G I,Wyllie A H, Gilbert C S, et al.Induction of apoptosis in fibroblast by C-myc protein. Cell,1992,69(1):119
9 Clarke A R, Purdie C A,Harrison D J, et al. Thymocyte apoptosis induced by p53-dependent and independent pathway. Nature,1993,362(6 423):849
收稿:1998-05-06
修回:1999-01-25, http://www.100md.com
单位:徐学军 周子成 罗元辉 鲁 荣 门荣甫 房殿春 第三军医大学附属西南医院消化内科 重庆,400038
关键词:榄香烯;细胞凋亡;肝细胞癌
第三军医大学学报990412
提 要 目的:探索榄香烯对体外培养人肝细胞株的作用及其机制。方法:应用MTT方法分析榄香烯对肝癌细胞株SMMC-7721生长的影响。结果:榄香烯能明显抑制肝癌细胞生长,其半数生长抑制剂量为37.4 μg/ml;流式细胞术证实榄香烯能阻滞肝癌细胞从G0/G1期进入S期,并诱发细胞凋亡;透射电镜超微结构证实榄香烯能诱发肿瘤细胞凋亡的典型形态变化;免疫组化SP法及流式细胞术定量分析榄香烯能使肝癌细胞癌基因bcl-2、c-myc表达降低,抑癌基因p53表达增强。结论:榄香烯能诱导肝癌细胞凋亡,其作用机制可能与癌基因bcl-2、c-myc表达减少、p53表达增加有关。
, 百拇医药
中图法分类号 R329.25;R979.1
Elemene-induced apoptosis of SMMC-7721 cells of human hepatocellular carcinoma
Xu Xuejun, Zhou Zicheng, Luo Yuanhui, Lu Rong, Men Rongfu, Fang Dianchun
Department of Gasenterology, Southwest Hospital, Third Military Medical University, Chongqing, 400038
Abstract Objcetive: To determine whether elemene can induce apoptosis of SMMC-7721 cells in vitro and to analyze the potential role of Bcl-2, C-myc and P53 proteins in the regulation of the cellular apoptosis. Methods: SMMC-7721 cells were determined with MTT assay. Flow cytometry (FCM) analysis was carried out to quantify cellular apoptosis and the changes of cell cycle. Expression of Bcl-2, C-myc and P53 proteins was detected with immunocytochemical technique and FCM. Results: Exposure of SMMC-7721 cells to elemene resulted in an inhibition of cell growth. The IC50 value of elemene for SMMC-7721 cells was 37.4 μg/ml. The inhibition of elemene on the proliferation of SMMC-7721 cells consisted of cell cycle arrest in the transition from G0/G1 to S phase to induce apoptosis of the cells, which was confirmed by characteristic ultrastructural changes and by apo hypodipoid DNA peak on FCM. After 24 hours of exposure to elemene, FCM revealed that bcl-2 and c-myc were significantly downregulated while p53 up-regulated. Conclusion: Elemene might exert effects on SMMC-7721 cel line of human hepatocellular carcinoma through an inhibition on cellproliferation to induce apoptosis. The mechanism might be related to the combination of down-regulation of bcl-2 and c-myc and an up-regulation of p53.
, 百拇医药
Key words elemene; apoptosis; hepatocellular carcinoma
榄香烯系我国自行开发研制的广谱抗癌二类新药,其有效成分是从中药莪术中提取的以β-榄香烯为主要成分的榄香烯类化合物,该药毒副作用小,无骨髓抑制作用,具有广泛的临床应用前景[1,2]。本研究旨在探讨榄香烯对体外培养人肝癌细胞株的作用及其机制,为临床应用提供理论依据。
1 材料和方法
1.1 药物与试剂
榄香烯乳注射液由大连金港制药有限公司提供。噻唑蓝(MTT)系华美生物公司分装。DMEM培养基系GIBCO公司产品。小牛血清为本校微生物教研室产品。Bcl-2/124单克隆抗体由英国Davidy Mason教授惠赠,C-myc单克隆抗体购自福州迈新生物公司,P53 1801克隆抗体购自中山试剂公司。
, 百拇医药
1.2 细胞
人肝癌细胞株SMMC-7721引自上海肿瘤研究所。
1.3 主要仪器
流式细胞仪FACS420(美国),透射电子显微镜(日本),全自动酶标光度计(Beckman公司)。
1.4 方法
1.4.1榄香烯的剂量反应曲线
噻唑蓝还原法(MMT法)测定[3]。
1.4.2 细胞周期时相中DNA含量、凋亡率的测定 各组细胞分别于培养后不同时间(6、12、24 h)从孵箱中取出,常规消化离心,按文献[4]方法上机检测,检测结果以组方图显示,并输入计算机作数据处理,作细胞周期分析,并根据“亚G1峰”计算凋亡百分率。
, 百拇医药
1.4.3 细胞超微结构观察 细胞样品按常规固定处理后,在透射电镜下观察超微结构的变化。
1.4.4 免疫细胞化学及流式细胞仪检测bcl-2、p53、c-myc表达。
1.4.4.1 应用链霉菌抗生物素蛋白过氧化酶连接法(SP法) 细胞以2×103孔密度接种于96孔培养基中,待细胞处于对数生长期时,加入不同处理因素,24 h后去上清,4%多聚甲醛固定30 min。按SP试剂盒操作,DAB显色,自来水冲洗,甘油-PBS封固。一抗分别为bcl-2、c-myc、p53,阴性对照-抗用PBS代替。
1.4.4.2 FCM定量检测 按文献[4]方法检测,以荧光指数(FI)表示bcl-2、c-myc、p53表达的相对含量。
2 结果
, http://www.100md.com 2.1 榄香烯对肝癌细胞生长的抑制作用
榄香烯对SMMC-7721细胞的作用具有时间、剂量依赖关系,它明显抑制细胞生长,对SMMC-7721细胞的IC50值为37.4 μg/ml。
2.2 榄香烯对SMMC-7721细胞周期及凋亡率的影响,见表1
表1 榄香烯对SMMC-7721细胞周期的影响(%)
Tab 1 Effect of elemene on cell cycle of SMMC-7721 cells(%) Treatment
Cell cycle
Apoptosis(%)
G0/G1
, 百拇医药
S
G2/M
6 h
Control
63.17
16.33
20.50
7.6
20μg/ml
57.97
24.56
17.46
12 h
, 百拇医药
Control
62.61
19.36
18.03
13.0
20μg/ml
66.96
16.09
16.95
24 h
Control
62.89
17.85
, 百拇医药
19.26
19.1
20μg/ml
72.71
14.02
13.27
由表1可见,榄香烯20μg/ml处理,在早期(6 h)对S期有短暂的影响,当随着作用时间的延长,G0/G1期细胞明显增多,并引起细胞凋亡,DNA组方图上出现典型的凋亡峰(Apo峰),凋亡百分率逐渐增高。
2.3 形态学观察
光镜下对照组细胞散在或聚集生长,有多层生长现象,细胞大小不一,多形性;处理组细胞生长缓慢,呈单层生长,细胞变为梭形,变细变长,部分细胞变圆,表面有出芽现象,见图1,2。
, http://www.100md.com
透射电镜下可观察到榄香烯处理组出现细胞凋亡特征性的形态学变化:染色质边集、核浓缩、核碎裂,凋亡小体形成(完整的细胞膜包绕着一部分细胞器),见图3,4。
图1 对照组细胞多层生长,细胞多形性 (倒置显微镜×100)
Fig 1 Multilayer growth and polymorphism of the cell in control group (inverted microscope×100)
图2 处理组细胞单层生长,部分细胞变圆,细胞表面发芽现象 (倒置显微镜×100)
Fig 2 Cell molayer growth,part of cell becoming round and appeating germinative phenomenonon cell surface in treatment group (inverted microscoper×100)
, http://www.100md.com
图3 对照组细胞表面绒毛,核不规则,有深切迹 (TEM×4 000)
Fig 3 Showing cell microvilli,nuclear irregular with deep incisare in control group (TEM×4 000)
图4 细胞处理24 h后表面微绒毛减少,凋亡小体形成 (TEM×6 000)
Fig 4 Showing cell microvilli reduced and apoptotic body fromed after 24 hrs' treatment (TEM×6 000)
2.4 Bcl-2、C-myc、P53检测结果
, 百拇医药
2.4.1SP法免疫组化染色定位 本实验显示Bcl-2阳性物质位于胞浆内,C-myc阳性物质主要位于胞核及部分胞浆内,P53阳性颗粒位于胞核及部分胞浆内。经榄香烯作用后,Bcl-2、C-myc表达均减弱,阳性细胞数减少,阳性着色减弱;而P53表达增强,表现为阳性细胞数增多,阳性着色加深。
表2 榄香烯处理对SMMC-7721细胞Bcl-2、C-myc、P53蛋白FI的影响
Tab 2 Effects of elemene on expression of Bcl-2,C-myc, P53 in SMMC-7721 cells Group
Bcl-2
C-myc
P53
Control
, 百拇医药
1.63
1.40
1.19
Treatment
1.25
1.08
1.31
2.4.2 流式细胞仪定量检测 由表2可见,榄香烯20μg/ml处理24 h后,Bcl-2、C-myc蛋白明显低于对照组,而P53蛋白则高于对照组。
3 讨论
越来越多的研究表明肿瘤的发生不仅与细胞增殖异常有关,亦与细胞凋亡异常有关。化疗是通过杀伤肿瘤细胞、抗肿瘤细胞增殖、促进细胞分化和/或促进细胞凋亡途径实现的。因此,细胞凋亡被视为评估疗效的一项新指标[5]。如何诱导和调控肿瘤细胞凋亡已成为目前抗癌治疗研究的热点。榄香烯是国家二类抗癌新药,临床观察,对肺、肝、脑肿瘤等有较好疗效,该药毒副作用小,对肝肾功能无损害,无骨髓抑制作用。以往研究发现,榄香烯对多种肿瘤细胞的生长、癌细胞DNA、RNA和蛋白质合成均有抑制作用,直接杀伤肿瘤细胞。杨骅等[6]研究发现榄香烯具有阻滞白血病细胞从S期进入G2/M期,并诱发其发生细胞凋亡的作用,从而证实榄香烯诱发细胞凋亡是其抗肿瘤作用机制的重要方面之一。在此基础上,我们则对榄香烯对人肝癌细胞作用进行了深入研究,结果发现:榄香烯对肝癌细胞生长有直接抑制作用,阻滞肝癌细胞从G0/G1期进入S期,抑制其增殖并发生细胞凋亡,这提示不同肿瘤细胞对榄香烯的敏感性不一致,细胞凋亡的启动可能存在多个调控点,其具体机制还有待进一步研究。
, 百拇医药
目前公认对细胞凋亡具有调控作用的基因有bcl-2、c-myc和p53等。bcl-2基因为凋亡抑制基因,编码Bcl-2蛋白,在正常肝细胞中无表达,其高表达可以引起肿瘤且明显延长细胞的生长期[7],还可与参与肿瘤耐药性产生有关。c-myc原癌基因对细胞凋亡的作用表现为促进和抑制两方面,即双信号假说[8],但c-myc调节细胞增殖、转化及凋亡机制仍需深入研究。p53基因为抑癌基因,在细胞生长过程中作为一种分子感受器,当细胞内DNA受损时,P53蛋白水平增高,以中止增殖,使受损细胞获得修复DNA的时间。如无法修复,则P53蛋白持续增高引起细胞凋亡[9]。本实验对凋亡调控基因的检测发现,经榄香烯处理后,癌基因bcl-2、c-myc表达降低,抑癌基因p53表达增加,表明榄香烯诱导肝癌细胞凋亡的作用机制可能与bcl-2、c-myc表达的减少、p53表达的增加有关,但此3种基因改变的主次关系、先后作用关系及相互作用还不清楚,有待于进一步研究。因而,进一步探讨β-榄香烯诱导人肝癌细胞凋亡时细胞周期及相关基因表达及影响其表达的因素,将对肝癌的发生及治疗起积极作用。
, 百拇医药
作者简介:徐学军,女,24岁,住院医师,硕士,现广州军区武汉总医院消化内科 武汉,430000
参考文献
1 傅乃武,全兰萍,郭永泗,等.β-榄香烯的抗肿瘤作用和药理学研究.中药通报,1984,9(1):35
2 时继慧,李成章,刘德兰,等.温莪术挥发油的实验药理研究β-榄香烯的抗肿瘤作用的研究.中药通报,1981,6(1):36
3 朱文菁,金慰芳,张丽丽,等.MTT法分析培养成骨细胞的存活和增殖能力.上海医科大学学报,1995,22(4):254
4 左连富 主编,流式细胞术与生物医学.沈阳:辽宁科学技术出版社,1996.240~374
5 Alison M R, Sarraf C E. Apoptosis:regulation and relevance to toxicology. Hum Exp Toxicol, 1995,14(3):234
, http://www.100md.com
6 杨 骅,王仙平,郁琳琳,等.榄香烯抗癌作用与诱发肿瘤细胞凋亡.中华肿瘤杂志,1996,18(3):169
7 Charotte F,L'Hermine A, Martin N, et al.Immunohistochemical detection of bcl-2 protein in normal and pathological human liver.Am J Pathol,1994,144(3):460
8 Evan G I,Wyllie A H, Gilbert C S, et al.Induction of apoptosis in fibroblast by C-myc protein. Cell,1992,69(1):119
9 Clarke A R, Purdie C A,Harrison D J, et al. Thymocyte apoptosis induced by p53-dependent and independent pathway. Nature,1993,362(6 423):849
收稿:1998-05-06
修回:1999-01-25, http://www.100md.com