单核细胞数及其ER与雌激素在抗骨质疏松中作用的实验研究△
作者:程云英 罗 霞 宋 萍 郭庆明
单位:南京铁道医学院附属医院妇产科邮政编码:210009
关键词:单核细胞 雌激素 雌激素受体 骨质疏松
江苏医药991103 摘要 目的:研究SD雌性大鼠骨髓单核细胞(BMM)、雌激素受体阳性的骨髓单核细胞[ER(+)BMM]率与大鼠心脏血雌激素E2在抗骨质疏松中的作用。方法:选择3个月龄雌性SD大鼠40只,随机分成正常对照组、假手术组、去势组、去势后雌激素替代治疗组,每组10只,同样条件下饲养,3个月后断头处死检测。(1)用SP染色显示骨髓单核细胞ER;(2)用非特异性酯酶(α-NAE)法计数单核细胞;(3)用放免法测定大鼠心脏血E2;(4)取SD大鼠股骨干骺端作病理切片检查。结果:去势组比其他三组BMM数明显升高(P<0.01),而ER(+)BMM率和E2明显下降(P<0.01)。病理切片显示明显骨质疏松形成,而去势后给予倍美力的大鼠各参数与正常对照组和假手术组差异不明显(P>0.05)。提示:雌激素可能影响骨髓单核细胞数,与骨质疏松的发生存在一定内在联系。
, 百拇医药
Experimental Study on the Anti-osteoporosis Effect of Estrogen
Monocyte Number and its Estrogen Receptor
Chen Yunying et al
Department of Gynecology and Obstetrics,Affiliated Hospital,Nanjing Railway Medical College,Nanjing
Abstract Using ovariectomized(OVX) female SD rats as animal osteoporosis model, we studied the anti-osteoporosis effect of estrogen,monocyte number and estrogen receptor(ER) on monocyte.The estrogen receptors of bone marrow monocyte (BMM) were detected by streparidin-peroxidase staining technique.BMM were counted by α-NAE method.The proximal femurs were taken for pathological analysis.The results showed that the numbers of BMM were increased significantly,whereas the ER positive BMM were markedly reduced in OVX rats.The trabeculae were thin and irregular in the rats without estrogen replacement therapy when compared with normal controls and that receiving estrogen therapy.The results suggest that estrogen modulates monocyte number and its ER.The effects might play an important role in the pathogenesis of postmenopausal osteoporosis.
, 百拇医药
Key words Monocyte Estrogen Estrogen receptor Osteoporosis
绝经后骨质疏松的发生机制不十分清楚,文献报道认为与绝经后卵巢分泌雌激素减少,导致单核细胞分泌的白细胞介素-1(IL-1)及白细胞介素-6(IL-6)增多有关[1]。本实验旨在对双卵巢切除后SD大鼠测定其骨髓BMM、ER(+)BMM率、心脏血E2水平,研究雌激素减少与单核细胞间关系,进一步探讨骨质疏松的发生与防治。
材料与方法
一、研究对象
以鼠龄3个月SD雌性大鼠40只,平均体重190g左右,随机分成四组,每组10只。1组:正常对照组;2组:假手术组,即只开、关腹不切卵巢;3组:去势组,开腹切除双侧卵巢;4组:去势后予雌激素(Premarin)替代治疗。按人鼠剂量换算[2],每日以倍美力混悬液2ml灌胃(0.03125mg/ml)。各组大鼠均在同等条件下饲养,其中假手术组在饲养中死亡一只,经解剖证实因损伤其他脏器出血死亡,其余均3个月后断头处死,测定各项指标。
, http://www.100md.com
二、方法及指标测定
1.大鼠骨髓单核细胞的分离培养
取各研究组大鼠的双侧股骨,剔除表面附着的软组织,用含10μ/ml肝素的1640培养液3~5ml,反复冲洗出骨髓,在骨髓中加入1μg/ml的DNA酶,37℃消化20分钟,消化后骨髓液用大鼠单个核细胞分离液分离,离心30分钟,吸取呈白膜状的单个核细胞层,用1640培养液离心清洗3次,台盼蓝染色显示活细胞比例在98%以上,将该细胞以105/ml的密度接种于含10%新生小牛血清的1640培养液的6孔培养板中,培养板中预先放入盖玻片,置37℃、5%CO2培养箱中培养24小时后,用新鲜培养液冲洗2次,在无血清1640培养液中继续培养30分钟,连续2次,单核细胞贴附于盖玻片上(见封二图1)。
, http://www.100md.com
图(一)培养的大鼠骨髓单核细胞(BMM)10×10
2.ER的测定方法
取有单核细胞贴附的盖玻片,用冷丙酮固定5分钟,用SP染色显示单核细胞上的ER。具体操作同SP试剂盒(购自美国ZYMD公司)操作步骤(见封二图2、3)。
图(二)SP染色阳性的BMM(显示棕黄色)100×10
图(三)SP染色阴性的BMM(未显示棕黄色)100×10
, 百拇医药
3.大鼠BMM计数
用非特异性酯酶(α-NAE)法。取大鼠右后肢胫骨,分离单个核细胞,制成2ml细胞悬液后,取细胞悬液20μl,加入单核细胞应用液180μl中混匀,静置染色25分钟,滴入Fuches-Rosenthal细胞计数盘中,于低倍或中倍镜下计数全部方格中单核细胞,单核细胞染成红色或棕红色,按下述公式得出单核细胞数:单核细胞/ml细胞悬液=N/3.2×103×10。
4.放射免疫法测定大鼠心脏血E2
采用中美合资天津九鼎医学生物工程有限公司试剂盒,回收率95%~104%,批内变异系数3.8%,批间变异系数4.8%,灵敏度4pg/ml。
5.骨组织病理切片观察形态
取大鼠股骨干骺端,脱钙后HE染色,高倍视野下观察骨小梁。
, http://www.100md.com
6.统计学处理
采用t检验。
结 果
一、各组大鼠心脏血E2、骨髓BMM、ER(+)BMM率变化(见附表)
附表 四组大鼠心脏血E2、骨髓BMM、ER(+)BMM比较(
±s)
n
E2(pg/ml)
BMM
, http://www.100md.com
ER(+)BMM(%)
1组
10
1.20±0.04
5.4±0.8
92.4±2.5
2组
9
1.21±0.04
5.0±0.5
92.4±3.6
3组
, http://www.100md.com 10
1.02±0.03
7.7±1.3
65.5±8.1
4组
10
1.19±0.01
5.6±1.1
91.3±8.6
第3组E2及ER(+)BMM率减低,其值显著低于其他三组(P<0.01),而BMM数值比其他三组显著增多(P<0.01)。第4组BMM数和ER(+)BMM率与1、2组相比无显著差异(P>0.05)。
, 百拇医药
二、骨组织病理切片
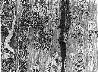
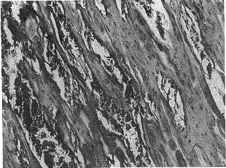
去势组大鼠骨组织病理切片显示骨小梁稀疏、断裂、骨髓腔扩大,提示骨质疏松形成。(见封二图4)。而去势后予倍美力组大鼠骨组织病理切片均示骨小梁排列整齐,骨髓腔大小正常,(见封二图5)。
图(四)去势组大鼠的骨组织切片HE染色10×10
图(五)ERT组大鼠的骨组织切片HE染色10×10
, http://www.100md.com
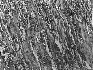
图(六)正常对照组大鼠的骨组织切片HE染色10×10
讨 论
一、雌激素抗骨质疏松作用
骨髓单核细胞具有分泌肿瘤坏死因子(TNF)、白细胞介素-6(IL-6)的作用,而TNF、IL-6是促进骨吸收的重要刺激因子,文献报道卵巢激素下降可导致骨髓单核细胞TNF、IL-6上调[3,4],提示雌激素在维持骨量、防止骨丢失方面起重要作用。本研究显示,SD大鼠去势后3个月血雌激素水平明显低于其他三组,骨髓单核细胞数明显增多,ER(+)BMM率明显下降,病理切片示明显骨质疏松。提示雌激素可能影响骨髓单核细胞数,与骨质疏松的发生存在一定联系。推测对绝经后雌激素减少患者给予雌激素替代治疗预防骨质疏松有一定必要性。
二、SP法测定单核细胞上的ER
, http://www.100md.com SP法全称为链霉素抗生物蛋白-过氧化酶免疫组化染色,是近几年发展的一种免疫组织化学染色方法,此法敏感性和特异性强[5],本研究由SP染色显示的棕黄色颗粒定位于细胞浆内或细胞核内,与文献报道的雌激素受体既存在于细胞浆也存在于细胞核内情况相符合[6]。实验结果也显示棕黄色颗粒并不存在于每一个细胞内,阳性强度在每一个细胞并不完全一致,提示每一个单核细胞所表达的ER数量是不同的。
△ 本课题为省科委资助项目(96-BS-49)
参考文献
[1] Piali G,et al.Clin Sci 1992;83:503.
[2] 施新猷.医学动物实验方法.西安:陕西科学技术出版社,1989;422.
[3] John CT,et al.Endocrin Rev 1984;5:435.
[4] Willian BE,et al.J Am Geritr Soc 1993;41:176.
[5] 任占平.诊断病理学杂志 1994;1(3):176.
[6] Danel L, et al.J Steroid Biochem 1983;18(5):559.
(1999年3月27日收稿 同年6月8日修回), http://www.100md.com
单位:南京铁道医学院附属医院妇产科邮政编码:210009
关键词:单核细胞 雌激素 雌激素受体 骨质疏松
江苏医药991103 摘要 目的:研究SD雌性大鼠骨髓单核细胞(BMM)、雌激素受体阳性的骨髓单核细胞[ER(+)BMM]率与大鼠心脏血雌激素E2在抗骨质疏松中的作用。方法:选择3个月龄雌性SD大鼠40只,随机分成正常对照组、假手术组、去势组、去势后雌激素替代治疗组,每组10只,同样条件下饲养,3个月后断头处死检测。(1)用SP染色显示骨髓单核细胞ER;(2)用非特异性酯酶(α-NAE)法计数单核细胞;(3)用放免法测定大鼠心脏血E2;(4)取SD大鼠股骨干骺端作病理切片检查。结果:去势组比其他三组BMM数明显升高(P<0.01),而ER(+)BMM率和E2明显下降(P<0.01)。病理切片显示明显骨质疏松形成,而去势后给予倍美力的大鼠各参数与正常对照组和假手术组差异不明显(P>0.05)。提示:雌激素可能影响骨髓单核细胞数,与骨质疏松的发生存在一定内在联系。
, 百拇医药
Experimental Study on the Anti-osteoporosis Effect of Estrogen
Monocyte Number and its Estrogen Receptor
Chen Yunying et al
Department of Gynecology and Obstetrics,Affiliated Hospital,Nanjing Railway Medical College,Nanjing
Abstract Using ovariectomized(OVX) female SD rats as animal osteoporosis model, we studied the anti-osteoporosis effect of estrogen,monocyte number and estrogen receptor(ER) on monocyte.The estrogen receptors of bone marrow monocyte (BMM) were detected by streparidin-peroxidase staining technique.BMM were counted by α-NAE method.The proximal femurs were taken for pathological analysis.The results showed that the numbers of BMM were increased significantly,whereas the ER positive BMM were markedly reduced in OVX rats.The trabeculae were thin and irregular in the rats without estrogen replacement therapy when compared with normal controls and that receiving estrogen therapy.The results suggest that estrogen modulates monocyte number and its ER.The effects might play an important role in the pathogenesis of postmenopausal osteoporosis.
, 百拇医药
Key words Monocyte Estrogen Estrogen receptor Osteoporosis
绝经后骨质疏松的发生机制不十分清楚,文献报道认为与绝经后卵巢分泌雌激素减少,导致单核细胞分泌的白细胞介素-1(IL-1)及白细胞介素-6(IL-6)增多有关[1]。本实验旨在对双卵巢切除后SD大鼠测定其骨髓BMM、ER(+)BMM率、心脏血E2水平,研究雌激素减少与单核细胞间关系,进一步探讨骨质疏松的发生与防治。
材料与方法
一、研究对象
以鼠龄3个月SD雌性大鼠40只,平均体重190g左右,随机分成四组,每组10只。1组:正常对照组;2组:假手术组,即只开、关腹不切卵巢;3组:去势组,开腹切除双侧卵巢;4组:去势后予雌激素(Premarin)替代治疗。按人鼠剂量换算[2],每日以倍美力混悬液2ml灌胃(0.03125mg/ml)。各组大鼠均在同等条件下饲养,其中假手术组在饲养中死亡一只,经解剖证实因损伤其他脏器出血死亡,其余均3个月后断头处死,测定各项指标。
, http://www.100md.com
二、方法及指标测定
1.大鼠骨髓单核细胞的分离培养
取各研究组大鼠的双侧股骨,剔除表面附着的软组织,用含10μ/ml肝素的1640培养液3~5ml,反复冲洗出骨髓,在骨髓中加入1μg/ml的DNA酶,37℃消化20分钟,消化后骨髓液用大鼠单个核细胞分离液分离,离心30分钟,吸取呈白膜状的单个核细胞层,用1640培养液离心清洗3次,台盼蓝染色显示活细胞比例在98%以上,将该细胞以105/ml的密度接种于含10%新生小牛血清的1640培养液的6孔培养板中,培养板中预先放入盖玻片,置37℃、5%CO2培养箱中培养24小时后,用新鲜培养液冲洗2次,在无血清1640培养液中继续培养30分钟,连续2次,单核细胞贴附于盖玻片上(见封二图1)。
, http://www.100md.com
图(一)培养的大鼠骨髓单核细胞(BMM)10×10
2.ER的测定方法
取有单核细胞贴附的盖玻片,用冷丙酮固定5分钟,用SP染色显示单核细胞上的ER。具体操作同SP试剂盒(购自美国ZYMD公司)操作步骤(见封二图2、3)。
图(二)SP染色阳性的BMM(显示棕黄色)100×10
图(三)SP染色阴性的BMM(未显示棕黄色)100×10
, 百拇医药
3.大鼠BMM计数
用非特异性酯酶(α-NAE)法。取大鼠右后肢胫骨,分离单个核细胞,制成2ml细胞悬液后,取细胞悬液20μl,加入单核细胞应用液180μl中混匀,静置染色25分钟,滴入Fuches-Rosenthal细胞计数盘中,于低倍或中倍镜下计数全部方格中单核细胞,单核细胞染成红色或棕红色,按下述公式得出单核细胞数:单核细胞/ml细胞悬液=N/3.2×103×10。
4.放射免疫法测定大鼠心脏血E2
采用中美合资天津九鼎医学生物工程有限公司试剂盒,回收率95%~104%,批内变异系数3.8%,批间变异系数4.8%,灵敏度4pg/ml。
5.骨组织病理切片观察形态
取大鼠股骨干骺端,脱钙后HE染色,高倍视野下观察骨小梁。
, http://www.100md.com
6.统计学处理
采用t检验。
结 果
一、各组大鼠心脏血E2、骨髓BMM、ER(+)BMM率变化(见附表)
附表 四组大鼠心脏血E2、骨髓BMM、ER(+)BMM比较(
n
E2(pg/ml)
BMM
, http://www.100md.com
ER(+)BMM(%)
1组
10
1.20±0.04
5.4±0.8
92.4±2.5
2组
9
1.21±0.04
5.0±0.5
92.4±3.6
3组
, http://www.100md.com 10
1.02±0.03
7.7±1.3
65.5±8.1
4组
10
1.19±0.01
5.6±1.1
91.3±8.6
第3组E2及ER(+)BMM率减低,其值显著低于其他三组(P<0.01),而BMM数值比其他三组显著增多(P<0.01)。第4组BMM数和ER(+)BMM率与1、2组相比无显著差异(P>0.05)。
, 百拇医药
二、骨组织病理切片
去势组大鼠骨组织病理切片显示骨小梁稀疏、断裂、骨髓腔扩大,提示骨质疏松形成。(见封二图4)。而去势后予倍美力组大鼠骨组织病理切片均示骨小梁排列整齐,骨髓腔大小正常,(见封二图5)。
图(四)去势组大鼠的骨组织切片HE染色10×10
图(五)ERT组大鼠的骨组织切片HE染色10×10
, http://www.100md.com
图(六)正常对照组大鼠的骨组织切片HE染色10×10
讨 论
一、雌激素抗骨质疏松作用
骨髓单核细胞具有分泌肿瘤坏死因子(TNF)、白细胞介素-6(IL-6)的作用,而TNF、IL-6是促进骨吸收的重要刺激因子,文献报道卵巢激素下降可导致骨髓单核细胞TNF、IL-6上调[3,4],提示雌激素在维持骨量、防止骨丢失方面起重要作用。本研究显示,SD大鼠去势后3个月血雌激素水平明显低于其他三组,骨髓单核细胞数明显增多,ER(+)BMM率明显下降,病理切片示明显骨质疏松。提示雌激素可能影响骨髓单核细胞数,与骨质疏松的发生存在一定联系。推测对绝经后雌激素减少患者给予雌激素替代治疗预防骨质疏松有一定必要性。
二、SP法测定单核细胞上的ER
, http://www.100md.com SP法全称为链霉素抗生物蛋白-过氧化酶免疫组化染色,是近几年发展的一种免疫组织化学染色方法,此法敏感性和特异性强[5],本研究由SP染色显示的棕黄色颗粒定位于细胞浆内或细胞核内,与文献报道的雌激素受体既存在于细胞浆也存在于细胞核内情况相符合[6]。实验结果也显示棕黄色颗粒并不存在于每一个细胞内,阳性强度在每一个细胞并不完全一致,提示每一个单核细胞所表达的ER数量是不同的。
△ 本课题为省科委资助项目(96-BS-49)
参考文献
[1] Piali G,et al.Clin Sci 1992;83:503.
[2] 施新猷.医学动物实验方法.西安:陕西科学技术出版社,1989;422.
[3] John CT,et al.Endocrin Rev 1984;5:435.
[4] Willian BE,et al.J Am Geritr Soc 1993;41:176.
[5] 任占平.诊断病理学杂志 1994;1(3):176.
[6] Danel L, et al.J Steroid Biochem 1983;18(5):559.
(1999年3月27日收稿 同年6月8日修回), http://www.100md.com