鼠脑缺血性损伤程度与缺血时间的关系研究
作者:何明利 陈曼娥 王景周
单位:何明利(635000四川省达川地区人民医院);陈曼娥 王景周(第三军医大学大坪医院野战外科研究所)
关键词:脑缺血;病理学;治疗窗
临床神经病学杂志000104 【摘要】 目的 探讨大脑中动脉(MCA)闭塞时缺血侧不同部位的病理演变特征,研究缺血性损伤程度与缺血时间的关系。方法 利用线栓法MCA闭塞模型,采取HE染色,光镜电镜观察MCA闭塞不同时相点缺血侧基底节区、皮质和海马的损伤特征,并直接对坏死和暗神经元计数,运用对数方程作出脑损伤程度-缺血时间关系曲线,运算ET50值。结果 缺血30分钟, 坏死神经元首先出现在缺血侧基底节区,以后逐渐扩展到皮质,至缺血24小时后, 缺血中心逐步出现盘状坏死。缺血时间依赖性病理变化完全符合剂量反应曲线的S-形分布。结论 MCA闭塞后,MCA分布区的病理变化可分为组织水肿期、神经元急剧损伤期和盘状坏死期三个阶段。治疗窗因阻塞血管和缺血部位及组织可逆的期望值不同而异。主张治疗窗应 “个体化”。
, 百拇医药
Study on the relationship between ischemic time and extent of cerebral ischemic injury in rats
He Mingli,Chen Mane, Wang Jingzhou
(Department of Neurology,Dachuan Prefectural Hospital, Sichuan 635000)
【Abstract】 Objective To explore the pathologic feature on different parts of ischemia during the middle cerebral artery occlusion (MCAO),and study the relationship between ischemic time and extent of cerebral injury.Methods A model of MCAO with the suture mothod was set up in rats,using HE staining, light and electronic microscope, the injury feature of ischemic basal ganglion area,cortex and hippocampus were observed in different time,and counted necrotic and dark neruons.Using a logistic equation to calculate the relationship between the duration of ischemia and the extent of injury.Results 30 min after cerebral ischemia onset,necrosis neurons appeared in ischemic basal ganglion area, and then progressively developed to cortex. Pannecrosis was observed after 24 h. Ischemia-dependenced pathologic change completely fitted S-shape distribution of dose response curves.Conclusions The pathologic changes induced by MCA occlusion had three periods: tissue edema period,neuron rapid injury period and pannecrosis period. Different vessels occlusion, different ischemic position and different expectation had different therapeutic window.This paper emphasized “individuation” of therapeutic window.
, 百拇医药
【Key words】Cerebral ischemia Pathology Therapeutic window
急性缺血性卒中的治疗窗是溶栓治疗和神经保护剂治疗的关键问题。人们已从病理学、影像学、临床试验等多角度对此理论进行了可喜的探索。然而,仍有许多问题尚不清楚,诸如大脑中动脉(MCA)闭塞后神经元坏死的高峰期位于何时、MCA供血各脑区的神经元是否同步坏死、缺血性损伤程度与缺血时间的关系如何,等等[1]。本实验采用线栓法MCA闭塞模型[2],从组织学角度,探讨大鼠MCA闭塞后不同时相缺血侧基底节区、皮质和海马的损伤特征,并应用对数方程[3]探索缺血性损伤程度与缺血时间的关系。
1 材料与方法
1.1 动物来源与分组 Wistar大鼠75只(中国军事医学科学院提供),雌雄不拘,体重200~250 g,随机分为正常对照组(5只),假手术组(20只)和MCA闭塞组(50只)3组。假手术组再分设术后1、6、12、24小时4个时相点(每组5只),MCA闭塞组再分设术后0.5、1、1.5、2、3、4、6、12、24和48小时10个时相点(每组5只)。
, http://www.100md.com
1.2 方法
1.2.1 模型制备 按照我们已报道的方法进行[4]。假手术组为插入栓线后1分钟将栓线拔出。
1.2.2 组织处理 于各时相点以0.5%戊巴比妥钠(30 mg/kg ip)麻醉动物,用4%甲醛磷酸缓冲液100 ml灌注。用于光镜检查的标本切成5 μm厚,行苏木精-伊红(HE)染色。用于电镜检查的标本切成1 mm3的组织块,置于3%戊二醛室温过夜,再经一系列组织处理和染色,H-300透射电镜观察并照相。
1.2.3 坏死神经元的确定 参照Farber等[5]的标准确定。光镜下见神经元核固缩、核分裂、核溶解,胞浆伊红染色增多,甚至苏木精染色消失,呈红色神经元(鬼影神经元)改变者均确定为坏死神经元。暗神经元视为不可逆性损伤神经元,亦列为计数范围。
, 百拇医药
1.2.4 组织损伤程度的定量 光镜放大400倍观察,每组每时相点每部位计数20个互不重叠的显微视野,准确计数出完整、坏死和暗神经元数量。
1.2.5 脑损伤程度与缺血时间的关系研究 因为本实验结果为一自变量(缺血时间)连续变化的结果,完全适用于对数方程所得出的S-形剂量反应曲线[3]。其运算公式为:Y=(a-d)/[1+(X/c)]+d 或 d logit{(Y-d)/(a-d)}/d ln(X)=±b。式中Y为组织损伤量,X为缺血时间,a为X=0的Y值,d为无限时间的组织损伤量,c为ET50,即a-d之间一半的组织损伤量,b为斜率。遵照对数公式,便可作出脑损伤程度-缺血时间关系曲线。在此曲线上可查出任意缺血时间的不可逆组织损伤量,明确缺血治疗窗。
1.2.6 统计学处理 采用第四军医大学SPLM统计软件。全部数据以均数±标准差(
±s)表示。采用t检验等。
, 百拇医药
2 结果
2.1 缺血后不同时间脑组织的改变 见表1。
表1 各组各时相点MCA闭塞后缺血侧基底节区、皮质和海马的神经元数量(
±s) 缺血时间
基底节区
皮质
海马
完整神经元
不可逆神经元
完整神经元
不可逆神经元
, http://www.100md.com
完整神经元
不可逆神经元
0
235±88
3
375±85
2
152±36
2
0.5小时
176±43
55±13*
376±90
, 百拇医药
13
157±41
4
1小时
132±22
96±28*
302±57
62±13***
147±34
3
1.5小时
107±27
, 百拇医药
147±31*
247±51
132±36**
149±37
2
2小时
31±8
217±35
183±36
192±38*
138±29
6
, http://www.100md.com
4小时
28±5
216±33
107±34
266±45*
142±31
0
6小时
35±11
226±42
93±23
276±85
, 百拇医药 136±28
5
12小时
25±8
215±38
87±25
287±83
137±32
15
24小时
24±6
208±39
85±21
, http://www.100md.com
297±93
75±19
71±22*
48小时
24±7
222±43
79±24
288±84
34±11
124±26*
与前一时相点相比*P<0.05,**P<0.01,***P<0.001
, 百拇医药
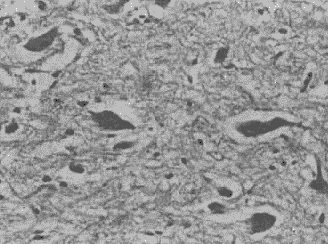
2.1.1 光镜观察 正常对照组和假手术组各时相点双侧大脑半球均可见散在的暗神经元和坏死神经元,但20个高倍视野的总数不超过10个。MCA闭塞 0.5小时,暗神经元和坏死神经元首先大量出现在缺血侧基底节区,并见完整神经元周围间歇增大、胶质水肿、炎细胞侵润。至MCA闭塞 1小时,这些改变才逐步扩展到皮质。基底节区的细胞损伤高峰期位于MCA闭塞 0.5小时至2小时,皮质为MCA闭塞 1小时至6小时,而双侧海马MCA闭塞 24小时内仅见散在极少量的暗神经元和坏死神经元分布,但病侧海马组织水肿持续存在,重于健侧。MCA闭塞 24小时后,海马的暗神经元和坏死神经元迅速增加,如表1所示。基底节区和皮质MCA闭塞24小时后逐渐出现盘状坏死(图1),而海马始终未见盘状坏死。
图1 MCA闭塞24小时,缺血侧基底节区切片。HE×400
2.1.2 电镜观察 神经元胞浆破碎、线粒体肿胀或空泡化,胞核缩小变形、核膜电密集物沉积、染色质聚集、髓鞘水肿,其板层松散分离(图2)。
, http://www.100md.com
图2 缺血神经元电镜照片 TE×12K
2.2 脑损伤程度与缺血时间的关系 将MCA闭塞组各时相点的相应数据转换为占该时相点的百分比,再代入对数方程Y=(a-d)/[1+(X/c)]+d 或 d logit{(Y-d)/(a-d)}/d ln(X)=±b,即可绘出脑损伤程度-缺血时间关系曲线。并在此曲线上直接查出治疗窗数据(见表2)。
表2 Wistar大鼠MCA分布区治疗窗参数(
±s,min) 部 位
CR
ET50
NR
基底节区
, 百拇医药
17±8
63±38
203±117
皮 质
35±12
125±56
356±154
海 马
530±214
1025±368
2278±876
注:CR是缺血损伤完全恢复(complete recovery)的最大时间,其不可逆性损伤量占5%;NR是缺血损伤不能恢复(no recovery)的最短时间,其不可逆性损伤量占95%;ET50代表50%的组织不可逆损伤量的时间。
, http://www.100md.com
3 讨论
分析本实验所见,持续MCA闭塞,其供血区脑组织出现时间依赖性病理变化,这些变化可归纳为三个阶段,即组织水肿期,神经元急剧损伤期和盘状坏死期。组织水肿期神经元水肿、变形、其周围间隙增大,间质水肿。其超微结构改变为染色质聚集、内质网扩张、线粒体肿胀等。这些改变多发生于MCA闭塞数分钟,最长不超过2小时。本实验海马在MCA闭塞24小时内均为此改变,可能与海马主要由大脑前动脉供血并受脑组织释放的高浓度活性介质或递质作用和应激性损伤有关。Lyden PD等的研究业已证明,如果此时迅速恢复组织灌注,这些改变可以逆转[6]。神经元急剧损伤期:如果组织持续缺血,坏死和暗神经元将在组织水肿期后急剧增多,其超微结构改变为神经元胞核缩小变形、核膜电密集物沉积、染色质边聚、髓鞘水肿、板层松散分离等。此期因部位不同其发生的时间变化甚大,短者缺血发作后数十分钟,长者数十小时甚至数天,故名迟发性神经元坏死。这些改变并不因组织灌注的恢复而逆转。盘状坏死期为大块组织细胞(包括神经间质、血管和神经元)崩解、凝固性坏死,间有胶质细胞的增生。本期是脑缺血性损伤的最坏的结果。
, 百拇医药
从本研究结果可见,治疗窗是缺血发作后缺血脑组织存在有不同数量因血液复流而逆转的神经元的时间。应用对数方程研究发现,大鼠的脑缺血时间依赖性病理变化完全符合剂量反应曲线的S-形分布,可以认为CR点以短的时间段是最理想的治疗窗,CR至ET50之间的时间段是较理想的治疗窗,但位居NR至ET50之间的时间并非无治疗意义。可见,治疗窗是对组织可逆性大小而言。本实验还发现,纵然同一只大鼠,MCA分布各区的组织损伤程度各不相同,即各部位的治疗窗不一致,说明治疗窗绝非是一个固定的参数,它将因动物种类[1]、阻塞血管和缺血部位及组织可逆的期望值不同而异。因此,为了最大限度地挽救缺血损伤组织,避免漏治及过度治疗病例,我们强调,治疗窗应根据具体病人的阻塞血管和缺血部位的不同而行“个体化”判定。
参 考 文 献
1,Justin A,Zivin.Factors determining the therapeutic window for stroke.Neurology,1998,50:599
, http://www.100md.com
2,Koizumi J,Yoshida Y, Nakazwa F,et al.Exerimental studies of ischemic brain edema:A new experimental mode of cerebral embolism in rats in wich recirculation can be introduced in the ischemic area.Stroke,1986,8:1
3,Aronowski J,Ostrow P,Samways E,et al.Graded bioassay for demonstration of brain rescue from experimental acute ischemia in rats.Stroke,1994,25:2235
4,何明利,陈曼娥,王景周,等.急性脑缺血鼠下丘脑-垂体-肾上腺轴的活动特征.中华神经科杂志,1998,31:364
5,Farber JL.Biology of disease:membrane injury and calcium homeostasis in the pathogenesis of coagulation necrosis.Lab Invest.1982,47:114
6,Lyden PD,Grotta JC,Levine SR,et al.Intravenous thrombolysis for acute stroke.Neurology,1997,49:14
收稿1999-06-29, 百拇医药
单位:何明利(635000四川省达川地区人民医院);陈曼娥 王景周(第三军医大学大坪医院野战外科研究所)
关键词:脑缺血;病理学;治疗窗
临床神经病学杂志000104 【摘要】 目的 探讨大脑中动脉(MCA)闭塞时缺血侧不同部位的病理演变特征,研究缺血性损伤程度与缺血时间的关系。方法 利用线栓法MCA闭塞模型,采取HE染色,光镜电镜观察MCA闭塞不同时相点缺血侧基底节区、皮质和海马的损伤特征,并直接对坏死和暗神经元计数,运用对数方程作出脑损伤程度-缺血时间关系曲线,运算ET50值。结果 缺血30分钟, 坏死神经元首先出现在缺血侧基底节区,以后逐渐扩展到皮质,至缺血24小时后, 缺血中心逐步出现盘状坏死。缺血时间依赖性病理变化完全符合剂量反应曲线的S-形分布。结论 MCA闭塞后,MCA分布区的病理变化可分为组织水肿期、神经元急剧损伤期和盘状坏死期三个阶段。治疗窗因阻塞血管和缺血部位及组织可逆的期望值不同而异。主张治疗窗应 “个体化”。
, 百拇医药
Study on the relationship between ischemic time and extent of cerebral ischemic injury in rats
He Mingli,Chen Mane, Wang Jingzhou
(Department of Neurology,Dachuan Prefectural Hospital, Sichuan 635000)
【Abstract】 Objective To explore the pathologic feature on different parts of ischemia during the middle cerebral artery occlusion (MCAO),and study the relationship between ischemic time and extent of cerebral injury.Methods A model of MCAO with the suture mothod was set up in rats,using HE staining, light and electronic microscope, the injury feature of ischemic basal ganglion area,cortex and hippocampus were observed in different time,and counted necrotic and dark neruons.Using a logistic equation to calculate the relationship between the duration of ischemia and the extent of injury.Results 30 min after cerebral ischemia onset,necrosis neurons appeared in ischemic basal ganglion area, and then progressively developed to cortex. Pannecrosis was observed after 24 h. Ischemia-dependenced pathologic change completely fitted S-shape distribution of dose response curves.Conclusions The pathologic changes induced by MCA occlusion had three periods: tissue edema period,neuron rapid injury period and pannecrosis period. Different vessels occlusion, different ischemic position and different expectation had different therapeutic window.This paper emphasized “individuation” of therapeutic window.
, 百拇医药
【Key words】Cerebral ischemia Pathology Therapeutic window
急性缺血性卒中的治疗窗是溶栓治疗和神经保护剂治疗的关键问题。人们已从病理学、影像学、临床试验等多角度对此理论进行了可喜的探索。然而,仍有许多问题尚不清楚,诸如大脑中动脉(MCA)闭塞后神经元坏死的高峰期位于何时、MCA供血各脑区的神经元是否同步坏死、缺血性损伤程度与缺血时间的关系如何,等等[1]。本实验采用线栓法MCA闭塞模型[2],从组织学角度,探讨大鼠MCA闭塞后不同时相缺血侧基底节区、皮质和海马的损伤特征,并应用对数方程[3]探索缺血性损伤程度与缺血时间的关系。
1 材料与方法
1.1 动物来源与分组 Wistar大鼠75只(中国军事医学科学院提供),雌雄不拘,体重200~250 g,随机分为正常对照组(5只),假手术组(20只)和MCA闭塞组(50只)3组。假手术组再分设术后1、6、12、24小时4个时相点(每组5只),MCA闭塞组再分设术后0.5、1、1.5、2、3、4、6、12、24和48小时10个时相点(每组5只)。
, http://www.100md.com
1.2 方法
1.2.1 模型制备 按照我们已报道的方法进行[4]。假手术组为插入栓线后1分钟将栓线拔出。
1.2.2 组织处理 于各时相点以0.5%戊巴比妥钠(30 mg/kg ip)麻醉动物,用4%甲醛磷酸缓冲液100 ml灌注。用于光镜检查的标本切成5 μm厚,行苏木精-伊红(HE)染色。用于电镜检查的标本切成1 mm3的组织块,置于3%戊二醛室温过夜,再经一系列组织处理和染色,H-300透射电镜观察并照相。
1.2.3 坏死神经元的确定 参照Farber等[5]的标准确定。光镜下见神经元核固缩、核分裂、核溶解,胞浆伊红染色增多,甚至苏木精染色消失,呈红色神经元(鬼影神经元)改变者均确定为坏死神经元。暗神经元视为不可逆性损伤神经元,亦列为计数范围。
, 百拇医药
1.2.4 组织损伤程度的定量 光镜放大400倍观察,每组每时相点每部位计数20个互不重叠的显微视野,准确计数出完整、坏死和暗神经元数量。
1.2.5 脑损伤程度与缺血时间的关系研究 因为本实验结果为一自变量(缺血时间)连续变化的结果,完全适用于对数方程所得出的S-形剂量反应曲线[3]。其运算公式为:Y=(a-d)/[1+(X/c)]+d 或 d logit{(Y-d)/(a-d)}/d ln(X)=±b。式中Y为组织损伤量,X为缺血时间,a为X=0的Y值,d为无限时间的组织损伤量,c为ET50,即a-d之间一半的组织损伤量,b为斜率。遵照对数公式,便可作出脑损伤程度-缺血时间关系曲线。在此曲线上可查出任意缺血时间的不可逆组织损伤量,明确缺血治疗窗。
1.2.6 统计学处理 采用第四军医大学SPLM统计软件。全部数据以均数±标准差(
, 百拇医药
2 结果
2.1 缺血后不同时间脑组织的改变 见表1。
表1 各组各时相点MCA闭塞后缺血侧基底节区、皮质和海马的神经元数量(
基底节区
皮质
海马
完整神经元
不可逆神经元
完整神经元
不可逆神经元
, http://www.100md.com
完整神经元
不可逆神经元
0
235±88
3
375±85
2
152±36
2
0.5小时
176±43
55±13*
376±90
, 百拇医药
13
157±41
4
1小时
132±22
96±28*
302±57
62±13***
147±34
3
1.5小时
107±27
, 百拇医药
147±31*
247±51
132±36**
149±37
2
2小时
31±8
217±35
183±36
192±38*
138±29
6
, http://www.100md.com
4小时
28±5
216±33
107±34
266±45*
142±31
0
6小时
35±11
226±42
93±23
276±85
, 百拇医药 136±28
5
12小时
25±8
215±38
87±25
287±83
137±32
15
24小时
24±6
208±39
85±21
, http://www.100md.com
297±93
75±19
71±22*
48小时
24±7
222±43
79±24
288±84
34±11
124±26*
与前一时相点相比*P<0.05,**P<0.01,***P<0.001
, 百拇医药
2.1.1 光镜观察 正常对照组和假手术组各时相点双侧大脑半球均可见散在的暗神经元和坏死神经元,但20个高倍视野的总数不超过10个。MCA闭塞 0.5小时,暗神经元和坏死神经元首先大量出现在缺血侧基底节区,并见完整神经元周围间歇增大、胶质水肿、炎细胞侵润。至MCA闭塞 1小时,这些改变才逐步扩展到皮质。基底节区的细胞损伤高峰期位于MCA闭塞 0.5小时至2小时,皮质为MCA闭塞 1小时至6小时,而双侧海马MCA闭塞 24小时内仅见散在极少量的暗神经元和坏死神经元分布,但病侧海马组织水肿持续存在,重于健侧。MCA闭塞 24小时后,海马的暗神经元和坏死神经元迅速增加,如表1所示。基底节区和皮质MCA闭塞24小时后逐渐出现盘状坏死(图1),而海马始终未见盘状坏死。
图1 MCA闭塞24小时,缺血侧基底节区切片。HE×400
2.1.2 电镜观察 神经元胞浆破碎、线粒体肿胀或空泡化,胞核缩小变形、核膜电密集物沉积、染色质聚集、髓鞘水肿,其板层松散分离(图2)。
, http://www.100md.com
图2 缺血神经元电镜照片 TE×12K
2.2 脑损伤程度与缺血时间的关系 将MCA闭塞组各时相点的相应数据转换为占该时相点的百分比,再代入对数方程Y=(a-d)/[1+(X/c)]+d 或 d logit{(Y-d)/(a-d)}/d ln(X)=±b,即可绘出脑损伤程度-缺血时间关系曲线。并在此曲线上直接查出治疗窗数据(见表2)。
表2 Wistar大鼠MCA分布区治疗窗参数(
CR
ET50
NR
基底节区
, 百拇医药
17±8
63±38
203±117
皮 质
35±12
125±56
356±154
海 马
530±214
1025±368
2278±876
注:CR是缺血损伤完全恢复(complete recovery)的最大时间,其不可逆性损伤量占5%;NR是缺血损伤不能恢复(no recovery)的最短时间,其不可逆性损伤量占95%;ET50代表50%的组织不可逆损伤量的时间。
, http://www.100md.com
3 讨论
分析本实验所见,持续MCA闭塞,其供血区脑组织出现时间依赖性病理变化,这些变化可归纳为三个阶段,即组织水肿期,神经元急剧损伤期和盘状坏死期。组织水肿期神经元水肿、变形、其周围间隙增大,间质水肿。其超微结构改变为染色质聚集、内质网扩张、线粒体肿胀等。这些改变多发生于MCA闭塞数分钟,最长不超过2小时。本实验海马在MCA闭塞24小时内均为此改变,可能与海马主要由大脑前动脉供血并受脑组织释放的高浓度活性介质或递质作用和应激性损伤有关。Lyden PD等的研究业已证明,如果此时迅速恢复组织灌注,这些改变可以逆转[6]。神经元急剧损伤期:如果组织持续缺血,坏死和暗神经元将在组织水肿期后急剧增多,其超微结构改变为神经元胞核缩小变形、核膜电密集物沉积、染色质边聚、髓鞘水肿、板层松散分离等。此期因部位不同其发生的时间变化甚大,短者缺血发作后数十分钟,长者数十小时甚至数天,故名迟发性神经元坏死。这些改变并不因组织灌注的恢复而逆转。盘状坏死期为大块组织细胞(包括神经间质、血管和神经元)崩解、凝固性坏死,间有胶质细胞的增生。本期是脑缺血性损伤的最坏的结果。
, 百拇医药
从本研究结果可见,治疗窗是缺血发作后缺血脑组织存在有不同数量因血液复流而逆转的神经元的时间。应用对数方程研究发现,大鼠的脑缺血时间依赖性病理变化完全符合剂量反应曲线的S-形分布,可以认为CR点以短的时间段是最理想的治疗窗,CR至ET50之间的时间段是较理想的治疗窗,但位居NR至ET50之间的时间并非无治疗意义。可见,治疗窗是对组织可逆性大小而言。本实验还发现,纵然同一只大鼠,MCA分布各区的组织损伤程度各不相同,即各部位的治疗窗不一致,说明治疗窗绝非是一个固定的参数,它将因动物种类[1]、阻塞血管和缺血部位及组织可逆的期望值不同而异。因此,为了最大限度地挽救缺血损伤组织,避免漏治及过度治疗病例,我们强调,治疗窗应根据具体病人的阻塞血管和缺血部位的不同而行“个体化”判定。
参 考 文 献
1,Justin A,Zivin.Factors determining the therapeutic window for stroke.Neurology,1998,50:599
, http://www.100md.com
2,Koizumi J,Yoshida Y, Nakazwa F,et al.Exerimental studies of ischemic brain edema:A new experimental mode of cerebral embolism in rats in wich recirculation can be introduced in the ischemic area.Stroke,1986,8:1
3,Aronowski J,Ostrow P,Samways E,et al.Graded bioassay for demonstration of brain rescue from experimental acute ischemia in rats.Stroke,1994,25:2235
4,何明利,陈曼娥,王景周,等.急性脑缺血鼠下丘脑-垂体-肾上腺轴的活动特征.中华神经科杂志,1998,31:364
5,Farber JL.Biology of disease:membrane injury and calcium homeostasis in the pathogenesis of coagulation necrosis.Lab Invest.1982,47:114
6,Lyden PD,Grotta JC,Levine SR,et al.Intravenous thrombolysis for acute stroke.Neurology,1997,49:14
收稿1999-06-29, 百拇医药