颈椎骨折脱位合并椎动脉损伤
作者:任先军
单位:400037 重庆,第三军医大学新桥医院骨科
关键词:颈椎;创伤和损伤;椎动脉;磁共振血管造影术
中华骨科杂志000202
【摘要】目的探讨颈椎骨折脱位与椎动脉损伤的相关性。方法20例闭合性颈椎创伤患者,同时接受颈椎MRI和椎动脉磁共振血管成像(MRA)检查。结果20例闭合性颈椎损伤中,5例无椎动脉血流成像,均为单侧,左侧2例,右侧3例。其中颈椎骨折3例,单侧小关节脱位1例,无放射影像的异常脊髓损伤1例。4例椎动脉损伤患者无任何症状,1例有轻度头昏、嗜睡。结论颈椎骨折脱位可并发椎动脉损伤,由于缺乏特异性症状,前瞻性MRA检查是最重要的方法。
Vertebral artery injuries associated with fracture and dislocation of the cervical spine
, 百拇医药
REN Xianjun.
(Department of Orthopaedic Surgery, Xinqiao Hospital, The Third Military Medical University, Chongqing 400037, China)
【 Abstract】 Objective To elucidate the correlation between vertebral artery injuries and fracture and dislocation of the cervical spine. Methods 20 patients with closed cervical spine injuries had undergone the MRI and magnetic resonance angiography (MRA) of the cervical spine. Results Complete absence of blood flow image due to disruption of the vertebral artery was demonstrated by MRA in 5 of the 20 patients. All happened unilaterally. There were 2 left vertebral artery occlusion and 3 right. Of the five patients with vertebral artery injuries, there were three cervical vertebral fracture, one unilateral facet dislocation, one spinal cord injury without radiagraphic abnormality. Four patients were without any symptoms of vertebral artery insufficiency. One had slight dizziness.Conclusion Cervical spine fracture and dislocation may associate with vertebral artery injuries. MRA is the most important prospective method of detection of this condition which ususlly does not manifest with symptoms of occlusion of the vertebral artery.
, http://www.100md.com
【 Key words】Cervical vertebrae;Wounds and injuries;Vertebral artery;Magnetic resonance angiography
椎动脉损伤是闭合性颈椎骨折脱位的一种少见的并发症,严重者可导致患者死亡。由于其临床症状常与脑外伤相混淆,普通影像学上又无特殊表现,因此极易被疏漏,目前国内尚未见报告。1999年1~6月间,我们对20例颈椎损伤患者行MRI检查时,同时做了椎动脉MRA血管造影(magnetic resonance angiography,MRA),发现其中有5例合并椎动脉损伤。
资料与方法
本组20例,均系闭合性颈椎损伤。男15例,女5例;年龄20~64岁,平均33岁。颈椎骨折12例,单侧小关节脱位5例,颈椎不稳2例,无放射影像异常的脊髓损伤(spine cord injury with out radiographic abnormity,SCIWORA)1例。车祸伤9例,坠落伤7例,跳水伤2例,其他伤2例。
, http://www.100md.com
脊髓损伤按照美国脊髓损伤学会的分类标准(ASIA)[1]:A型6例,B型4例,C型5例,D型3例,E型2例。患者经牵引稳定或颈围制动后,行颈椎MRI和椎动脉MRA扫描。当椎动脉第一段或第二段完全无血流成像时,即确诊为椎动脉阻塞。
结果
20例中,5例合并有椎动脉阻塞,均为单侧。左侧2例,右侧3例。其中颈椎骨折3例,单侧小关节脱位1例,无放射影像异常的脊髓损伤1例。脊髓损伤A型1例,C型2例,D型2例。5例患者神志清楚,均无损伤平面以上的神经症状。
典型病例
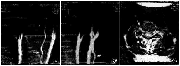
男,53岁,高处坠落致头颈部损伤,四肢活动障碍2 d入院。查体:患者神志清楚,四肢不全瘫。X线片示:C5椎体前上缘骨折,C4,5半脱位(图1),MRI示:C4,5椎间盘稍膨出,脊髓在C4,5椎体平面有挫伤变性。MRA扫描发现右侧椎动脉完全无血流成像,C5水平常规MRI T2横断面上,右侧椎动脉内可见到高信号血栓影像(图2~3),确诊为右侧椎动脉损伤。
, 百拇医药
图1 C5前上缘骨折,C4,5半脱位
讨论
椎动脉为椎-基底动脉系的主干动脉,供应脑干及小脑等重要生命结构。椎动脉通常分为四段:自锁骨下动脉起始部至进入颈椎横突孔前为第一段(颈段);穿过C6~1横突孔的部分为第二段(椎骨段);寰椎横突孔至寰枕后膜为第三段(枕段);穿寰枕后膜经枕骨大孔入颅至合并为基底动脉处为第四段(颅内段)。椎动脉第二段被固定在横突孔内,最容易造成损伤。
椎动脉损伤可见于颈部穿通性外伤、产伤等。颈椎创伤合并椎动脉损伤的报告很少,但一些学者认为,闭合性颈椎创伤合并椎动脉损伤并不罕见,只是由于椎动脉阻塞后所致症状无特异性,传统的血管造影又有一定的危险性,因而常常被漏诊[2]。Louw等[3]应用数字减影血管造影(digital subtraction angiography,DSA)检查了12例颈椎小关节脱位患者,9例有椎动脉阻塞。Willis等[4]同法检测了26例颈椎创伤患者,12例有椎动脉阻塞。Friedman等[5]对37例颈椎创伤患者和37例对照组患者分别应用MRA检查。在颈椎创伤组中,椎动脉损伤占19%,而对照组椎动脉显像均正常。Giacobetti等[1]应用MRA对61例颈椎创伤患者进行了前瞻性研究,其中12例有椎动脉阻塞。并认为,年龄、性别、神经损伤程度与椎动脉损伤无明显相关性。本文20例颈椎创伤经MRA检查,发现5例合并有椎动脉阻塞。其中右侧2例,左侧3例,其发生率低于文献报告,这可能与非随机选择检查有关。MRA血管造影是利用MR特殊的流动效应进行血管造影。应用MRA检查椎动脉损伤,其敏感性高、特异性强,并有较好的分辨率。与传统血管造影相比,具有无创伤的优点[1]。因此,我们认为对颈椎骨折脱位怀疑合并有椎动脉损伤者,应首选MRA检查。
, 百拇医药
多数学者认为,在非穿通性颈椎创伤中,椎动脉损伤主要是由于牵伸所致[1,8]。椎动脉第二段被固定在横突孔内,颈椎骨折脱位时,椎动脉在邻近两个横突孔间受到过度的牵伸而张力增大,造成血管内壁原发性挫伤,继之腔壁血栓形成,血凝块不断扩大,最终形成完全性栓塞。在常规MRIT2横断面上,椎动脉内可见到高信号的血栓影像,这也是区别于椎动脉先天性缺如的依据(图3)。此外,少数情况下,短暂的血管痉挛也可造成椎动脉阻塞。
在各种致伤因素中,屈曲牵伸和屈曲压缩暴力最容易造成椎动脉的过度牵引损伤。Willis等[4]报告在一组屈曲牵伸暴力所致的颈椎小关节脱位病例中,46%合并有椎动脉损伤。Giacobetti等[1]的前瞻性研究显示,83%的椎动脉损伤是由屈曲暴力所致,仅17%是由过伸暴力造成的。本文5例椎动脉损伤者,3例系屈曲暴力,1例为过伸暴力,另1例致伤因素不详。这与文献报告基本一致。我们认为,对屈曲暴力所致颈椎创伤,应考虑合并椎动脉损伤的可能。如果条件许可时,应常规行MRA检查。
, http://www.100md.com
图2MRA正、斜位椎动脉影像 a MRA示左侧椎动脉成像清楚(箭头示),右侧椎动脉完全无成像(C2~C6段) b 斜位MRA示左侧椎动脉成像清楚(箭头示),右侧椎动脉完全无成像(C2~C6段) 图3 C5水平MRIT2横断面上,右侧横突孔处椎动脉内可见高信号血栓影像(箭头示)
单侧椎动脉损伤后,由于有对侧椎动脉及后下小脑动脉的血供,很少会出现神经损伤症状[6]。但若存在动脉粥样硬化,缺少吻合通道及对侧椎动脉缺失等情况时,可出现椎动脉供血不足表现。如头昏、语言障碍、吞咽困难、复视及视力模糊等,严重者可造成死亡[7]。单侧椎动脉缺失约占1.8%。Giacobetti等[1]报告在12例单侧椎动脉损伤患者中,9例无任何症状,仅3例有一过性复视。本组5例单侧椎动脉损伤患者,4例无任何症状,1例有轻度头昏、嗜睡,经对症、抗凝治疗后消失。
, 百拇医药
椎动脉损伤后,常规的抗凝治疗效果常不够满意。Vaccaro等[2]经过平均25.8个月的随访发现,仅个别痉挛所致的阻塞能够再通,在MRA上显示通畅的血流成像,而绝大多数阻塞的椎动脉没有再通。如何促使栓塞椎动脉的再通,将是我们以后继续研究的课题。同时,我们也强调,对这类患者,在施行颈椎手术时应特别注意手术方式的选择以及手术操作,避免损伤健侧椎动脉。本组5例患者都做了颈椎前路减压、保留终板、植骨融合术,术中我们特别注意在分离健侧颈长肌及用微型磨钻修整健侧椎间隙时,切勿损伤健侧椎动脉。因此,术后无一例出现脑干缺血症状。
参 考 文 献
1.Giacobetti FB, Vaccaro AR, Bos- Giacobetti MA, et al. Vertebral artery occlusion associated with cervical spine trauma: a prospective analysis. Spine ,1997, 22: 188- 192.
, 百拇医药
2.Vaccaro AR, Klein GR, Flanders AE, et al. Long term evaluation of vertebral artery injuries following cervical spine trauma using magnetic resonance angiography. Spine, 1998, 23: 789- 794.
3.Louw JA, Mafoyane NA, Small B, et al. Occlusion of the vertebral artery in cervical spine dislocations. J Bone Joint Surg(Br), 1990, 72:679- 681.
4.Willis BK, Greiner F, Orrison WW, et al. The incidence of vertebral artery injury after midcervical spine fracture or subluxation. Neurosurgery, 1994, 34:435- 442.
, 百拇医药
5.Friedman D, Flanders A, Thomas C, et al. Vertebral artery injury after acute cervical spine trauma: rate of occurrence as detected by MR angiography and assessment of clinical consequences. Am J Roentgenol,1995,164:443- 447.
6.Golueke P, Sclafani S, Phillips T, et al. Vertebral artery injury diagnosis and management. J Trauma, 1987, 27:856- 865.
7.Auer RN, Krcek J, Butt JC. Delayed symptoms and death after minor head trauma with occult vertebral artery injury. J Neurol Neurosurg Psychiatry, 1994, 57: 500- 502.
8.Bula WI, Loes DJ. Trauma to the cerebrovascular system. Neuroimaging Clin N Am,1994, 4: 753- 772.
收稿日期:1999-07-26, 百拇医药
单位:400037 重庆,第三军医大学新桥医院骨科
关键词:颈椎;创伤和损伤;椎动脉;磁共振血管造影术
中华骨科杂志000202
【摘要】目的探讨颈椎骨折脱位与椎动脉损伤的相关性。方法20例闭合性颈椎创伤患者,同时接受颈椎MRI和椎动脉磁共振血管成像(MRA)检查。结果20例闭合性颈椎损伤中,5例无椎动脉血流成像,均为单侧,左侧2例,右侧3例。其中颈椎骨折3例,单侧小关节脱位1例,无放射影像的异常脊髓损伤1例。4例椎动脉损伤患者无任何症状,1例有轻度头昏、嗜睡。结论颈椎骨折脱位可并发椎动脉损伤,由于缺乏特异性症状,前瞻性MRA检查是最重要的方法。
Vertebral artery injuries associated with fracture and dislocation of the cervical spine
, 百拇医药
REN Xianjun.
(Department of Orthopaedic Surgery, Xinqiao Hospital, The Third Military Medical University, Chongqing 400037, China)
【 Abstract】 Objective To elucidate the correlation between vertebral artery injuries and fracture and dislocation of the cervical spine. Methods 20 patients with closed cervical spine injuries had undergone the MRI and magnetic resonance angiography (MRA) of the cervical spine. Results Complete absence of blood flow image due to disruption of the vertebral artery was demonstrated by MRA in 5 of the 20 patients. All happened unilaterally. There were 2 left vertebral artery occlusion and 3 right. Of the five patients with vertebral artery injuries, there were three cervical vertebral fracture, one unilateral facet dislocation, one spinal cord injury without radiagraphic abnormality. Four patients were without any symptoms of vertebral artery insufficiency. One had slight dizziness.Conclusion Cervical spine fracture and dislocation may associate with vertebral artery injuries. MRA is the most important prospective method of detection of this condition which ususlly does not manifest with symptoms of occlusion of the vertebral artery.
, http://www.100md.com
【 Key words】Cervical vertebrae;Wounds and injuries;Vertebral artery;Magnetic resonance angiography
椎动脉损伤是闭合性颈椎骨折脱位的一种少见的并发症,严重者可导致患者死亡。由于其临床症状常与脑外伤相混淆,普通影像学上又无特殊表现,因此极易被疏漏,目前国内尚未见报告。1999年1~6月间,我们对20例颈椎损伤患者行MRI检查时,同时做了椎动脉MRA血管造影(magnetic resonance angiography,MRA),发现其中有5例合并椎动脉损伤。
资料与方法
本组20例,均系闭合性颈椎损伤。男15例,女5例;年龄20~64岁,平均33岁。颈椎骨折12例,单侧小关节脱位5例,颈椎不稳2例,无放射影像异常的脊髓损伤(spine cord injury with out radiographic abnormity,SCIWORA)1例。车祸伤9例,坠落伤7例,跳水伤2例,其他伤2例。
, http://www.100md.com
脊髓损伤按照美国脊髓损伤学会的分类标准(ASIA)[1]:A型6例,B型4例,C型5例,D型3例,E型2例。患者经牵引稳定或颈围制动后,行颈椎MRI和椎动脉MRA扫描。当椎动脉第一段或第二段完全无血流成像时,即确诊为椎动脉阻塞。
结果
20例中,5例合并有椎动脉阻塞,均为单侧。左侧2例,右侧3例。其中颈椎骨折3例,单侧小关节脱位1例,无放射影像异常的脊髓损伤1例。脊髓损伤A型1例,C型2例,D型2例。5例患者神志清楚,均无损伤平面以上的神经症状。
典型病例
男,53岁,高处坠落致头颈部损伤,四肢活动障碍2 d入院。查体:患者神志清楚,四肢不全瘫。X线片示:C5椎体前上缘骨折,C4,5半脱位(图1),MRI示:C4,5椎间盘稍膨出,脊髓在C4,5椎体平面有挫伤变性。MRA扫描发现右侧椎动脉完全无血流成像,C5水平常规MRI T2横断面上,右侧椎动脉内可见到高信号血栓影像(图2~3),确诊为右侧椎动脉损伤。
, 百拇医药
图1 C5前上缘骨折,C4,5半脱位
讨论
椎动脉为椎-基底动脉系的主干动脉,供应脑干及小脑等重要生命结构。椎动脉通常分为四段:自锁骨下动脉起始部至进入颈椎横突孔前为第一段(颈段);穿过C6~1横突孔的部分为第二段(椎骨段);寰椎横突孔至寰枕后膜为第三段(枕段);穿寰枕后膜经枕骨大孔入颅至合并为基底动脉处为第四段(颅内段)。椎动脉第二段被固定在横突孔内,最容易造成损伤。
椎动脉损伤可见于颈部穿通性外伤、产伤等。颈椎创伤合并椎动脉损伤的报告很少,但一些学者认为,闭合性颈椎创伤合并椎动脉损伤并不罕见,只是由于椎动脉阻塞后所致症状无特异性,传统的血管造影又有一定的危险性,因而常常被漏诊[2]。Louw等[3]应用数字减影血管造影(digital subtraction angiography,DSA)检查了12例颈椎小关节脱位患者,9例有椎动脉阻塞。Willis等[4]同法检测了26例颈椎创伤患者,12例有椎动脉阻塞。Friedman等[5]对37例颈椎创伤患者和37例对照组患者分别应用MRA检查。在颈椎创伤组中,椎动脉损伤占19%,而对照组椎动脉显像均正常。Giacobetti等[1]应用MRA对61例颈椎创伤患者进行了前瞻性研究,其中12例有椎动脉阻塞。并认为,年龄、性别、神经损伤程度与椎动脉损伤无明显相关性。本文20例颈椎创伤经MRA检查,发现5例合并有椎动脉阻塞。其中右侧2例,左侧3例,其发生率低于文献报告,这可能与非随机选择检查有关。MRA血管造影是利用MR特殊的流动效应进行血管造影。应用MRA检查椎动脉损伤,其敏感性高、特异性强,并有较好的分辨率。与传统血管造影相比,具有无创伤的优点[1]。因此,我们认为对颈椎骨折脱位怀疑合并有椎动脉损伤者,应首选MRA检查。
, 百拇医药
多数学者认为,在非穿通性颈椎创伤中,椎动脉损伤主要是由于牵伸所致[1,8]。椎动脉第二段被固定在横突孔内,颈椎骨折脱位时,椎动脉在邻近两个横突孔间受到过度的牵伸而张力增大,造成血管内壁原发性挫伤,继之腔壁血栓形成,血凝块不断扩大,最终形成完全性栓塞。在常规MRIT2横断面上,椎动脉内可见到高信号的血栓影像,这也是区别于椎动脉先天性缺如的依据(图3)。此外,少数情况下,短暂的血管痉挛也可造成椎动脉阻塞。
在各种致伤因素中,屈曲牵伸和屈曲压缩暴力最容易造成椎动脉的过度牵引损伤。Willis等[4]报告在一组屈曲牵伸暴力所致的颈椎小关节脱位病例中,46%合并有椎动脉损伤。Giacobetti等[1]的前瞻性研究显示,83%的椎动脉损伤是由屈曲暴力所致,仅17%是由过伸暴力造成的。本文5例椎动脉损伤者,3例系屈曲暴力,1例为过伸暴力,另1例致伤因素不详。这与文献报告基本一致。我们认为,对屈曲暴力所致颈椎创伤,应考虑合并椎动脉损伤的可能。如果条件许可时,应常规行MRA检查。
, http://www.100md.com
图2MRA正、斜位椎动脉影像 a MRA示左侧椎动脉成像清楚(箭头示),右侧椎动脉完全无成像(C2~C6段) b 斜位MRA示左侧椎动脉成像清楚(箭头示),右侧椎动脉完全无成像(C2~C6段) 图3 C5水平MRIT2横断面上,右侧横突孔处椎动脉内可见高信号血栓影像(箭头示)
单侧椎动脉损伤后,由于有对侧椎动脉及后下小脑动脉的血供,很少会出现神经损伤症状[6]。但若存在动脉粥样硬化,缺少吻合通道及对侧椎动脉缺失等情况时,可出现椎动脉供血不足表现。如头昏、语言障碍、吞咽困难、复视及视力模糊等,严重者可造成死亡[7]。单侧椎动脉缺失约占1.8%。Giacobetti等[1]报告在12例单侧椎动脉损伤患者中,9例无任何症状,仅3例有一过性复视。本组5例单侧椎动脉损伤患者,4例无任何症状,1例有轻度头昏、嗜睡,经对症、抗凝治疗后消失。
, 百拇医药
椎动脉损伤后,常规的抗凝治疗效果常不够满意。Vaccaro等[2]经过平均25.8个月的随访发现,仅个别痉挛所致的阻塞能够再通,在MRA上显示通畅的血流成像,而绝大多数阻塞的椎动脉没有再通。如何促使栓塞椎动脉的再通,将是我们以后继续研究的课题。同时,我们也强调,对这类患者,在施行颈椎手术时应特别注意手术方式的选择以及手术操作,避免损伤健侧椎动脉。本组5例患者都做了颈椎前路减压、保留终板、植骨融合术,术中我们特别注意在分离健侧颈长肌及用微型磨钻修整健侧椎间隙时,切勿损伤健侧椎动脉。因此,术后无一例出现脑干缺血症状。
参 考 文 献
1.Giacobetti FB, Vaccaro AR, Bos- Giacobetti MA, et al. Vertebral artery occlusion associated with cervical spine trauma: a prospective analysis. Spine ,1997, 22: 188- 192.
, 百拇医药
2.Vaccaro AR, Klein GR, Flanders AE, et al. Long term evaluation of vertebral artery injuries following cervical spine trauma using magnetic resonance angiography. Spine, 1998, 23: 789- 794.
3.Louw JA, Mafoyane NA, Small B, et al. Occlusion of the vertebral artery in cervical spine dislocations. J Bone Joint Surg(Br), 1990, 72:679- 681.
4.Willis BK, Greiner F, Orrison WW, et al. The incidence of vertebral artery injury after midcervical spine fracture or subluxation. Neurosurgery, 1994, 34:435- 442.
, 百拇医药
5.Friedman D, Flanders A, Thomas C, et al. Vertebral artery injury after acute cervical spine trauma: rate of occurrence as detected by MR angiography and assessment of clinical consequences. Am J Roentgenol,1995,164:443- 447.
6.Golueke P, Sclafani S, Phillips T, et al. Vertebral artery injury diagnosis and management. J Trauma, 1987, 27:856- 865.
7.Auer RN, Krcek J, Butt JC. Delayed symptoms and death after minor head trauma with occult vertebral artery injury. J Neurol Neurosurg Psychiatry, 1994, 57: 500- 502.
8.Bula WI, Loes DJ. Trauma to the cerebrovascular system. Neuroimaging Clin N Am,1994, 4: 753- 772.
收稿日期:1999-07-26, 百拇医药