HSP70、NF应用于脑挫伤时间推断的实验研究
http://www.100md.com
法医学杂志 2000年第3期第16卷 论著
作者:王慧君 饶广勋 朱少华 秦启生
单位:王慧君(上海医科大学病理学教研室,上海 200032);饶广勋(同济医科大学法医学系,湖北武汉 430030);朱少华(德国Lübeck大学);秦启生(同济医科大学法医学系,湖北武汉 430030)
关键词:脑挫伤;损伤时间;热休克蛋白70(HSP70);神经丝蛋白(NF)
法医学杂志000302
[摘要]应用免疫组化技术(SABC法),检测实验大鼠脑挫伤灶周围神经元和胶质细胞中热休克蛋白70(HSP70)和神经丝蛋白(NF)的染色变化。结果发现NF和HSP70在脑挫伤后30min便可检测到,而且仅出现在脑挫伤灶周围,12~24h后逐渐消失,故此两项指标既可作为早期脑挫伤时间推断的依据,同时也可作为判断脑挫伤灶是否存在及区分生前和死后脑挫伤的重要标志。
, 百拇医药
[中图分类号]DF795.1 [文献标识码]A
[文章编号]1004-5619(2000)03-0132-03
A study of HSP70 and NF in brain contusion timing
Wang Huijun,et al.
(Department of Pathology, Shanghai Medical University, Shanghai 200032,PRC)
The changes of HSP70 and NF after brain contusion were studied by the immunohistochemistry method.HSP70 and NF were seen at 30 min after injury around the wound area, but faded away after 12- 24h.The result suggests that these two proteins could be used to estimate brain contusion time, to diagnose brain wound and to distinguish antemortem and postmortem brain contusion.
, 百拇医药
Key words: Brain contusion;HSP70;NF
脑挫伤(Brain Contusion)是法医病理检案中常见的一种脑损伤,脑挫伤致死在法医病理学中占有重要地位。由于脑挫伤后存活时间长短不一,而根据法医尸体解剖及一般HE染色结果很难确定具体的损伤时间,很难判断生前和死后脑挫伤,难以满足检案的要求。故寻找一种准确推断早期脑挫伤时间的方法已成为法医病理学亟待解决的难题。目前,人们对脑损伤后变化的认识,已从大体形态到细胞、分子结构、基因水平;从定性、定位到定量都有了较深入的发展。但多数的研究工作侧重于弄清脑挫伤后病理改变的机理,虽然也涉及到时间因素,却并不侧重脑挫伤与时间的确切关系,以前这些方面的研究成果为法医病理学推断脑挫伤时间提供了依据和方向[1-3]。而真正将它应用于法医病理学中的脑挫伤时间推断的研究报道甚少[4,5]。
HSP70s为热休克基因家族中的一员,分子量在66~78KD之间。目前研究较多的是分子量为70KD和72KD的HSP(HSP70和72)。据Northern分析并经RT-PCR法证实,正常大鼠脑含少量HSP70mRNA,在发生局灶性缺血、损伤时,HSP70基因表达明显增加[6,7]。NF是神经元特有的细胞骨架成份之一,对维持神经元的形态、结构及生理功能都具有重要意义。脑创伤后NF发生异常磷酸化,减缓NF自胞体向轴突的运输,从而在神经元内形成病理性聚集[8]。王子慧等[9]报道,人脊髓创伤后2h即可用免疫组化法显示NF在轴突聚集、增粗。目前,法医学界尚未见将HSP70、NF应用于脑挫伤时间推断的研究报道,本实验应用免疫组化技术检测大鼠脑落体撞击伤后HSP70、NF蛋白的表达情况,对早期脑挫伤时间进行推断。
, 百拇医药
1 材料和方法
1.1 试剂
多克隆小鼠抗人和动物HSP70及单克隆小鼠抗人NF-200(N52)均为Sigma公司产品,SABC小鼠IgG试剂盒和DAB显色试剂盒均购自武汉博士德生物工程公司。
1.2 动物实验
1.2.1 实验动物
健康Wistar大鼠60只,雌雄不限,体重184±32g(同济医科大学实验动物中心提供)。
1.2.2 动物模型
随机分为实验组和对照组。实验组又分8小组,每小组6只;对照组又分正常对照组、假损伤组和死后损伤组,每组4只。大鼠经2%戊巴比妥钠腹腔注射麻醉后置于鼠台上,沿头中线处纵形剪开头皮,在右顶部开骨窗(大小约0.8cm×0.8cm),暴露硬脑膜。采用硬膜外落体撞击法造成大鼠右顶叶局灶性脑挫伤。挫伤当时可见骨窗内脑组织凹陷、出血,但硬脑膜保持完整,动物不死亡。缝合头皮、消毒、观察。假损伤组同损伤组一样行右顶骨开窗,但不进行落体撞击;死后损伤组于处死动物后30min行右顶骨开窗,再行脑落体撞击。损伤组大鼠分别于伤后即刻、30min、1h、3h、6h、12h、24h和48h行断头处死;假损伤组于颅骨开窗后3h处死;正常对照组直接断头处死。大鼠处死后立即取出全脑,置于10%中性缓冲福尔马林溶液中固定24~36h。沿脑挫伤灶中央作双侧大脑半球冠状切面取材(厚约2mm),流水冲洗过夜。常规脱水,石蜡包埋,4μm切片。HE染色及免疫组化染色。
, 百拇医药
1.2.3 染色方法
HE染色:为常规染色法。
HSP70、NF免疫组化染色:为SABC法,染色步骤如下:石蜡切片常规脱蜡至水,3%H2O2/PBS,5min灭活内源性酶。PBS洗,2min×3次。电炉加热修复抗原,96~100℃,冷却后进行下一步。滴加抗原修复液,室温下10min,蒸馏水洗,2min×3次。正常血清封闭,室温下10min,弃去多余的液体,不洗。滴加1:80稀释的一抗,37℃1h+4℃冰箱过夜。PBS洗,2min×3次。滴加生物素化二抗,37℃30min。PBS洗,2min×3次。加SABC,37℃30min。PBS洗,2min×3次。DAB显色,显微镜下控制显色时间,蒸馏水洗。苏木素复染细胞核,脱水、透明、封片。
2 实验结果
2.1 HE染色观察
, 百拇医药
损伤组48例,除2例未见明显的挫伤和出血外,其余均有不同程度的出血,其中42例(87.5%)伴有轻重不等的脑组织挫碎、坏死,其部位局限于右顶叶脑皮质。表现为皮质层内多个大小不一的、散在的出血灶,有的伴有脑组织的挫碎。伤后即刻、30min、1h及3h组仅见挫伤灶内脑组织出血、挫碎,脑组织轻度水肿。伤后6h组挫伤出血灶附近神经元突起消失,胞体变圆,胞核浓染,个别星形胶质细胞肿胀。伤后12h组挫伤区及其周围的大部分神经元胞核缩小呈三角形,胞体缩小变形,胞浆尼氏小体消失,呈深伊红色,星形胶质细胞肿胀。伤后24h组挫伤区残存神经元胞体、胞核浓缩,小胶质细胞增生,胞浆丰富、红染,挫伤边缘区星形胶质细胞变形,胞核增大呈肾形,染色深,脑组织水肿明显。伤后48h组挫伤区神经元胞体红染,胞核进一步浓染,小胶质细胞反应性增生,邻近蛛网膜下腔见多形核细胞浸润,挫伤区及其周围脑组织疏松,呈空网状。正常对照组为正常结构脑组织;假损伤组仅见脑组织轻度淤血、水肿;死后损伤组仅见少量蛛网膜下腔出血。
2.2 免疫组织化学染色观察
, 百拇医药
2.2.1 NF染色观察
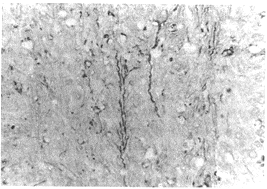
30min组即可见到脑挫伤灶周围的神经元胞浆内有较多的NF堆积,染成棕褐色;1h组及3h组见神经元胞浆内NF堆积,其数量与30min组相比无明显差别;但在1h组部分神经元轴突呈NF阳性着色,轴突稍增粗,但未见明显扭曲(图1)。6h组仍可在挫伤灶周围的神经元胞浆内见到NF堆积;12h组仅在挫伤灶周围见少量神经元胞浆呈NF阳性着色;48h组NF阳性着色的神经元更少,有的仅见神经元的部分胞浆着色,轴索肿胀、扭曲,并见空泡变(图2)。对照组仅见轴索内呈细丝状均匀排列的NF。
图1 部分神经元轴突呈NF阳性着色,轴突稍增粗,但未见明显扭曲。1hNF×200
图2 轴索肿胀、扭曲,并见空泡变。48hNF×400
, 百拇医药
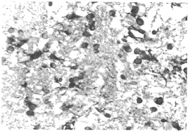
2.2.2 HSP70染色观察
30min组在挫伤灶周围可见少量HSP70阳性染色细胞(图3)。1h组阳性细胞数量稍多。3h组见挫伤灶周围有较多HSP70阳性染色细胞,胞核及胞浆均着色,胞浆着色更浓。12h组可见挫伤灶周围有较多的HSP70阳性着色细胞,胞核及胞浆均着色(图4)。24h组及48h组未见HSP70蛋白表达。HSP70蛋白仅在脑挫伤灶周围表达,远离挫伤区的脑组织不表达。对照组均未见HSP70蛋白表达。
图3 脑挫伤灶周围见少量HSP70阳性染色细胞。30minHSP70×400
图4 脑挫伤灶周围见较多HSP70阳性染色细胞。12hHSP70×400
, 百拇医药
3 讨论
Lindenberg根据形态学变化将脑挫伤分为出血性、坏死性和撕裂性脑挫伤,其中,以出血性脑挫伤最常见。本实验结果显示,损伤组48例中除2例未见明显的出血、挫伤外,其余46例均有不同程度的出血,其中87.5%(42例)伴有轻重不等的脑组织挫碎、坏死,有的伴有周边部脑组织撕裂。因此三种挫伤类型常混合出现,不易区分,这与实验中撞击头直接作用于硬脑膜及脑组织,缺乏头皮及颅骨保护有关。
传统的推断挫伤时间的方法是以脑挫伤后的形态学改变为依据。由于脑挫伤的形态学改变出现较晚,需经6~12h或更长时间才能作出判断,而且各种变化的时相又相互重叠,无明确的时间分界。因此,需要寻找更为准确可靠的指标。
热休克蛋白的主要功能是维持细胞内蛋白自稳,提高细胞对应激反应的耐受性。当细胞处于应激状态时,HSP基因表达,保护细胞。Brown等[10]研究发现,大脑半球锐器伤后2h,创道区及其周围脑组织内HSP70mRNA显著表达,12h后开始减少,至24h仅有少量HSP70mRNA表达。在远离创道区的脑组织中未见HSP70mRNA表达。本实验检测大鼠脑落体撞击伤后HSP70蛋白的表达情况。结果发现,伤后30min在挫伤灶周围有少量HSP70阳性染色细胞。1h见阳性细胞数量稍多。3h在挫伤灶周围有较多HSP70阳性染色细胞。伤后12hHSP70蛋白表达最多。24h组及对照组均未见HSP70蛋白表达。本实验所得出的HSP70蛋白的表达只局限于挫伤的脑组织周围,远离受伤部位的正常脑组织内无HSP70表达的结论与文献报导完全一致[11]。此外,我们的实验还发现:死后脑挫伤灶周围无HSP70表达。
, 百拇医药
NF主要分布于神经元的胞体及突起内,由3种不同分子量的亚单位组成。人脊髓创伤后2h即可用免疫组化法显示NF在轴突中聚集、增粗,创伤后18h,轴突断端出现“球样膨大”,24h后出现空泡样变性[9]。Grady[12]用三种不同亚单位的NF抗体检测脑外伤后存活6h至59d人体脑组织中轴索的变化时发现,伤后6h出现局部轴索肿胀,但结构尚完整;伤后12h,轴索肿胀明显,并有断裂。本实验用鼠抗NF200检测大鼠脑落体撞击伤后NF的变化,结果发现伤后30min即可见到脑挫伤灶周围神经元胞浆内有较多的NF堆积,染成棕褐色。挫伤远区未见着色;伤后1~3hNF在挫伤灶周围的神经元胞浆内堆积,其数量与30min相比无明显差异;6h仍见神经元胞浆内有NF阳性着色;伤后12h仅在挫伤区周围见部分神经元胞浆呈NF阳性着色;48hNF阳性着色的神经元更少,有的切片仅见神经元的部分胞浆着色,轴索肿胀、扭曲,并见空泡变。对照组仅见轴索内呈细丝状均匀排列的NF。
以上结果表明,NF和HSP70在脑挫伤后30min便可检测到,而且仅出现在脑挫伤灶周围,故此两项指标既可作为脑挫伤早期时间推断的依据,同时也可作为判断脑挫伤灶是否存在及区分生前和死后脑挫伤的重要标志。本实验结果主要局限于动物实验,且样本含量有限,但我们同时注意了对人体材料进行研究,取得了初步结果。今后可扩大样本含量或主要进行人脑样本研究,以期获得用于法医检案准确推断早期脑挫伤时间的方法。
, 百拇医药
参考文献:
[1] Sergeev VV.Micromorphological criteria of the early periods in craniocerebral trauma[J]. Sud Med Ekspert, 1991,34(4):19- 23.
[2] Fan L,Young PR,Barone FC,et al.Experimental brain injury induces differential expression of tumor necrosis factor- α mRNA in the CNS[J]. Mol Brain Res, 1996,36(2):287- 291.
[3] Dekosky ST,Goss JR,Miller PD,et al. Upregulation of nerve growth factor following cortical trauma[J]. Exp Neurol, 1994,130:173- 177.
, http://www.100md.com
[4] Zhang X,Niu W,Zhao X,et al.A study of enzymohistochemistry of cerebral cortical injury[J]. Forensic- Sci- Int, 1993,59 (1):19- 24.
[5]汪德文,张国华,姜景涛,等.根据S-100蛋白阳性胶质细胞的变化判断脑挫伤时间的实验研究[J].法医学杂志,1995,11(4):145-146.
[6] Raghupathi R, Mcintosh TK. Regionally and temporally distinct patterns of induction of c- fos,c- jun and junB mRNAs following experimental brain injury in the rat[J]. Mol Brain Res, 1996,37: 134- 144.
, http://www.100md.com
[7]吴梅筠.分子生物学在法医学中的应用[A].第五次全国法医学术交流会论文集(北京)[C].1996.265-269.
[8] Posmantur R, Hayes RL, Dixon CE, et al. Neurofilament 68 and Neurofilament 200 protein levels decrease after traumatic brain injury[J].J Neurotrauma, 1994,11( 5):533- 545.
[9]王子慧,GerhardL.人脊髓创伤后神经元病变的神经丝免疫组织化学研究[J].中国组织化学与细胞化学杂志,1995,4(2):134-138.
[10] Gonzalez MF, Shiraishi K, Hisomaga K, et al. Heat shock protein as markers of neural injury [J]. Mol Brain Res, 1989,6:93- 100.
, 百拇医药
[11] Brown IR, Rush SJ, Ivy GO. Induction of a heat shock gene at the site of tissue injury in the rat brain[J]. Neuron, 1989,2: 1559.
[12] Grady MS, Mclaughlin MR, Christman CW, et al. The use of antibodies targeted against the Neurofilament subunits for the detection of diffuse axonal injury in human[J]. J Neuropathol Exp Neurol, 1993,52:143.
(收稿日期:1998-12-17修回日期:1999-08-28), http://www.100md.com
单位:王慧君(上海医科大学病理学教研室,上海 200032);饶广勋(同济医科大学法医学系,湖北武汉 430030);朱少华(德国Lübeck大学);秦启生(同济医科大学法医学系,湖北武汉 430030)
关键词:脑挫伤;损伤时间;热休克蛋白70(HSP70);神经丝蛋白(NF)
法医学杂志000302
[摘要]应用免疫组化技术(SABC法),检测实验大鼠脑挫伤灶周围神经元和胶质细胞中热休克蛋白70(HSP70)和神经丝蛋白(NF)的染色变化。结果发现NF和HSP70在脑挫伤后30min便可检测到,而且仅出现在脑挫伤灶周围,12~24h后逐渐消失,故此两项指标既可作为早期脑挫伤时间推断的依据,同时也可作为判断脑挫伤灶是否存在及区分生前和死后脑挫伤的重要标志。
, 百拇医药
[中图分类号]DF795.1 [文献标识码]A
[文章编号]1004-5619(2000)03-0132-03
A study of HSP70 and NF in brain contusion timing
Wang Huijun,et al.
(Department of Pathology, Shanghai Medical University, Shanghai 200032,PRC)
The changes of HSP70 and NF after brain contusion were studied by the immunohistochemistry method.HSP70 and NF were seen at 30 min after injury around the wound area, but faded away after 12- 24h.The result suggests that these two proteins could be used to estimate brain contusion time, to diagnose brain wound and to distinguish antemortem and postmortem brain contusion.
, 百拇医药
Key words: Brain contusion;HSP70;NF
脑挫伤(Brain Contusion)是法医病理检案中常见的一种脑损伤,脑挫伤致死在法医病理学中占有重要地位。由于脑挫伤后存活时间长短不一,而根据法医尸体解剖及一般HE染色结果很难确定具体的损伤时间,很难判断生前和死后脑挫伤,难以满足检案的要求。故寻找一种准确推断早期脑挫伤时间的方法已成为法医病理学亟待解决的难题。目前,人们对脑损伤后变化的认识,已从大体形态到细胞、分子结构、基因水平;从定性、定位到定量都有了较深入的发展。但多数的研究工作侧重于弄清脑挫伤后病理改变的机理,虽然也涉及到时间因素,却并不侧重脑挫伤与时间的确切关系,以前这些方面的研究成果为法医病理学推断脑挫伤时间提供了依据和方向[1-3]。而真正将它应用于法医病理学中的脑挫伤时间推断的研究报道甚少[4,5]。
HSP70s为热休克基因家族中的一员,分子量在66~78KD之间。目前研究较多的是分子量为70KD和72KD的HSP(HSP70和72)。据Northern分析并经RT-PCR法证实,正常大鼠脑含少量HSP70mRNA,在发生局灶性缺血、损伤时,HSP70基因表达明显增加[6,7]。NF是神经元特有的细胞骨架成份之一,对维持神经元的形态、结构及生理功能都具有重要意义。脑创伤后NF发生异常磷酸化,减缓NF自胞体向轴突的运输,从而在神经元内形成病理性聚集[8]。王子慧等[9]报道,人脊髓创伤后2h即可用免疫组化法显示NF在轴突聚集、增粗。目前,法医学界尚未见将HSP70、NF应用于脑挫伤时间推断的研究报道,本实验应用免疫组化技术检测大鼠脑落体撞击伤后HSP70、NF蛋白的表达情况,对早期脑挫伤时间进行推断。
, 百拇医药
1 材料和方法
1.1 试剂
多克隆小鼠抗人和动物HSP70及单克隆小鼠抗人NF-200(N52)均为Sigma公司产品,SABC小鼠IgG试剂盒和DAB显色试剂盒均购自武汉博士德生物工程公司。
1.2 动物实验
1.2.1 实验动物
健康Wistar大鼠60只,雌雄不限,体重184±32g(同济医科大学实验动物中心提供)。
1.2.2 动物模型
随机分为实验组和对照组。实验组又分8小组,每小组6只;对照组又分正常对照组、假损伤组和死后损伤组,每组4只。大鼠经2%戊巴比妥钠腹腔注射麻醉后置于鼠台上,沿头中线处纵形剪开头皮,在右顶部开骨窗(大小约0.8cm×0.8cm),暴露硬脑膜。采用硬膜外落体撞击法造成大鼠右顶叶局灶性脑挫伤。挫伤当时可见骨窗内脑组织凹陷、出血,但硬脑膜保持完整,动物不死亡。缝合头皮、消毒、观察。假损伤组同损伤组一样行右顶骨开窗,但不进行落体撞击;死后损伤组于处死动物后30min行右顶骨开窗,再行脑落体撞击。损伤组大鼠分别于伤后即刻、30min、1h、3h、6h、12h、24h和48h行断头处死;假损伤组于颅骨开窗后3h处死;正常对照组直接断头处死。大鼠处死后立即取出全脑,置于10%中性缓冲福尔马林溶液中固定24~36h。沿脑挫伤灶中央作双侧大脑半球冠状切面取材(厚约2mm),流水冲洗过夜。常规脱水,石蜡包埋,4μm切片。HE染色及免疫组化染色。
, 百拇医药
1.2.3 染色方法
HE染色:为常规染色法。
HSP70、NF免疫组化染色:为SABC法,染色步骤如下:石蜡切片常规脱蜡至水,3%H2O2/PBS,5min灭活内源性酶。PBS洗,2min×3次。电炉加热修复抗原,96~100℃,冷却后进行下一步。滴加抗原修复液,室温下10min,蒸馏水洗,2min×3次。正常血清封闭,室温下10min,弃去多余的液体,不洗。滴加1:80稀释的一抗,37℃1h+4℃冰箱过夜。PBS洗,2min×3次。滴加生物素化二抗,37℃30min。PBS洗,2min×3次。加SABC,37℃30min。PBS洗,2min×3次。DAB显色,显微镜下控制显色时间,蒸馏水洗。苏木素复染细胞核,脱水、透明、封片。
2 实验结果
2.1 HE染色观察
, 百拇医药
损伤组48例,除2例未见明显的挫伤和出血外,其余均有不同程度的出血,其中42例(87.5%)伴有轻重不等的脑组织挫碎、坏死,其部位局限于右顶叶脑皮质。表现为皮质层内多个大小不一的、散在的出血灶,有的伴有脑组织的挫碎。伤后即刻、30min、1h及3h组仅见挫伤灶内脑组织出血、挫碎,脑组织轻度水肿。伤后6h组挫伤出血灶附近神经元突起消失,胞体变圆,胞核浓染,个别星形胶质细胞肿胀。伤后12h组挫伤区及其周围的大部分神经元胞核缩小呈三角形,胞体缩小变形,胞浆尼氏小体消失,呈深伊红色,星形胶质细胞肿胀。伤后24h组挫伤区残存神经元胞体、胞核浓缩,小胶质细胞增生,胞浆丰富、红染,挫伤边缘区星形胶质细胞变形,胞核增大呈肾形,染色深,脑组织水肿明显。伤后48h组挫伤区神经元胞体红染,胞核进一步浓染,小胶质细胞反应性增生,邻近蛛网膜下腔见多形核细胞浸润,挫伤区及其周围脑组织疏松,呈空网状。正常对照组为正常结构脑组织;假损伤组仅见脑组织轻度淤血、水肿;死后损伤组仅见少量蛛网膜下腔出血。
2.2 免疫组织化学染色观察
, 百拇医药
2.2.1 NF染色观察
30min组即可见到脑挫伤灶周围的神经元胞浆内有较多的NF堆积,染成棕褐色;1h组及3h组见神经元胞浆内NF堆积,其数量与30min组相比无明显差别;但在1h组部分神经元轴突呈NF阳性着色,轴突稍增粗,但未见明显扭曲(图1)。6h组仍可在挫伤灶周围的神经元胞浆内见到NF堆积;12h组仅在挫伤灶周围见少量神经元胞浆呈NF阳性着色;48h组NF阳性着色的神经元更少,有的仅见神经元的部分胞浆着色,轴索肿胀、扭曲,并见空泡变(图2)。对照组仅见轴索内呈细丝状均匀排列的NF。
图1 部分神经元轴突呈NF阳性着色,轴突稍增粗,但未见明显扭曲。1hNF×200
图2 轴索肿胀、扭曲,并见空泡变。48hNF×400
, 百拇医药
2.2.2 HSP70染色观察
30min组在挫伤灶周围可见少量HSP70阳性染色细胞(图3)。1h组阳性细胞数量稍多。3h组见挫伤灶周围有较多HSP70阳性染色细胞,胞核及胞浆均着色,胞浆着色更浓。12h组可见挫伤灶周围有较多的HSP70阳性着色细胞,胞核及胞浆均着色(图4)。24h组及48h组未见HSP70蛋白表达。HSP70蛋白仅在脑挫伤灶周围表达,远离挫伤区的脑组织不表达。对照组均未见HSP70蛋白表达。
图3 脑挫伤灶周围见少量HSP70阳性染色细胞。30minHSP70×400
图4 脑挫伤灶周围见较多HSP70阳性染色细胞。12hHSP70×400
, 百拇医药
3 讨论
Lindenberg根据形态学变化将脑挫伤分为出血性、坏死性和撕裂性脑挫伤,其中,以出血性脑挫伤最常见。本实验结果显示,损伤组48例中除2例未见明显的出血、挫伤外,其余46例均有不同程度的出血,其中87.5%(42例)伴有轻重不等的脑组织挫碎、坏死,有的伴有周边部脑组织撕裂。因此三种挫伤类型常混合出现,不易区分,这与实验中撞击头直接作用于硬脑膜及脑组织,缺乏头皮及颅骨保护有关。
传统的推断挫伤时间的方法是以脑挫伤后的形态学改变为依据。由于脑挫伤的形态学改变出现较晚,需经6~12h或更长时间才能作出判断,而且各种变化的时相又相互重叠,无明确的时间分界。因此,需要寻找更为准确可靠的指标。
热休克蛋白的主要功能是维持细胞内蛋白自稳,提高细胞对应激反应的耐受性。当细胞处于应激状态时,HSP基因表达,保护细胞。Brown等[10]研究发现,大脑半球锐器伤后2h,创道区及其周围脑组织内HSP70mRNA显著表达,12h后开始减少,至24h仅有少量HSP70mRNA表达。在远离创道区的脑组织中未见HSP70mRNA表达。本实验检测大鼠脑落体撞击伤后HSP70蛋白的表达情况。结果发现,伤后30min在挫伤灶周围有少量HSP70阳性染色细胞。1h见阳性细胞数量稍多。3h在挫伤灶周围有较多HSP70阳性染色细胞。伤后12hHSP70蛋白表达最多。24h组及对照组均未见HSP70蛋白表达。本实验所得出的HSP70蛋白的表达只局限于挫伤的脑组织周围,远离受伤部位的正常脑组织内无HSP70表达的结论与文献报导完全一致[11]。此外,我们的实验还发现:死后脑挫伤灶周围无HSP70表达。
, 百拇医药
NF主要分布于神经元的胞体及突起内,由3种不同分子量的亚单位组成。人脊髓创伤后2h即可用免疫组化法显示NF在轴突中聚集、增粗,创伤后18h,轴突断端出现“球样膨大”,24h后出现空泡样变性[9]。Grady[12]用三种不同亚单位的NF抗体检测脑外伤后存活6h至59d人体脑组织中轴索的变化时发现,伤后6h出现局部轴索肿胀,但结构尚完整;伤后12h,轴索肿胀明显,并有断裂。本实验用鼠抗NF200检测大鼠脑落体撞击伤后NF的变化,结果发现伤后30min即可见到脑挫伤灶周围神经元胞浆内有较多的NF堆积,染成棕褐色。挫伤远区未见着色;伤后1~3hNF在挫伤灶周围的神经元胞浆内堆积,其数量与30min相比无明显差异;6h仍见神经元胞浆内有NF阳性着色;伤后12h仅在挫伤区周围见部分神经元胞浆呈NF阳性着色;48hNF阳性着色的神经元更少,有的切片仅见神经元的部分胞浆着色,轴索肿胀、扭曲,并见空泡变。对照组仅见轴索内呈细丝状均匀排列的NF。
以上结果表明,NF和HSP70在脑挫伤后30min便可检测到,而且仅出现在脑挫伤灶周围,故此两项指标既可作为脑挫伤早期时间推断的依据,同时也可作为判断脑挫伤灶是否存在及区分生前和死后脑挫伤的重要标志。本实验结果主要局限于动物实验,且样本含量有限,但我们同时注意了对人体材料进行研究,取得了初步结果。今后可扩大样本含量或主要进行人脑样本研究,以期获得用于法医检案准确推断早期脑挫伤时间的方法。
, 百拇医药
参考文献:
[1] Sergeev VV.Micromorphological criteria of the early periods in craniocerebral trauma[J]. Sud Med Ekspert, 1991,34(4):19- 23.
[2] Fan L,Young PR,Barone FC,et al.Experimental brain injury induces differential expression of tumor necrosis factor- α mRNA in the CNS[J]. Mol Brain Res, 1996,36(2):287- 291.
[3] Dekosky ST,Goss JR,Miller PD,et al. Upregulation of nerve growth factor following cortical trauma[J]. Exp Neurol, 1994,130:173- 177.
, http://www.100md.com
[4] Zhang X,Niu W,Zhao X,et al.A study of enzymohistochemistry of cerebral cortical injury[J]. Forensic- Sci- Int, 1993,59 (1):19- 24.
[5]汪德文,张国华,姜景涛,等.根据S-100蛋白阳性胶质细胞的变化判断脑挫伤时间的实验研究[J].法医学杂志,1995,11(4):145-146.
[6] Raghupathi R, Mcintosh TK. Regionally and temporally distinct patterns of induction of c- fos,c- jun and junB mRNAs following experimental brain injury in the rat[J]. Mol Brain Res, 1996,37: 134- 144.
, http://www.100md.com
[7]吴梅筠.分子生物学在法医学中的应用[A].第五次全国法医学术交流会论文集(北京)[C].1996.265-269.
[8] Posmantur R, Hayes RL, Dixon CE, et al. Neurofilament 68 and Neurofilament 200 protein levels decrease after traumatic brain injury[J].J Neurotrauma, 1994,11( 5):533- 545.
[9]王子慧,GerhardL.人脊髓创伤后神经元病变的神经丝免疫组织化学研究[J].中国组织化学与细胞化学杂志,1995,4(2):134-138.
[10] Gonzalez MF, Shiraishi K, Hisomaga K, et al. Heat shock protein as markers of neural injury [J]. Mol Brain Res, 1989,6:93- 100.
, 百拇医药
[11] Brown IR, Rush SJ, Ivy GO. Induction of a heat shock gene at the site of tissue injury in the rat brain[J]. Neuron, 1989,2: 1559.
[12] Grady MS, Mclaughlin MR, Christman CW, et al. The use of antibodies targeted against the Neurofilament subunits for the detection of diffuse axonal injury in human[J]. J Neuropathol Exp Neurol, 1993,52:143.
(收稿日期:1998-12-17修回日期:1999-08-28), http://www.100md.com