腺苷蛋氨酸预防大鼠全肠外营养并发的胆汁淤积
作者:张洪海 李宁 刘放南 黎介寿
单位:(南京大学医学院临床学院,南京军区南京总医院解放军普通外科研究所,江苏南京 210002)
关键词:全肠外营养;胆汁淤积;腺苷蛋氨酸
肠外与肠内营养000313 摘要:目的:观察S-腺苷-L-蛋氨酸(SAMe)对大鼠TPN胆汁淤积的预防效果,并比较胆汁中胆盐的变化。方法:18只SD大鼠随机分为三组:对照组、TPN组、TPN+SAMe组,每组各6只。后两组均TPN支持5天,然后插管收集胆汁,测量胆汁流量,采血检测血清总胆酸(STBA)、GGT、ALT、AKP水平,观察光镜、电镜下肝的病理变化,检测胆汁中胆盐含量。结果:TPN组出现胆汁流下降,STBA、GGT水平升高,肝组织出现脂肪浸润、毛细胆管扩张及胆栓,而TPN+SAMe组较TPN组胆汁流升高,STBA、ALT水平下降,肝组织无明显异常。结论:在大鼠实施TPN时给予SAMe可有效预防TPN胆汁淤积的发生。
, http://www.100md.com
中图分类号:R459.3 文献标识码:A 文章编号:1007-810X(2000)03-0155-04
S-Adenosyl-L-Methionine prevents total parenteral nutrition-induced cholestasis in rats
ZHANG Hong-hai,LI Ning,LIU Fang-nan,LI Jie-shou
(Institute of General Surgery,Nanjing General Hospital of Nanjing Command,PLA,Nanjing 210002,Jiangsu,China)
Abstract:Objectives:This study was designed to observe the effect of s-adenosyl-l-methionine (SAMe) on total parenteral nutrition (TPN)-induced cholestasis in rats and to analyse the change among the bile acids in the bile.Methods:18 Sprague-Dawley rats were divided rando mly into 3 groups,control group,TPN group,TPN plus SAMe group.Each contained 6 rats.Nutrition support was lasted for 5 days except in the control group.Bile was collected by catheter to determine the bile flow and the blood sample were gathered to measure the levels of serum total bile acid (STBA),gamma-glutamyl-transpeptid ase (GGT),alanine aminotransferase (ALT) and alkaline phosphatase (AKP).The changes in the liver pathology were observed under light microscope and electron microscope.The billiary bile acid contents were determined by high-performance liquid chr omatographic (HPLC) method.Results:The TPN group showed a reduction of bile flow,elevated level of STBA and GGT,fat infiltration,and bile embolism in the liver.However,the TPN plus SAMe group showed the increase of bile flow,the decrease of STBA and ALT,and the normal liver morphology.Conclusions:The use of SAMe could prevent TPN induced cholestasis effectively in the rat.
, 百拇医药
Key words:Total parenteral nutrition;Cholestasis;Adenosyl-methionine
0 引 言
胆汁淤积为全肠外营养(total parenteral nutrition,TPN)的代 谢并发症之一,应用TPN病人中淤胆的发生率大约为7.4%~84%[1],不仅影响了 肠外营养 的应用,而且严重持久的胆汁淤积将导致不可逆转的肝功能损害,进而威胁到病人的生命。 30年来,对TPN淤胆的发生及诊治一直在研究和探索之中,目前仍未能彻底解决这一难题。 本实验以大鼠为模型,观察了S-腺苷-L-蛋氨酸(S-Adenosyl-L-methionine,SAMe)对TPN淤胆的预防效果。
1 材料与方法
1.1 动物分组 18只体重240~280 g的SD雄性大鼠,随 机分成三组,即对 照组(NC)(正常进食、饮水)、TPN组和TPN+SAMe组,每组6只。SAMe注射针剂(德国基诺 药厂)按80 mg/(kg*d)加入营养液中。实验组禁食,允许自由饮水,连续输液5天。
, 百拇医药
1.2 手术及TPN输液 氯胺酮腹腔麻醉后,用直径1.2 m m的硅胶管经右颈总静脉 插管,沿皮下由肩胛间引出,经固定在皮肤上的拉簧连接套管针壳、肝素帽、注射针头、输 液器、60 ml注射器等装置,由微量输液泵控制持续匀速输液。非蛋白热量供给为1 046 kJ( 250 kcal)/(kg。d),糖脂比7 ∶3,供氮1g/(kg。d);非蛋白热量∶氮为1 046 kJ(2 50 kcal)∶1 g 、输液速度185 ml/(kg。d),置管当天开始 24 h持续均匀输注TPN营养液。营养液配方如表1所示。
表1 TPN营养液配方
Table 1 Composition of TNA 营养液成分
每100 ml中含量(ml)
, 百拇医药
11.4%乐凡命
30.0
50%葡萄糖
46.9
30%英特利匹特
14.0
10%氯化钾
1.0
10%氯化钠
2.1
10%葡萄糖酸钙
0.6
水乐维他+维他利匹特
, 百拇医药
0.6
注射用水
4.8
1.3 标本采集 实验结束,氯胺酮腹腔麻醉后开腹,总 胆管内插管,留取1 h胆汁,然后 行心脏采血,抽取全部血液致死,留取相应肝组织块,分别以10%福马林液及2%戊 二醛液浸泡固定,血标本抗凝、离心后吸取上清液保存。
1.4 标本检测 血标本送检测血清谷丙转氨酶(ALT )、碱性磷酸酶(AKP)、γ- 谷胺酰转肽酶(γ-GT)、血清总胆酸(STBA)。肝标本于常规光镜下观察组织学变化,同时每组随机选取2例标本于电镜下观察。胆汁标本测量1 h的胆汁流量(bile flow,BF ),用反相高效液相色谱法测量胆汁中牛磺胆酸(TCA)、牛磺鹅脱氧胆酸(TCDCA)、牛磺 脱氧胆酸(TDCA)、牛磺石胆酸(TLCA)、甘氨胆酸(GCA)、甘氨鹅脱氧胆酸(GCDCA)、 甘氨脱氧胆酸(GDCA)、甘氨石胆酸(GLCA)水平,计算出总胆酸(TBA)水平。八种胆盐 标准品由美国Sigma公司提供。
, 百拇医药
1.5 统计分析 采用SPSS 8.0软件统计分析,组间比较 采取独立样本t检验。
2 结 果
2.1 胆汁流量变化 TPN组较对照组显著降低(P<0 .01),而TPN+SAMe组较TPN组显著升高(P<0.05),如表2、图1所示。
表2 各组胆汁流量变化 (μl/min)
Table 2 Changes of bile flow (μl/min)
对照组
TPN组
TPN+SAMe组
胆汁流量
, http://www.100md.com
21.75±2.79
13.78±4.86**
19.83±3.09#
** 与对照组比较,P<0.01;# 与TPN组比较,P<0.05
图1 胆汁流量变化
Figure 1 Changes of bile flow
** 与NC比较,P<0.01;# 与TPN比较,P<0.05
2.2 血清学指标变化 如表3所示。TPN组与对照组比 较,STBA、γ-GT水平有显著升高;TPN+SAMe组中STBA、ALT水平较TPN组显著降低(P<0.05 )。
, http://www.100md.com
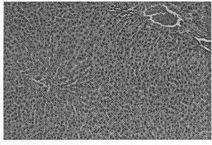
光镜下组织学变化 TPN组肝组织中小叶中央静脉 周围出现中度 脂肪变性,胆色素颗粒分散沉着,汇管区有炎症细胞浸润(0~+),TPN+SAMe组肝组织基本 正常,如图2、3所示。
表3 各组血清学指标变化
Table 3 Changes of serum biochemical parameters 血清学指标
对照组
TPN组
TPN+SAMe组
STBA(μmol/L)
14.16±4.17
41.38±21.22*
, 百拇医药
12.57±9.06#
γ-GT(IU/L)
1.50±0.55
4.00±1.55**
3.33±0.82
ALT(U)
28.50±8.55
53.33±40.13
12.67±7.58#
AKP(U)
125.67±17.60
, http://www.100md.com
102.00±41.46
73.50±12.66
* 与对照组比较,P<0.05,** P<0.01;# 与TPN组比较,P<0.05
图2 TPN组:肝小叶中央静脉周围呈中度脂肪变性,并可见胆色素颗粒沉着(HE×200)
Figure 2 The liver pathology in TPN group
图3 TPN+SAMe组:示肝小叶至汇管区,肝组织正常
(HE×100)
, 百拇医药
Figure 3 The liver morphology in TPN+SAMe group
2.4 电镜下组织学变化 TPN组胞质内见有脂滴及少许 胆汁残体,毛细胆管扩张,内有髓 鞘样内容物(为胆栓),微绒毛消失。TPN+SAMe组胞质内无脂滴、残体,毛细胆管不扩张 ,内无内容物,如图4、5所示。
2.5 胆汁中胆盐浓度变化 如表4所示,仅TPN+SAMe组 的甘氨鹅脱氧胆酸浓度较TPN组显著减少,其余各组间胆盐含量未见显著差异。
图4 TPN组:电镜下毛细胆管扩张,内有髓鞘样内容物(胆栓),微绒毛消失。(×6 000)
Figure 4 The electron microscopical examination of leiver in TPN group
, 百拇医药
图5 TPN+SAMe组:电镜下胞质中无脂滴,毛细胆管不扩张,其内无内 容物。(×10 000)
Figure 5 The electron microscopical examination in TPN+SMAe group
表4 各组间胆汁中胆盐浓度变化(mg/ml)
Table 4 Concentrations of bile acids in bile 胆 盐
对照组
TPN组
TPN+SAMe组
TBA
7.52±2.64
, 百拇医药
7.20±3.33
9.47±4.74
TCA
4.96±1.60
3.97±2.25
5.46±0.90
TCDCA
1.09±0.65
0.83±1.02
0.44±0.45
TDCA
0.50±0.47
, 百拇医药
0.96±0.99
0.47±0.21
TLCA
0.08±0.14
0.021±0.022
0.065±0.069
GCA
0.406±0.329
0.515±0.177
0.341±0.408
GCDCA
0.386±0.274
, 百拇医药
0.282±0.228
0.014±0.015#
GDCA
0.056±0.058
0.077±0.111
0.218±0.241
GLCA
0.039±0.047
0.543±0.649
2.462±4.551
# 与TPN组比较,P<0.05
, http://www.100md.com
3 讨 论
在某些疾病状况下,如短肠综合征、重症胰腺炎、肠外瘘等,病人须长期接受TPN支持,淤 胆的发生率可能显著增高。胆汁在肝外胆道的淤积、潴留可引起胆泥甚至促进胆结石的形 成,同时也为 由肠道侵入的细菌的孳生提供了条件,胆囊炎的发生率大为增加。更为重要的是,胆汁在 肝内的淤积会导致肝细胞的变性、脂肪浸润。严重持久的胆汁淤积将造成不可逆转的肝细胞 损害,肝组织逐渐纤维化,进而形成胆汁性肝硬化,最终出现门脉高压症和肝功能衰竭,危 及生命。应用TPN支持的病人一旦发生淤胆,如不能尽快缓解,将不得不提前终止TPN。部分 病人可以恢复肠内营养,某些依赖TPN的病人将因此丧失救治的机会。因此,寻找一种 能有效防治TPN淤胆的方法具有重要的临床意义。
随着对TPN淤胆认识的不断深化,人们曾针对可能的诱发因素,采取了一些相应的预防措施 。主要措施包括:①改善营养液配方,减少非蛋白能源的供给,混合应用 中、长链脂肪酸,添加二肽谷氨酰胺、牛磺酸等;②采用循环输注法,使TPN与非TPN在一定时间定时交替的周期性输注;③给予抗生素控 制感染;④使用胆囊收缩素促使胆囊收缩和胃肠道正常分泌。这些措施虽 然起到了一定的作用,但效果并不十分理想。
, 百拇医药
SAMe在体内由蛋氨酸和腺苷合成,其分布广泛性仅次于ATP,它作为一种基团供体或酶诱导 剂参与组织中的三种重要代谢过程:转甲基作用、转硫基作用和氨基丙基化作用(多胺合成 )[2]。SAMe的转移甲基基团可用来合成蛋白质、激素、磷脂等。外源性SAMe可 促进体内磷脂 的生物合成,使肝细胞膜流动性增大,同时促使膜上Na+-K+ ATP酶活性增高,使 胆盐 由血窦中摄取增多,从而减轻肝内淤胆。本研究中TPN组的胆汁流量较对照组有非常显 著的降 低,血清总胆酸、γ-GT均较对照组有显著升高。光镜下病理检查见有肝细胞脂肪浸润、胆 色 素颗粒沉着;电镜下见毛细胆管扩张、内有胆栓、胞质内有脂滴、胆汁残体,说明TPN组大 鼠 发生了胆汁淤积。而TPN+SAMe组的胆汁流较TPN组显著升高,血清学指标中STBA、ALT有显著 降低,光镜下肝组织无脂肪变性或减轻,电镜下示毛细胆管扩张和胆栓形成得到纠正,这 表明淤胆缓解。SAMe通过改善胆汁流,从而缓解淤胆的作用在本实验中亦得到了验证。可以 认 为,在TPN支持实施的起始即给予SAMe,可有效地预防大鼠TPN淤胆的发生,为临床上在不停 顿TPN的情况下预防淤胆的发生提供了一种新的措施。
, 百拇医药
本研究还分析了TPN淤胆大鼠胆汁中胆盐组成的变化。曾有报道指出,TPN淤胆大鼠胆汁中胆 酸 含量降低,其中以牛磺胆酸的减少为主[3]。本研究结果显示大鼠胆汁中以牛磺胆 酸占主要成 分,牛磺胆酸盐的比例远大于甘氨胆酸盐,这一点与人类胆汁的构成不同。TPN淤胆大鼠胆 汁中的胆酸含量基本没有出现明显的变化,应用SAMe后也仅有个别胆盐有差异。Belli [4]的 研究中也显示了相同的结果。推测其原因可能是在胆汁的循环与分泌过程中存在一个调节 控制机制,因此TPN虽使胆汁的流速降低,但仍维持了分泌到胆管的胆汁组成基本正常。
作者简介:张洪海(1969-),男,吉林省公主岭人,主治医师,医学硕士研究生,从事普通外科专业。
参考文献:
[1]Demircan BM,Ergun O,Avanoglu S,et al.Determination of serum bile acids routinely may prevent delay in diagnosis of total parenteral nutrition-induced cholestasis[J].J Pediatri Surg,1999,34(4):565-567.
, http://www.100md.com
[2]Stramentinoli G.Pharmacologic aspects of S-adenosyl-methionine:pharmacokinetics and pharmac odynamics[J].Am J Med,1987,83(suppl 5A):35-42.
[3]李 健,顾倬云.完全胃肠道外营养致大鼠肝胆汁成分改变的实验研究[J].中华外科杂志,1991;29(4):268
[4]Belli DC,Fournier LA,Lepage G,et al.S-adenosylmethionine prevents total parenteral nutrition-induced cholestasis in the rat[J].J Hepatol,1994,21:18-23.
收稿日期:2000-03-20
修订日期:2000-05-30, http://www.100md.com
单位:(南京大学医学院临床学院,南京军区南京总医院解放军普通外科研究所,江苏南京 210002)
关键词:全肠外营养;胆汁淤积;腺苷蛋氨酸
肠外与肠内营养000313 摘要:目的:观察S-腺苷-L-蛋氨酸(SAMe)对大鼠TPN胆汁淤积的预防效果,并比较胆汁中胆盐的变化。方法:18只SD大鼠随机分为三组:对照组、TPN组、TPN+SAMe组,每组各6只。后两组均TPN支持5天,然后插管收集胆汁,测量胆汁流量,采血检测血清总胆酸(STBA)、GGT、ALT、AKP水平,观察光镜、电镜下肝的病理变化,检测胆汁中胆盐含量。结果:TPN组出现胆汁流下降,STBA、GGT水平升高,肝组织出现脂肪浸润、毛细胆管扩张及胆栓,而TPN+SAMe组较TPN组胆汁流升高,STBA、ALT水平下降,肝组织无明显异常。结论:在大鼠实施TPN时给予SAMe可有效预防TPN胆汁淤积的发生。
, http://www.100md.com
中图分类号:R459.3 文献标识码:A 文章编号:1007-810X(2000)03-0155-04
S-Adenosyl-L-Methionine prevents total parenteral nutrition-induced cholestasis in rats
ZHANG Hong-hai,LI Ning,LIU Fang-nan,LI Jie-shou
(Institute of General Surgery,Nanjing General Hospital of Nanjing Command,PLA,Nanjing 210002,Jiangsu,China)
Abstract:Objectives:This study was designed to observe the effect of s-adenosyl-l-methionine (SAMe) on total parenteral nutrition (TPN)-induced cholestasis in rats and to analyse the change among the bile acids in the bile.Methods:18 Sprague-Dawley rats were divided rando mly into 3 groups,control group,TPN group,TPN plus SAMe group.Each contained 6 rats.Nutrition support was lasted for 5 days except in the control group.Bile was collected by catheter to determine the bile flow and the blood sample were gathered to measure the levels of serum total bile acid (STBA),gamma-glutamyl-transpeptid ase (GGT),alanine aminotransferase (ALT) and alkaline phosphatase (AKP).The changes in the liver pathology were observed under light microscope and electron microscope.The billiary bile acid contents were determined by high-performance liquid chr omatographic (HPLC) method.Results:The TPN group showed a reduction of bile flow,elevated level of STBA and GGT,fat infiltration,and bile embolism in the liver.However,the TPN plus SAMe group showed the increase of bile flow,the decrease of STBA and ALT,and the normal liver morphology.Conclusions:The use of SAMe could prevent TPN induced cholestasis effectively in the rat.
, 百拇医药
Key words:Total parenteral nutrition;Cholestasis;Adenosyl-methionine
0 引 言
胆汁淤积为全肠外营养(total parenteral nutrition,TPN)的代 谢并发症之一,应用TPN病人中淤胆的发生率大约为7.4%~84%[1],不仅影响了 肠外营养 的应用,而且严重持久的胆汁淤积将导致不可逆转的肝功能损害,进而威胁到病人的生命。 30年来,对TPN淤胆的发生及诊治一直在研究和探索之中,目前仍未能彻底解决这一难题。 本实验以大鼠为模型,观察了S-腺苷-L-蛋氨酸(S-Adenosyl-L-methionine,SAMe)对TPN淤胆的预防效果。
1 材料与方法
1.1 动物分组 18只体重240~280 g的SD雄性大鼠,随 机分成三组,即对 照组(NC)(正常进食、饮水)、TPN组和TPN+SAMe组,每组6只。SAMe注射针剂(德国基诺 药厂)按80 mg/(kg*d)加入营养液中。实验组禁食,允许自由饮水,连续输液5天。
, 百拇医药
1.2 手术及TPN输液 氯胺酮腹腔麻醉后,用直径1.2 m m的硅胶管经右颈总静脉 插管,沿皮下由肩胛间引出,经固定在皮肤上的拉簧连接套管针壳、肝素帽、注射针头、输 液器、60 ml注射器等装置,由微量输液泵控制持续匀速输液。非蛋白热量供给为1 046 kJ( 250 kcal)/(kg。d),糖脂比7 ∶3,供氮1g/(kg。d);非蛋白热量∶氮为1 046 kJ(2 50 kcal)∶1 g 、输液速度185 ml/(kg。d),置管当天开始 24 h持续均匀输注TPN营养液。营养液配方如表1所示。
表1 TPN营养液配方
Table 1 Composition of TNA 营养液成分
每100 ml中含量(ml)
, 百拇医药
11.4%乐凡命
30.0
50%葡萄糖
46.9
30%英特利匹特
14.0
10%氯化钾
1.0
10%氯化钠
2.1
10%葡萄糖酸钙
0.6
水乐维他+维他利匹特
, 百拇医药
0.6
注射用水
4.8
1.3 标本采集 实验结束,氯胺酮腹腔麻醉后开腹,总 胆管内插管,留取1 h胆汁,然后 行心脏采血,抽取全部血液致死,留取相应肝组织块,分别以10%福马林液及2%戊 二醛液浸泡固定,血标本抗凝、离心后吸取上清液保存。
1.4 标本检测 血标本送检测血清谷丙转氨酶(ALT )、碱性磷酸酶(AKP)、γ- 谷胺酰转肽酶(γ-GT)、血清总胆酸(STBA)。肝标本于常规光镜下观察组织学变化,同时每组随机选取2例标本于电镜下观察。胆汁标本测量1 h的胆汁流量(bile flow,BF ),用反相高效液相色谱法测量胆汁中牛磺胆酸(TCA)、牛磺鹅脱氧胆酸(TCDCA)、牛磺 脱氧胆酸(TDCA)、牛磺石胆酸(TLCA)、甘氨胆酸(GCA)、甘氨鹅脱氧胆酸(GCDCA)、 甘氨脱氧胆酸(GDCA)、甘氨石胆酸(GLCA)水平,计算出总胆酸(TBA)水平。八种胆盐 标准品由美国Sigma公司提供。
, 百拇医药
1.5 统计分析 采用SPSS 8.0软件统计分析,组间比较 采取独立样本t检验。
2 结 果
2.1 胆汁流量变化 TPN组较对照组显著降低(P<0 .01),而TPN+SAMe组较TPN组显著升高(P<0.05),如表2、图1所示。
表2 各组胆汁流量变化 (μl/min)
Table 2 Changes of bile flow (μl/min)
对照组
TPN组
TPN+SAMe组
胆汁流量
, http://www.100md.com
21.75±2.79
13.78±4.86**
19.83±3.09#
** 与对照组比较,P<0.01;# 与TPN组比较,P<0.05
图1 胆汁流量变化
Figure 1 Changes of bile flow
** 与NC比较,P<0.01;# 与TPN比较,P<0.05
2.2 血清学指标变化 如表3所示。TPN组与对照组比 较,STBA、γ-GT水平有显著升高;TPN+SAMe组中STBA、ALT水平较TPN组显著降低(P<0.05 )。
, http://www.100md.com
光镜下组织学变化 TPN组肝组织中小叶中央静脉 周围出现中度 脂肪变性,胆色素颗粒分散沉着,汇管区有炎症细胞浸润(0~+),TPN+SAMe组肝组织基本 正常,如图2、3所示。
表3 各组血清学指标变化
Table 3 Changes of serum biochemical parameters 血清学指标
对照组
TPN组
TPN+SAMe组
STBA(μmol/L)
14.16±4.17
41.38±21.22*
, 百拇医药
12.57±9.06#
γ-GT(IU/L)
1.50±0.55
4.00±1.55**
3.33±0.82
ALT(U)
28.50±8.55
53.33±40.13
12.67±7.58#
AKP(U)
125.67±17.60
, http://www.100md.com
102.00±41.46
73.50±12.66
* 与对照组比较,P<0.05,** P<0.01;# 与TPN组比较,P<0.05
图2 TPN组:肝小叶中央静脉周围呈中度脂肪变性,并可见胆色素颗粒沉着(HE×200)
Figure 2 The liver pathology in TPN group
图3 TPN+SAMe组:示肝小叶至汇管区,肝组织正常
(HE×100)
, 百拇医药
Figure 3 The liver morphology in TPN+SAMe group
2.4 电镜下组织学变化 TPN组胞质内见有脂滴及少许 胆汁残体,毛细胆管扩张,内有髓 鞘样内容物(为胆栓),微绒毛消失。TPN+SAMe组胞质内无脂滴、残体,毛细胆管不扩张 ,内无内容物,如图4、5所示。
2.5 胆汁中胆盐浓度变化 如表4所示,仅TPN+SAMe组 的甘氨鹅脱氧胆酸浓度较TPN组显著减少,其余各组间胆盐含量未见显著差异。
图4 TPN组:电镜下毛细胆管扩张,内有髓鞘样内容物(胆栓),微绒毛消失。(×6 000)
Figure 4 The electron microscopical examination of leiver in TPN group
, 百拇医药
图5 TPN+SAMe组:电镜下胞质中无脂滴,毛细胆管不扩张,其内无内 容物。(×10 000)
Figure 5 The electron microscopical examination in TPN+SMAe group
表4 各组间胆汁中胆盐浓度变化(mg/ml)
Table 4 Concentrations of bile acids in bile 胆 盐
对照组
TPN组
TPN+SAMe组
TBA
7.52±2.64
, 百拇医药
7.20±3.33
9.47±4.74
TCA
4.96±1.60
3.97±2.25
5.46±0.90
TCDCA
1.09±0.65
0.83±1.02
0.44±0.45
TDCA
0.50±0.47
, 百拇医药
0.96±0.99
0.47±0.21
TLCA
0.08±0.14
0.021±0.022
0.065±0.069
GCA
0.406±0.329
0.515±0.177
0.341±0.408
GCDCA
0.386±0.274
, 百拇医药
0.282±0.228
0.014±0.015#
GDCA
0.056±0.058
0.077±0.111
0.218±0.241
GLCA
0.039±0.047
0.543±0.649
2.462±4.551
# 与TPN组比较,P<0.05
, http://www.100md.com
3 讨 论
在某些疾病状况下,如短肠综合征、重症胰腺炎、肠外瘘等,病人须长期接受TPN支持,淤 胆的发生率可能显著增高。胆汁在肝外胆道的淤积、潴留可引起胆泥甚至促进胆结石的形 成,同时也为 由肠道侵入的细菌的孳生提供了条件,胆囊炎的发生率大为增加。更为重要的是,胆汁在 肝内的淤积会导致肝细胞的变性、脂肪浸润。严重持久的胆汁淤积将造成不可逆转的肝细胞 损害,肝组织逐渐纤维化,进而形成胆汁性肝硬化,最终出现门脉高压症和肝功能衰竭,危 及生命。应用TPN支持的病人一旦发生淤胆,如不能尽快缓解,将不得不提前终止TPN。部分 病人可以恢复肠内营养,某些依赖TPN的病人将因此丧失救治的机会。因此,寻找一种 能有效防治TPN淤胆的方法具有重要的临床意义。
随着对TPN淤胆认识的不断深化,人们曾针对可能的诱发因素,采取了一些相应的预防措施 。主要措施包括:①改善营养液配方,减少非蛋白能源的供给,混合应用 中、长链脂肪酸,添加二肽谷氨酰胺、牛磺酸等;②采用循环输注法,使TPN与非TPN在一定时间定时交替的周期性输注;③给予抗生素控 制感染;④使用胆囊收缩素促使胆囊收缩和胃肠道正常分泌。这些措施虽 然起到了一定的作用,但效果并不十分理想。
, 百拇医药
SAMe在体内由蛋氨酸和腺苷合成,其分布广泛性仅次于ATP,它作为一种基团供体或酶诱导 剂参与组织中的三种重要代谢过程:转甲基作用、转硫基作用和氨基丙基化作用(多胺合成 )[2]。SAMe的转移甲基基团可用来合成蛋白质、激素、磷脂等。外源性SAMe可 促进体内磷脂 的生物合成,使肝细胞膜流动性增大,同时促使膜上Na+-K+ ATP酶活性增高,使 胆盐 由血窦中摄取增多,从而减轻肝内淤胆。本研究中TPN组的胆汁流量较对照组有非常显 著的降 低,血清总胆酸、γ-GT均较对照组有显著升高。光镜下病理检查见有肝细胞脂肪浸润、胆 色 素颗粒沉着;电镜下见毛细胆管扩张、内有胆栓、胞质内有脂滴、胆汁残体,说明TPN组大 鼠 发生了胆汁淤积。而TPN+SAMe组的胆汁流较TPN组显著升高,血清学指标中STBA、ALT有显著 降低,光镜下肝组织无脂肪变性或减轻,电镜下示毛细胆管扩张和胆栓形成得到纠正,这 表明淤胆缓解。SAMe通过改善胆汁流,从而缓解淤胆的作用在本实验中亦得到了验证。可以 认 为,在TPN支持实施的起始即给予SAMe,可有效地预防大鼠TPN淤胆的发生,为临床上在不停 顿TPN的情况下预防淤胆的发生提供了一种新的措施。
, 百拇医药
本研究还分析了TPN淤胆大鼠胆汁中胆盐组成的变化。曾有报道指出,TPN淤胆大鼠胆汁中胆 酸 含量降低,其中以牛磺胆酸的减少为主[3]。本研究结果显示大鼠胆汁中以牛磺胆 酸占主要成 分,牛磺胆酸盐的比例远大于甘氨胆酸盐,这一点与人类胆汁的构成不同。TPN淤胆大鼠胆 汁中的胆酸含量基本没有出现明显的变化,应用SAMe后也仅有个别胆盐有差异。Belli [4]的 研究中也显示了相同的结果。推测其原因可能是在胆汁的循环与分泌过程中存在一个调节 控制机制,因此TPN虽使胆汁的流速降低,但仍维持了分泌到胆管的胆汁组成基本正常。
作者简介:张洪海(1969-),男,吉林省公主岭人,主治医师,医学硕士研究生,从事普通外科专业。
参考文献:
[1]Demircan BM,Ergun O,Avanoglu S,et al.Determination of serum bile acids routinely may prevent delay in diagnosis of total parenteral nutrition-induced cholestasis[J].J Pediatri Surg,1999,34(4):565-567.
, http://www.100md.com
[2]Stramentinoli G.Pharmacologic aspects of S-adenosyl-methionine:pharmacokinetics and pharmac odynamics[J].Am J Med,1987,83(suppl 5A):35-42.
[3]李 健,顾倬云.完全胃肠道外营养致大鼠肝胆汁成分改变的实验研究[J].中华外科杂志,1991;29(4):268
[4]Belli DC,Fournier LA,Lepage G,et al.S-adenosylmethionine prevents total parenteral nutrition-induced cholestasis in the rat[J].J Hepatol,1994,21:18-23.
收稿日期:2000-03-20
修订日期:2000-05-30, http://www.100md.com