恶性神经鞘瘤9例报告及文献复习
作者:尹梅 李志平 董国良 赵成茂 段学燕
单位:尹梅(贵州都匀市黔南州医院肿瘤科);李志平(华西医科大学附属第一医院肿瘤中心 成都 610041);董国良(四川新都县中西医结合医院肿瘤科);赵成茂(青海省铁路总医院肿瘤科);段学燕(贵州凯里市州人民医院)
关键词:
华西医学000345[中图分类号]R739.4 [文献标识码]D
[文章编号]1002-0179(2000)03-0340-02
恶性神经鞘瘤较少见,可发生于身体任何部位。本文报告华西医大附一院从1988年1月~1992年12月收治的9例恶性神经鞘瘤,分析如下:
1 临床资料
, http://www.100md.com
1.1 一般资料 男性5例,女性4例,年龄最大59岁,最小3.5岁,平均年龄36.4岁。病变部位及包块大小各不相同,详细情况见表1。
1.2 临床表现 临床表现均不相同,1例腰椎神经根旁表现为腰腿痛,误诊为椎间盘脱出;1例眼球后病变表现为复视;3例表现为病变部位皮下肿块;腹膜后病变1例表现为无痛性腹部包块;2例右上后纵隔病变,1例表现为憋气、胸痛,1例无症状,在体检中作X线检查发现纵隔肿块,行剖胸探查。1例表现为肩胛上无痛性包块。
表1.临床资料 性别
年龄
病史
病变部位
肿瘤大小
转移及复发
, 百拇医药
包块切除情况
治疗后生存时间
女
3.5岁
6月
右上后纵隔
4×5cm2
无
部份切除
1年
女
35岁
4月
, http://www.100md.com
腰4-5神经根
3×2cm2
无
部份切除
5年
男
46岁
8月
右眼球后
2×1cm2
2年后复发
部份切除
, 百拇医药
复发后部分切除
2年
男
52岁
7月
左锁骨上
5×4cm2
2年后复发
部份切除
复发后部分切除
5年
男
57岁
, http://www.100md.com
2年
左上肢
4×3cm2
左头皮转移
部份切除
转移灶切除
失访
女
50岁
2年
左腰部皮下
2×2cm2
1年后复发
, http://www.100md.com
包块部份切除
复发后再切除
10年
男
59岁
3年
腹膜后
15×15cm2
3年后复发
包块部份切除
复发后再切除
3年
男
, 百拇医药
35岁
10年
右上后纵隔
8×8cm2
无
完整切除
11年
女
46岁
3年
右肩胛上
4×5cm2
左锁骨上淋
, 百拇医药
巴结转移
包块部份切除
淋巴结切除
3年
1.3 治疗 均给予包块完整切除或部分切除(见表1),术后给予放60CoDT4000~6000CGy7例,直线加速器8Mev β线DT4000CGy 1例,8Mv X线DT4000CGy 1例。8例术后未用化疗,1例术后给予ADM、5-Fu、CTX 1周期化疗。
1.4 随访 见表1。
2 讨论
恶性神经鞘瘤较少见,Fisher统计恶性神经鞘瘤发病率占软组织肉瘤6%〔1〕。恶性神经鞘瘤原发于神经鞘,或继发于神经纤维瘤,神经纤维恶变率为2.4%~2.9%〔2〕,而神经鞘瘤恶变者罕见〔3〕。通常深部肿瘤较体表肿瘤更易恶变,其恶性主要表现在局部侵犯,也可发生远处淋巴结及血循环转移,本组病人1例原发于左肩胛上,发生左锁骨上淋巴结转移;1例原发于左上肢,出现左头皮转移。
, 百拇医药
2.1 临床表现及一般检查 根据Ghosh报告,患者无明显性别倾向性,年龄以31~50岁多见〔4〕,与本组病例相符。肿块为常见症状,多为无痛性,与其他肉瘤难以鉴别。有的表现为疼痛性肿块,或肿块压迫出现远处肢体麻木及放射痛。深部肿瘤为局部受侵所表现出相应症状,如胸痛、憋气(后纵隔),腰腿痛(腰椎神经根受侵),复视(眼球后受侵)等。有的则可无症状,在体检中发现肿块。X片可见部分肿瘤有钙化现象,有时可见继发性骨破坏,超声与CT检查可观察肿瘤范围与周围组织关系〔2〕,确诊依靠病理检查。
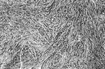
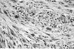
2.2 病理 肿瘤为圆形,分叶状或不规则状,分布在神经干内或神经干旁,沿神经干呈浸润性生长,与周界常清楚,可见不完整包膜或无包膜。肿块大小不一,恶性神经鞘瘤的组织形态复杂多变,缺乏特征性所见〔5〕。瘤细胞呈长梭形,核梭形或卵圆形,核染色质均匀或致密,核仁小或不清楚,核异型性不显著,瘤细胞丰富、密集,排列成束状、漩涡状,可见栅栏状。本组病理改变如上所述,附2例图如下:
, 百拇医药
其病理诊断依据为:①肿瘤源于神经干或沿神经干分布及蔓延。②肿瘤富含细胞区和稀疏细胞区交错存在。③梭形细胞呈S形弯曲,排列成栅栏状或漩涡状,细胞核呈波浪状或逗点状。④与纤维肉瘤、平滑肌肉瘤、单相性纤维型滑膜肉瘤鉴别。完善的诊断还应包括免疫组化显示S-100,Leu-7,髓鞘碱性蛋白或超微结构显示肿瘤细胞具有神经鞘细胞分化的特征〔5〕。
He×25 腰椎神经根恶性神经鞘瘤
He×100 后纵隔恶性神经鞘瘤
2.3 治疗
2.3.1 手术 手术切除是最有效的治疗方法〔6〕。因肿瘤常起源于神经干,并累及一段神经组织,手术时应沿神经干分离肿瘤,并切除累及的神经干上、下缘,作冰冻切片,以确定切除范围,因肿瘤深在,累及神经干需截肢〔7〕。因肿瘤易向局部侵犯,浸润范围较大不能切时,作部分切除。本组9例病人,有8例为包块部分块除。
, http://www.100md.com
2.3.2 放化疗 单用外照射肿瘤不敏感,常需加大剂量,针对手术疤痕下方肿瘤床的残留病灶,本组病人放射剂量均在4000CGy以上。化疗疗效不肯定,有报告认为可以起到减少局部复发与控制远处转移的作用〔5〕。
2.4 预后 恶性神经鞘瘤易出现复发和远处转移,Ducatman报告术后复发率为42%〔8〕,本组9例病人中有4例出现术后复发,与文献报告相似,有2例出现远处转移。据统计本病5年生存率为53%,10年生存率为34%〔8〕。本组病人有2例至今存活10年以上,1例为包块完整切除,1例部位较表浅,现已全身多处转移。9例病人5年存活有4例,与文献报告基本相符。5年内死亡者部位较深有3例。文献报告恶性神经鞘瘤的预后好坏与是否并发神经纤维瘤无差异〔4〕,但有人认为不合并该病5年生存率较高〔9〕。恶性神经鞘瘤的预后与肿瘤部位的深浅,病理分化高低及侵犯范围、手术切除的情况有关,而与术后放化疗的关系尚需进一步探讨。
, 百拇医药
参考文献
1,Fisher C:Pathology of soft tissuo sarcoma Pineuo Hiy etul Treatment of soft Tissue sarcoma Klawer Academic Pubisher Basto 1989∶1.
2,刘英虹:胸部恶性神经鞘瘤的CT表现。国外医学临床放射学分册 1994;17(2)∶107。
3,赵宝民等:十二指肠球部恶性神经鞘瘤1例。中国肿瘤临床,1995;22(8)∶543。
4,Ghosh BC:Malignant Schwanoma Cancer 1973;31∶984.
5,赖日权:软组织肿瘤病理学。人民军医出版社,1998∶173。
, 百拇医药
6,华积德等:肿瘤外科学。第三篇,第二章,恶性神经鞘瘤,人民军医出版社,1995∶1000。
7,张天泽等:肿瘤学。第十二篇,第十节,恶性神经鞘瘤,天津科学技术出版社 1996∶2089。
8,Ducatman BS et al.Malignant Peripheral newe sheath tumors cancer 1986;57∶2006.
9,Enzinger FM et al.Soft tissue tumors the CV moshy coml 1983∶625.
(收稿日期:1999-09-03), 百拇医药
单位:尹梅(贵州都匀市黔南州医院肿瘤科);李志平(华西医科大学附属第一医院肿瘤中心 成都 610041);董国良(四川新都县中西医结合医院肿瘤科);赵成茂(青海省铁路总医院肿瘤科);段学燕(贵州凯里市州人民医院)
关键词:
华西医学000345[中图分类号]R739.4 [文献标识码]D
[文章编号]1002-0179(2000)03-0340-02
恶性神经鞘瘤较少见,可发生于身体任何部位。本文报告华西医大附一院从1988年1月~1992年12月收治的9例恶性神经鞘瘤,分析如下:
1 临床资料
, http://www.100md.com
1.1 一般资料 男性5例,女性4例,年龄最大59岁,最小3.5岁,平均年龄36.4岁。病变部位及包块大小各不相同,详细情况见表1。
1.2 临床表现 临床表现均不相同,1例腰椎神经根旁表现为腰腿痛,误诊为椎间盘脱出;1例眼球后病变表现为复视;3例表现为病变部位皮下肿块;腹膜后病变1例表现为无痛性腹部包块;2例右上后纵隔病变,1例表现为憋气、胸痛,1例无症状,在体检中作X线检查发现纵隔肿块,行剖胸探查。1例表现为肩胛上无痛性包块。
表1.临床资料 性别
年龄
病史
病变部位
肿瘤大小
转移及复发
, 百拇医药
包块切除情况
治疗后生存时间
女
3.5岁
6月
右上后纵隔
4×5cm2
无
部份切除
1年
女
35岁
4月
, http://www.100md.com
腰4-5神经根
3×2cm2
无
部份切除
5年
男
46岁
8月
右眼球后
2×1cm2
2年后复发
部份切除
, 百拇医药
复发后部分切除
2年
男
52岁
7月
左锁骨上
5×4cm2
2年后复发
部份切除
复发后部分切除
5年
男
57岁
, http://www.100md.com
2年
左上肢
4×3cm2
左头皮转移
部份切除
转移灶切除
失访
女
50岁
2年
左腰部皮下
2×2cm2
1年后复发
, http://www.100md.com
包块部份切除
复发后再切除
10年
男
59岁
3年
腹膜后
15×15cm2
3年后复发
包块部份切除
复发后再切除
3年
男
, 百拇医药
35岁
10年
右上后纵隔
8×8cm2
无
完整切除
11年
女
46岁
3年
右肩胛上
4×5cm2
左锁骨上淋
, 百拇医药
巴结转移
包块部份切除
淋巴结切除
3年
1.3 治疗 均给予包块完整切除或部分切除(见表1),术后给予放60CoDT4000~6000CGy7例,直线加速器8Mev β线DT4000CGy 1例,8Mv X线DT4000CGy 1例。8例术后未用化疗,1例术后给予ADM、5-Fu、CTX 1周期化疗。
1.4 随访 见表1。
2 讨论
恶性神经鞘瘤较少见,Fisher统计恶性神经鞘瘤发病率占软组织肉瘤6%〔1〕。恶性神经鞘瘤原发于神经鞘,或继发于神经纤维瘤,神经纤维恶变率为2.4%~2.9%〔2〕,而神经鞘瘤恶变者罕见〔3〕。通常深部肿瘤较体表肿瘤更易恶变,其恶性主要表现在局部侵犯,也可发生远处淋巴结及血循环转移,本组病人1例原发于左肩胛上,发生左锁骨上淋巴结转移;1例原发于左上肢,出现左头皮转移。
, 百拇医药
2.1 临床表现及一般检查 根据Ghosh报告,患者无明显性别倾向性,年龄以31~50岁多见〔4〕,与本组病例相符。肿块为常见症状,多为无痛性,与其他肉瘤难以鉴别。有的表现为疼痛性肿块,或肿块压迫出现远处肢体麻木及放射痛。深部肿瘤为局部受侵所表现出相应症状,如胸痛、憋气(后纵隔),腰腿痛(腰椎神经根受侵),复视(眼球后受侵)等。有的则可无症状,在体检中发现肿块。X片可见部分肿瘤有钙化现象,有时可见继发性骨破坏,超声与CT检查可观察肿瘤范围与周围组织关系〔2〕,确诊依靠病理检查。
2.2 病理 肿瘤为圆形,分叶状或不规则状,分布在神经干内或神经干旁,沿神经干呈浸润性生长,与周界常清楚,可见不完整包膜或无包膜。肿块大小不一,恶性神经鞘瘤的组织形态复杂多变,缺乏特征性所见〔5〕。瘤细胞呈长梭形,核梭形或卵圆形,核染色质均匀或致密,核仁小或不清楚,核异型性不显著,瘤细胞丰富、密集,排列成束状、漩涡状,可见栅栏状。本组病理改变如上所述,附2例图如下:
, 百拇医药
其病理诊断依据为:①肿瘤源于神经干或沿神经干分布及蔓延。②肿瘤富含细胞区和稀疏细胞区交错存在。③梭形细胞呈S形弯曲,排列成栅栏状或漩涡状,细胞核呈波浪状或逗点状。④与纤维肉瘤、平滑肌肉瘤、单相性纤维型滑膜肉瘤鉴别。完善的诊断还应包括免疫组化显示S-100,Leu-7,髓鞘碱性蛋白或超微结构显示肿瘤细胞具有神经鞘细胞分化的特征〔5〕。
He×25 腰椎神经根恶性神经鞘瘤
He×100 后纵隔恶性神经鞘瘤
2.3 治疗
2.3.1 手术 手术切除是最有效的治疗方法〔6〕。因肿瘤常起源于神经干,并累及一段神经组织,手术时应沿神经干分离肿瘤,并切除累及的神经干上、下缘,作冰冻切片,以确定切除范围,因肿瘤深在,累及神经干需截肢〔7〕。因肿瘤易向局部侵犯,浸润范围较大不能切时,作部分切除。本组9例病人,有8例为包块部分块除。
, http://www.100md.com
2.3.2 放化疗 单用外照射肿瘤不敏感,常需加大剂量,针对手术疤痕下方肿瘤床的残留病灶,本组病人放射剂量均在4000CGy以上。化疗疗效不肯定,有报告认为可以起到减少局部复发与控制远处转移的作用〔5〕。
2.4 预后 恶性神经鞘瘤易出现复发和远处转移,Ducatman报告术后复发率为42%〔8〕,本组9例病人中有4例出现术后复发,与文献报告相似,有2例出现远处转移。据统计本病5年生存率为53%,10年生存率为34%〔8〕。本组病人有2例至今存活10年以上,1例为包块完整切除,1例部位较表浅,现已全身多处转移。9例病人5年存活有4例,与文献报告基本相符。5年内死亡者部位较深有3例。文献报告恶性神经鞘瘤的预后好坏与是否并发神经纤维瘤无差异〔4〕,但有人认为不合并该病5年生存率较高〔9〕。恶性神经鞘瘤的预后与肿瘤部位的深浅,病理分化高低及侵犯范围、手术切除的情况有关,而与术后放化疗的关系尚需进一步探讨。
, 百拇医药
参考文献
1,Fisher C:Pathology of soft tissuo sarcoma Pineuo Hiy etul Treatment of soft Tissue sarcoma Klawer Academic Pubisher Basto 1989∶1.
2,刘英虹:胸部恶性神经鞘瘤的CT表现。国外医学临床放射学分册 1994;17(2)∶107。
3,赵宝民等:十二指肠球部恶性神经鞘瘤1例。中国肿瘤临床,1995;22(8)∶543。
4,Ghosh BC:Malignant Schwanoma Cancer 1973;31∶984.
5,赖日权:软组织肿瘤病理学。人民军医出版社,1998∶173。
, 百拇医药
6,华积德等:肿瘤外科学。第三篇,第二章,恶性神经鞘瘤,人民军医出版社,1995∶1000。
7,张天泽等:肿瘤学。第十二篇,第十节,恶性神经鞘瘤,天津科学技术出版社 1996∶2089。
8,Ducatman BS et al.Malignant Peripheral newe sheath tumors cancer 1986;57∶2006.
9,Enzinger FM et al.Soft tissue tumors the CV moshy coml 1983∶625.
(收稿日期:1999-09-03), 百拇医药