自制术中放疗限光筒装置的物理学特点
作者:蔡伟荣赵镜蔡巍
单位:诸暨市人民医院 放射治疗中心, 浙江 诸暨 311800
关键词:术中放射治疗;限光装置
中国医学物理学杂志000303 摘要:目的:分析自制术中放疗限光筒剂量特点。材料与方法:不规则电子线限光筒是用5 mm 厚有机玻璃制作而成。剂量仪使用法码2570型电离室用NE2571 0.6 CC。水模中测量射野因子,三维扫描仪在水模中实测射束中心轴百分深度量、OAR、均匀性等,水模为50 cm×50 cm×50 cm。结果:当高于12 MeV电子束时表面剂量均超过90%,筒径从11~6 cm时表面剂量呈下降趋势小于6 cm 时有升高迹象,导致剂量的建成区缩短Dmax和d 8515 MeV除外均向表面移输出因子在限光筒口径大于5 cm时趋于稳定,6 MeV时输出因子随筒径不同而变化较大。结论:我院自制的限光筒优点在于成本低和操作方便,故适合基层医院应用
, 百拇医药
中图分类号:R811.1 文献标识码: B 文章编号: 1005-202X(2000)03-0134-02
A studies on the charicteristics of applicators for IORT made in our hospital
CAI Wei-rong,ZHAO Jing,CAI Wei
(center of Radiotherapy zhuji people's hospital,zejiang,zhuhuan 311800,china)
Abstract Purpose:To analize the characteristics of IORT used applicators made in this hospital.Material and Methodirregular-shaped electron beam applicators were made with organicglass.The dosimeter used is farmer 2570 of type0.6cc ionisation chamber was used to carry out the measurement of field factors in water phanton.The PDD,OAR and homogeneity was calibrated with 3D scanner in water phanton .The sizes of warter phanton are 50 cm×50 cm×50 cm. Results The surface doses of target calibrated is in excess of 90% as energies of electron is more than 12 MeV were used.The surface doses decrese gradully when the size of applicator decrease from 11 to 6 cm and with smaller applicator's diameter and higher energy,the depth of maximum dose gets closer to surface. The output factors become stable while the size of applicators get larger than 5 cm. Using 6 MeV of energy electron,the output factors will have bigger changer while using different size of applicators. Conclusion These applicators made in this hospital are cost -effective and easy to operate. They are specially fit to be used in basic hospital.
, 百拇医药
Key words Key words intraoperative radiotherapy electron beam applicator
我院自开展术中放疗以来,已有200例胃癌、肠癌、胰腺癌、乳腺癌等病人进行了术中照射。在开展术中放疗前,我们自制了一批限光筒装置,并做了物理剂量及技术准备工作。对术放中使用的各种能量,结合所使用的限光装置进行了实际测量,其中包括深度剂量、表面剂量、均匀性、半影剂量等。下面就我们的工作作具体阐述。
1 材料与方法
1.1 限光筒的制作
先根据临床治疗的要求设计出不同术放限光筒的图纸,再按图纸计算出限光筒的周长,放大约2 cm再载取有机玻璃,加工平整后放入烘箱软化,根据不同要求制成各种形状的限光筒。如制作不符合要求,则采取多次烘烤的工艺。这样就完成了限光筒的制作。
, http://www.100md.com
1.2 术中放射相关参数的测定
术中放疗中所需要的物理剂量参数包括限光筒输出因子、表面剂量(Ds)、X线污染(Dx)、百分深度量(PDD)、野内剂量均匀性、半影剂量等。对输出因子,我们用NE Farmer,2571电离室在水模中测定,对射束中心轴上剂量参数(Ds、Dx、d85)和半影剂量、均匀度等用三维辐射场扫描仪在水模中进行测量,对斜口边限光筒产生的等剂量曲线,应用慢感光胶片在固体模中,取其黑度-剂量响应曲线线性区作测量,本文照射剂量为50cGy,然后由黑度计读出其剂量分布。
2 结 果
2.1 表面剂量(Ds)
表1显示的数据是在机头光栅设置为15 cm×15 cm,不同能量条件下测得。数据表明在能量高于12 MeV时,表面剂量都超过90%而在限光筒口径Φ<11 cm时表面剂量降低,原因是在直线加速器机头产生的部份低能散射线被部份挡掉,而限光筒口径小于6 cm表面剂量又有所提高,这是由于限光筒壁产生的次级射线对中心轴剂量产生影响,以致表面剂量升高。
, http://www.100md.com
2.2 百分深度量(PDD)
电子束的深度剂量变化除能量外则主要依赖于限光筒尺寸和机头光栅设置的影响将光栅设置在15 cm×15 cm,对不同口径的圆形限光筒测得之Dmax和d 85值见表3结果显示在同一能量当限光筒口径变小时,剂量建成区、Dmax和d85都向表面移动15 MeV除外,口径越小Dmax和d85向表面移动越明显, 同时随着能量增高,这种趋势越明显,对斜边筒,Dmax和d 85的深度较相同口径的平边筒更浅,这种差别, 随能量和限光筒口径的变化,一般在2~4 mm之间,应该指出斜边限光筒产生的是一个椭圆形的照射野,该野的短轴等于限光筒内径,而其长轴应为Φ/cosθ,其中Φ为限光筒内径,θ为斜角。
2.3 X线污染(Dx)
限光筒和铅挡都会产生X线污染,表4指出了两个圆形平边筒和15cm×15cm标准筒测量结果。口径较小的限光筒X线污染略为大一点,随着能量增高,变得更明显。
, 百拇医药
2.4 输出因子
限光筒的输出因子,应根据不同的能量,准直器开口设置进行实际测量。每个限光筒尤其是小口径筒,准直器设置大小不同对输出因子有明显影响,我们所制造的限光筒实测表明数据以15 cm×15 cm野,SSD=100 cm,Dmax处吸收剂量归一处理);矩形限光筒的输出因子随限光筒面积增大而增大,圆形限光筒,当准直器开口设置在15 cm×15 cm时,除6 MeV以外,输出因子随限光筒直径增大而增大,当限光筒直径超过 5cm时,输出因子趋于稳定,变化在0.8%以内,6 MeV时,输出因子随筒径增大变化较大见图1。
图1 6 MeV时不同术放筒输出因子的变化
2.5 剂量均匀性
术中照射野的剂量均匀性,直接受所用的限光筒和准直器开口设置的影响尤其是斜边限光筒对剂量均匀性的影响更大。我们用三维扫描仪对常规使用的限光筒进行扫描(水中Dmax处,能量为12 MeV,准直器开口15 cm×15 cm),所得结果显示开口直径较小的限光筒对称性指标较差见表5。
, http://www.100md.com
在同样条件下设置用慢感光胶片在固体模中,曝射50 cGy后,由等密度黑度计读出等量线分析表明小口径限光筒产生的等量线在边缘有“角状”突起,剂量增高作为4%左右而换用15 cm×15 cm标准限光筒测量该比例降低至0.9%,这种在边缘上剂量增高,主要是由于限光筒边缘产生的散射所致。使用斜边限光筒后,加速器机架需转动一角度以保证限光筒边和照射面平行紧贴,这样使得照射野内横轴上的剂量分布均匀性更差一些。
2.6 半影剂量
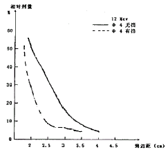
在术中放疗中,照射野外围的半影剂量直接影响到靶区周围脏器的损伤, 在使用有机玻璃材料制成的限光筒后,半影剂量有所提高,为了消除这种影响,将野外剂量降到野中心剂量的5%以下, 我们特地设计了限光筒上端的铅挡,材料为低溶点铅,密度为9.4克/cm3,当能量6~15 MeV不等,铅所需厚度约为5~8 mm左右,在铅板下端附有10 mm厚的水等效有机玻璃材料,以吸收由铅板产生的次级射线, 铅板开口和形状按相似限光筒开口制作,使每一个限光筒都有一块配套使用的铅挡,选择挡板足以消除18 MeV以下,不必要的射线,实际测量表明,使用这种屏蔽物后,周边剂量能达到要求,见图2,同时建议按上述方法浇涛几块条状挡块,以备照射中遮挡照射野内需挡的部位。之于有机玻璃板制成的限光筒产生的穿透半影和散射半影能与常规限光筒近似,故本文不作介绍。
, http://www.100md.com
图2 12MeV时加与不加挡铅对周边剂量的影响
3 讨论与结论
术中放疗的照射野是根据病灶范围、手术情况和解剖位置等因素而设计。我们常用的为圆形、 长方形和用于上腹部的五边形。根据我们的使用情况,腹部肿瘤的术中照射以圆形筒较佳, 因为圆形筒较易放入以及野内剂量均匀性较好。在我院81例腹部手术中,圆形筒使用的例数为62例,使用比例达76%。 我院自制的限光装置为一组由5 mm有机玻璃材料制成的形状、尺寸不同的限光筒和一个专用连接架。 尺寸按西门子 Mevatron KD直线加速器机头尺寸设计连接架插入机头附件插槽中。限光筒按肿瘤床面积外加1.5 cm边界选择。此外还要考虑该限光筒的野内剂量均匀性。
根据对应用的自制限光筒装置物理剂量的测定,基本与国内外文献报道的参数相符合。本文通过自制限光筒装置物理剂量的分析认为基本符合临床应用和物理学的要求。由于其有成本低和操作方便的特点,因此适合于在广大基层单位应用。
, http://www.100md.com
作者简介:蔡伟荣,(1952-),男浙江省暨县人民医院主治医师,从事放射物理的研究。
参考文献
1,Edwin C,MccullonghThe dosimetric properties of an applicator system for intraoperative electron beam therapy utiliging a clinac-18 acceleratorJ. Med. phys.1982,9(2).
2,B.A.FRAASS:Intraoperative radiotherapy at the National Cancer Iustitute technical innovations and dosimetry[J]. lnt.J.Radiat.Oncol.Biolphys1985,1.
3,Robert A. Dah1:Determination of accurate dosimetric parameters for beveled intraoperative electron beam applicators[J]. Med.phys. 1989,6(1).
收稿日期:1999-8-21, 百拇医药
单位:诸暨市人民医院 放射治疗中心, 浙江 诸暨 311800
关键词:术中放射治疗;限光装置
中国医学物理学杂志000303 摘要:目的:分析自制术中放疗限光筒剂量特点。材料与方法:不规则电子线限光筒是用5 mm 厚有机玻璃制作而成。剂量仪使用法码2570型电离室用NE2571 0.6 CC。水模中测量射野因子,三维扫描仪在水模中实测射束中心轴百分深度量、OAR、均匀性等,水模为50 cm×50 cm×50 cm。结果:当高于12 MeV电子束时表面剂量均超过90%,筒径从11~6 cm时表面剂量呈下降趋势小于6 cm 时有升高迹象,导致剂量的建成区缩短Dmax和d 8515 MeV除外均向表面移输出因子在限光筒口径大于5 cm时趋于稳定,6 MeV时输出因子随筒径不同而变化较大。结论:我院自制的限光筒优点在于成本低和操作方便,故适合基层医院应用
, 百拇医药
中图分类号:R811.1 文献标识码: B 文章编号: 1005-202X(2000)03-0134-02
A studies on the charicteristics of applicators for IORT made in our hospital
CAI Wei-rong,ZHAO Jing,CAI Wei
(center of Radiotherapy zhuji people's hospital,zejiang,zhuhuan 311800,china)
Abstract Purpose:To analize the characteristics of IORT used applicators made in this hospital.Material and Methodirregular-shaped electron beam applicators were made with organicglass.The dosimeter used is farmer 2570 of type0.6cc ionisation chamber was used to carry out the measurement of field factors in water phanton.The PDD,OAR and homogeneity was calibrated with 3D scanner in water phanton .The sizes of warter phanton are 50 cm×50 cm×50 cm. Results The surface doses of target calibrated is in excess of 90% as energies of electron is more than 12 MeV were used.The surface doses decrese gradully when the size of applicator decrease from 11 to 6 cm and with smaller applicator's diameter and higher energy,the depth of maximum dose gets closer to surface. The output factors become stable while the size of applicators get larger than 5 cm. Using 6 MeV of energy electron,the output factors will have bigger changer while using different size of applicators. Conclusion These applicators made in this hospital are cost -effective and easy to operate. They are specially fit to be used in basic hospital.
, 百拇医药
Key words Key words intraoperative radiotherapy electron beam applicator
我院自开展术中放疗以来,已有200例胃癌、肠癌、胰腺癌、乳腺癌等病人进行了术中照射。在开展术中放疗前,我们自制了一批限光筒装置,并做了物理剂量及技术准备工作。对术放中使用的各种能量,结合所使用的限光装置进行了实际测量,其中包括深度剂量、表面剂量、均匀性、半影剂量等。下面就我们的工作作具体阐述。
1 材料与方法
1.1 限光筒的制作
先根据临床治疗的要求设计出不同术放限光筒的图纸,再按图纸计算出限光筒的周长,放大约2 cm再载取有机玻璃,加工平整后放入烘箱软化,根据不同要求制成各种形状的限光筒。如制作不符合要求,则采取多次烘烤的工艺。这样就完成了限光筒的制作。
, http://www.100md.com
1.2 术中放射相关参数的测定
术中放疗中所需要的物理剂量参数包括限光筒输出因子、表面剂量(Ds)、X线污染(Dx)、百分深度量(PDD)、野内剂量均匀性、半影剂量等。对输出因子,我们用NE Farmer,2571电离室在水模中测定,对射束中心轴上剂量参数(Ds、Dx、d85)和半影剂量、均匀度等用三维辐射场扫描仪在水模中进行测量,对斜口边限光筒产生的等剂量曲线,应用慢感光胶片在固体模中,取其黑度-剂量响应曲线线性区作测量,本文照射剂量为50cGy,然后由黑度计读出其剂量分布。
2 结 果
2.1 表面剂量(Ds)
表1显示的数据是在机头光栅设置为15 cm×15 cm,不同能量条件下测得。数据表明在能量高于12 MeV时,表面剂量都超过90%而在限光筒口径Φ<11 cm时表面剂量降低,原因是在直线加速器机头产生的部份低能散射线被部份挡掉,而限光筒口径小于6 cm表面剂量又有所提高,这是由于限光筒壁产生的次级射线对中心轴剂量产生影响,以致表面剂量升高。
, http://www.100md.com
2.2 百分深度量(PDD)
电子束的深度剂量变化除能量外则主要依赖于限光筒尺寸和机头光栅设置的影响将光栅设置在15 cm×15 cm,对不同口径的圆形限光筒测得之Dmax和d 85值见表3结果显示在同一能量当限光筒口径变小时,剂量建成区、Dmax和d85都向表面移动15 MeV除外,口径越小Dmax和d85向表面移动越明显, 同时随着能量增高,这种趋势越明显,对斜边筒,Dmax和d 85的深度较相同口径的平边筒更浅,这种差别, 随能量和限光筒口径的变化,一般在2~4 mm之间,应该指出斜边限光筒产生的是一个椭圆形的照射野,该野的短轴等于限光筒内径,而其长轴应为Φ/cosθ,其中Φ为限光筒内径,θ为斜角。
2.3 X线污染(Dx)
限光筒和铅挡都会产生X线污染,表4指出了两个圆形平边筒和15cm×15cm标准筒测量结果。口径较小的限光筒X线污染略为大一点,随着能量增高,变得更明显。
, 百拇医药
2.4 输出因子
限光筒的输出因子,应根据不同的能量,准直器开口设置进行实际测量。每个限光筒尤其是小口径筒,准直器设置大小不同对输出因子有明显影响,我们所制造的限光筒实测表明数据以15 cm×15 cm野,SSD=100 cm,Dmax处吸收剂量归一处理);矩形限光筒的输出因子随限光筒面积增大而增大,圆形限光筒,当准直器开口设置在15 cm×15 cm时,除6 MeV以外,输出因子随限光筒直径增大而增大,当限光筒直径超过 5cm时,输出因子趋于稳定,变化在0.8%以内,6 MeV时,输出因子随筒径增大变化较大见图1。
图1 6 MeV时不同术放筒输出因子的变化
2.5 剂量均匀性
术中照射野的剂量均匀性,直接受所用的限光筒和准直器开口设置的影响尤其是斜边限光筒对剂量均匀性的影响更大。我们用三维扫描仪对常规使用的限光筒进行扫描(水中Dmax处,能量为12 MeV,准直器开口15 cm×15 cm),所得结果显示开口直径较小的限光筒对称性指标较差见表5。
, http://www.100md.com
在同样条件下设置用慢感光胶片在固体模中,曝射50 cGy后,由等密度黑度计读出等量线分析表明小口径限光筒产生的等量线在边缘有“角状”突起,剂量增高作为4%左右而换用15 cm×15 cm标准限光筒测量该比例降低至0.9%,这种在边缘上剂量增高,主要是由于限光筒边缘产生的散射所致。使用斜边限光筒后,加速器机架需转动一角度以保证限光筒边和照射面平行紧贴,这样使得照射野内横轴上的剂量分布均匀性更差一些。
2.6 半影剂量
在术中放疗中,照射野外围的半影剂量直接影响到靶区周围脏器的损伤, 在使用有机玻璃材料制成的限光筒后,半影剂量有所提高,为了消除这种影响,将野外剂量降到野中心剂量的5%以下, 我们特地设计了限光筒上端的铅挡,材料为低溶点铅,密度为9.4克/cm3,当能量6~15 MeV不等,铅所需厚度约为5~8 mm左右,在铅板下端附有10 mm厚的水等效有机玻璃材料,以吸收由铅板产生的次级射线, 铅板开口和形状按相似限光筒开口制作,使每一个限光筒都有一块配套使用的铅挡,选择挡板足以消除18 MeV以下,不必要的射线,实际测量表明,使用这种屏蔽物后,周边剂量能达到要求,见图2,同时建议按上述方法浇涛几块条状挡块,以备照射中遮挡照射野内需挡的部位。之于有机玻璃板制成的限光筒产生的穿透半影和散射半影能与常规限光筒近似,故本文不作介绍。
, http://www.100md.com
图2 12MeV时加与不加挡铅对周边剂量的影响
3 讨论与结论
术中放疗的照射野是根据病灶范围、手术情况和解剖位置等因素而设计。我们常用的为圆形、 长方形和用于上腹部的五边形。根据我们的使用情况,腹部肿瘤的术中照射以圆形筒较佳, 因为圆形筒较易放入以及野内剂量均匀性较好。在我院81例腹部手术中,圆形筒使用的例数为62例,使用比例达76%。 我院自制的限光装置为一组由5 mm有机玻璃材料制成的形状、尺寸不同的限光筒和一个专用连接架。 尺寸按西门子 Mevatron KD直线加速器机头尺寸设计连接架插入机头附件插槽中。限光筒按肿瘤床面积外加1.5 cm边界选择。此外还要考虑该限光筒的野内剂量均匀性。
根据对应用的自制限光筒装置物理剂量的测定,基本与国内外文献报道的参数相符合。本文通过自制限光筒装置物理剂量的分析认为基本符合临床应用和物理学的要求。由于其有成本低和操作方便的特点,因此适合于在广大基层单位应用。
, http://www.100md.com
作者简介:蔡伟荣,(1952-),男浙江省暨县人民医院主治医师,从事放射物理的研究。
参考文献
1,Edwin C,MccullonghThe dosimetric properties of an applicator system for intraoperative electron beam therapy utiliging a clinac-18 acceleratorJ. Med. phys.1982,9(2).
2,B.A.FRAASS:Intraoperative radiotherapy at the National Cancer Iustitute technical innovations and dosimetry[J]. lnt.J.Radiat.Oncol.Biolphys1985,1.
3,Robert A. Dah1:Determination of accurate dosimetric parameters for beveled intraoperative electron beam applicators[J]. Med.phys. 1989,6(1).
收稿日期:1999-8-21, 百拇医药