前列腺特异性抗原、直肠指检和经直肠超声早期检测前列腺癌
作者:余明主 方向明 钱洪军 葛根 李国荣
单位:余明主(解放军第94医院泌尿外科,江西 南昌 330002);方向明(解放军第94医院泌尿外科,江西 南昌 330002);钱洪军(解放军第94医院泌尿外科,江西 南昌 330002);葛根(江西医学院第二附属医院泌尿外科,江西 南昌 330006);李国荣(江西医学院第二附属医院泌尿外科,江西 南昌 330006)
关键词:前列腺肿瘤;癌;前列腺特异性抗原;直肠指检;经直肠超声
现代诊断与治疗000416 中图分类号:R737.25 文献标识码:B 文章编号:1001-8174(2000)04-0229-02
前列腺癌(Prostate carcinoma,PCa)是欧美国家男性中最为常见的恶性肿瘤,占癌症死因的第二位[1]。在我国尚未排入八大常见肿瘤之列,但随着生活水平的提高和人口的老龄化,PCa的发病率显著上升[2]。早期PCa通过根治术联合辅助疗法可望达到治愈的目的,因而早期诊断尤为重要。本文回顾了23例病理证实为包膜内的PCa患者术前的检查结果,分析三种临床常用检查方法对PCa的诊断价值,为指导临床提供依据。
, 百拇医药
1 资料与方法
1.1 临床资料 23例PCa患者,年龄53~86(平均64.2)岁;I-PSS评分平均26.8,患者均因尿频、夜尿增多、排尿困难或前列腺炎等就诊,所有病例均经病理证实。
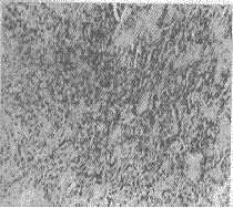
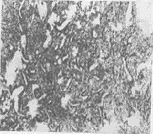
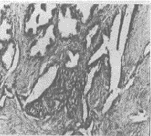
1.2 检查方法 患者入院前至少1周以上未行下列检查或操作:直肠指检(Digital rectal examination,DRE)、经直肠前列腺超声(Transrectal ultrasonography,TRUS)、插导尿管或前列腺穿刺以及未曾口服下列治疗前列腺增生的特殊药物(如保列治、高特灵等),作I-PSS评分后抽血作前列腺特异性抗原(Prostate-spacific antigen,PSA)检测。DRE采用患者膝胸位,由2名医师同时进行肛诊检查,记录前列腺大小、形状、质地、中央沟存在与否及有无结节,作出良性前列腺增生(BPH)抑或PCa的初步诊断。TRUS由彩超室专人负责检查并报告前列腺三维,有无钙化、不均匀改变,高超声结节或低超声结节等,作出PCa的初步影像学诊断。所有患者术前常规行骨盆CT和/或MRI及全身骨扫描、胸片等以排除远处转移,术后作常规全标本病理切片(图1~3),有前列腺包膜或/和精囊腺浸润的患者不列入本研究范围即T1T2NoMo,必要时加做免疫组化指标检查。
, 百拇医药
图1 HE染色低倍镜100×PCa(部分分化较差)
图2 HE染色低倍镜100×PCa(低分化腺癌)
图3 HE染色低倍镜100×PCa(实体状腺癌)
2 结果
PSA≤4.0ng/ml3例(13.0%),4.0~10.0ng/ml8例(34.8%),10.1~20.0ng/ml7例(30.4%),>20ng/ml5例(21.7%)。DRE发现结节6例(26.1%),坚硬改变8例(34.8%),不规则改变5例(21.7%),正常4例(17.4%)。TRUS发现低超声结节改变10例(43.5%),钙化不均匀改变6例(26.1%),高超声改变2例(8.7%),正常5例(21.7%)。当联合运用此三种方法时除1例外均能发现有异常改变,见表1~3,图4。表1 DRE及TRUS检查结果的PSA分布
, http://www.100md.com
n
PSA(ng/ml)
≤4
4.0~10.0
10.1~20
>20
DRE正常
4
1
2
1
0
TRUS正常
, 百拇医药
5
1
1
2
1
TRUS钙化、不均匀改变
6
0
2
3
1
表2 DRE正常、PSA异常的TRUS结果
n
, 百拇医药
PSA(ng/ml)
低超
钙化不均匀
高超
正常
DRE正常
4
2
1
0
1
PSA
4.0~10.0
, http://www.100md.com
8
4
2
1
1
(ng/ml)
10.1~20.0
7
2
3
0
2
>20.0
5
, http://www.100md.com
2
1
1
1
表3 PSA异常、TRUS正常及不均匀改变的DRE检查结果
n
DRE
结节
坚硬
不规则
正常
PSA
4.0~10.0
, http://www.100md.com
8
2
3
2
1
(ng/ml)
10.1~20.0
7
1
3
1
2
>20.0
5
, 百拇医药
2
1
1
1
TRUS正常
5
1
2
1
1
TRUS钙化或不均匀改变
6
2
2
, 百拇医药
1
1
图4 TRUS前列腺低超声结节
3 讨论
目前临床上诊断PCa的常用方法有DRE、PSA和TRUS。PSA自80年代中期以来广泛运用于临床,它的运用被认为是诊断PCa的重大突破,是目前公认最敏感的PCa肿瘤标志物,其敏感性高达82.0%~98.5%。国外最新认为,PSA筛选已明显减少PCa的病死率[3],它能用于检测肿瘤大小、分期、疗效及复发。PSA虽为前列腺组织特异抗原,但非PCa的特异抗原。一些PCa患者可出现PSA正常,特别是肿瘤尚局限于腺体内。另一些BPH或前列腺炎患者亦可出现PSA值升高。本组研究23例PCa中,PSA阳性率为87%,与文献报道类似。近来游离PSA/总PSA(fPSA/tPSA)的运用更拓展了PSA在PCa诊断上的价值[4]。
, 百拇医药
DRE是最传统的前列腺检查方法。其具有操作简便、价廉、直接客观的诸多优点,能够发现前列腺结节、坚硬、不规则等病理改变。虽然近年有许多现代化的检查手段运用于临床,DRE仍为不可忽视的一项基本方法[5],但DRE同时亦带有较大的主观因素,并与检测者的熟练程度密切相关,其检测敏感性较低,本组资料阳性率60.9%。
TRUS是80年代后期Lee等报道了其在PCa方面的显著性价值后广泛运用于临床的,是目前PCa诊断的最佳影像学方法,远优于CT、MRI等[6]。TRUS可准确了解肿瘤的三维图像,可测量前列腺及肿瘤的体积。Marton等认为治疗前了解前列腺中肿瘤的体积可提供影响治疗方案和预后的重要信息。其敏感性为52%~91%,本组PCa中TRUS阳性率为69.6%。
联合应用PSA、DRE和TRUS检测PCa在国外已广泛运用于临床,国内报道较少[7~9]。本文回顾性分析了23例PCa患者术前检查,发现三种方法单独运用时结果有很大不同,阳性率不是很高,将它们联合应用时,除1例外其他均有阳性改变,阳性率为95.7%。提示:对有前列腺症状的老年患者应首先行PSA和DRE检查,均为阴性者考虑BPH;若一项或同时阳性时则应进一步行TRUS检查。
, 百拇医药
(陈范昶副主任医师 审)
参考文献:
[1]Parker SL,Tong T,Bolden S,et al.Cancer statistics[J].CA Cancer J Clin,1997,45(1):5.
[2]顾方六.前列腺增生和前列腺癌在中国发病情况的初步探讨[J].中华泌尿外科杂志,1994,15,(5增刊):5.
[3]Ray MM,Robert AS.Trends in mortality rates in patients with prostate cancer during the ear of prostate specific antigen screening[J].J Urol,2000,163(2):503-510.
, 百拇医药 [4]Letran JL,Blase AB,Loberiza FR,et al.Repeat ultrasound guided prostate needle biopsy:use of free to total prostate specific antigen ratio in predicting prostatic carcinoma[J].J Urol,1998,160(2):426-429.
[5]Editoral.Prostate cancer[J].J Urol,1997,157(3):919-920.
[6]Puppo P,Perachino M,Ricciotti G,et al.Camparsion between digital rectal examination,prostate specific antigen and transrectal ultrasound in symptomatic patients[J].Eur Urol,1992,21(Suppl 1):87.
, http://www.100md.com
[7]Editorial.Beyond prostate specific antigen-markers for prostate cancer for the 21st century[J].J Urol,2000,163(3):828.
[8]李国荣.直肠指检、血清前列腺特异抗原和经直肠超声诊断临床局限性前列腺癌[J].华中医学杂志,1997,21(4):157-159.
[9]余明主,葛 根,陈范昶,等.早期诊断前列腺癌的临床研究[J].临床泌尿外科杂志,1999,14(增刊):44-47.
收稿日期:2000-05-26, 百拇医药
单位:余明主(解放军第94医院泌尿外科,江西 南昌 330002);方向明(解放军第94医院泌尿外科,江西 南昌 330002);钱洪军(解放军第94医院泌尿外科,江西 南昌 330002);葛根(江西医学院第二附属医院泌尿外科,江西 南昌 330006);李国荣(江西医学院第二附属医院泌尿外科,江西 南昌 330006)
关键词:前列腺肿瘤;癌;前列腺特异性抗原;直肠指检;经直肠超声
现代诊断与治疗000416 中图分类号:R737.25 文献标识码:B 文章编号:1001-8174(2000)04-0229-02
前列腺癌(Prostate carcinoma,PCa)是欧美国家男性中最为常见的恶性肿瘤,占癌症死因的第二位[1]。在我国尚未排入八大常见肿瘤之列,但随着生活水平的提高和人口的老龄化,PCa的发病率显著上升[2]。早期PCa通过根治术联合辅助疗法可望达到治愈的目的,因而早期诊断尤为重要。本文回顾了23例病理证实为包膜内的PCa患者术前的检查结果,分析三种临床常用检查方法对PCa的诊断价值,为指导临床提供依据。
, 百拇医药
1 资料与方法
1.1 临床资料 23例PCa患者,年龄53~86(平均64.2)岁;I-PSS评分平均26.8,患者均因尿频、夜尿增多、排尿困难或前列腺炎等就诊,所有病例均经病理证实。
1.2 检查方法 患者入院前至少1周以上未行下列检查或操作:直肠指检(Digital rectal examination,DRE)、经直肠前列腺超声(Transrectal ultrasonography,TRUS)、插导尿管或前列腺穿刺以及未曾口服下列治疗前列腺增生的特殊药物(如保列治、高特灵等),作I-PSS评分后抽血作前列腺特异性抗原(Prostate-spacific antigen,PSA)检测。DRE采用患者膝胸位,由2名医师同时进行肛诊检查,记录前列腺大小、形状、质地、中央沟存在与否及有无结节,作出良性前列腺增生(BPH)抑或PCa的初步诊断。TRUS由彩超室专人负责检查并报告前列腺三维,有无钙化、不均匀改变,高超声结节或低超声结节等,作出PCa的初步影像学诊断。所有患者术前常规行骨盆CT和/或MRI及全身骨扫描、胸片等以排除远处转移,术后作常规全标本病理切片(图1~3),有前列腺包膜或/和精囊腺浸润的患者不列入本研究范围即T1T2NoMo,必要时加做免疫组化指标检查。
, 百拇医药
图1 HE染色低倍镜100×PCa(部分分化较差)
图2 HE染色低倍镜100×PCa(低分化腺癌)
图3 HE染色低倍镜100×PCa(实体状腺癌)
2 结果
PSA≤4.0ng/ml3例(13.0%),4.0~10.0ng/ml8例(34.8%),10.1~20.0ng/ml7例(30.4%),>20ng/ml5例(21.7%)。DRE发现结节6例(26.1%),坚硬改变8例(34.8%),不规则改变5例(21.7%),正常4例(17.4%)。TRUS发现低超声结节改变10例(43.5%),钙化不均匀改变6例(26.1%),高超声改变2例(8.7%),正常5例(21.7%)。当联合运用此三种方法时除1例外均能发现有异常改变,见表1~3,图4。表1 DRE及TRUS检查结果的PSA分布
, http://www.100md.com
n
PSA(ng/ml)
≤4
4.0~10.0
10.1~20
>20
DRE正常
4
1
2
1
0
TRUS正常
, 百拇医药
5
1
1
2
1
TRUS钙化、不均匀改变
6
0
2
3
1
表2 DRE正常、PSA异常的TRUS结果
n
, 百拇医药
PSA(ng/ml)
低超
钙化不均匀
高超
正常
DRE正常
4
2
1
0
1
PSA
4.0~10.0
, http://www.100md.com
8
4
2
1
1
(ng/ml)
10.1~20.0
7
2
3
0
2
>20.0
5
, http://www.100md.com
2
1
1
1
表3 PSA异常、TRUS正常及不均匀改变的DRE检查结果
n
DRE
结节
坚硬
不规则
正常
PSA
4.0~10.0
, http://www.100md.com
8
2
3
2
1
(ng/ml)
10.1~20.0
7
1
3
1
2
>20.0
5
, 百拇医药
2
1
1
1
TRUS正常
5
1
2
1
1
TRUS钙化或不均匀改变
6
2
2
, 百拇医药
1
1
图4 TRUS前列腺低超声结节
3 讨论
目前临床上诊断PCa的常用方法有DRE、PSA和TRUS。PSA自80年代中期以来广泛运用于临床,它的运用被认为是诊断PCa的重大突破,是目前公认最敏感的PCa肿瘤标志物,其敏感性高达82.0%~98.5%。国外最新认为,PSA筛选已明显减少PCa的病死率[3],它能用于检测肿瘤大小、分期、疗效及复发。PSA虽为前列腺组织特异抗原,但非PCa的特异抗原。一些PCa患者可出现PSA正常,特别是肿瘤尚局限于腺体内。另一些BPH或前列腺炎患者亦可出现PSA值升高。本组研究23例PCa中,PSA阳性率为87%,与文献报道类似。近来游离PSA/总PSA(fPSA/tPSA)的运用更拓展了PSA在PCa诊断上的价值[4]。
, 百拇医药
DRE是最传统的前列腺检查方法。其具有操作简便、价廉、直接客观的诸多优点,能够发现前列腺结节、坚硬、不规则等病理改变。虽然近年有许多现代化的检查手段运用于临床,DRE仍为不可忽视的一项基本方法[5],但DRE同时亦带有较大的主观因素,并与检测者的熟练程度密切相关,其检测敏感性较低,本组资料阳性率60.9%。
TRUS是80年代后期Lee等报道了其在PCa方面的显著性价值后广泛运用于临床的,是目前PCa诊断的最佳影像学方法,远优于CT、MRI等[6]。TRUS可准确了解肿瘤的三维图像,可测量前列腺及肿瘤的体积。Marton等认为治疗前了解前列腺中肿瘤的体积可提供影响治疗方案和预后的重要信息。其敏感性为52%~91%,本组PCa中TRUS阳性率为69.6%。
联合应用PSA、DRE和TRUS检测PCa在国外已广泛运用于临床,国内报道较少[7~9]。本文回顾性分析了23例PCa患者术前检查,发现三种方法单独运用时结果有很大不同,阳性率不是很高,将它们联合应用时,除1例外其他均有阳性改变,阳性率为95.7%。提示:对有前列腺症状的老年患者应首先行PSA和DRE检查,均为阴性者考虑BPH;若一项或同时阳性时则应进一步行TRUS检查。
, 百拇医药
(陈范昶副主任医师 审)
参考文献:
[1]Parker SL,Tong T,Bolden S,et al.Cancer statistics[J].CA Cancer J Clin,1997,45(1):5.
[2]顾方六.前列腺增生和前列腺癌在中国发病情况的初步探讨[J].中华泌尿外科杂志,1994,15,(5增刊):5.
[3]Ray MM,Robert AS.Trends in mortality rates in patients with prostate cancer during the ear of prostate specific antigen screening[J].J Urol,2000,163(2):503-510.
, 百拇医药 [4]Letran JL,Blase AB,Loberiza FR,et al.Repeat ultrasound guided prostate needle biopsy:use of free to total prostate specific antigen ratio in predicting prostatic carcinoma[J].J Urol,1998,160(2):426-429.
[5]Editoral.Prostate cancer[J].J Urol,1997,157(3):919-920.
[6]Puppo P,Perachino M,Ricciotti G,et al.Camparsion between digital rectal examination,prostate specific antigen and transrectal ultrasound in symptomatic patients[J].Eur Urol,1992,21(Suppl 1):87.
, http://www.100md.com
[7]Editorial.Beyond prostate specific antigen-markers for prostate cancer for the 21st century[J].J Urol,2000,163(3):828.
[8]李国荣.直肠指检、血清前列腺特异抗原和经直肠超声诊断临床局限性前列腺癌[J].华中医学杂志,1997,21(4):157-159.
[9]余明主,葛 根,陈范昶,等.早期诊断前列腺癌的临床研究[J].临床泌尿外科杂志,1999,14(增刊):44-47.
收稿日期:2000-05-26, 百拇医药