骨细胞瘤的生物学行为与癌基因蛋白表达的相关性
作者:陈县城 吴文乔 沈洪武 刘林勇
单位:漳州市医院病理科,福建 漳州 363000
关键词:巨细胞瘤;骨;分级;癌基因蛋白质类;肿瘤浸润;肿瘤复发;局部
临床骨科杂志000401
【摘要】 目的 探讨癌基因蛋白表达在骨巨细胞瘤生物学行为与预后方面的意义。方法 对46例骨巨细胞瘤(含10例肿瘤复发)进行Jaffe分级与综合分级;同时镜下确认有否侵袭周围组织与出血坏死,结合免疫组织化学技术检测Ki67,bcl-2,c-erbB-2及nm23 4种癌基因蛋白表达。 结果 在肿瘤的出血坏死、侵袭与复发方面,Ⅰ、Ⅱ、Ⅲ级之间的差异无显著性,Ⅲ级分类与综合分级也无相关性。4种癌基因产物的表达在一定程度上与其侵袭复发有关。结论 单纯Ⅲ级分类法在反映骨巨细胞瘤的生物学行为方面存在着一定的局限性。癌基因产物的表达参照综合分级可能成为推断骨巨细胞瘤的性质与预后重要参考指标。
, 百拇医药
【中图分类号】 R738.1 【文献标识码】 A 【文章编号】 1008-0287(2000)04-0241-04
Correlation between biological behavior of giant cell tumor of bone and oncogene protein expression
Chen Xiancheng, Wu Wenqiao, Shen Hongwu, Liu Linyong
(Dept of Pathology, Zhangzhou Municipal Hospital, Zhangzhou, Fujian 363000)
【Abstract】 Objective To study the correlation of expression of oncogene proteins with the invasion and recurrence of giant cell tumor (GCT) of bone and its various cytologic grades. Methods According to Jaffe classification and comprehensive grades, 46 cases (10 of which recurred after operations) were classified, with its invasion, hemorrhage and necrosis degrees being evaluated by microscope. In addition, the expression of oncogene proteins including Ki67, bcl-2, c-erbB-2 and nm23 were detected by S-P immunohistochemistry. Results The three degrees of Jaffe classification were unable to accord rightly with biological behaviors of GCT as well as comprehensive grades, while the expression rates of oncogene products corresponded with the tumor invasion and recurrences to a certain degree. Conclusion Detection to oncogene products, in combination with comprehensive grades, may become a helpful method to settle the exact nature and prognosis of GCT.
, 百拇医药
【Key words】 giant cell tumor of bone;grades; oncogene proteins;tumor-infiltrating;neoplasm recurrence,local
骨巨细胞瘤(giant cell tumor of bone, GCT) 是常见的骨肿瘤之一。其病理诊断分级由Jaffe 等提出:Ⅰ级为良性,Ⅱ级属潜在恶性,Ⅲ级为明显恶性。然而,随着临床资料的积累,众多学者逐渐认识到Ⅲ级分类与GCT侵袭、复发等生物学行为不甚相符, 影响分级对临床的指导意义。为此,作者对GCT的侵袭能力、 复发倾向以及出血坏死性变化等特征与癌基因表达产物的关系做初步探讨。
1 材料与方法
选用我院1994年1月~2000年8月间手术切除且临床与病理资料完整的GCT患者共46例。男26例,女20例,年龄20~71岁。肿瘤复发再次手术10例,复发年限为术后0.5~6年,其中1例5年内复发3次。 生长部位:胫骨13例,股骨12例,骶骨5例,尺骨与腓骨各3例,肱骨与腕骨各2例,上颌骨、下颌骨、肋骨、锁骨、桡骨与距骨各1例。所有病例的切片均按Jaffe分级法复核诊断,符合Ⅰ级24例,Ⅱ级18例,Ⅲ级4例。同时结合影像学表现与组织基质细胞异型性进行Campanacci综合分级〔1〕,加以对照。镜下确认肿瘤组织有否出血、坏死、侵袭血管壁或侵袭周围软组织等。癌基因蛋白表达的检测采用S-P免疫组化试剂盒,4种单抗Ki67、bcl-2、c-erbB-2及nm23均由福州迈新公司提供。染色判断主要依间质细胞着色深度与范围:浅黄色为1,深黄色为2;细胞着色范围<10%为1,≥10%为2。两项相加<3为阴性,≥3为阳性(图1~3)。Ki67增殖指数按阳性细胞超过30%(+)、50%(
)、70%(
)进行分级(图4~6)。有关数据处理采用四格表精确概率法,作χ2检验,等级资料采用相关分析(列联系数法)。
, http://www.100md.com
2 结果
2.1 各级GCT的生物学行为比较 无论Jaffe分级的高低,多数肿瘤具有侵袭性行为,包括侵袭自身血管造成出血坏死与侵袭周围软组织。在出血、坏死、侵袭和复发方面,各级之间的差异无显著性(P>0.05),见表1。且与Campanacci综合分级无相关性(P>0.05)。
表1 GCT的生物学行为与分级 分级
Ⅰ
Ⅱ
Ⅲ
合计
n
24
18
, 百拇医药
4
46
生物学行为
出血、坏死
22
15
3
40
侵袭
20
13
4
37
复发
, 百拇医药
5
4
1
10
Campanacci综合分级
静止
7
3
0
10
活跃
9
8
1
, http://www.100md.com
18
侵袭
8
7
3
18
各级之间比较:P>0.05
值得补充的是,在Ⅰ级肿瘤当中,有1例肋骨 GCT穿透胸膜侵入肺内,以致术前的X线及B超检查均误诊为肺癌而行剖胸术;1 例腓骨GCT侵袭腓总神经,以及1例骶骨GCT于骶静脉内发现瘤栓, 足以表明Ⅰ级GCT的侵袭性本质。
2.2 Ki67增殖抗原在各组GCT的表达情况 复发组的Ki67增殖抗原表达强度高于原发组,但两组间差异无显著性(P>0.05); 侵袭组的Ki67表达强度高于未侵袭组(表2),两组间差异有显著性(列联系数C=0.419,P<0.01)。
, http://www.100md.com
2.3 bcl-2、c-erbB-2及nm23在各组GCT中的表达 在原发组与复发组的比较中,复发组的bcl-2及c-erbB-2表达率虽高于原发组, 但差异无显著性(P>0.05);复发组的nm23表达率低于原发组(P<0.01)。在侵袭组与未侵袭组比较时,侵袭组的bcl-2及c-erbB-2的表达率均高于未侵袭组(P<0.05),两组间差异均有显著性(表3);但两组间的nm23表达差异无显著性。
表2 GCT不同分组的Ki67增殖指数 分组
n
+
原发组
36
, http://www.100md.com
18
7
11
复发组
10
2
3
5
未侵袭组
9
8
1
0
侵袭组
, 百拇医药
37
12
9
16
合计
46
20
10
16
原发组与复发组比较:P>0.05;未侵袭组与侵袭组比较:P<0.01表3 三种癌基因蛋白在GCT不同分组中表达比较 组别
n
bcl-2
, 百拇医药
c-erbB-2
nm23
原发组
36
16
13
32
复发组
10
6
5
3△△
未侵袭组
, 百拇医药
9
1
0
8
侵袭组
37
21*
18*
27
合计
46
22
, 百拇医药 18
35
与未侵袭组比较:*P<0.05;与原发组比较:△△P<0.013 讨论
GCT的Jaffe分级标准显然不能确切地反映肿瘤的生物学行为,不能很好地指导临床判断预后〔2〕。本组病例的研究表明Jaffe各级在生物学行为上差异无显著性,也与综合分级无相关性。分级不能正确提示肿瘤的侵袭行为,也不能推测其复发倾向。 无论分级好坏,多数GCT具有侵袭性;个别未见侵袭者,可能暂时处于“交界前”阶段, 随着肿瘤的演进与癌基因的活化, 最终难免暴露其侵袭性本质。
Ki67抗原是1983年由Gerdes发现在增殖细胞中表达的一种核抗原,从G1中晚期开始表达,M期达到高峰,有丝分裂期后迅速降解,而在G0期不表达,由于其半衰期较短,使之成为优于PCNA的反映细胞增殖活性的可靠指标。国内外许多研究表明Ki67抗原的过量表达与许多恶性肿瘤的生物学行为和预后密切相关。本研究发现GCT的Ki67 表达均呈阳性反应。侵袭组的表达强度高于未侵袭组(图4~6),提示了 GCT的增殖活性增高,侵袭力也增强。
, 百拇医药
bcl-2是细胞凋亡的抑制基因, 侵袭组bcl-2蛋白表达的阳性率高于未侵袭组(图1),提示GCT细胞凋亡受过度抑制则其侵袭力增强。生长因子受体相关基因c-erbB-2已被证实可在37%的间质来源肿瘤中表达〔3〕。在本组46例的表达中,未侵袭组无阳性表达, 而侵袭组内有近半数为阳性(图2), 可见该基因产物的表达与其侵袭行为密切有关。nm23原为抗转移基因,在原发组与复发组之间表达差异具有显著性(图3), 复发组的表达率极低。 nm23的表达与否有可能成为推断GCT复发的一项参考指标。总之, 分级结合有关癌基因表达产物的检测可以进一步明确GCT细胞的生物学特性。
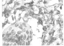
图1 侵袭组GCT细胞,bcl-2阳性表达主要位于核周 ×400
图2 侵袭组GCT细胞,胞浆c-erbB-2阳性表达 ×400
, http://www.100md.com
图3 原发组GCT细胞,胞浆nm23阳性表达 ×400
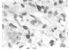
图4 原发组GCT细胞,Ki67增殖指数(+) ×400
图5 侵袭组GCT细胞,Ki67增殖指数(
) ×400
图6 侵袭组GCT细胞,Ki67增殖指数(
) ×400
作者简介:陈县城(1962-),男,硕士,副主任医师。研究方向:骨肿瘤
, 百拇医药
参考文献
1,冯传汉,吕厚山,蒋化龙主编.现代骨科诊疗手册[M].第1版,北京:北京医科大学、中国协和医科大学联合出版社,1997:591~592
2,Fukunaga M, Nikaido T, Shimoda T et al. A flow cytometric DNA analysis of giant cell tumors of bone including two cases with malignant transformation[J]. Cancer,1992;70(7):1 886~1 894
3,Duda RB,Cundiff D, August CZ et al,Growth factor receptor and related oncogene determination in mesenchymal tumors[J].Cancer,1993;71(11):3 526~3 530
2000-01-25收稿,2000-10-27修回, 百拇医药
单位:漳州市医院病理科,福建 漳州 363000
关键词:巨细胞瘤;骨;分级;癌基因蛋白质类;肿瘤浸润;肿瘤复发;局部
临床骨科杂志000401
【摘要】 目的 探讨癌基因蛋白表达在骨巨细胞瘤生物学行为与预后方面的意义。方法 对46例骨巨细胞瘤(含10例肿瘤复发)进行Jaffe分级与综合分级;同时镜下确认有否侵袭周围组织与出血坏死,结合免疫组织化学技术检测Ki67,bcl-2,c-erbB-2及nm23 4种癌基因蛋白表达。 结果 在肿瘤的出血坏死、侵袭与复发方面,Ⅰ、Ⅱ、Ⅲ级之间的差异无显著性,Ⅲ级分类与综合分级也无相关性。4种癌基因产物的表达在一定程度上与其侵袭复发有关。结论 单纯Ⅲ级分类法在反映骨巨细胞瘤的生物学行为方面存在着一定的局限性。癌基因产物的表达参照综合分级可能成为推断骨巨细胞瘤的性质与预后重要参考指标。
, 百拇医药
【中图分类号】 R738.1 【文献标识码】 A 【文章编号】 1008-0287(2000)04-0241-04
Correlation between biological behavior of giant cell tumor of bone and oncogene protein expression
Chen Xiancheng, Wu Wenqiao, Shen Hongwu, Liu Linyong
(Dept of Pathology, Zhangzhou Municipal Hospital, Zhangzhou, Fujian 363000)
【Abstract】 Objective To study the correlation of expression of oncogene proteins with the invasion and recurrence of giant cell tumor (GCT) of bone and its various cytologic grades. Methods According to Jaffe classification and comprehensive grades, 46 cases (10 of which recurred after operations) were classified, with its invasion, hemorrhage and necrosis degrees being evaluated by microscope. In addition, the expression of oncogene proteins including Ki67, bcl-2, c-erbB-2 and nm23 were detected by S-P immunohistochemistry. Results The three degrees of Jaffe classification were unable to accord rightly with biological behaviors of GCT as well as comprehensive grades, while the expression rates of oncogene products corresponded with the tumor invasion and recurrences to a certain degree. Conclusion Detection to oncogene products, in combination with comprehensive grades, may become a helpful method to settle the exact nature and prognosis of GCT.
, 百拇医药
【Key words】 giant cell tumor of bone;grades; oncogene proteins;tumor-infiltrating;neoplasm recurrence,local
骨巨细胞瘤(giant cell tumor of bone, GCT) 是常见的骨肿瘤之一。其病理诊断分级由Jaffe 等提出:Ⅰ级为良性,Ⅱ级属潜在恶性,Ⅲ级为明显恶性。然而,随着临床资料的积累,众多学者逐渐认识到Ⅲ级分类与GCT侵袭、复发等生物学行为不甚相符, 影响分级对临床的指导意义。为此,作者对GCT的侵袭能力、 复发倾向以及出血坏死性变化等特征与癌基因表达产物的关系做初步探讨。
1 材料与方法
选用我院1994年1月~2000年8月间手术切除且临床与病理资料完整的GCT患者共46例。男26例,女20例,年龄20~71岁。肿瘤复发再次手术10例,复发年限为术后0.5~6年,其中1例5年内复发3次。 生长部位:胫骨13例,股骨12例,骶骨5例,尺骨与腓骨各3例,肱骨与腕骨各2例,上颌骨、下颌骨、肋骨、锁骨、桡骨与距骨各1例。所有病例的切片均按Jaffe分级法复核诊断,符合Ⅰ级24例,Ⅱ级18例,Ⅲ级4例。同时结合影像学表现与组织基质细胞异型性进行Campanacci综合分级〔1〕,加以对照。镜下确认肿瘤组织有否出血、坏死、侵袭血管壁或侵袭周围软组织等。癌基因蛋白表达的检测采用S-P免疫组化试剂盒,4种单抗Ki67、bcl-2、c-erbB-2及nm23均由福州迈新公司提供。染色判断主要依间质细胞着色深度与范围:浅黄色为1,深黄色为2;细胞着色范围<10%为1,≥10%为2。两项相加<3为阴性,≥3为阳性(图1~3)。Ki67增殖指数按阳性细胞超过30%(+)、50%(
, http://www.100md.com
2 结果
2.1 各级GCT的生物学行为比较 无论Jaffe分级的高低,多数肿瘤具有侵袭性行为,包括侵袭自身血管造成出血坏死与侵袭周围软组织。在出血、坏死、侵袭和复发方面,各级之间的差异无显著性(P>0.05),见表1。且与Campanacci综合分级无相关性(P>0.05)。
表1 GCT的生物学行为与分级 分级
Ⅰ
Ⅱ
Ⅲ
合计
n
24
18
, 百拇医药
4
46
生物学行为
出血、坏死
22
15
3
40
侵袭
20
13
4
37
复发
, 百拇医药
5
4
1
10
Campanacci综合分级
静止
7
3
0
10
活跃
9
8
1
, http://www.100md.com
18
侵袭
8
7
3
18
各级之间比较:P>0.05
值得补充的是,在Ⅰ级肿瘤当中,有1例肋骨 GCT穿透胸膜侵入肺内,以致术前的X线及B超检查均误诊为肺癌而行剖胸术;1 例腓骨GCT侵袭腓总神经,以及1例骶骨GCT于骶静脉内发现瘤栓, 足以表明Ⅰ级GCT的侵袭性本质。
2.2 Ki67增殖抗原在各组GCT的表达情况 复发组的Ki67增殖抗原表达强度高于原发组,但两组间差异无显著性(P>0.05); 侵袭组的Ki67表达强度高于未侵袭组(表2),两组间差异有显著性(列联系数C=0.419,P<0.01)。
, http://www.100md.com
2.3 bcl-2、c-erbB-2及nm23在各组GCT中的表达 在原发组与复发组的比较中,复发组的bcl-2及c-erbB-2表达率虽高于原发组, 但差异无显著性(P>0.05);复发组的nm23表达率低于原发组(P<0.01)。在侵袭组与未侵袭组比较时,侵袭组的bcl-2及c-erbB-2的表达率均高于未侵袭组(P<0.05),两组间差异均有显著性(表3);但两组间的nm23表达差异无显著性。
表2 GCT不同分组的Ki67增殖指数 分组
n
+
原发组
36
, http://www.100md.com
18
7
11
复发组
10
2
3
5
未侵袭组
9
8
1
0
侵袭组
, 百拇医药
37
12
9
16
合计
46
20
10
16
原发组与复发组比较:P>0.05;未侵袭组与侵袭组比较:P<0.01表3 三种癌基因蛋白在GCT不同分组中表达比较 组别
n
bcl-2
, 百拇医药
c-erbB-2
nm23
原发组
36
16
13
32
复发组
10
6
5
3△△
未侵袭组
, 百拇医药
9
1
0
8
侵袭组
37
21*
18*
27
合计
46
22
, 百拇医药 18
35
与未侵袭组比较:*P<0.05;与原发组比较:△△P<0.013 讨论
GCT的Jaffe分级标准显然不能确切地反映肿瘤的生物学行为,不能很好地指导临床判断预后〔2〕。本组病例的研究表明Jaffe各级在生物学行为上差异无显著性,也与综合分级无相关性。分级不能正确提示肿瘤的侵袭行为,也不能推测其复发倾向。 无论分级好坏,多数GCT具有侵袭性;个别未见侵袭者,可能暂时处于“交界前”阶段, 随着肿瘤的演进与癌基因的活化, 最终难免暴露其侵袭性本质。
Ki67抗原是1983年由Gerdes发现在增殖细胞中表达的一种核抗原,从G1中晚期开始表达,M期达到高峰,有丝分裂期后迅速降解,而在G0期不表达,由于其半衰期较短,使之成为优于PCNA的反映细胞增殖活性的可靠指标。国内外许多研究表明Ki67抗原的过量表达与许多恶性肿瘤的生物学行为和预后密切相关。本研究发现GCT的Ki67 表达均呈阳性反应。侵袭组的表达强度高于未侵袭组(图4~6),提示了 GCT的增殖活性增高,侵袭力也增强。
, 百拇医药
bcl-2是细胞凋亡的抑制基因, 侵袭组bcl-2蛋白表达的阳性率高于未侵袭组(图1),提示GCT细胞凋亡受过度抑制则其侵袭力增强。生长因子受体相关基因c-erbB-2已被证实可在37%的间质来源肿瘤中表达〔3〕。在本组46例的表达中,未侵袭组无阳性表达, 而侵袭组内有近半数为阳性(图2), 可见该基因产物的表达与其侵袭行为密切有关。nm23原为抗转移基因,在原发组与复发组之间表达差异具有显著性(图3), 复发组的表达率极低。 nm23的表达与否有可能成为推断GCT复发的一项参考指标。总之, 分级结合有关癌基因表达产物的检测可以进一步明确GCT细胞的生物学特性。
图1 侵袭组GCT细胞,bcl-2阳性表达主要位于核周 ×400
图2 侵袭组GCT细胞,胞浆c-erbB-2阳性表达 ×400
, http://www.100md.com
图3 原发组GCT细胞,胞浆nm23阳性表达 ×400
图4 原发组GCT细胞,Ki67增殖指数(+) ×400
图5 侵袭组GCT细胞,Ki67增殖指数(
图6 侵袭组GCT细胞,Ki67增殖指数(
作者简介:陈县城(1962-),男,硕士,副主任医师。研究方向:骨肿瘤
, 百拇医药
参考文献
1,冯传汉,吕厚山,蒋化龙主编.现代骨科诊疗手册[M].第1版,北京:北京医科大学、中国协和医科大学联合出版社,1997:591~592
2,Fukunaga M, Nikaido T, Shimoda T et al. A flow cytometric DNA analysis of giant cell tumors of bone including two cases with malignant transformation[J]. Cancer,1992;70(7):1 886~1 894
3,Duda RB,Cundiff D, August CZ et al,Growth factor receptor and related oncogene determination in mesenchymal tumors[J].Cancer,1993;71(11):3 526~3 530
2000-01-25收稿,2000-10-27修回, 百拇医药