培哚普利对慢性缺氧高二氧化碳大鼠肺血管重建的影响
作者:杨鹏麟 喻林升 龚永生 郑绿珍 王卫 胡良冈
单位:杨鹏麟(温州医学院附属二院,温州325027);喻林升 龚永生 郑绿珍 王卫 胡良冈(温州医学院病理教研室)
关键词:缺氧血管紧张素转换酶抑制剂培哚普利肺动脉高压
中国临床药理学与治疗学000405
目的探讨培哚普利对常压慢性缺氧高二氧化碳性肺动脉高压及肺血管重建的影响。方法47只SD大鼠随机分为:对照组(A)、缺氧高二氧化碳处理4wk组(B1)、培哚普利治疗4wk组(B2)、缺氧高二氧化碳处理8wk组(C1)、培哚普利治疗8wk组(C2)。采用常压低氧高二氧化碳肺动脉高压大鼠模型,观察肺动脉平均压(mPAP),血浆血管紧张素Ⅱ(AngⅡ)及肺小血管平滑肌外膜、内膜超微结构的变化,以及培哚普利对以上变化的影响。结果缺氧高二氧化碳使mPAP,AngⅡ上升,超微结构发生变化,培哚普利治疗4wk组mPAP,AngⅡ下降,平滑肌超微结构病变减轻。培哚普利治疗8wk组,平滑肌超微结构病变与对照组相似。结论提示缺氧高二氧化碳使肺血管重建,且与AngⅡ有关;培哚普利能在一定程度上能减轻肺血管重建。
, 百拇医药
中图分类号R543.2;R346.4
Influences of perindopril on pulmonary vascular remodeling
in normobaric hypoxia_hypercapnia rats
YANG Peng_Lin YU Lin_Sheng GONG Yong_Sheng ZHENG Lu_Zhen WANG Wei HU Liang_Gang
(Department of Internal Medicine, the Second Affiliated Hospital, Wenzhou Medical College, Wenzhou 325027)
Aim To investigate the effects of perindopril, an angiotensin converting enzyme inhibitor, on mean pulmonary arterial pressure(mPAP) and pulmonary vascular remodeling.Methods Using the normobaric hypoxia_hypercapnia rat model,the changes of plasma angiotensin Ⅱ (Ang Ⅱ ), mPAP and ultrastructure of pulmonary arteriolar wall were observed after administration of perindopril.Results The mPAP and AngⅡ were significantly greater and the ultrastructure of the small lung vessels had a more obvious change in the 4 weeks hypoxia_hypercapnia group than those in the control group.It was also found that perindopril decreased AngⅡ , declined mPAP and ameliorated vascular ultrastructure change.But the change of ultrastructure was similar in the 8 weeks hypoxia_hypercapnia group and perindopril treatment group.Conclusion It is suggested that chronic hypoxia_hypercapnia should induce the remodeling of pulmonary arteriolar structure via AngⅡ and that perindopril could ease pulmonary vascular remodeling in early stage.
, http://www.100md.com
Key words hypoxia; angiotensin converting enzyme inhibitor; perindopril; pulmonary hypertension
缺氧性肺动脉高压(HPH)发生机理尚未完全明了,肾素_血管紧张素系统(RAS)激活可能是原因之一。不少研究表明血管紧张素转换酶抑制剂(ACEI)在高血压、心肌梗塞及心力衰竭等方面有肯定疗效。但ACEI防治肺动脉高压方面的研究不多,对肺血管重建的研究甚少。培哚普利对4wk常压缺氧高二氧化碳肺动脉高压模型的防治作用曾有报道[1]。本研究旨在观察培哚普利对中、长期缺氧高二氧化碳HPH模型的肺动脉压及肺血管重建的影响。
1 材料与方法
1.1实验动物与模型复制雄性SD大鼠47只,体重180~260g,随机分成对照组(A)、缺氧高二氧化碳处理4wk组(B1)、培哚普利治疗4wk组(B2)、缺氧高二氧化碳处理8wk组(C1)、培哚普利治疗8wk组(C2)。采用陈鸣和等[2]报道慢性缺氧高二氧化碳大鼠动物模型。全部动物处于同一室内。除A组放在舱外饲养,其余各组均放入低氧高二氧化碳舱内,每天饲养10h。B2、C2组每日以灌胃方式给以培哚普利1mg·kg-1(pernidopril,法国施维雅药厂),其余各组灌等量的生理盐水。采用右心导管法[3]记录肺动脉平均压(mPAP)。
, 百拇医药
1.2AngⅡ浓度测定抽取颈总动脉血1.5ml,注入含EDTA与抑肽酶的塑料离心管中离心(4℃,10000r·min-1,10min)后,取上清液-30℃保存。所有操作均在冰水浴中进行。采用放免法(F_2008C自动γ免疫计数器,西安262厂生产)测定,AngⅡ试剂盒购自北京北方生物技术研究所。
1.3电镜切片制作在肺门处取1mm×2mm×2mm肺组织,用2.5%戊二醛固定,Epon810包埋,700A超薄切片。H600型透射电镜(日本日立牌)观察肺小血管超微结构改变。
1.4统计处理采用组间比较t检验及相关分析作统计学处理。
2 结果
2.1各组mPAP、AngⅡ变化见表1。
表1各组mPAP与AngⅡ的变化(
±s) 组别
, 百拇医药
n
mPAP/kPa
AngII/pg.ml-1
A
7
2.30±0.25
39±7
B1
10
2.9±0.4△△
49±6△△
B2
10
, 百拇医药
2.4±0.4#
41±9#
C1
10
3.3±0.4△△#
54±8△△
C2
10
2.5±0.4**
36±8**
与A组相比△△P<0.01;与B1组比较#P<0.05;与C1组比较**P<0.01
由上表可知,缺氧高二氧化碳可使mPAP、AngⅡ上升,8wk组尤明显。用培哚普利后mPAP、AngⅡ下降,与缺氧高二氧化碳组比较有明显差异,与对照组比较略高但无统计意义。mPAP与AngⅡ密切相关(r=0.811,P<0.01)。
, 百拇医药
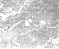
2.2超微结构A组肺小动脉内膜光滑,内皮细胞单层扁平排列,中膜平滑肌环状排列,外膜少许胶原纤维(图1)。B1组肺小动脉内膜粗糙,内皮细胞呈立方形,胞内见水肿空泡形成,内皮下水肿明显,内弹力膜增厚并且弯曲,中膜细胞竖立呈垂直排列,其间见胶原纤维;外膜纤维母细胞增生,内质网扩张,其周胶原纤维密集排列(图2)。B2组内、外膜改变同B1组,中膜平滑肌变成环状排列,面积缩小(图3)。C1、C2病变相似,均出现中膜、外膜广泛纤维化以及中膜平滑肌竖立,不过C1组纤维化尤重(图4,图5)。
3 讨论
目前认为肺血管收缩和结构重建是HPH的主要病理生理基础,涉及血管内皮、血管活性物质、神经调节等,而AngⅡ在HPH发病中的意义尚有争论。本研究发现血清中AngⅡ浓度升高与mPAP呈正相关与文献报道一致[4],AngⅡ浓度在缺氧时升
, 百拇医药
图1A组电镜见平滑肌细胞环形排列(×8000)
图2B1组电镜见内皮细胞竖立,胞内水肿,出现空泡。平滑肌细胞排列紊乱(×8000)
图3B2组电镜内膜见同B1组,中膜平滑肌环形排列
(×6000)
图4C1组电镜见平滑肌竖立排列紊乱,内质纤维化
(×4000)
, 百拇医药
图5C2组电镜中膜平滑肌细胞竖立,平行栅栏状排列
(×4000)
高的原因可能与肺局部血管紧张素转化酶活性增加有关[5],AngⅡ是一种生长促进激素可能通过AT1受体而实现,或在缺氧等病理情况下促进内皮素(ET)的释放[6],ET与AngⅡ一样都有促进血管平滑肌细胞增生,导致血管的重建。本实验在缺氧高二氧化碳时,血管平滑肌增多增大,竖立且重新排列,说明血管重建明显。
ACEI自问世以来已成为治疗高血压、充血性心衰的重要药物,晚近证实对心肌梗塞后的心室重建有明显的抑制作用,其一方面通过抑制AngⅠ转变成AngⅡ,使AngⅡ促生长因子生成量减少,另一方面通过抑制激肽酶Ⅱ使缓激肽水解减少[7],缓激肽作为一种抗生长因子而防止心室重建。最近有报道培哚普利对体循环大血管重建有逆转作用[8]。本实验表明培哚普利可使慢性肺动脉高压大鼠的肺动脉压及AngⅡ下降,4wk组延缓了肺血管平滑肌的重建,但培哚普利不能阻止HPH模型血管外膜及内膜的改变。而对8wk组疗效不佳,可能有以下几种可能①肾素在转变成AngⅡ不仅有血管紧张素转换酶(ACE)途径,还有非ACE途径,正常以ACE为主,但在ACE途径被阻断后,非ACE途径生成的AngⅡ将增加[9],尽管本实验测得的循环AngⅡ浓度下降,但组织局部也有肾素血管紧张素系统,在长期缺氧中,肾素血管紧张素系统被激活,而ACE途径被培哚普利抑制后,非ACE途径生成增加的AngⅡ使血管重建。②通常药物有量效关系,药物剂量小产生的效果也低,有报道ACEI药物在不同的剂量对自发性高血压大鼠的血压及血管重建效果不同,剂量越大,效果越好[10]。本实验仅采用一个剂量有可能没达到最佳的量效关系。另外,长期缺氧实验大鼠无疑处于病态之中,其对药物吸收,代谢可能产生影响,使有效的药物血浓度下降。③肺血管重建是一个复杂过程,除肾素血管紧张素系统外,尚有其它的因子使肺血管重建。因此本实验提示AngⅡ在常压高二氧化碳HPH模型中确实参与了肺血管的重建,尤其中膜平滑肌;培哚普利对此模型有降压作用及早期的防治血管重建作用。
, 百拇医药
本实验由浙江省卫生厅资助
杨鹏麟,男,45岁,医学硕士,副教授,从事肺心病研究。
参 考 文 献
1,杨鹏麟,喻林升,龚永生,等.培哚普利对慢性缺氧高二氧化碳大鼠肺血管重建的影响.心肺血管病杂志,1999;18:147
2,陈鸣和,蔡孔长,蒋仲荪,等.慢性常压缺氧高二氧化碳对大鼠心肺功能与结构的影响.温州医学院学报,1994;24:191
3,孙波,刘文利.右心导管测定大鼠肺动脉压的实验方法.中国医学科学院院报,1994;6:465
4,曾广斌,段生福.慢性阻塞性肺病患者肾素_血管紧张素_醛固酮系统的变化.中华结核和呼吸杂志,1989;12:265
, http://www.100md.com
5,蔡闯,邹霞英,辛达临,等.肺动脉血管紧张素转换酶在缺氧性肺动脉高压演进过程中的作用.中华结核和呼吸杂志,1997;20:215
6,杨和平,邢德智,汤健,等.血管内皮素和血管系统紧张 素Ⅱ释放的相互关系.中国病理生理杂志,1992;8:610
7,Konstam MA. Role of angiotensin converting enzyme inhibitors in preventing left ventricular remodeling following myocardial infarction.Eur Heart J,1995;16: 42
8,Kool MJ,Lustemans FA,Breed JG,et al. The influ_ ence of perindopril and the diuretic combination amiloride+ hydrochlothiazide in the vessel wall prop_ erties of large arteries in hypertensive patients. J Hy_ pertens,1995;13:839
, 百拇医药
9,Ohishi M, Ueda M, Rakugi H,et al. Relative local_ ization of angiotensin_converting enzyme, chymase and angiotensin Ⅱ in human coronary atherosclerotic lesions.J Hypertens, 1999;17(4):547
10,Thybo NK, Korsgaard N, Eriksen S, et al. Dose_ dependent effects of perindopril on blood pressure and small_artery structure.Hypertension,1994; 23 (5):659
2000-07-19收稿,2000-09-07修稿, 百拇医药
单位:杨鹏麟(温州医学院附属二院,温州325027);喻林升 龚永生 郑绿珍 王卫 胡良冈(温州医学院病理教研室)
关键词:缺氧血管紧张素转换酶抑制剂培哚普利肺动脉高压
中国临床药理学与治疗学000405
目的探讨培哚普利对常压慢性缺氧高二氧化碳性肺动脉高压及肺血管重建的影响。方法47只SD大鼠随机分为:对照组(A)、缺氧高二氧化碳处理4wk组(B1)、培哚普利治疗4wk组(B2)、缺氧高二氧化碳处理8wk组(C1)、培哚普利治疗8wk组(C2)。采用常压低氧高二氧化碳肺动脉高压大鼠模型,观察肺动脉平均压(mPAP),血浆血管紧张素Ⅱ(AngⅡ)及肺小血管平滑肌外膜、内膜超微结构的变化,以及培哚普利对以上变化的影响。结果缺氧高二氧化碳使mPAP,AngⅡ上升,超微结构发生变化,培哚普利治疗4wk组mPAP,AngⅡ下降,平滑肌超微结构病变减轻。培哚普利治疗8wk组,平滑肌超微结构病变与对照组相似。结论提示缺氧高二氧化碳使肺血管重建,且与AngⅡ有关;培哚普利能在一定程度上能减轻肺血管重建。
, 百拇医药
中图分类号R543.2;R346.4
Influences of perindopril on pulmonary vascular remodeling
in normobaric hypoxia_hypercapnia rats
YANG Peng_Lin YU Lin_Sheng GONG Yong_Sheng ZHENG Lu_Zhen WANG Wei HU Liang_Gang
(Department of Internal Medicine, the Second Affiliated Hospital, Wenzhou Medical College, Wenzhou 325027)
Aim To investigate the effects of perindopril, an angiotensin converting enzyme inhibitor, on mean pulmonary arterial pressure(mPAP) and pulmonary vascular remodeling.Methods Using the normobaric hypoxia_hypercapnia rat model,the changes of plasma angiotensin Ⅱ (Ang Ⅱ ), mPAP and ultrastructure of pulmonary arteriolar wall were observed after administration of perindopril.Results The mPAP and AngⅡ were significantly greater and the ultrastructure of the small lung vessels had a more obvious change in the 4 weeks hypoxia_hypercapnia group than those in the control group.It was also found that perindopril decreased AngⅡ , declined mPAP and ameliorated vascular ultrastructure change.But the change of ultrastructure was similar in the 8 weeks hypoxia_hypercapnia group and perindopril treatment group.Conclusion It is suggested that chronic hypoxia_hypercapnia should induce the remodeling of pulmonary arteriolar structure via AngⅡ and that perindopril could ease pulmonary vascular remodeling in early stage.
, http://www.100md.com
Key words hypoxia; angiotensin converting enzyme inhibitor; perindopril; pulmonary hypertension
缺氧性肺动脉高压(HPH)发生机理尚未完全明了,肾素_血管紧张素系统(RAS)激活可能是原因之一。不少研究表明血管紧张素转换酶抑制剂(ACEI)在高血压、心肌梗塞及心力衰竭等方面有肯定疗效。但ACEI防治肺动脉高压方面的研究不多,对肺血管重建的研究甚少。培哚普利对4wk常压缺氧高二氧化碳肺动脉高压模型的防治作用曾有报道[1]。本研究旨在观察培哚普利对中、长期缺氧高二氧化碳HPH模型的肺动脉压及肺血管重建的影响。
1 材料与方法
1.1实验动物与模型复制雄性SD大鼠47只,体重180~260g,随机分成对照组(A)、缺氧高二氧化碳处理4wk组(B1)、培哚普利治疗4wk组(B2)、缺氧高二氧化碳处理8wk组(C1)、培哚普利治疗8wk组(C2)。采用陈鸣和等[2]报道慢性缺氧高二氧化碳大鼠动物模型。全部动物处于同一室内。除A组放在舱外饲养,其余各组均放入低氧高二氧化碳舱内,每天饲养10h。B2、C2组每日以灌胃方式给以培哚普利1mg·kg-1(pernidopril,法国施维雅药厂),其余各组灌等量的生理盐水。采用右心导管法[3]记录肺动脉平均压(mPAP)。
, 百拇医药
1.2AngⅡ浓度测定抽取颈总动脉血1.5ml,注入含EDTA与抑肽酶的塑料离心管中离心(4℃,10000r·min-1,10min)后,取上清液-30℃保存。所有操作均在冰水浴中进行。采用放免法(F_2008C自动γ免疫计数器,西安262厂生产)测定,AngⅡ试剂盒购自北京北方生物技术研究所。
1.3电镜切片制作在肺门处取1mm×2mm×2mm肺组织,用2.5%戊二醛固定,Epon810包埋,700A超薄切片。H600型透射电镜(日本日立牌)观察肺小血管超微结构改变。
1.4统计处理采用组间比较t检验及相关分析作统计学处理。
2 结果
2.1各组mPAP、AngⅡ变化见表1。
表1各组mPAP与AngⅡ的变化(
, 百拇医药
n
mPAP/kPa
AngII/pg.ml-1
A
7
2.30±0.25
39±7
B1
10
2.9±0.4△△
49±6△△
B2
10
, 百拇医药
2.4±0.4#
41±9#
C1
10
3.3±0.4△△#
54±8△△
C2
10
2.5±0.4**
36±8**
与A组相比△△P<0.01;与B1组比较#P<0.05;与C1组比较**P<0.01
由上表可知,缺氧高二氧化碳可使mPAP、AngⅡ上升,8wk组尤明显。用培哚普利后mPAP、AngⅡ下降,与缺氧高二氧化碳组比较有明显差异,与对照组比较略高但无统计意义。mPAP与AngⅡ密切相关(r=0.811,P<0.01)。
, 百拇医药
2.2超微结构A组肺小动脉内膜光滑,内皮细胞单层扁平排列,中膜平滑肌环状排列,外膜少许胶原纤维(图1)。B1组肺小动脉内膜粗糙,内皮细胞呈立方形,胞内见水肿空泡形成,内皮下水肿明显,内弹力膜增厚并且弯曲,中膜细胞竖立呈垂直排列,其间见胶原纤维;外膜纤维母细胞增生,内质网扩张,其周胶原纤维密集排列(图2)。B2组内、外膜改变同B1组,中膜平滑肌变成环状排列,面积缩小(图3)。C1、C2病变相似,均出现中膜、外膜广泛纤维化以及中膜平滑肌竖立,不过C1组纤维化尤重(图4,图5)。
3 讨论
目前认为肺血管收缩和结构重建是HPH的主要病理生理基础,涉及血管内皮、血管活性物质、神经调节等,而AngⅡ在HPH发病中的意义尚有争论。本研究发现血清中AngⅡ浓度升高与mPAP呈正相关与文献报道一致[4],AngⅡ浓度在缺氧时升
, 百拇医药
图1A组电镜见平滑肌细胞环形排列(×8000)
图2B1组电镜见内皮细胞竖立,胞内水肿,出现空泡。平滑肌细胞排列紊乱(×8000)
图3B2组电镜内膜见同B1组,中膜平滑肌环形排列
(×6000)
图4C1组电镜见平滑肌竖立排列紊乱,内质纤维化
(×4000)
, 百拇医药
图5C2组电镜中膜平滑肌细胞竖立,平行栅栏状排列
(×4000)
高的原因可能与肺局部血管紧张素转化酶活性增加有关[5],AngⅡ是一种生长促进激素可能通过AT1受体而实现,或在缺氧等病理情况下促进内皮素(ET)的释放[6],ET与AngⅡ一样都有促进血管平滑肌细胞增生,导致血管的重建。本实验在缺氧高二氧化碳时,血管平滑肌增多增大,竖立且重新排列,说明血管重建明显。
ACEI自问世以来已成为治疗高血压、充血性心衰的重要药物,晚近证实对心肌梗塞后的心室重建有明显的抑制作用,其一方面通过抑制AngⅠ转变成AngⅡ,使AngⅡ促生长因子生成量减少,另一方面通过抑制激肽酶Ⅱ使缓激肽水解减少[7],缓激肽作为一种抗生长因子而防止心室重建。最近有报道培哚普利对体循环大血管重建有逆转作用[8]。本实验表明培哚普利可使慢性肺动脉高压大鼠的肺动脉压及AngⅡ下降,4wk组延缓了肺血管平滑肌的重建,但培哚普利不能阻止HPH模型血管外膜及内膜的改变。而对8wk组疗效不佳,可能有以下几种可能①肾素在转变成AngⅡ不仅有血管紧张素转换酶(ACE)途径,还有非ACE途径,正常以ACE为主,但在ACE途径被阻断后,非ACE途径生成的AngⅡ将增加[9],尽管本实验测得的循环AngⅡ浓度下降,但组织局部也有肾素血管紧张素系统,在长期缺氧中,肾素血管紧张素系统被激活,而ACE途径被培哚普利抑制后,非ACE途径生成增加的AngⅡ使血管重建。②通常药物有量效关系,药物剂量小产生的效果也低,有报道ACEI药物在不同的剂量对自发性高血压大鼠的血压及血管重建效果不同,剂量越大,效果越好[10]。本实验仅采用一个剂量有可能没达到最佳的量效关系。另外,长期缺氧实验大鼠无疑处于病态之中,其对药物吸收,代谢可能产生影响,使有效的药物血浓度下降。③肺血管重建是一个复杂过程,除肾素血管紧张素系统外,尚有其它的因子使肺血管重建。因此本实验提示AngⅡ在常压高二氧化碳HPH模型中确实参与了肺血管的重建,尤其中膜平滑肌;培哚普利对此模型有降压作用及早期的防治血管重建作用。
, 百拇医药
本实验由浙江省卫生厅资助
杨鹏麟,男,45岁,医学硕士,副教授,从事肺心病研究。
参 考 文 献
1,杨鹏麟,喻林升,龚永生,等.培哚普利对慢性缺氧高二氧化碳大鼠肺血管重建的影响.心肺血管病杂志,1999;18:147
2,陈鸣和,蔡孔长,蒋仲荪,等.慢性常压缺氧高二氧化碳对大鼠心肺功能与结构的影响.温州医学院学报,1994;24:191
3,孙波,刘文利.右心导管测定大鼠肺动脉压的实验方法.中国医学科学院院报,1994;6:465
4,曾广斌,段生福.慢性阻塞性肺病患者肾素_血管紧张素_醛固酮系统的变化.中华结核和呼吸杂志,1989;12:265
, http://www.100md.com
5,蔡闯,邹霞英,辛达临,等.肺动脉血管紧张素转换酶在缺氧性肺动脉高压演进过程中的作用.中华结核和呼吸杂志,1997;20:215
6,杨和平,邢德智,汤健,等.血管内皮素和血管系统紧张 素Ⅱ释放的相互关系.中国病理生理杂志,1992;8:610
7,Konstam MA. Role of angiotensin converting enzyme inhibitors in preventing left ventricular remodeling following myocardial infarction.Eur Heart J,1995;16: 42
8,Kool MJ,Lustemans FA,Breed JG,et al. The influ_ ence of perindopril and the diuretic combination amiloride+ hydrochlothiazide in the vessel wall prop_ erties of large arteries in hypertensive patients. J Hy_ pertens,1995;13:839
, 百拇医药
9,Ohishi M, Ueda M, Rakugi H,et al. Relative local_ ization of angiotensin_converting enzyme, chymase and angiotensin Ⅱ in human coronary atherosclerotic lesions.J Hypertens, 1999;17(4):547
10,Thybo NK, Korsgaard N, Eriksen S, et al. Dose_ dependent effects of perindopril on blood pressure and small_artery structure.Hypertension,1994; 23 (5):659
2000-07-19收稿,2000-09-07修稿, 百拇医药