移动式生物电记录系统中的红外无线通讯
作者:程兵 俞梦孙
单位:北京新兴生物医学工程研究发展中心 (北京 100037)
关键词:红外通讯;采集系统;数据传输
北京生物医学工程990202 摘 要 本文讨论了红外无线通讯的特点,及其在移动式生物电记录系统中的应用。在此基础上设计了一种利用红外无线通讯采集传输生物电信号的系统,并着重讨论了红外通讯中的干扰问题,提出了解决方法。
The Infrared Radio Communication in a Portable
Bio-Electric Signal Recording System
Cheng Bing, Yu Mengsun
, http://www.100md.com
(Beijing Xinxing Biomedical Engineering R&D Center,100037)
Abstract
The characteristics of an infrared radio communication and its application in a portable bio-electric signal recording system are discussed. Based on that, a system of collecting and transmitting bio-electric signal using infrared radio communication was designed. The problem of interference is discussed and a solution is given.
, 百拇医药
Key words:Infrared radio communication; A system of collection; Data transmission
1 移动式生物电记录系统
生物电记录系统已广泛地应用于各大、中、小型医院,尤其是心电、脑电、肌电等的检测、监护的方法和仪器已成为辅助诊断必不可少的组成部分。一些新器件、新方法的应用,使生物电检测和记录的技术日益成熟。目前,大多数生物电记录系统中的信号传输都直接使用电线,这样使得整个系统易于实现且性能稳定。但在许多特殊的医务监督场合,如运动实验等,需省去被测人体和检测记录仪器之间的直接电线连接,使被测人可在一定范围内活动,同时监测他的各项生物电参数。因此需要一种移动式生物电记录系统。移动式生物电记录系统与普通生物电记录系统的主要区别是在信号传输的通路上多了一段短距离的无线通信。这样做增加了系统的灵活性,使操作更加简便。另外,移动式生物电记录系统采用的全浮地设计可以有效地抑制共模及工频的干扰。其完全的电隔离设计,可以从根本上保证被测人的安全。下面是一个移动式生物电记录系统的组成框图(图1)。
, 百拇医药
图1 移动式生物电记录系统组成框图
生物电信号由传感器采集,经放大和A/D转换之后变成数字信号送给微处理器。微处理器将信号初步处理之后送去显示或存储。同时将信号送给发射装置进行编码和调制,然后转换成可以在空气中传输的声、光、无线电波等信号发射出去。接收装置将信号接收后再还原成电信号,然后经解调和解码后送至PC主处理机进行记录存储和进一步的处理。
2 媒介的选择及红外媒介的特性
移动式生物电记录系统设计的关键是传输媒介的选择和设计。在短距离无线通讯领域中应用的传输媒介主要为电磁波,另外机械波也可作为一种传输媒介。
超声波是一种常见的用于短距离无线传输的机械波。其传输距离一般为几米至几十米。超声波在空气中的传播速度为340m/s,相对电磁波是非常慢的。在超声波传输系统中,使用的频率为20~100KHz,目前常见的超声发射与接收器件的标称频率为40KHz。频率取得太低,外界杂音干扰较多,频率取得太高,在传播过程中衰减较大。超声发射与接收器件所具有的固有频率特性,使超声波传输系统即使不用选频电路,也具有较高的抗干扰性能[1]。它的方向性和反射特性与红外线相同,但受其频率特性和传播速度的限制,超声波传输系统的传输速率较低,因此主要应用在低速的数据传输和遥控、遥测等领域。
, 百拇医药
电磁波是一个很大的家族,从高频的宇宙射线到低频的微波、无线电波,还包括紫外线,可见光和红外线,在不同的频段,其特性相差很大。一般而言,频率越低,波长越长,所发射的能量越分散,覆盖面越大,方向性越差。所以覆盖面和方向性是一对矛盾。比较适用于高速,短程无线通讯的频段是红外频段和无线电频段,频率范围从104~1014Hz。
无线电和红外是相互补充的两种传输媒质,不同的应用场合使用不同的媒质。无线电频率低,波长长,所发射的能量分散,没有方向性,覆盖面大,能穿越障碍物,比较适合于用户流动性很大、或者要求传输信号能通过墙壁、或进行长距离传输而发射功耗最小的各种场合。而红外线则频率高,波长短,所发射的能量集中,有一定的方向性且不能穿越障碍物,比较适合用在室内,短距离,小活动范围的场所。
作为一种近距离、室内通讯的手段,红外辐射具有胜过无线电波的几个明显的优点:能高速转换和传送的红外发射器和探测器成本很低,易于实现;抗干扰能力强,工作可靠性高;红外光谱区域很宽,实际上对红外带宽没有限制。另外,当一条红外通讯线路采用直接探测强度调制方式时,短的载波波长和大面积、平方率探测器会产生高效的空间多样性,这能防止多路通讯的衰减现象。相比之下,无线电通讯线路在接收的信号幅度和相位方面通常都有较大的起伏现象。从多路衰减的自由度考虑,可以大大简化红外通讯线路的设计。
, http://www.100md.com
3 红外通讯线路的设计
3.1 分类
红外通讯线路可以采用不同的设计方法,可以根据两种标准方便地将它们加以分类。第一类判断标准是根据发射器和接收器之间的方向角度来确定的。定向通讯线路采用定向的发射器和接收器,为了建立一条通讯线路,发射器必须对准接收器。而非定向通讯线路则采用广角发射器和接收器,这样可以减轻对方向性的要求。定向通讯线路的设计可以使发射功率的利用效率达到最大,因为在这种情况下,它可以使光程(路径)损耗达到最小,受周围光噪声的影响也最小。而另一方面,非定向通讯线路则可以做到使用更方便,尤其对可以动的终端设备,因为这些设备不需要瞄准发射器或接收器。建立混合型的通讯线路也是可能的,它可将具有不同方向角度的发射器和接收器结合起来。
第二类分类的判断标准是根据在发射器和接收器之间的通讯线路是否存在不间断的视觉线。视觉线(LOS)通讯线路就要依靠这样的视觉线通道,而非视觉(Non-LOS)线通讯线路通常是依靠从天花板或某些其它漫反射表面的光反射来进行的。LOS通讯线路的设计可使发射器功率的利用效率达到最大而多路失真减到最小。Non-LOS通讯线路的设计方法则增加了使用这种线路方便性,甚至当发射器和接收器之间有阻挡物-例如人或隔板时,也允许这种通讯线路继续工作[2]。
, http://www.100md.com
3.2 直接探测强度调制(IM/DD)波道
无线电系统的调制技术包括幅度调制、相位调制和频率调制,以及由这些技术拓宽的某些其它调制方式。无线电接收器采用一根或多根天线,每根天线后面有一个外差或零差下转换器(降频变换器),它由一个本机振荡器所组成。其工作原理是依靠以一种通用的电磁振动模式来接受载波和本机振荡信号,该信号的电压与接受到的载波电场的振幅成线性关系。
在廉价无线红外系统中,要以单一电磁振动模式来收集大量的信号功率是极其困难的。这种空间上不相干的接收方式要想对AM,PM,FM或通过任何其它方法来检测AM或PM就变得相当困难。对红外通讯线路来说,最可行的调制方式是强度调制(IM),要求波形是在载波的瞬时功率上进行调制的。最实用的下转换技术是直接探测(DD)。在该技术中,光电探测器产生一个电流,它正比于接收到的瞬时功率,亦即与接收到的电场的平方成正比[2,3]。
, 百拇医药 3.3 硬件电路的设计
移动式生物电记录系统要求能在短距离内高速、可靠地传输数据,并且发射方的功耗应尽可能的低。因此本系统中的红外通讯线路是按照混合视觉线来设计,使光程路径损失很低,发射功率降至最小。相对地,混合视觉线型通讯线路没有多路传输的失真现象,可容许较高的比特传输速率。
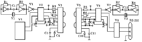
硬件电路的设计如图2所示。
图2 红外通讯的硬件电路
U1,U7采用反向器组成一个振荡电路,Y1、Y2为1.8432M的晶振,振荡频率是传输波特率的16倍。它们分别给U2和U6提供16倍波特率的时钟输入。
U2,U6采用HP公司的HSDL-7000编解码器,它的作用是将串行通信占空比为100%的信号调制成占空比为3/16的窄脉冲,它的另一个通路同时可将占空比为3/16的窄脉冲还原成占空比为100%的串行信号[4]。这样可降低发射方的功耗。如图3所示:
图3 HSDL-7000编解码器波形图
, http://www.100md.com
U3,U5采用HP公司的HSDL-1000红外发射接收器。它使用占空比为3/16的开关(通断)键控调制方式。波特率2.4~115.2kHz,峰值波长875nm,LED脉冲电流幅度250mA,方向角为60°,传输距离为1m。发射模块将来自编码器的电脉冲转化成红外光脉冲发射出去,接收模块检测红外光脉冲并将它们转化成TTL电平的电脉冲。C4,C7是0.1μf的旁路电容应尽可能地靠近模块,它距Vcc脚和GND脚的距离不能超过0.5cm,C3,C8是0.47μf的旁路电容,增大它可以增加对噪声的抑制,R3,R5的取值从0.8~10Ω,改变它可以改变红外发射光的功率,从而调节传输距离[4]。
U4是PIC16C74单片机[5],用它来采集信号并将数据按照一定的编码串行发送出去。
U8是TTL电平和RS232电平之间的电平转换电路。
3.4 软件的设计
, http://www.100md.com
3.4.1 帧格式 Flag
No
Data
FCS
(1) Flag:标志位,一个字节,选7E,表示一帧数据的开始。
(2) No:帧号,一个字节,代表每帧数据的存放次序。
(3) Data:数据位,16个字节,一帧送16个数据。
(4) FCS:校验位,两个字节,采用循环冗余校验(CRC)。
3.4.2 差错控制
根据红外传输的特点,随机性错误较少,突发性错误较多,所以采用反馈重传(ARQ)。反馈重传(ARQ)有三种工作方式:等候重传,连续方式和混和方式[6]。为保证数据传输的实时性和连续性,采用选择性重传的连续工作方式。即若未收到“接收正确”的应答或收到“接收错误”的应答,则将此帧号存入寄存区并重传此帧,直到收到“接收正确”的应答,清除帧号寄存区内此帧的帧号。在此期间若还有数据丢失,则将帧号顺序放入帧号寄存区,帧号寄存区为10个字节,允许累计10帧的发送错误,若超过则报警。
, 百拇医药
3.4.3 错误校验
选择错误校验,既要使插入的多余度尽量少,以减少传输负荷,又要检错效率高。因此采用循环冗余校验,生成多项式为P(X)=X16+X12+X5+1。CRC校验算法比较复杂,尤其在单片机中,高位除法实现起来较为麻烦。因此,采用下图(图4)的CRC校验生成器[6]。
图4 CRC校验码生成器框图
数据流按字节顺序进入生成器,结束时的C0到C15即为所需的CRC校验码,将它附在数据之后一同发送过去。接收方将数据和CRC校验码一起输入同样的生成器,结束时C0到C15全部为零则传输正确,否则为错误。
, 百拇医药
3.4.4 时序的配合
采样频率为96Hz,并将数据放入缓冲区,采样16次后,将这16个数据加上标志位,帧号和校验位,作为一帧数据发射出去,接收方收到数据后校验数据正确与否,并给一个应答信号。另外,发送的数据需要一定的时间间隔,否则接收来不及读出会产生溢出错。发送到接收的转换需大于10ms的间隔,否则接收的为自己发射的数据,而不是对方发射的。
3.4.5 系统使用情况
系统如图2所示,左半部分由U4控制将数据按照一定的帧格式串行发送给U2,U2将每一位调制成窄脉冲,再经U3转换成红外光发射出去。右半部分的U5将接收到的红外光转化成窄的电脉冲,经U6解调成不归零码,再由U8转换成RS232电平送入PC机。本系统可实现0~115200Hz的半双工异步串行通讯。传输距离为0~2M,增加发射功率可延长到4~5M。方向角为60°。基本上可满足室内,短距离的通讯。
, 百拇医药
4 干扰的讨论及解决方法
红外通讯线路设计所面临的一个最大难题是如何在电学上达到高的信噪比。因为直接探测强度调制(IM/DD)通讯线路的信噪比与接收到的平均光功率的平方有关,因此发射的功率相对地要高。但可实用的发射功率又要受到人眼安全保护及电源功耗考虑的限制,不能太高。通讯线路应该设计成:路径损耗小,并采用具有大的光收集区的接收器来工作。下面我们通过建模来具体分析红外通讯线路中的信噪比。这种红外波道,可以作为一个基带线性系统而建立模型,它有瞬时输入功率X(t),输出电流Y(t)脉冲响应h(t)如图5所示。
图5 红外波道模型
该波道中频率响应项的形式可以描写如下
, http://www.100md.com
它是h(t)的傅里叶变换形式,通常适用于波道h(t)与H(f)之间相互变换模型,即h(t)←→H(f)。在发射器与接收器之间的距离变化不是太大时H(f)可以当作不变量。接收到的信号是由许多种形式的电磁波所组成,因此X(t)与Y(t)之间存在着线性关系。在许多应用场合,红外通讯线路在工作时存在着强烈的红外辐射和可见的背景光。尽管可用光学滤光器将接收到的背景光降到最小,但它仍然会增加散粒噪声。在设计得很好的接收器中,这种噪声就是极限噪声源了。由于它的强度很高,这种散粒噪声可以当作白色高斯噪声,并与函数X(t)独立。当环境光很小或根本不存在时,接收器前置放大器的噪声就成为主要的噪声源了。该噪声也是与信号无关的高斯噪声(虽然常常是非连续的)。因此,我们通常将噪声项N(t)当作高斯噪声,并与信号无关。这可与光子计数波道模型中与信号无关的泊松噪声形成对照。荧光灯发射周期性调制的红外辐射,在N(t)噪声项中增加一个同步静止的噪声分量。我们的基带波道模型可以被概括为
, 百拇医药
这里“
”符号表示卷积,R是探测器的响应率(A/W)。尽管上式只不过是一个带附加噪声的线形滤光波道,但红外系统与电学系统或无线电系统在几个方面仍有区别。因为波道输入X(t)代表瞬时光功率,所以波道输入不会是负的,即:
平均发射光功率Pt由下式给出:
而不是常用的时间平均|X(t)|2,只有当X(t)代表振幅时,它才是恰当的。平均接收的光功率由下式给出:
P=H(o)Pt
, 百拇医药 这里波道直流增益是H(o),它等于:
一条比特速率为Rb的数字通讯线路的性能与接收器的电学信噪比有关,这里接收器的信噪比为:
这里假定N(t)是由白色高斯噪声成分为主而构成,双侧面功率-光谱密度为N0。根据上式,我们看到SNR与接收到的平均光功率的平方有关。而常规波道的SNR与接收到的平均功率成正比。因此适当提高IM/DD红外通讯线路的发射功率可以更为有效地提高系统的信噪比[2]。
另外,在硬件电路的设计当中也应考虑到抗干扰问题。红外传输模块包含了高增益和带宽的电路。在电路设计和板图布局时应特别注意噪声源。电磁噪声和电源噪声将减小传输距离并且使接收端产生伪信号。电磁噪声是由一些开关型电源,转换器,外部I/O端口,电源接口和时钟等产生的。所以应使它们尽量远离红外传输模块。电源噪声将通过Vcc和地线成倍的进入接收模块,应尽量减少电源的纹波。通过合理的布线和放置外围器件也可以有效地抑制电源噪声的影响。
, 百拇医药
根据红外通讯中信噪比的特点,在整个系统的设计当中采用了下述方法解决干扰问题。
1.适当增加发射功率,使它在工作范围内稳定可靠的工作。
2.采用与红外接收二极管的频谱特性相配合的带通滤光片,使接收光谱仅限于850nm~1000nm的窄带内。在光敏器件受光通路的周围涂黑以吸收散射光和反射光。
3.采用多层板布线,尽量增大地线盘的面积。传输模块的地线与无噪声地之间的电阻应尽可能小。地线噪声的峰峰值应小于75mV,与其它噪声源的地采用星形相连。所有的外部电容应尽量靠近与它相连的模块。
4.采用一些稳压和滤波措施使电源供电平稳。
5.在软件中采用合适的纠错编码和差错控制,避免干扰和失步引起的数据错误。
, 百拇医药
本系统传输距离短,发射功率较低,对人眼的安全不够成威胁,因此不在此做特别的讨论。
5 总 结
目前,利用红外线进行无线数据通讯,无论从小型化,轻量化,还是从安全性等方面考虑,其可行性都比较高,因此引起了世界各国的广泛重视。红外传输技术正主宰着低速的遥控市场,并且已经在无线多信道室内话音系统,无绳电话以及键盘和终端的短距离无线连接中得到了应用。采用IrDA(红外数据通信协会)[3,7]标准的便携式信息处理设备,包括个人计算机,打印机等已开始进入市场,预计今后将会越来越普及。将红外通讯技术引入生物电测量和记录领域有着广阔的应用前景,它在移动式生物电记录系统中的应用,也将使其性能更加完善,在进一步降低功耗的前提下,保证更高的可靠性和灵活性。
作者简介:程兵:男,28岁,硕士研究生。
参考文献
, 百拇医药
1 苏长赞.实用遥控技术手册.人民邮电出版社,1996,P2—7
2 Kan J M, et al.红外无线通讯.红外,1998,(6):20
3 冯锡生,等.无线数据通信.中国铁道出版社,1997,P189—218
4 IrDA data link design guide. hewlett-packard.P7—21
5 PIC16/17 Microcontroller data book.Microchip,1996,P175—265
6 William Stallings. Data and computer communications. prentice hall,1997,P2—186
7 卢苇.红外线数据通信技术的发展.数据通信,1996,(3):54
(1998-05-20收稿,1998-08-17修回), 百拇医药
单位:北京新兴生物医学工程研究发展中心 (北京 100037)
关键词:红外通讯;采集系统;数据传输
北京生物医学工程990202 摘 要 本文讨论了红外无线通讯的特点,及其在移动式生物电记录系统中的应用。在此基础上设计了一种利用红外无线通讯采集传输生物电信号的系统,并着重讨论了红外通讯中的干扰问题,提出了解决方法。
The Infrared Radio Communication in a Portable
Bio-Electric Signal Recording System
Cheng Bing, Yu Mengsun
, http://www.100md.com
(Beijing Xinxing Biomedical Engineering R&D Center,100037)
Abstract
The characteristics of an infrared radio communication and its application in a portable bio-electric signal recording system are discussed. Based on that, a system of collecting and transmitting bio-electric signal using infrared radio communication was designed. The problem of interference is discussed and a solution is given.
, 百拇医药
Key words:Infrared radio communication; A system of collection; Data transmission
1 移动式生物电记录系统
生物电记录系统已广泛地应用于各大、中、小型医院,尤其是心电、脑电、肌电等的检测、监护的方法和仪器已成为辅助诊断必不可少的组成部分。一些新器件、新方法的应用,使生物电检测和记录的技术日益成熟。目前,大多数生物电记录系统中的信号传输都直接使用电线,这样使得整个系统易于实现且性能稳定。但在许多特殊的医务监督场合,如运动实验等,需省去被测人体和检测记录仪器之间的直接电线连接,使被测人可在一定范围内活动,同时监测他的各项生物电参数。因此需要一种移动式生物电记录系统。移动式生物电记录系统与普通生物电记录系统的主要区别是在信号传输的通路上多了一段短距离的无线通信。这样做增加了系统的灵活性,使操作更加简便。另外,移动式生物电记录系统采用的全浮地设计可以有效地抑制共模及工频的干扰。其完全的电隔离设计,可以从根本上保证被测人的安全。下面是一个移动式生物电记录系统的组成框图(图1)。
, 百拇医药
图1 移动式生物电记录系统组成框图
生物电信号由传感器采集,经放大和A/D转换之后变成数字信号送给微处理器。微处理器将信号初步处理之后送去显示或存储。同时将信号送给发射装置进行编码和调制,然后转换成可以在空气中传输的声、光、无线电波等信号发射出去。接收装置将信号接收后再还原成电信号,然后经解调和解码后送至PC主处理机进行记录存储和进一步的处理。
2 媒介的选择及红外媒介的特性
移动式生物电记录系统设计的关键是传输媒介的选择和设计。在短距离无线通讯领域中应用的传输媒介主要为电磁波,另外机械波也可作为一种传输媒介。
超声波是一种常见的用于短距离无线传输的机械波。其传输距离一般为几米至几十米。超声波在空气中的传播速度为340m/s,相对电磁波是非常慢的。在超声波传输系统中,使用的频率为20~100KHz,目前常见的超声发射与接收器件的标称频率为40KHz。频率取得太低,外界杂音干扰较多,频率取得太高,在传播过程中衰减较大。超声发射与接收器件所具有的固有频率特性,使超声波传输系统即使不用选频电路,也具有较高的抗干扰性能[1]。它的方向性和反射特性与红外线相同,但受其频率特性和传播速度的限制,超声波传输系统的传输速率较低,因此主要应用在低速的数据传输和遥控、遥测等领域。
, 百拇医药
电磁波是一个很大的家族,从高频的宇宙射线到低频的微波、无线电波,还包括紫外线,可见光和红外线,在不同的频段,其特性相差很大。一般而言,频率越低,波长越长,所发射的能量越分散,覆盖面越大,方向性越差。所以覆盖面和方向性是一对矛盾。比较适用于高速,短程无线通讯的频段是红外频段和无线电频段,频率范围从104~1014Hz。
无线电和红外是相互补充的两种传输媒质,不同的应用场合使用不同的媒质。无线电频率低,波长长,所发射的能量分散,没有方向性,覆盖面大,能穿越障碍物,比较适合于用户流动性很大、或者要求传输信号能通过墙壁、或进行长距离传输而发射功耗最小的各种场合。而红外线则频率高,波长短,所发射的能量集中,有一定的方向性且不能穿越障碍物,比较适合用在室内,短距离,小活动范围的场所。
作为一种近距离、室内通讯的手段,红外辐射具有胜过无线电波的几个明显的优点:能高速转换和传送的红外发射器和探测器成本很低,易于实现;抗干扰能力强,工作可靠性高;红外光谱区域很宽,实际上对红外带宽没有限制。另外,当一条红外通讯线路采用直接探测强度调制方式时,短的载波波长和大面积、平方率探测器会产生高效的空间多样性,这能防止多路通讯的衰减现象。相比之下,无线电通讯线路在接收的信号幅度和相位方面通常都有较大的起伏现象。从多路衰减的自由度考虑,可以大大简化红外通讯线路的设计。
, http://www.100md.com
3 红外通讯线路的设计
3.1 分类
红外通讯线路可以采用不同的设计方法,可以根据两种标准方便地将它们加以分类。第一类判断标准是根据发射器和接收器之间的方向角度来确定的。定向通讯线路采用定向的发射器和接收器,为了建立一条通讯线路,发射器必须对准接收器。而非定向通讯线路则采用广角发射器和接收器,这样可以减轻对方向性的要求。定向通讯线路的设计可以使发射功率的利用效率达到最大,因为在这种情况下,它可以使光程(路径)损耗达到最小,受周围光噪声的影响也最小。而另一方面,非定向通讯线路则可以做到使用更方便,尤其对可以动的终端设备,因为这些设备不需要瞄准发射器或接收器。建立混合型的通讯线路也是可能的,它可将具有不同方向角度的发射器和接收器结合起来。
第二类分类的判断标准是根据在发射器和接收器之间的通讯线路是否存在不间断的视觉线。视觉线(LOS)通讯线路就要依靠这样的视觉线通道,而非视觉(Non-LOS)线通讯线路通常是依靠从天花板或某些其它漫反射表面的光反射来进行的。LOS通讯线路的设计可使发射器功率的利用效率达到最大而多路失真减到最小。Non-LOS通讯线路的设计方法则增加了使用这种线路方便性,甚至当发射器和接收器之间有阻挡物-例如人或隔板时,也允许这种通讯线路继续工作[2]。
, http://www.100md.com
3.2 直接探测强度调制(IM/DD)波道
无线电系统的调制技术包括幅度调制、相位调制和频率调制,以及由这些技术拓宽的某些其它调制方式。无线电接收器采用一根或多根天线,每根天线后面有一个外差或零差下转换器(降频变换器),它由一个本机振荡器所组成。其工作原理是依靠以一种通用的电磁振动模式来接受载波和本机振荡信号,该信号的电压与接受到的载波电场的振幅成线性关系。
在廉价无线红外系统中,要以单一电磁振动模式来收集大量的信号功率是极其困难的。这种空间上不相干的接收方式要想对AM,PM,FM或通过任何其它方法来检测AM或PM就变得相当困难。对红外通讯线路来说,最可行的调制方式是强度调制(IM),要求波形是在载波的瞬时功率上进行调制的。最实用的下转换技术是直接探测(DD)。在该技术中,光电探测器产生一个电流,它正比于接收到的瞬时功率,亦即与接收到的电场的平方成正比[2,3]。
, 百拇医药 3.3 硬件电路的设计
移动式生物电记录系统要求能在短距离内高速、可靠地传输数据,并且发射方的功耗应尽可能的低。因此本系统中的红外通讯线路是按照混合视觉线来设计,使光程路径损失很低,发射功率降至最小。相对地,混合视觉线型通讯线路没有多路传输的失真现象,可容许较高的比特传输速率。
硬件电路的设计如图2所示。
U1,U7采用反向器组成一个振荡电路,Y1、Y2为1.8432M的晶振,振荡频率是传输波特率的16倍。它们分别给U2和U6提供16倍波特率的时钟输入。
U2,U6采用HP公司的HSDL-7000编解码器,它的作用是将串行通信占空比为100%的信号调制成占空比为3/16的窄脉冲,它的另一个通路同时可将占空比为3/16的窄脉冲还原成占空比为100%的串行信号[4]。这样可降低发射方的功耗。如图3所示:
, http://www.100md.com
U3,U5采用HP公司的HSDL-1000红外发射接收器。它使用占空比为3/16的开关(通断)键控调制方式。波特率2.4~115.2kHz,峰值波长875nm,LED脉冲电流幅度250mA,方向角为60°,传输距离为1m。发射模块将来自编码器的电脉冲转化成红外光脉冲发射出去,接收模块检测红外光脉冲并将它们转化成TTL电平的电脉冲。C4,C7是0.1μf的旁路电容应尽可能地靠近模块,它距Vcc脚和GND脚的距离不能超过0.5cm,C3,C8是0.47μf的旁路电容,增大它可以增加对噪声的抑制,R3,R5的取值从0.8~10Ω,改变它可以改变红外发射光的功率,从而调节传输距离[4]。
U4是PIC16C74单片机[5],用它来采集信号并将数据按照一定的编码串行发送出去。
U8是TTL电平和RS232电平之间的电平转换电路。
3.4 软件的设计
, http://www.100md.com
3.4.1 帧格式 Flag
No
Data
FCS
(1) Flag:标志位,一个字节,选7E,表示一帧数据的开始。
(2) No:帧号,一个字节,代表每帧数据的存放次序。
(3) Data:数据位,16个字节,一帧送16个数据。
(4) FCS:校验位,两个字节,采用循环冗余校验(CRC)。
3.4.2 差错控制
根据红外传输的特点,随机性错误较少,突发性错误较多,所以采用反馈重传(ARQ)。反馈重传(ARQ)有三种工作方式:等候重传,连续方式和混和方式[6]。为保证数据传输的实时性和连续性,采用选择性重传的连续工作方式。即若未收到“接收正确”的应答或收到“接收错误”的应答,则将此帧号存入寄存区并重传此帧,直到收到“接收正确”的应答,清除帧号寄存区内此帧的帧号。在此期间若还有数据丢失,则将帧号顺序放入帧号寄存区,帧号寄存区为10个字节,允许累计10帧的发送错误,若超过则报警。
, 百拇医药
3.4.3 错误校验
选择错误校验,既要使插入的多余度尽量少,以减少传输负荷,又要检错效率高。因此采用循环冗余校验,生成多项式为P(X)=X16+X12+X5+1。CRC校验算法比较复杂,尤其在单片机中,高位除法实现起来较为麻烦。因此,采用下图(图4)的CRC校验生成器[6]。
图4 CRC校验码生成器框图
数据流按字节顺序进入生成器,结束时的C0到C15即为所需的CRC校验码,将它附在数据之后一同发送过去。接收方将数据和CRC校验码一起输入同样的生成器,结束时C0到C15全部为零则传输正确,否则为错误。
, 百拇医药
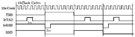
3.4.4 时序的配合
采样频率为96Hz,并将数据放入缓冲区,采样16次后,将这16个数据加上标志位,帧号和校验位,作为一帧数据发射出去,接收方收到数据后校验数据正确与否,并给一个应答信号。另外,发送的数据需要一定的时间间隔,否则接收来不及读出会产生溢出错。发送到接收的转换需大于10ms的间隔,否则接收的为自己发射的数据,而不是对方发射的。
3.4.5 系统使用情况
系统如图2所示,左半部分由U4控制将数据按照一定的帧格式串行发送给U2,U2将每一位调制成窄脉冲,再经U3转换成红外光发射出去。右半部分的U5将接收到的红外光转化成窄的电脉冲,经U6解调成不归零码,再由U8转换成RS232电平送入PC机。本系统可实现0~115200Hz的半双工异步串行通讯。传输距离为0~2M,增加发射功率可延长到4~5M。方向角为60°。基本上可满足室内,短距离的通讯。
, 百拇医药
4 干扰的讨论及解决方法
红外通讯线路设计所面临的一个最大难题是如何在电学上达到高的信噪比。因为直接探测强度调制(IM/DD)通讯线路的信噪比与接收到的平均光功率的平方有关,因此发射的功率相对地要高。但可实用的发射功率又要受到人眼安全保护及电源功耗考虑的限制,不能太高。通讯线路应该设计成:路径损耗小,并采用具有大的光收集区的接收器来工作。下面我们通过建模来具体分析红外通讯线路中的信噪比。这种红外波道,可以作为一个基带线性系统而建立模型,它有瞬时输入功率X(t),输出电流Y(t)脉冲响应h(t)如图5所示。
图5 红外波道模型
该波道中频率响应项的形式可以描写如下
, http://www.100md.com
它是h(t)的傅里叶变换形式,通常适用于波道h(t)与H(f)之间相互变换模型,即h(t)←→H(f)。在发射器与接收器之间的距离变化不是太大时H(f)可以当作不变量。接收到的信号是由许多种形式的电磁波所组成,因此X(t)与Y(t)之间存在着线性关系。在许多应用场合,红外通讯线路在工作时存在着强烈的红外辐射和可见的背景光。尽管可用光学滤光器将接收到的背景光降到最小,但它仍然会增加散粒噪声。在设计得很好的接收器中,这种噪声就是极限噪声源了。由于它的强度很高,这种散粒噪声可以当作白色高斯噪声,并与函数X(t)独立。当环境光很小或根本不存在时,接收器前置放大器的噪声就成为主要的噪声源了。该噪声也是与信号无关的高斯噪声(虽然常常是非连续的)。因此,我们通常将噪声项N(t)当作高斯噪声,并与信号无关。这可与光子计数波道模型中与信号无关的泊松噪声形成对照。荧光灯发射周期性调制的红外辐射,在N(t)噪声项中增加一个同步静止的噪声分量。我们的基带波道模型可以被概括为
, 百拇医药
这里“
平均发射光功率Pt由下式给出:
而不是常用的时间平均|X(t)|2,只有当X(t)代表振幅时,它才是恰当的。平均接收的光功率由下式给出:
P=H(o)Pt
, 百拇医药 这里波道直流增益是H(o),它等于:
一条比特速率为Rb的数字通讯线路的性能与接收器的电学信噪比有关,这里接收器的信噪比为:
这里假定N(t)是由白色高斯噪声成分为主而构成,双侧面功率-光谱密度为N0。根据上式,我们看到SNR与接收到的平均光功率的平方有关。而常规波道的SNR与接收到的平均功率成正比。因此适当提高IM/DD红外通讯线路的发射功率可以更为有效地提高系统的信噪比[2]。
另外,在硬件电路的设计当中也应考虑到抗干扰问题。红外传输模块包含了高增益和带宽的电路。在电路设计和板图布局时应特别注意噪声源。电磁噪声和电源噪声将减小传输距离并且使接收端产生伪信号。电磁噪声是由一些开关型电源,转换器,外部I/O端口,电源接口和时钟等产生的。所以应使它们尽量远离红外传输模块。电源噪声将通过Vcc和地线成倍的进入接收模块,应尽量减少电源的纹波。通过合理的布线和放置外围器件也可以有效地抑制电源噪声的影响。
, 百拇医药
根据红外通讯中信噪比的特点,在整个系统的设计当中采用了下述方法解决干扰问题。
1.适当增加发射功率,使它在工作范围内稳定可靠的工作。
2.采用与红外接收二极管的频谱特性相配合的带通滤光片,使接收光谱仅限于850nm~1000nm的窄带内。在光敏器件受光通路的周围涂黑以吸收散射光和反射光。
3.采用多层板布线,尽量增大地线盘的面积。传输模块的地线与无噪声地之间的电阻应尽可能小。地线噪声的峰峰值应小于75mV,与其它噪声源的地采用星形相连。所有的外部电容应尽量靠近与它相连的模块。
4.采用一些稳压和滤波措施使电源供电平稳。
5.在软件中采用合适的纠错编码和差错控制,避免干扰和失步引起的数据错误。
, 百拇医药
本系统传输距离短,发射功率较低,对人眼的安全不够成威胁,因此不在此做特别的讨论。
5 总 结
目前,利用红外线进行无线数据通讯,无论从小型化,轻量化,还是从安全性等方面考虑,其可行性都比较高,因此引起了世界各国的广泛重视。红外传输技术正主宰着低速的遥控市场,并且已经在无线多信道室内话音系统,无绳电话以及键盘和终端的短距离无线连接中得到了应用。采用IrDA(红外数据通信协会)[3,7]标准的便携式信息处理设备,包括个人计算机,打印机等已开始进入市场,预计今后将会越来越普及。将红外通讯技术引入生物电测量和记录领域有着广阔的应用前景,它在移动式生物电记录系统中的应用,也将使其性能更加完善,在进一步降低功耗的前提下,保证更高的可靠性和灵活性。
作者简介:程兵:男,28岁,硕士研究生。
参考文献
, 百拇医药
1 苏长赞.实用遥控技术手册.人民邮电出版社,1996,P2—7
2 Kan J M, et al.红外无线通讯.红外,1998,(6):20
3 冯锡生,等.无线数据通信.中国铁道出版社,1997,P189—218
4 IrDA data link design guide. hewlett-packard.P7—21
5 PIC16/17 Microcontroller data book.Microchip,1996,P175—265
6 William Stallings. Data and computer communications. prentice hall,1997,P2—186
7 卢苇.红外线数据通信技术的发展.数据通信,1996,(3):54
(1998-05-20收稿,1998-08-17修回), 百拇医药