大鼠肝细胞线粒体形态的三维重建
作者:穆长征 席焕久* 包翠芬 刘霞 Erik IISΦ Christensen** 崔士英
单位:穆长征 席焕久*包翠芬 刘霞 Erik IISΦ Christensen* *崔士英 锦州医学院组织学胚胎学教研室,解剖学教研室,锦州 121001;奥尔胡斯大学解剖学系细胞生物学研究室,丹麦
关键词:肝细胞;线粒体;三维重建;体积密度;膜密度
解剖学报990211 【摘要】 目的 研究同一细胞内不同形态线粒体的数量、大小和超微结构。 方法 用三维重建和体视学测量的方法,研究成年大鼠肝细胞线粒体的形态类型。 结果 肝细胞线粒体按形态可分为5个基本类型:Ⅰ型(球形、椭球形和盘状)线粒体约占线粒体总数的21.4%;Ⅱ型(杆状)约占32.4%;Ⅲ型(不规则形)约占23.8%,Ⅳ型(分支形)约占19.6%,Ⅴ型(出芽形)仅占2.8%。Ⅰ~Ⅴ型线粒体的平均体积分别为0.11、0.21、0.32、0.51和0.64μm3。体现学分析显示,各型线粒体的体积密度有差异(P<0.05或P<0.01),Ⅱ型线粒体体积密度最大,然后是Ⅲ、Ⅳ和Ⅰ型,Ⅴ型线粒体体积密度最小。Ⅰ、Ⅱ和Ⅴ型线粒体嵴膜密度均高于Ⅲ或Ⅳ型(P<0.05)。 结论 肝细胞内不同形态的线粒体都占有一定的比例,他们不仅体积差异很大,其超微结构亦有不同。
, http://www.100md.com
THREE-DIMENSIONAL RECONSTRUCTION OF MITOCHONDRIA IN RAT HEPATOCYTE
Mu ChangzhengΔ, Xi Huanjiu*, Bao Cuifen, Liu Xia,Erik IISΦ Christensen* *, Cui Shiying
(Department of Histology and Embryology,* Department of Anatomy,Jinzhou Medical College,Jinzhou;* *Department of Cell Biology, Institute of Anatomy,Aarhus University, Denmark)
【Abstract】 Objective To examine the number,size and ultrastructure of the different forms of mitochondria in a cell.Methods Morphological types of the mitochondria in rat hepatocyte were studied by three-dimensional reconstruction and stereological analyses.Results The mitochondria may be classified into five basic types according to their morphological characteristic.The numbers(%)of type Ⅰ(sphere, ellipses and disc),type Ⅱ(rods),typeⅢ(irregulars),typeⅣ(branches)and typeⅤ(budding)were 21.4%,32.4%,23.8%,19.6% and 2.8%,respectively.And their average volume were 0.11μm3,0.21μm3,0.32μm3,0.51μm3 and 0.64μm3, respectively. Stereological analyses showed that there were significant difference in volume,density and crista membrane density among five types of mitochondria(P<0.05 or P<0.01).The volume density of mitochondria type Ⅱ was the highest,that of type Ⅴ the lowest and that of type Ⅲ,type Ⅳ and type Ⅰ the medium.Mitochondrial cristamembrane density of type Ⅰ,type Ⅱ and type Ⅴ was higher than both that of type Ⅲ and type Ⅳ.Conclusion Each type of mitochondria kept a suitable proportion in normal rat liver cell.There were significant difference not only in volume among different forms of mitochondria,but also in ultrastructure.
, 百拇医药
【Key words】 Hepatocyte; Mitochondria; Three-dimensional reconstruction; Volume density; Membrane density
线粒体在生长过程中以及在不同的生理或病理状态下,其形态会发生很大改变[1~3]。自60年代以来,各种细胞线粒体微细结构的研究报道甚多,但对同一细胞内线粒体形态结构和功能差异的研究较少。我们利用三维重建技术研究大鼠肝细胞线粒体的立体形态,并对其体积密度和嵴膜密度进行体视学测量,为研究线粒体的结构与功能变化提供了形态学依据。
材料和方法
雄性Wistar大鼠5只,体重200~320g,Inactin(Bjk-Golden,Knostanz,FRG)腹腔注射麻醉(150mg/kg)。以140mmHg的压力经腹主动脉灌注1%戊二醛(溶于0.1mol/L二甲砷酸钠缓冲液中,pH7.2),20min后,摘除肝,切取肝组织块,2.5%戊二醛继续固定1h。再以1%锇酸(溶于0.1mol/L巴比妥-醛酸缓冲液中,pH7.2)后固定1h,逐级酒精脱水,环氧树脂Epon 812包埋。每只大鼠取3个肝组织块,每块组织在LKB UltrotomeⅢ型超薄切片机上切1组连续切片,分别收集在贴有Formar膜的单孔铜网上。枸橼酸铅染色2min,醋酸铀染色10min。JEOL JEM-1200EX电子显微镜观察。
, http://www.100md.com
电镜下,在每组连续切片中,随机选取3个肝细胞进行连续观察。在放大10 000倍的条件下,对选定的肝细胞以蒙太奇法进行全细胞摄片,洗印时放大3倍,通过照片组合制成完整的肝细胞照片。组合后的肝细胞照片数与其相应的连续切片相等,即每个肝细胞制成1组与其连续切片相应的照片。校正仪器放大倍数后,测得照片实际放大倍数为28 920~29 600倍。通过测量球形小泡(内吞泡、溶酶体等)的直径和球形小泡的连续切片数,计算切片厚度(切片厚度=球形小泡直径/球形小泡连续切片数)[4]。各组连续切片的厚度为38.5~51.0nm。
在每个肝细胞的1组连续切片照片中,取其中位数照片上的所有线粒体为观察对象(例如:1个细胞连续切片55张,第28张即为中位数切片。其上如有线粒体105个,该105个线粒体则全部为观察对象)。通过连续切片观察分析每个线粒体的立体形态,按随机原则从中选取10个线粒体用于三维重建。重建时,根据每个肝细胞切片厚度的不同,分别选用不同厚度的胶板(胶板厚度=平均切片厚度×照片实际放大倍数),以连续切片照片中的线粒体为模板,按其原位重建三维模型。本研究共观察线粒体总数29 010个(来源于5只大鼠),重建线粒体模型450个。
, 百拇医药
应用点计数法,通过方格测试系统测量线粒体体积密度,嵴膜密度,以及其他细胞器的体积密度[5]。利用模型排水法测量线粒体模型的体积,再除以其放大倍数的3次幂,得出实际线粒体体积[6]。
结 果
1. 线粒体的形态类型
连续切片的观察分析和三维重建术显示,肝细胞线粒体形态多样,按其形态特征可划分为5个基本类型,Ⅰ型为球形、椭球形和盘状;Ⅱ型为杆状;Ⅲ型为不规则形;Ⅳ型为分支形;Ⅴ型为出芽形(图1~5)。在每个肝细胞中,各型线粒体都占有一定的比例,其中以Ⅱ型线粒体最多,其次为Ⅲ型、Ⅳ型和Ⅰ型,Ⅴ型线粒体数量最少(表1)。
2. 线粒体的体积、体积密度及嵴膜密度
通过线粒体模型测量的线粒体体积总均数为0.29μm3。各型线粒体体积差异显著(P<0.01)。线粒体体积与形态有很大关系,一般讲,形态越复杂者体积越大(表1)。体视学分析显示,成年大鼠肝细胞线粒体体积密度明显高于其他膜相结构的体积密度(P<0.01)。线粒体体积占肝细胞胞质体积的18.6%(表2,图6)。
, 百拇医药
分析还显示,各型线粒体的体积密度有所不同,除Ⅰ型与Ⅳ型无差异外,其余两两比较均有差异或显著差异(P<0.05或P<0.01)。其中Ⅱ型线粒体体积密度最大,然后是Ⅲ型、Ⅳ型和Ⅰ型,Ⅴ型的体积密度最小(表1)。
表1 各型线粒体形态计量参数
Table 1 Morphometric parametor of different types of mitochondria 类型type
数量与百分数(%)
number and percentage
平均体积(μm3)
average volume
±s
, http://www.100md.com
体积密度Δ(μm0)
volume density
±s
×100
嵴膜密度▲(μm1)
crista membrane density
±s
Ⅰ
6208(21.4)
, http://www.100md.com
0.11±0.028
3.31±0.06
4.88±0.89**
Ⅱ
9339(32.4)
0.21±0.048
5.85±0.75
5.02±0.97**
Ⅲ
6905(23.8)
0.32±0.056
, http://www.100md.com
4.76±1.09
3.69±0.74 *
Ⅳ
5686(19.6)
0.51±0.017
3.91±0.27
3.85±0.68 *
Ⅴ
812(2.8)
0.64±0.054
0.72±0.16
, http://www.100md.com
5.14±1.02**
各型线粒体平均体积每两者相比均有显著差异 P<0.01
Δ 参照系为胞质,除Ⅰ与Ⅳ两者比较外,其他两者相比,P<0.05或P<0.01
▲ 参照系为线粒体,* *表示与*比较有差异P<0.05
Significant difference of average volume(P<0.01)was detected among all the types.
Δ Reference system is cytoplasm.Significant difference (P<0.05 or P<0.01) was detected among all the types.except Ⅰ and Ⅳ.
, http://www.100md.com
▲ Reference system is mitochondria.* *represent significant difference at P<0.05,as compared to *.表2 大鼠肝细胞胞质体积密度
Table 2 Volume density of the cytoplasm in rat liver cell 结构成分structure composition
±s
×100
结构成分
structure composition
±s
×100
, 百拇医药
线粒体
mitochondria
18.6±2.4
溶酶体
lysosome
2.2±0.5
滑面内质网
smooth endoplasmic
reticulum
13.7±3.8
糖原
glycogen
, 百拇医药
13.7±4.3
粗面内质网
rough endoplasmic
reticulum
7.7±1.7
脂滴
fat drop
1.5±0.9
高尔基复合体
Golgi complex
2.1±0.7
基质
, http://www.100md.com
stroma
40.2±6.9
参数系为胞质,n=5 Reference is cytoplasm,n=5
线粒体嵴膜密度分析表明,各型线粒体间有所不同,其中Ⅰ、Ⅱ、Ⅴ型之间无显著性差异,Ⅲ、Ⅳ型之间亦无显著性差异,而Ⅰ、Ⅱ、Ⅴ型与Ⅲ、Ⅳ型比较,每两两之间均有差异(P<0.05),Ⅴ型线粒体嵴膜密度最大,Ⅳ型线粒体嵴膜密度最小,其余各型居此两者之间(表1)。
图1 Ⅰ型(球形、椭球形和盘状)线粒体三维重建模型
图2 Ⅱ型(杆状)线粒体三维重建模型
图3 Ⅲ型(不规则形)线粒体三维重建模型
, 百拇医药
图4 Ⅳ型(分支形)线粒体三维重建模型
图5 Ⅴ型(出芽形)线粒体三维重建模型
Fig.1 Three-dimensional models of mitochondria type Ⅰ(sphere,ellipese and disc).
Fig.2 Three-dimensional models of mitochondria type Ⅱ(rods).
Fig.3 Three-dimensional models of mitochondria type Ⅲ (irregulars).
Fig.4 Three-dimensional models of mitochondria type Ⅳ(branches).
, 百拇医药
Fig.5 Three-dimensional models of mitochondria type Ⅴ(budding).


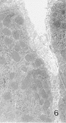
图6 正常大鼠肝细胞 N.细胞核 m.线粒体 标尺示1μm
Fig.6 Normal rat hepatocyte.N:nucleus,m:mitochondria Bar=1μm
讨 论
早在60年代即证实肝细胞线粒体具有多样性和可变性。近年的研究表明:小鼠胚着床前线粒体由球形向椭球形和长杆状转变[1];发育不同时期的肾小管和肠上皮细胞内线粒体变化也很大,即由简单的球形、椭球形向复杂的分支形转化[5]。一般认为,线粒体常以出芽方式生长,以分裂方式增殖,这都会导致形态变化。本研究通过连续切片的观察及重组线粒体三维模型,进一步证实了肝细胞线粒体形态的多样性。除球形和椭球形外,还有相当数量的不规则形、分支形和出芽形,这表明正常肝细胞内同时存在着发育不同阶段的线粒体。我们根据线粒体的形态特征,并参考前人的研究成果[1,6~8],将线粒体划分5种类型。
, 百拇医药
传统观点认为,哺乳类动物每个肝细胞内大约有1 000~2 000个线粒体,这种估计是基于二维图像分析的结果,由于忽略了线粒体断面之间的联系,常错把一个不规则形或分支形的大线粒体当成几个线粒体来处理,因此,其数据常常有偏差。我们通过连续切片观察,认为肝细胞线粒体形态多样,其数量仍需进一步准确测定。已有研究表明,正常肝细胞内各型线粒体均占有一定的比例,当肝细胞处于不同的生理或病理状态时,这种比例可能会发生改变[2,3],例如,随着年龄的增长,线粒体数量减少,不规则形和分支形线粒体比例增大[8]。某些病理情况下,线粒体不仅数量减少,嵴膜异常和膨胀也引起外形的改变,从而使各型线粒体比例发生变化[3]。
肝细胞内不规则形和分支形线粒体占有相当的数量,用直径表示线粒体的大小是不准确的。本研究利用模型排水法测量线粒体体积,尽管其结果与实际体积尚有差距,但对于比较各型线粒体的大小来说还是很有意义的。体积密度尽管不能表示线粒体的实际大小,却能在一定程度上反映细胞内线粒体的含量。如肝细胞内Ⅴ型线粒体平均体积最大,但因其数量甚小,因此其体积密度最小,Ⅱ型线粒体平均体积虽小,但其数量最多,所以体积密度最大。
, http://www.100md.com
一般认为,线粒体嵴的多少能反映其氧化磷酸化程度,进而反映线粒体的功能状态[3]。本研究显示,肝细胞内Ⅰ、Ⅱ和Ⅴ型线粒体嵴膜密度都明显高于Ⅲ或Ⅳ型,这表明前三者的功能状态明显比后两者活跃。Ⅱ型线粒体数量最多,体积密度最大,功能很活跃,我们推测它们可能是肝细胞最主要的能量提供者。从体积大小、功能状态及线粒体发育特点上看,Ⅰ型线粒体可能是较为幼稚的线粒体,Ⅲ和Ⅳ型线粒体可能是成熟的或接近衰老的线粒体,Ⅴ型线粒体则处于出芽生长阶段。总之,肝细胞内各型线粒体都占有一定的比例,由于处于不同的生长阶段,因此不仅体积不同,其功能状态亦有所差异。
参考文献
[1]韩贻仁,赵晖.小鼠胚着床前线粒体的分布和超微结构变化.解剖学报,1998,29(3):303
[2]Beretiter-Hahn J.Dynamics of mitochondria in living cell:shape changes dislocation,fusion,and fission of mitochondria.Microse Rec Tech,1994,27(3):198
, 百拇医药
[3]Sherratt HS.Mitochondria:structure and function.Rev Neurol(pairs),1991:147(6-7):417
[4]Cui SY,Christensen EI.Three-dimensional organization of the vacuolar apparatus involved in endocytosis and membrane recycling of rat kidney proximal tubule cells.Exp Nephrol,1993,1(3):175
[5]郑富盛.细胞形态立体计量学,北京:北京医科大学中国协和医科大学联合出版社,1990:19~44
[6]Stempark J.Laurencin M.Mitochondrial form in hepatic parenchymal cells in rats of several ages.Am J Anat,1976,145(1):261
, 百拇医药
[7]Gaffiero P,Bergeron M,Thiery G.Morphological study of cell organells,during development Ⅱ-The mitochondria of the renal and intestinal epithelium. Cell Biol,1983,49(2):163
[8]Vassy J,Kraemer M,Bchalumea MT,et al.Liver:Ultrastructural and stereological study of hepatocytes.Cell Differ,1988,24(1):9
[9]Bertoni-Freddari C,Fattoretti F,Casoli T,et al.Morphological plasticity of synaptic mitochondria during aging.Brain Res,1993,628(1):193, http://www.100md.com(穆长征 席焕久* 包翠芬 刘霞 Erik IISΦ Christensen** 崔士英)
单位:穆长征 席焕久*包翠芬 刘霞 Erik IISΦ Christensen* *崔士英 锦州医学院组织学胚胎学教研室,解剖学教研室,锦州 121001;奥尔胡斯大学解剖学系细胞生物学研究室,丹麦
关键词:肝细胞;线粒体;三维重建;体积密度;膜密度
解剖学报990211 【摘要】 目的 研究同一细胞内不同形态线粒体的数量、大小和超微结构。 方法 用三维重建和体视学测量的方法,研究成年大鼠肝细胞线粒体的形态类型。 结果 肝细胞线粒体按形态可分为5个基本类型:Ⅰ型(球形、椭球形和盘状)线粒体约占线粒体总数的21.4%;Ⅱ型(杆状)约占32.4%;Ⅲ型(不规则形)约占23.8%,Ⅳ型(分支形)约占19.6%,Ⅴ型(出芽形)仅占2.8%。Ⅰ~Ⅴ型线粒体的平均体积分别为0.11、0.21、0.32、0.51和0.64μm3。体现学分析显示,各型线粒体的体积密度有差异(P<0.05或P<0.01),Ⅱ型线粒体体积密度最大,然后是Ⅲ、Ⅳ和Ⅰ型,Ⅴ型线粒体体积密度最小。Ⅰ、Ⅱ和Ⅴ型线粒体嵴膜密度均高于Ⅲ或Ⅳ型(P<0.05)。 结论 肝细胞内不同形态的线粒体都占有一定的比例,他们不仅体积差异很大,其超微结构亦有不同。
, http://www.100md.com
THREE-DIMENSIONAL RECONSTRUCTION OF MITOCHONDRIA IN RAT HEPATOCYTE
Mu ChangzhengΔ, Xi Huanjiu*, Bao Cuifen, Liu Xia,Erik IISΦ Christensen* *, Cui Shiying
(Department of Histology and Embryology,* Department of Anatomy,Jinzhou Medical College,Jinzhou;* *Department of Cell Biology, Institute of Anatomy,Aarhus University, Denmark)
【Abstract】 Objective To examine the number,size and ultrastructure of the different forms of mitochondria in a cell.Methods Morphological types of the mitochondria in rat hepatocyte were studied by three-dimensional reconstruction and stereological analyses.Results The mitochondria may be classified into five basic types according to their morphological characteristic.The numbers(%)of type Ⅰ(sphere, ellipses and disc),type Ⅱ(rods),typeⅢ(irregulars),typeⅣ(branches)and typeⅤ(budding)were 21.4%,32.4%,23.8%,19.6% and 2.8%,respectively.And their average volume were 0.11μm3,0.21μm3,0.32μm3,0.51μm3 and 0.64μm3, respectively. Stereological analyses showed that there were significant difference in volume,density and crista membrane density among five types of mitochondria(P<0.05 or P<0.01).The volume density of mitochondria type Ⅱ was the highest,that of type Ⅴ the lowest and that of type Ⅲ,type Ⅳ and type Ⅰ the medium.Mitochondrial cristamembrane density of type Ⅰ,type Ⅱ and type Ⅴ was higher than both that of type Ⅲ and type Ⅳ.Conclusion Each type of mitochondria kept a suitable proportion in normal rat liver cell.There were significant difference not only in volume among different forms of mitochondria,but also in ultrastructure.
, 百拇医药
【Key words】 Hepatocyte; Mitochondria; Three-dimensional reconstruction; Volume density; Membrane density
线粒体在生长过程中以及在不同的生理或病理状态下,其形态会发生很大改变[1~3]。自60年代以来,各种细胞线粒体微细结构的研究报道甚多,但对同一细胞内线粒体形态结构和功能差异的研究较少。我们利用三维重建技术研究大鼠肝细胞线粒体的立体形态,并对其体积密度和嵴膜密度进行体视学测量,为研究线粒体的结构与功能变化提供了形态学依据。
材料和方法
雄性Wistar大鼠5只,体重200~320g,Inactin(Bjk-Golden,Knostanz,FRG)腹腔注射麻醉(150mg/kg)。以140mmHg的压力经腹主动脉灌注1%戊二醛(溶于0.1mol/L二甲砷酸钠缓冲液中,pH7.2),20min后,摘除肝,切取肝组织块,2.5%戊二醛继续固定1h。再以1%锇酸(溶于0.1mol/L巴比妥-醛酸缓冲液中,pH7.2)后固定1h,逐级酒精脱水,环氧树脂Epon 812包埋。每只大鼠取3个肝组织块,每块组织在LKB UltrotomeⅢ型超薄切片机上切1组连续切片,分别收集在贴有Formar膜的单孔铜网上。枸橼酸铅染色2min,醋酸铀染色10min。JEOL JEM-1200EX电子显微镜观察。
, http://www.100md.com
电镜下,在每组连续切片中,随机选取3个肝细胞进行连续观察。在放大10 000倍的条件下,对选定的肝细胞以蒙太奇法进行全细胞摄片,洗印时放大3倍,通过照片组合制成完整的肝细胞照片。组合后的肝细胞照片数与其相应的连续切片相等,即每个肝细胞制成1组与其连续切片相应的照片。校正仪器放大倍数后,测得照片实际放大倍数为28 920~29 600倍。通过测量球形小泡(内吞泡、溶酶体等)的直径和球形小泡的连续切片数,计算切片厚度(切片厚度=球形小泡直径/球形小泡连续切片数)[4]。各组连续切片的厚度为38.5~51.0nm。
在每个肝细胞的1组连续切片照片中,取其中位数照片上的所有线粒体为观察对象(例如:1个细胞连续切片55张,第28张即为中位数切片。其上如有线粒体105个,该105个线粒体则全部为观察对象)。通过连续切片观察分析每个线粒体的立体形态,按随机原则从中选取10个线粒体用于三维重建。重建时,根据每个肝细胞切片厚度的不同,分别选用不同厚度的胶板(胶板厚度=平均切片厚度×照片实际放大倍数),以连续切片照片中的线粒体为模板,按其原位重建三维模型。本研究共观察线粒体总数29 010个(来源于5只大鼠),重建线粒体模型450个。
, 百拇医药
应用点计数法,通过方格测试系统测量线粒体体积密度,嵴膜密度,以及其他细胞器的体积密度[5]。利用模型排水法测量线粒体模型的体积,再除以其放大倍数的3次幂,得出实际线粒体体积[6]。
结 果
1. 线粒体的形态类型
连续切片的观察分析和三维重建术显示,肝细胞线粒体形态多样,按其形态特征可划分为5个基本类型,Ⅰ型为球形、椭球形和盘状;Ⅱ型为杆状;Ⅲ型为不规则形;Ⅳ型为分支形;Ⅴ型为出芽形(图1~5)。在每个肝细胞中,各型线粒体都占有一定的比例,其中以Ⅱ型线粒体最多,其次为Ⅲ型、Ⅳ型和Ⅰ型,Ⅴ型线粒体数量最少(表1)。
2. 线粒体的体积、体积密度及嵴膜密度
通过线粒体模型测量的线粒体体积总均数为0.29μm3。各型线粒体体积差异显著(P<0.01)。线粒体体积与形态有很大关系,一般讲,形态越复杂者体积越大(表1)。体视学分析显示,成年大鼠肝细胞线粒体体积密度明显高于其他膜相结构的体积密度(P<0.01)。线粒体体积占肝细胞胞质体积的18.6%(表2,图6)。
, 百拇医药
分析还显示,各型线粒体的体积密度有所不同,除Ⅰ型与Ⅳ型无差异外,其余两两比较均有差异或显著差异(P<0.05或P<0.01)。其中Ⅱ型线粒体体积密度最大,然后是Ⅲ型、Ⅳ型和Ⅰ型,Ⅴ型的体积密度最小(表1)。
表1 各型线粒体形态计量参数
Table 1 Morphometric parametor of different types of mitochondria 类型type
数量与百分数(%)
number and percentage
平均体积(μm3)
average volume
, http://www.100md.com
体积密度Δ(μm0)
volume density
嵴膜密度▲(μm1)
crista membrane density
Ⅰ
6208(21.4)
, http://www.100md.com
0.11±0.028
3.31±0.06
4.88±0.89**
Ⅱ
9339(32.4)
0.21±0.048
5.85±0.75
5.02±0.97**
Ⅲ
6905(23.8)
0.32±0.056
, http://www.100md.com
4.76±1.09
3.69±0.74 *
Ⅳ
5686(19.6)
0.51±0.017
3.91±0.27
3.85±0.68 *
Ⅴ
812(2.8)
0.64±0.054
0.72±0.16
, http://www.100md.com
5.14±1.02**
各型线粒体平均体积每两者相比均有显著差异 P<0.01
Δ 参照系为胞质,除Ⅰ与Ⅳ两者比较外,其他两者相比,P<0.05或P<0.01
▲ 参照系为线粒体,* *表示与*比较有差异P<0.05
Significant difference of average volume(P<0.01)was detected among all the types.
Δ Reference system is cytoplasm.Significant difference (P<0.05 or P<0.01) was detected among all the types.except Ⅰ and Ⅳ.
, http://www.100md.com
▲ Reference system is mitochondria.* *represent significant difference at P<0.05,as compared to *.表2 大鼠肝细胞胞质体积密度
Table 2 Volume density of the cytoplasm in rat liver cell 结构成分structure composition
结构成分
structure composition
, 百拇医药
线粒体
mitochondria
18.6±2.4
溶酶体
lysosome
2.2±0.5
滑面内质网
smooth endoplasmic
reticulum
13.7±3.8
糖原
glycogen
, 百拇医药
13.7±4.3
粗面内质网
rough endoplasmic
reticulum
7.7±1.7
脂滴
fat drop
1.5±0.9
高尔基复合体
Golgi complex
2.1±0.7
基质
, http://www.100md.com
stroma
40.2±6.9
参数系为胞质,n=5 Reference is cytoplasm,n=5
线粒体嵴膜密度分析表明,各型线粒体间有所不同,其中Ⅰ、Ⅱ、Ⅴ型之间无显著性差异,Ⅲ、Ⅳ型之间亦无显著性差异,而Ⅰ、Ⅱ、Ⅴ型与Ⅲ、Ⅳ型比较,每两两之间均有差异(P<0.05),Ⅴ型线粒体嵴膜密度最大,Ⅳ型线粒体嵴膜密度最小,其余各型居此两者之间(表1)。
图1 Ⅰ型(球形、椭球形和盘状)线粒体三维重建模型
图2 Ⅱ型(杆状)线粒体三维重建模型
图3 Ⅲ型(不规则形)线粒体三维重建模型
, 百拇医药
图4 Ⅳ型(分支形)线粒体三维重建模型
图5 Ⅴ型(出芽形)线粒体三维重建模型
Fig.1 Three-dimensional models of mitochondria type Ⅰ(sphere,ellipese and disc).
Fig.2 Three-dimensional models of mitochondria type Ⅱ(rods).
Fig.3 Three-dimensional models of mitochondria type Ⅲ (irregulars).
Fig.4 Three-dimensional models of mitochondria type Ⅳ(branches).
, 百拇医药
Fig.5 Three-dimensional models of mitochondria type Ⅴ(budding).
图6 正常大鼠肝细胞 N.细胞核 m.线粒体 标尺示1μm
Fig.6 Normal rat hepatocyte.N:nucleus,m:mitochondria Bar=1μm
讨 论
早在60年代即证实肝细胞线粒体具有多样性和可变性。近年的研究表明:小鼠胚着床前线粒体由球形向椭球形和长杆状转变[1];发育不同时期的肾小管和肠上皮细胞内线粒体变化也很大,即由简单的球形、椭球形向复杂的分支形转化[5]。一般认为,线粒体常以出芽方式生长,以分裂方式增殖,这都会导致形态变化。本研究通过连续切片的观察及重组线粒体三维模型,进一步证实了肝细胞线粒体形态的多样性。除球形和椭球形外,还有相当数量的不规则形、分支形和出芽形,这表明正常肝细胞内同时存在着发育不同阶段的线粒体。我们根据线粒体的形态特征,并参考前人的研究成果[1,6~8],将线粒体划分5种类型。
, 百拇医药
传统观点认为,哺乳类动物每个肝细胞内大约有1 000~2 000个线粒体,这种估计是基于二维图像分析的结果,由于忽略了线粒体断面之间的联系,常错把一个不规则形或分支形的大线粒体当成几个线粒体来处理,因此,其数据常常有偏差。我们通过连续切片观察,认为肝细胞线粒体形态多样,其数量仍需进一步准确测定。已有研究表明,正常肝细胞内各型线粒体均占有一定的比例,当肝细胞处于不同的生理或病理状态时,这种比例可能会发生改变[2,3],例如,随着年龄的增长,线粒体数量减少,不规则形和分支形线粒体比例增大[8]。某些病理情况下,线粒体不仅数量减少,嵴膜异常和膨胀也引起外形的改变,从而使各型线粒体比例发生变化[3]。
肝细胞内不规则形和分支形线粒体占有相当的数量,用直径表示线粒体的大小是不准确的。本研究利用模型排水法测量线粒体体积,尽管其结果与实际体积尚有差距,但对于比较各型线粒体的大小来说还是很有意义的。体积密度尽管不能表示线粒体的实际大小,却能在一定程度上反映细胞内线粒体的含量。如肝细胞内Ⅴ型线粒体平均体积最大,但因其数量甚小,因此其体积密度最小,Ⅱ型线粒体平均体积虽小,但其数量最多,所以体积密度最大。
, http://www.100md.com
一般认为,线粒体嵴的多少能反映其氧化磷酸化程度,进而反映线粒体的功能状态[3]。本研究显示,肝细胞内Ⅰ、Ⅱ和Ⅴ型线粒体嵴膜密度都明显高于Ⅲ或Ⅳ型,这表明前三者的功能状态明显比后两者活跃。Ⅱ型线粒体数量最多,体积密度最大,功能很活跃,我们推测它们可能是肝细胞最主要的能量提供者。从体积大小、功能状态及线粒体发育特点上看,Ⅰ型线粒体可能是较为幼稚的线粒体,Ⅲ和Ⅳ型线粒体可能是成熟的或接近衰老的线粒体,Ⅴ型线粒体则处于出芽生长阶段。总之,肝细胞内各型线粒体都占有一定的比例,由于处于不同的生长阶段,因此不仅体积不同,其功能状态亦有所差异。
参考文献
[1]韩贻仁,赵晖.小鼠胚着床前线粒体的分布和超微结构变化.解剖学报,1998,29(3):303
[2]Beretiter-Hahn J.Dynamics of mitochondria in living cell:shape changes dislocation,fusion,and fission of mitochondria.Microse Rec Tech,1994,27(3):198
, 百拇医药
[3]Sherratt HS.Mitochondria:structure and function.Rev Neurol(pairs),1991:147(6-7):417
[4]Cui SY,Christensen EI.Three-dimensional organization of the vacuolar apparatus involved in endocytosis and membrane recycling of rat kidney proximal tubule cells.Exp Nephrol,1993,1(3):175
[5]郑富盛.细胞形态立体计量学,北京:北京医科大学中国协和医科大学联合出版社,1990:19~44
[6]Stempark J.Laurencin M.Mitochondrial form in hepatic parenchymal cells in rats of several ages.Am J Anat,1976,145(1):261
, 百拇医药
[7]Gaffiero P,Bergeron M,Thiery G.Morphological study of cell organells,during development Ⅱ-The mitochondria of the renal and intestinal epithelium. Cell Biol,1983,49(2):163
[8]Vassy J,Kraemer M,Bchalumea MT,et al.Liver:Ultrastructural and stereological study of hepatocytes.Cell Differ,1988,24(1):9
[9]Bertoni-Freddari C,Fattoretti F,Casoli T,et al.Morphological plasticity of synaptic mitochondria during aging.Brain Res,1993,628(1):193, http://www.100md.com(穆长征 席焕久* 包翠芬 刘霞 Erik IISΦ Christensen** 崔士英)