牙髓牙本质复合体纤维粘连蛋白的免疫组织化学研究与定量分析
作者:朱世柱 朱艺 姚江江 孟扬 王纪
单位:朱世柱(湖北医科大学口腔解剖生理学教研室,武汉 430071);朱艺(湖北医科大学口腔解剖生理学教研室,武汉 430071);姚江江(湖北医科大学口腔解剖生理学教研室,武汉 430071);孟扬(湖北医科大学口腔解剖生理学教研室,武汉 430071);王纪(湖北医科大学口腔解剖生理学教研室,武汉 430071)
关键词:人前磨牙;牙髓牙本质复合体;纤维粘连蛋白;免疫组织化学;图像定量分析
解剖学报000323 【摘要】 目的 研究纤维粘连蛋白在牙髓牙本质复合体内的表达,探讨其分布与功能间的关系。 方法 免疫组织化学染色与图像定量分析。结果 纤维粘连蛋白免疫反应(-IR)普遍存在于牙髓、前期牙本质和成熟牙本质的牙本质小管与成牙本质细胞突起,以成牙本质细胞层,牙髓血管与神经周围最为丰富。冠髓和冠部牙本质纤维粘连蛋白的积分光密度分别为:0.49±0.33,0.50±0.29;线密度分别为:38.44±20.7,19.34±18.72;体密度分别为:24.56±10.8,44.52±28.5。 结论 纤维粘连蛋白-IR不仅见于牙髓与前期牙本质,而且也见于成熟牙本质的牙本质小管与成牙质细胞突起,它对维持牙髓牙本质复合体各结构的正常位置,形态和防止炎症扩散可能发挥了重要作用。
, http://www.100md.com
【中图分类号】 R322.4+.1 【文献标识码】 A 【文章编号】 0529-1356-(2000)03-280
IMMUNOHISTOCHEMICAL AND QUANTITATIVE STUDY OF
FIBRONECTIN IN DENTAL PULP-DENTIN COMPLEX OF
HUMAN PRERMOLARS
ZHU Shi-zhu, ZHU Yi, YAO Jiang-jiang, MENG Yang, WANG Ji
(Department of Oral Anatomy and Physiology, Hubei Medical University, Wuhan 430071, China)
, 百拇医药
【Abstract】 Objective Expression of fibronectin in dental pulp-dentin complex was studied to explore to relation between distribution and function. Methods Immunohistochemistry and quantitative image analysis were used. Results Fibronectin existed in dental pulp and predentin, and also in space between the wall of dentinal tubule and process of odontoblast in mature dentin. They were mostly distributed in odontoblast layer and round blood vessels and nerves. In the crown pulp, integral optical density, length density and volume density were 0.49±0.33,38.44±20.7 and 24.56±10.8 respectively. In the crown dentin, the integral optical density, length density and volume density were 0.50±0.29,19.34±18.72 and 44.52±28.5 respectively. Conclusion Fibronectin usually appeared in dental pulp and predentin, and also in space between the wall of dentinal tubule and process of odontoblast in mature dentin, suggesting that it played an important role in network arrangement of fibronectin which maintained normal form and position of pulp cells and other structures in dental pulp-dentin complex, and also in limitation of diffusion of pulpitis.
, http://www.100md.com
【Key words】 Human premolars; Dental pulp-dentin complex; Fibronectin; Immunohistochemistry; Quantitative image analysis
纤维粘连蛋白(fibronectin,FN)是细胞外间质的重要成分,在细胞粘连、迁移、组织损伤后修复和肿瘤的浸润、转移中发挥了重要作用。80年代以来,许多学者研究了纤维粘连蛋白在牙髓牙本质复合体中的分布,但在前期牙本质和成熟牙本质中是否存在纤维粘连蛋白,至今还有争论,其定量分析更为鲜见。牙髓牙本质复合体是牙组织中唯一具有生物活性的结构,弄清楚它的纤维粘连蛋白分布,有利于了解牙组织内各结构的位置关系,也有利于认识牙病发生,发展的结构基础,因此我们对牙髓牙本质复合体纤维粘连蛋白的表达、表达部位及其定量进行了研究。
材料和方法
1.样品收集、包埋、切片
, 百拇医药
收集正畸或修复拔出的健康人前磨牙60颗,年龄11~45岁,男女各半,无疾病和龋齿史。拔下的牙迅速截去根尖1/3,用4%多聚甲醛液固定24h,于4mol/L甲酸~0.5mol/L甲酸钠液中脱钙2~4周,石蜡包埋,切片5μm。
2.SP法免疫组织化学
切片脱蜡入水,滴加复合消化酶(博士德公司提供),10min;3%过氧化氢10min;正常羊血清,10min;兔抗人纤维粘连蛋白多克隆抗体(Sigma公司产品,工作浓度1∶200),60min;羊抗兔生物素标记的第二抗体(美国Matrix公司产品),20min;链霉素抗生物素蛋白-过氧化物酶液(美国Matrix公司产品),20min,以上每步均在37℃下进行,各步之间用PBS液清洗。然后滴加DAB及H2O2底物液,在显微镜下控制显色。自来水冲洗,苏木精复染,中性树胶封片。对照片用PBS代替兔抗人纤维粘连蛋白多克隆抗体,其他步骤同上。阴性为浅黄色或无色,阳性为棕黄色。
, 百拇医药
3.图像定量分析与统计学处理
免疫组织化学切片输入MPIAS-500多媒体彩色病理分析系统,在0.199μm象素点长,1.109×104μm2测量窗下进行定量分析。在冠部牙髓中央区,周围区,前期牙本质,近髓1/3成熟牙本质,中1/3成熟牙本质,近釉1/3成熟牙本质各取5个视野,每个视野框取10个小窗口进行纤维粘连蛋白-IR体密度和线密度的测定,同时在每个视野中各选10个IR阳性点进行积分光密度的测定。
所得数据输入计算机,用SAS软件进行t检验的统计学分析。
结果和讨论
1.纤维粘连蛋白-IR物在牙髓牙本质复合体内的分布
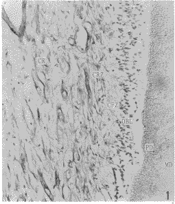
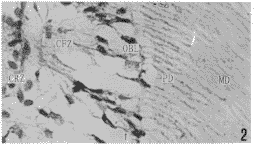
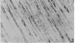
在牙髓中央区,纤维粘连蛋白-IR以条索状和网状两种形式存在,条索状者一般纤维粗大,数量少,多局限于中轴部分,沿血管和神经分布,动脉周围多于静脉。网状者一般较条索状纤维细小,数量多,广泛存在于中轴以外的基质中。从中轴向周边,纤维由粗变细,和致密(图1)。在多细胞区纤维粘连蛋白-IR物略为增粗,呈细条索网,经成纤维细胞之间至乏细胞区。在乏细胞区纤维粘连蛋白-IR物更为细小,无方向性,彼此交织成网,并向成牙本质细胞层延伸。在成牙本质细胞层,纤维粘连蛋白-IR物汇集成束,经成牙本质细胞之间到达前期牙本质(图2)。前期牙本质内的纤维粘连蛋白-IR物尤为丰富,纤维粗大密集,着色深;在成熟牙本质内,纤维粘连蛋白-IR物仅见于牙本质小管与成牙本质细胞突起之间的间隙内,通过小管侧支与相邻牙本质小管内的纤维粘连蛋白-IR物相连。其他成熟牙本质内未见纤维粘连蛋白阳性反应(图3)。用PBS液代替一抗的对照片中未见纤维粘连蛋白的阳性反应物。
, 百拇医药
2.牙髓牙本质复合体内纤维粘连蛋白-IR物的定量分析
图像定量分析牙髓和牙本质内纤维粘连蛋白-IR物的积分光密度,体密度,线密度与统计结果见表。
附表 冠部牙髓和牙本质内纤维粘连蛋白-IR物的积分光密度,体密度,线密度均值(
±s)
Table The average of integral optical density, volume density and length density of
fibronectin-immunoreactant in the crown pulp and the crown dentin
积分光密度
, 百拇医药
integral optical density
P
P
体密度
volume density
P
P
线密度
length density
P
P
冠部牙髓(crown pulp)
, 百拇医药
0.49±0.33
>0.05
24.56±10.8
<0.01
38.44±20.7
<0.01
冠部牙本质(crown dentin)
0.50±0.29
44.52±28.5
19.34±18.72
3. 讨论
牙本质由牙髓内成牙本质细胞分泌形成,鉴于它们在起源、发生和功能上的密切关系,一般通称为牙髓牙本质复合体。牙髓牙本质复合体的不同区域,纤维粘连蛋白的分布不一样,牙髓内,各学者意见基本一致[1~3],一般认为呈网状,本结果同样如此。这种分布不受样品种属和实验方法的影响,无论是人牙还是动物牙,免疫荧光还是免疫电镜,应用消化酶还是不用消化酶,所见均比较相似。纤维粘连蛋白的网状分布有支持和固定牙髓内细胞与其他结构的作用,因为纤维粘连蛋白一方面可与Ⅲ型胶原结合形成牙髓内的网状纤维,网状纤维有如钢筋支架的作用,同时也防止了牙髓炎症扩散;另一方面纤维粘连蛋白分子上存在结合肌动蛋白的位点,它可通过细胞质膜与细胞内的肌动蛋白微丝相结合,达到限制其位移的功能。
, 百拇医药
在前期牙本质中,纤维粘连蛋白的存在与分布还有分歧。Takita等[1]在鼠牙的前期牙本质观察到纤维粘连蛋白呈中等免疫反应;Yoshiba等[2]发现人牙者呈弱阳性,在前期牙本质与成牙本质细胞的交界处呈中等反应;Lukinmaa等[3]在人牙的前期牙本质中未见到免疫反应物;我们在人牙的前期牙本质中见到强阳性反应。这些结果上的差异,我们认为可能是多方面原因引起的,(1)样品种属,纤维粘连蛋白在鼠牙前期牙本质呈中等程度表达[1],而在人牙中呈弱阳性[2],提示进化程度越高,前期牙本质中的纤维粘连蛋白含量可能越低。(2)样品的发育程度,Takita等[1]发现未发育成熟的人牙前期牙本质中纤维粘连蛋白呈强阳性表达,发育成熟者呈弱阳性,提示纤维粘连蛋白随牙发育程度的提高,含量可能逐渐减少。(3)抗体的种类,Lukinmaa等[3]用纤维粘连蛋白单克隆抗体进行免疫反应呈弱阳性,我们使用多克隆抗体免疫反应呈强阳性。(4)消化酶的使用与选择,Yoshiba等[2]未作酶消化,纤维粘连蛋白表现为弱阳性,我们用胰酶、胃蛋白酶和复合酶分别实验,反应程度提高,以复合酶的效果最好,说明不同消化酶暴露纤维粘连蛋白分子的程度可能存在差异。
, 百拇医药
在成熟牙本质中,Slavkin等[4]没有观察到纤维粘连蛋白的存在,Takita等[1]和我们在牙本质小管壁与成牙本质细胞突起之间的间隙内观察到纤维粘连蛋白的存在。这与朱世柱等[5]见到的鞘样界膜位置相当,我们推测纤维粘连蛋白可能参与了界膜的构成,界膜在调节成牙本质细胞与牙本质之间矿化物的交换中发挥了作用,因此纤维粘连蛋白可能也参与了这一调节过程,这与Yoshiba[2]提出的纤维粘连蛋白具有保护和防止成牙本质细胞矿化的观点是一致的。


图版说明
图1 牙髓牙本质复合体内纤维粘连蛋白分布.中央区(CR),多细胞区(CRZ),乏细胞区(CFZ),成牙本质细胞层(OBL),前期牙本质(PD),成熟牙本质(MD). ×100
, 百拇医药
图2 纤维粘连蛋白纤维(↑)穿过成牙本质细胞层进入前期牙本质。 ×400
图3 成熟牙本质内纤维粘连蛋白(↑)行于牙本质小管壁和成牙本质细胞突起之间. ×400
Explanation of figures
Fig.1 The distribution of fibronectin in dental pulp-dentin complex. center region(CR), cell-rich zone(CRZ),cell-free zone(CFZ), odontoblast layer(OBL), predentin(PD), mature dentin(MD) ×100
Fig.2 Fibronectin(↑) passing the odontoblast layer into predentin. ×400
, 百拇医药
Fig.3 The Fibronectin(↑) in the space between the walls of dentinal tubules and the process of the odontoblast in mature dentin. ×400
【作者简介】朱世柱(1942—),男,湖北枝江人,教授
通讯作者(To whom correspondence should be addressed)
参考文献
[1]Takita K, Ohsaki Y, Nakata M, et al. Immufluorescent localization of type Ⅰ and type Ⅲ collagen and fibronectin in mouse dental tissues in late development and during molar eruption[J]. Archs Oral Biol, 1987,32(4):273-277.
, 百拇医药
[2]Yoshiba N, Yoshiba K, Nakamura H. Immunoelectron-microscopic study of the localization of fibronectin in the odontoblast layer of human teeth[J]. Archs Oral Biol,1995,40(2):83-89.
[3]Lukinmaa PL, Mackie EJ, Thesleff I. Immunohistochemical localization of the matrix glycoproteins-tenascin and ED-sequence-containing form of cellular fibronectin in human permanent teeth and periodontal ligament[J]. J Dent Res, 1991,71(1):19-26.
[4]Slavkin H, Melnick M, Brownell A. Anti-fibronectin antibody mediates detine and enamel mineralization in vitro[J]. J Dent Res 1981,60(3):402-407.
[5]朱世柱,张友云,吴玉兰,等.大鼠切牙牙本质的透射电镜观察[J].湖北医科大学学报,1995,16(1):6~9.
【收稿日期】1999-07-01 【修稿日期】1999-12-21, http://www.100md.com
单位:朱世柱(湖北医科大学口腔解剖生理学教研室,武汉 430071);朱艺(湖北医科大学口腔解剖生理学教研室,武汉 430071);姚江江(湖北医科大学口腔解剖生理学教研室,武汉 430071);孟扬(湖北医科大学口腔解剖生理学教研室,武汉 430071);王纪(湖北医科大学口腔解剖生理学教研室,武汉 430071)
关键词:人前磨牙;牙髓牙本质复合体;纤维粘连蛋白;免疫组织化学;图像定量分析
解剖学报000323 【摘要】 目的 研究纤维粘连蛋白在牙髓牙本质复合体内的表达,探讨其分布与功能间的关系。 方法 免疫组织化学染色与图像定量分析。结果 纤维粘连蛋白免疫反应(-IR)普遍存在于牙髓、前期牙本质和成熟牙本质的牙本质小管与成牙本质细胞突起,以成牙本质细胞层,牙髓血管与神经周围最为丰富。冠髓和冠部牙本质纤维粘连蛋白的积分光密度分别为:0.49±0.33,0.50±0.29;线密度分别为:38.44±20.7,19.34±18.72;体密度分别为:24.56±10.8,44.52±28.5。 结论 纤维粘连蛋白-IR不仅见于牙髓与前期牙本质,而且也见于成熟牙本质的牙本质小管与成牙质细胞突起,它对维持牙髓牙本质复合体各结构的正常位置,形态和防止炎症扩散可能发挥了重要作用。
, http://www.100md.com
【中图分类号】 R322.4+.1 【文献标识码】 A 【文章编号】 0529-1356-(2000)03-280
IMMUNOHISTOCHEMICAL AND QUANTITATIVE STUDY OF
FIBRONECTIN IN DENTAL PULP-DENTIN COMPLEX OF
HUMAN PRERMOLARS
ZHU Shi-zhu, ZHU Yi, YAO Jiang-jiang, MENG Yang, WANG Ji
(Department of Oral Anatomy and Physiology, Hubei Medical University, Wuhan 430071, China)
, 百拇医药
【Abstract】 Objective Expression of fibronectin in dental pulp-dentin complex was studied to explore to relation between distribution and function. Methods Immunohistochemistry and quantitative image analysis were used. Results Fibronectin existed in dental pulp and predentin, and also in space between the wall of dentinal tubule and process of odontoblast in mature dentin. They were mostly distributed in odontoblast layer and round blood vessels and nerves. In the crown pulp, integral optical density, length density and volume density were 0.49±0.33,38.44±20.7 and 24.56±10.8 respectively. In the crown dentin, the integral optical density, length density and volume density were 0.50±0.29,19.34±18.72 and 44.52±28.5 respectively. Conclusion Fibronectin usually appeared in dental pulp and predentin, and also in space between the wall of dentinal tubule and process of odontoblast in mature dentin, suggesting that it played an important role in network arrangement of fibronectin which maintained normal form and position of pulp cells and other structures in dental pulp-dentin complex, and also in limitation of diffusion of pulpitis.
, http://www.100md.com
【Key words】 Human premolars; Dental pulp-dentin complex; Fibronectin; Immunohistochemistry; Quantitative image analysis
纤维粘连蛋白(fibronectin,FN)是细胞外间质的重要成分,在细胞粘连、迁移、组织损伤后修复和肿瘤的浸润、转移中发挥了重要作用。80年代以来,许多学者研究了纤维粘连蛋白在牙髓牙本质复合体中的分布,但在前期牙本质和成熟牙本质中是否存在纤维粘连蛋白,至今还有争论,其定量分析更为鲜见。牙髓牙本质复合体是牙组织中唯一具有生物活性的结构,弄清楚它的纤维粘连蛋白分布,有利于了解牙组织内各结构的位置关系,也有利于认识牙病发生,发展的结构基础,因此我们对牙髓牙本质复合体纤维粘连蛋白的表达、表达部位及其定量进行了研究。
材料和方法
1.样品收集、包埋、切片
, 百拇医药
收集正畸或修复拔出的健康人前磨牙60颗,年龄11~45岁,男女各半,无疾病和龋齿史。拔下的牙迅速截去根尖1/3,用4%多聚甲醛液固定24h,于4mol/L甲酸~0.5mol/L甲酸钠液中脱钙2~4周,石蜡包埋,切片5μm。
2.SP法免疫组织化学
切片脱蜡入水,滴加复合消化酶(博士德公司提供),10min;3%过氧化氢10min;正常羊血清,10min;兔抗人纤维粘连蛋白多克隆抗体(Sigma公司产品,工作浓度1∶200),60min;羊抗兔生物素标记的第二抗体(美国Matrix公司产品),20min;链霉素抗生物素蛋白-过氧化物酶液(美国Matrix公司产品),20min,以上每步均在37℃下进行,各步之间用PBS液清洗。然后滴加DAB及H2O2底物液,在显微镜下控制显色。自来水冲洗,苏木精复染,中性树胶封片。对照片用PBS代替兔抗人纤维粘连蛋白多克隆抗体,其他步骤同上。阴性为浅黄色或无色,阳性为棕黄色。
, 百拇医药
3.图像定量分析与统计学处理
免疫组织化学切片输入MPIAS-500多媒体彩色病理分析系统,在0.199μm象素点长,1.109×104μm2测量窗下进行定量分析。在冠部牙髓中央区,周围区,前期牙本质,近髓1/3成熟牙本质,中1/3成熟牙本质,近釉1/3成熟牙本质各取5个视野,每个视野框取10个小窗口进行纤维粘连蛋白-IR体密度和线密度的测定,同时在每个视野中各选10个IR阳性点进行积分光密度的测定。
所得数据输入计算机,用SAS软件进行t检验的统计学分析。
结果和讨论
1.纤维粘连蛋白-IR物在牙髓牙本质复合体内的分布
在牙髓中央区,纤维粘连蛋白-IR以条索状和网状两种形式存在,条索状者一般纤维粗大,数量少,多局限于中轴部分,沿血管和神经分布,动脉周围多于静脉。网状者一般较条索状纤维细小,数量多,广泛存在于中轴以外的基质中。从中轴向周边,纤维由粗变细,和致密(图1)。在多细胞区纤维粘连蛋白-IR物略为增粗,呈细条索网,经成纤维细胞之间至乏细胞区。在乏细胞区纤维粘连蛋白-IR物更为细小,无方向性,彼此交织成网,并向成牙本质细胞层延伸。在成牙本质细胞层,纤维粘连蛋白-IR物汇集成束,经成牙本质细胞之间到达前期牙本质(图2)。前期牙本质内的纤维粘连蛋白-IR物尤为丰富,纤维粗大密集,着色深;在成熟牙本质内,纤维粘连蛋白-IR物仅见于牙本质小管与成牙本质细胞突起之间的间隙内,通过小管侧支与相邻牙本质小管内的纤维粘连蛋白-IR物相连。其他成熟牙本质内未见纤维粘连蛋白阳性反应(图3)。用PBS液代替一抗的对照片中未见纤维粘连蛋白的阳性反应物。
, 百拇医药
2.牙髓牙本质复合体内纤维粘连蛋白-IR物的定量分析
图像定量分析牙髓和牙本质内纤维粘连蛋白-IR物的积分光密度,体密度,线密度与统计结果见表。
附表 冠部牙髓和牙本质内纤维粘连蛋白-IR物的积分光密度,体密度,线密度均值(
Table The average of integral optical density, volume density and length density of
fibronectin-immunoreactant in the crown pulp and the crown dentin
积分光密度
, 百拇医药
integral optical density
P
P
体密度
volume density
P
P
线密度
length density
P
P
冠部牙髓(crown pulp)
, 百拇医药
0.49±0.33
>0.05
24.56±10.8
<0.01
38.44±20.7
<0.01
冠部牙本质(crown dentin)
0.50±0.29
44.52±28.5
19.34±18.72
3. 讨论
牙本质由牙髓内成牙本质细胞分泌形成,鉴于它们在起源、发生和功能上的密切关系,一般通称为牙髓牙本质复合体。牙髓牙本质复合体的不同区域,纤维粘连蛋白的分布不一样,牙髓内,各学者意见基本一致[1~3],一般认为呈网状,本结果同样如此。这种分布不受样品种属和实验方法的影响,无论是人牙还是动物牙,免疫荧光还是免疫电镜,应用消化酶还是不用消化酶,所见均比较相似。纤维粘连蛋白的网状分布有支持和固定牙髓内细胞与其他结构的作用,因为纤维粘连蛋白一方面可与Ⅲ型胶原结合形成牙髓内的网状纤维,网状纤维有如钢筋支架的作用,同时也防止了牙髓炎症扩散;另一方面纤维粘连蛋白分子上存在结合肌动蛋白的位点,它可通过细胞质膜与细胞内的肌动蛋白微丝相结合,达到限制其位移的功能。
, 百拇医药
在前期牙本质中,纤维粘连蛋白的存在与分布还有分歧。Takita等[1]在鼠牙的前期牙本质观察到纤维粘连蛋白呈中等免疫反应;Yoshiba等[2]发现人牙者呈弱阳性,在前期牙本质与成牙本质细胞的交界处呈中等反应;Lukinmaa等[3]在人牙的前期牙本质中未见到免疫反应物;我们在人牙的前期牙本质中见到强阳性反应。这些结果上的差异,我们认为可能是多方面原因引起的,(1)样品种属,纤维粘连蛋白在鼠牙前期牙本质呈中等程度表达[1],而在人牙中呈弱阳性[2],提示进化程度越高,前期牙本质中的纤维粘连蛋白含量可能越低。(2)样品的发育程度,Takita等[1]发现未发育成熟的人牙前期牙本质中纤维粘连蛋白呈强阳性表达,发育成熟者呈弱阳性,提示纤维粘连蛋白随牙发育程度的提高,含量可能逐渐减少。(3)抗体的种类,Lukinmaa等[3]用纤维粘连蛋白单克隆抗体进行免疫反应呈弱阳性,我们使用多克隆抗体免疫反应呈强阳性。(4)消化酶的使用与选择,Yoshiba等[2]未作酶消化,纤维粘连蛋白表现为弱阳性,我们用胰酶、胃蛋白酶和复合酶分别实验,反应程度提高,以复合酶的效果最好,说明不同消化酶暴露纤维粘连蛋白分子的程度可能存在差异。
, 百拇医药
在成熟牙本质中,Slavkin等[4]没有观察到纤维粘连蛋白的存在,Takita等[1]和我们在牙本质小管壁与成牙本质细胞突起之间的间隙内观察到纤维粘连蛋白的存在。这与朱世柱等[5]见到的鞘样界膜位置相当,我们推测纤维粘连蛋白可能参与了界膜的构成,界膜在调节成牙本质细胞与牙本质之间矿化物的交换中发挥了作用,因此纤维粘连蛋白可能也参与了这一调节过程,这与Yoshiba[2]提出的纤维粘连蛋白具有保护和防止成牙本质细胞矿化的观点是一致的。
图版说明
图1 牙髓牙本质复合体内纤维粘连蛋白分布.中央区(CR),多细胞区(CRZ),乏细胞区(CFZ),成牙本质细胞层(OBL),前期牙本质(PD),成熟牙本质(MD). ×100
, 百拇医药
图2 纤维粘连蛋白纤维(↑)穿过成牙本质细胞层进入前期牙本质。 ×400
图3 成熟牙本质内纤维粘连蛋白(↑)行于牙本质小管壁和成牙本质细胞突起之间. ×400
Explanation of figures
Fig.1 The distribution of fibronectin in dental pulp-dentin complex. center region(CR), cell-rich zone(CRZ),cell-free zone(CFZ), odontoblast layer(OBL), predentin(PD), mature dentin(MD) ×100
Fig.2 Fibronectin(↑) passing the odontoblast layer into predentin. ×400
, 百拇医药
Fig.3 The Fibronectin(↑) in the space between the walls of dentinal tubules and the process of the odontoblast in mature dentin. ×400
【作者简介】朱世柱(1942—),男,湖北枝江人,教授
通讯作者(To whom correspondence should be addressed)
参考文献
[1]Takita K, Ohsaki Y, Nakata M, et al. Immufluorescent localization of type Ⅰ and type Ⅲ collagen and fibronectin in mouse dental tissues in late development and during molar eruption[J]. Archs Oral Biol, 1987,32(4):273-277.
, 百拇医药
[2]Yoshiba N, Yoshiba K, Nakamura H. Immunoelectron-microscopic study of the localization of fibronectin in the odontoblast layer of human teeth[J]. Archs Oral Biol,1995,40(2):83-89.
[3]Lukinmaa PL, Mackie EJ, Thesleff I. Immunohistochemical localization of the matrix glycoproteins-tenascin and ED-sequence-containing form of cellular fibronectin in human permanent teeth and periodontal ligament[J]. J Dent Res, 1991,71(1):19-26.
[4]Slavkin H, Melnick M, Brownell A. Anti-fibronectin antibody mediates detine and enamel mineralization in vitro[J]. J Dent Res 1981,60(3):402-407.
[5]朱世柱,张友云,吴玉兰,等.大鼠切牙牙本质的透射电镜观察[J].湖北医科大学学报,1995,16(1):6~9.
【收稿日期】1999-07-01 【修稿日期】1999-12-21, http://www.100md.com