三维培养内皮细胞形成血管样结构的实验研究
作者:夏豪 李庚山 李建军 王晋明 尹丽娅 李晓艳
单位:湖北医科大学附属第一医院心内科, 邮政编码 武汉430060
关键词:内皮细胞;血小板源性生长因子;血管再生;三维细胞培养
微循环学杂志000203
目的:观察三维培养内皮细胞在生长因子血小板源性生长因子(platelet derived growth factor, PDGF)作用下血管样结构的形成。 方法: 制备三维培养胶原基质和细胞培养。结果: 对照组内皮细胞在胶的表面呈单层生长, 未见其向深层生长及管腔结构形成。 PDGF组内皮细胞在胶内呈多层浸润生长, 伸展、 变形呈扁平状; 内皮细胞与胶原纤维之间以半桥粒连接, 内皮细胞之间以桥粒连接, 形成毛在管样管腔结构, 管腔样结构大小不一, 其间有多个散在的内皮细胞; 部分内皮细胞内可见空泡样变, 边界由胞质与胞膜组成, 细胞核变形, 凹陷, 可见切迹, 或呈薄片状, 空泡样变及细胞核形态的变化在形成管状结构的内皮细胞中尤为明显; 内皮细胞管腔面及游离面内皮细胞均有微绒毛突起。结论: 三维培养技术简单易行, 是揭示在体血管形成的最简单模型; PDGF有利于三维培养内皮细胞在有展性的胶原基质面形成血管样结构。
, http://www.100md.com
Experimental Study of Formation of Vascular Tube in Three-Dimension Cell Culture
Xia Hao, Li Gengshan, Li Jianjun
(First Affiliated Hospital of Hubei Medical University, Wuhan 430060)
Objective: To disclose whether platelet derived growth factor(PDGF) could facilitate the formation of vessels in 3-dimension cell culture system.Method: Endothelial cell was cultured by three dimensions system on collagen gel surface with stimulate of PDGF.Results: In PDGF groups, endothelial cell growthed by soak type, transmuted into flat cell, endothelial cell connected to collegen by hemidesmosome, endothelial cell connected each other by desmosome, forming vascular tube, size of vascular tube varied and had many cells in it, endothelial cell and nuclues changed in shape. In control groups, endothelial cell gowthed by single layer, having vascular tube.Conclusion: The technique of three dimension cell Culture is simple and practicable, which is the simplest model to disclose angiogenesis in vivo. Three dimension cell culture found PDGF could induce endothelial cell angiogenesis in vitro.
, 百拇医药
Key words: Endothelial cell; Platelet derived growth factor; Angiogenesis; Three-dimension cell culture
促进缺血组织新生血管的形成是当今治疗这类疾病的新思路, 其关键是选择一合适的促血管 形成生长因子。 传统的二维细胞培养方法可以观察生长因子对于培养内皮细胞增生、 移行 的影响, 但因其不能提供细胞生长的三维空间, 难以研究生长因子在促进培养内皮细胞形 成血管样结构中的作用, 因此对于评价生长因子的促血管再生作用有一定局限性。 三维细 胞培养方法克服了这一不足, 可使细胞呈立体生长, 而且更接近于体内环境[1] 。 本实验将采用三维细胞培养方法, 接种脐静脉内皮细胞(human umbilical vein endoth elial cell, HUVEC)于胶原基质胶面上, 观察在血小板源性生长因子(platelet derived g rowth factor, PDGF)作用下, HUVEC在胶原中血管样结构的形成。
, 百拇医药
1 材料与方法
1.1试剂
HUVEC株由武汉大学中国典型培养物保存中心提供。 Ⅰ型胶原(Collagen Type Ⅰ)购自Sigm a公司。 DMEM/F12培养基、 胎牛血清(FBS)及青霉素-链霉素均为美国Bibco公司产品。 其它常用试剂为国内生产。
1.2 仪器
主要实验仪器包括培养板、 直弯头玻璃吸管(国内产品)、 CO2培养箱(美国Shel-Lab 23 00型)、 超净工作台(苏州净化设备厂)、 倒置相差显微镜(日本Olympus CK2型)、 水浴锅( 日本Shimadzu TB-85型)、 电子秤(瑞典AE200S型)、 冰箱(容声BCD-203A型)、 LKB11800 型切片机、 LKBV2088型超薄切片机、 透射电子显微镜(日本Hitachi H-600型)。
, 百拇医药
1.3 实验方法
1.3.1 三维培养胶原基质的制备和细胞培养[2]
胶原存储液的配制方法是将Ⅰ型胶原溶于10 mmol的柠檬酸, 浓度1.5 mg/ml。 胶原凝 胶成分为7倍体积的胶原浓缩液(4 mg/ml), 1倍体积的10×DMEM/F12, 1倍体积的 0.1 N氢氧化钠(NaOH)和1倍体积的FBS。 取2 ml胶原溶液倒到24孔培养板中, 37℃使其 凝固, 在凝固胶原面上, 以2×104 cm2密度接种HUVEC, 置于37℃、 5% CO2的培养 箱培养至细胞达70%~80%的融合状态。 对照组及PDGF组均换含2% FBS的培养基, PDGF组加 入浓度20 ng/ml的PDGF, 隔天换液, 1 周后显微镜镜下观察、 取材。
1.3.2 电镜检查
, 百拇医药
长有细胞的胶原块用2.5%戊二醛固定2~4 h, 削成小块后, 以0.1 Mol磷酸缓冲 液浸洗3次后, 浸泡12~15 h, 取出标本, 以1%四氧化锇固定1~1.5 h, 0.1 M ol磷酸缓冲液冲洗30 min, 梯度酒精脱水(50%、 70%、 80%、 95%、 100%)二次, 每次15 min, 用水溶性包埋剂包埋, 1∶1的包埋液和酒精浸透30 min, 纯包埋液(苯二甲酸二丙 烯酯)浸透1 h, 60℃聚合72 h, 半薄切片(1 μm)后1%美兰染色, 光镜检查, 超薄切片 后, 以醋酸双氧铀—枸橼酸铅双重染色、 制片, 用透射电子显微镜观察、 照相。
2 结 果
2.1倒置相差显微镜观察
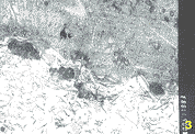
在胶原基质的纵断面, 对照组见HUVEC向胶内浸润, 在胶原表面呈单层生长。 PDGF组可见 HUVEC沿胶原基质向胶原内浸润生长, 并形成垂直于胶原基底面的分支样结构, 相互交织 成网(图1)。
, 百拇医药
2.2 半薄切片光镜观察
垂直于培养板纵轴切片, 对照组HUVEC在胶的表面呈单层生长, 未见其向深层生长及管腔 结构形成。 PDGF组可见HUVEC在胶内细胞呈多层浸润生长; 内皮细胞伸展、 变形呈扁平状 ; 细胞之间相互连接, 形成毛细血管样管腔结构, 管腔样结构大小不一, 其间有多个散 在HUVEC(图2)。
2.3 电镜观察
对照组可见生长在胶原支架上的内皮细胞, 其结构特征清晰可见, 无毛细血管样管腔结构 。 PDGF组可见HUVEC生长在胶原支架上, 并有突起伸至胶原网架中, 胶原纤维的横纹清晰 可见; 内皮细胞与胶原纤维之间以半桥粒连接, 内皮细胞之间以桥粒连接; 二个或多个 内皮细胞之间形成管腔样结构; 部分内皮细胞内可见空泡样变, 边界由胞质与胞膜组成, 细胞核变形、 凹陷, 可见切迹, 或成薄片状, 空泡样变及细胞核形态的变化在形成管 状结构的内皮细胞中尤为明显; 内皮细胞管腔面及游离面内皮细胞均有微绒毛突起(图3~5 )。



, 百拇医药
图1 PDGF组内皮细胞向胶原基质内生长,可见分支样结构
图2 PDGF组内皮细胞呈多层浸润生长细胞生长变形,呈扁平状,形成管腔结构其间可见内皮细胞
图3 PDGF 组内皮细胞生长在在胶原支架上,胶原纤维横纹清晰可见
图4 PDGF组细胞胞间有微绒毛,细胞内有微小裂隙
图5 PDGF组见多个细胞形成的管腔样结构细胞间可见桥粒连接
3 讨 论
3.1血管再生及三维培养技术
血管再生主要有二种模式[3], 一是散在的内皮细胞聚集、 连接、 形成管腔; 二是由早期血管雏形出芽形成新血管, 其过程是复杂的。 1970年代以前, 人们在体外研 究内皮细胞成血管功能、 生长因子促血管形成作用时只能用传统的二维细胞培养技术, 但 其不能提供细胞生长的三维空间, 因而限制了离体血管的再生研究。 现今, 已有四种成 熟的离体血管的再生研究手段, 它们是生物相容多聚物法、 角膜微袋技术、 鸡胚绒膜尿 囊膜方法及血管内皮细胞的三维培养法[4]。 其中, 内皮细胞的三维培养法是利 用单一离体血管内皮细胞在一定条件下形成管状结构的特点, 模拟上述的第一种血管形成 模式, 是揭示在体血管形成的最简单模型。 根据三维培养特点, 结合我们的实验目的及 现有条件, 本研究采用了三维培养技术。
, 百拇医药
内皮细胞的三维培养法在方法学上有许多差异。 可以将内皮细胞接种于胶原基质表面, 观 察其向下生长、 形成管腔样结构能力; 也可以在二层胶原基质之间接种内皮细胞, 使其 上下生长, 即所谓的“三明治法”; 还有学者将胶原溶液与内皮细胞混合后培养[2 ~3]。 这些方法目的相同、 价值相似, 但第一种方法最为简便、 易行, 因此我们选 用了这一方法。
3.2 影响内皮细胞形成离体血管的因素
现已明确, 在离体条件下至少有二类物质决定内皮细胞能否形成血管样结构, 即可溶性和 不可溶性因子[5]。 前者主要是指内皮细胞促有丝分裂原; 后者指细胞外基质(EC M), 如层自身的胶原胶、 Matrigel和ECM分子(如粘连蛋白、 纤连蛋白及Ⅰ、 Ⅲ、 Ⅳ、 Ⅴ型胶原)。 在促血管再生方面, 二者具有协同作用, 以ECM分子占主导, 它决定内皮细 胞是否增殖、 分化; 生长因子既可以刺激内皮细胞生长又可以促进其向毛细血管分化, 但究竟起何种作用取决于它处的微环境。 培养底物中ECM的浓度也是影响离体血管样结构能 否形成的重要因素之一[6]。 Ingber等[5]报道内皮细胞包埋在有展性的 胶原胶中可以分化, 形成静态管状; 而在硬度较大的胶原中只增殖, 形成单层细胞。 因 此, 内皮细胞和ECM间的相互机械作用(如压力依赖性的)可能参与调节血管形成, ECM通过 其拮抗细胞产生的机械力可以局部调节可溶性因子促血管再生作用。 本研究所采用的胶原 浓度低于1%, 凝固后形成有展性的胶, 在该胶原面上接种细胞, 更有利于细胞的移行和 向胶原内浸润, 形成管腔样结构。
, http://www.100md.com
3.3 PDGF对三维培养内皮细胞血管样结构形成影响
Folkman[7]等曾经报道三维培养条件下的离体新生血管的超微结构特点。 首先内 皮细胞内形成匙状空泡, 24 h后相邻的细胞空泡相连, 形成管状, 4、 5个细胞相连后形 成分支, 5~10天内可见完整的管腔形成。 本实验研究中, PDGF组半薄切片光镜下见: 内皮细胞在胶原浸润生长、 形成毛细血管样管状结构。 超薄切片电镜下见: (1) 内皮细 胞和胶原纤维的空间结构关系: 内皮细胞被胶原包裹, 并有突起伸至胶原网架中, 以半 桥粒方式与胶原纤维连接, 这类似于血管内皮细胞与基底膜间的连接; (2) 二个或多个内 皮细胞之间形成管腔样结构; (3) 部分内皮细胞内可见空泡样变, 边界由胞质与胞膜组成 , 细胞核变形、 凹陷, 可见切迹, 或成薄片状, 空泡样变及细胞核形态的变化在形成 管状结构的内皮细胞中尤为明显; (4) 内皮细胞管腔面及游离面内皮细胞均有微绒毛突起 。 尽管我们未能观察到从一个细胞内的空泡变成细胞间管状结构的确切过程, 但单个细胞 内的空泡样结构及细胞内的空泡开放形成的细胞间腔隙, 已充分说明了这一演变过程。 实 验结果表明: PDGF可促进培养的HUVEC在胶原中形成毛细血管样结构, 这与Marx等[8 ]的研究结论是一致的, 所不同的是他们选用的鼠附睾脂肪垫微血管内皮细胞。 PDGF对 于离体培养内皮细胞形成血管样结构的积极作用, 说明其对缺血组织局部的血管再生和侧 支循环的形成可能有重要意义。
, http://www.100md.com
综上所述, 本研究中三维培养的HUVEC血管样结构的形成是促血管再生因子PDGF和细胞外基 质成分Ⅰ型胶原共同作用的结果, 二者缺一不可。 该实验逼真地模拟了在体血管再生的过 程, 揭示了血管再生的实质和血管形成的相关因素。
湖北省九五攻关项目(96291101)
本文作者简介:夏豪(1966~), 男, 汉族, 主治医师, 博士
参考文献
1,Sato Y, Shimada T, Takaki R. Autocrinological role of basic fibroblast growth factor on tube formation of vascular endothelial cells in vitro. Bio and Biophy Res Com, 1991, 180(2):1 098~1 102.
, 百拇医药
2,Pepper MS, Ferrara N, Orci L, et al. Potent synergism between vascular endothelial growth factor and basic fibroblast growth factor in the induction o f angiogenesis in vitro. Bio and Biophy Res Com, 1992, 189(2):824~831.
3,Granger HJ, Ziche M, Hawker JR, et al. Molecular and cellular basis of myocardial angiogenesis. Cellul Mol Biol Res, 1994, 40:81~85.
4,Morales DE, McGowan KA, Grant DS, et al. Estrogen promotes angiogenic activity in human umbilical vein endothelial cells in vitro and in a murine mode l. Circulation, 1995, 91:755~763.
, 百拇医药
5,Ingber ED, Folkman J. How does extracellular matrix control capillary morphogenesis. Cell, 1998, 53:803c805.
6,Grinnell F, Bennett MH. Fibroblast adhesion on collagen substrata in t he presence and absence of plasma fibronectin. Cell, 1981, 48:19~34.
7,Folkman J, Haudenschild C. Angiogenesis in vitro. Nature, 1980, 228:55 1~556.
8,Marx M, Perimutter RA, Madri JA. Modulatin of platelet-derived growth factor receptor expression in microvascular endothelial cells during in vitro an giogenesis. J Clin Invest, 1994, 93:131~139.
本文1999-10-22收到, 2000-04-07接受, 百拇医药
单位:湖北医科大学附属第一医院心内科, 邮政编码 武汉430060
关键词:内皮细胞;血小板源性生长因子;血管再生;三维细胞培养
微循环学杂志000203
目的:观察三维培养内皮细胞在生长因子血小板源性生长因子(platelet derived growth factor, PDGF)作用下血管样结构的形成。 方法: 制备三维培养胶原基质和细胞培养。结果: 对照组内皮细胞在胶的表面呈单层生长, 未见其向深层生长及管腔结构形成。 PDGF组内皮细胞在胶内呈多层浸润生长, 伸展、 变形呈扁平状; 内皮细胞与胶原纤维之间以半桥粒连接, 内皮细胞之间以桥粒连接, 形成毛在管样管腔结构, 管腔样结构大小不一, 其间有多个散在的内皮细胞; 部分内皮细胞内可见空泡样变, 边界由胞质与胞膜组成, 细胞核变形, 凹陷, 可见切迹, 或呈薄片状, 空泡样变及细胞核形态的变化在形成管状结构的内皮细胞中尤为明显; 内皮细胞管腔面及游离面内皮细胞均有微绒毛突起。结论: 三维培养技术简单易行, 是揭示在体血管形成的最简单模型; PDGF有利于三维培养内皮细胞在有展性的胶原基质面形成血管样结构。
, http://www.100md.com
Experimental Study of Formation of Vascular Tube in Three-Dimension Cell Culture
Xia Hao, Li Gengshan, Li Jianjun
(First Affiliated Hospital of Hubei Medical University, Wuhan 430060)
Objective: To disclose whether platelet derived growth factor(PDGF) could facilitate the formation of vessels in 3-dimension cell culture system.Method: Endothelial cell was cultured by three dimensions system on collagen gel surface with stimulate of PDGF.Results: In PDGF groups, endothelial cell growthed by soak type, transmuted into flat cell, endothelial cell connected to collegen by hemidesmosome, endothelial cell connected each other by desmosome, forming vascular tube, size of vascular tube varied and had many cells in it, endothelial cell and nuclues changed in shape. In control groups, endothelial cell gowthed by single layer, having vascular tube.Conclusion: The technique of three dimension cell Culture is simple and practicable, which is the simplest model to disclose angiogenesis in vivo. Three dimension cell culture found PDGF could induce endothelial cell angiogenesis in vitro.
, 百拇医药
Key words: Endothelial cell; Platelet derived growth factor; Angiogenesis; Three-dimension cell culture
促进缺血组织新生血管的形成是当今治疗这类疾病的新思路, 其关键是选择一合适的促血管 形成生长因子。 传统的二维细胞培养方法可以观察生长因子对于培养内皮细胞增生、 移行 的影响, 但因其不能提供细胞生长的三维空间, 难以研究生长因子在促进培养内皮细胞形 成血管样结构中的作用, 因此对于评价生长因子的促血管再生作用有一定局限性。 三维细 胞培养方法克服了这一不足, 可使细胞呈立体生长, 而且更接近于体内环境[1] 。 本实验将采用三维细胞培养方法, 接种脐静脉内皮细胞(human umbilical vein endoth elial cell, HUVEC)于胶原基质胶面上, 观察在血小板源性生长因子(platelet derived g rowth factor, PDGF)作用下, HUVEC在胶原中血管样结构的形成。
, 百拇医药
1 材料与方法
1.1试剂
HUVEC株由武汉大学中国典型培养物保存中心提供。 Ⅰ型胶原(Collagen Type Ⅰ)购自Sigm a公司。 DMEM/F12培养基、 胎牛血清(FBS)及青霉素-链霉素均为美国Bibco公司产品。 其它常用试剂为国内生产。
1.2 仪器
主要实验仪器包括培养板、 直弯头玻璃吸管(国内产品)、 CO2培养箱(美国Shel-Lab 23 00型)、 超净工作台(苏州净化设备厂)、 倒置相差显微镜(日本Olympus CK2型)、 水浴锅( 日本Shimadzu TB-85型)、 电子秤(瑞典AE200S型)、 冰箱(容声BCD-203A型)、 LKB11800 型切片机、 LKBV2088型超薄切片机、 透射电子显微镜(日本Hitachi H-600型)。
, 百拇医药
1.3 实验方法
1.3.1 三维培养胶原基质的制备和细胞培养[2]
胶原存储液的配制方法是将Ⅰ型胶原溶于10 mmol的柠檬酸, 浓度1.5 mg/ml。 胶原凝 胶成分为7倍体积的胶原浓缩液(4 mg/ml), 1倍体积的10×DMEM/F12, 1倍体积的 0.1 N氢氧化钠(NaOH)和1倍体积的FBS。 取2 ml胶原溶液倒到24孔培养板中, 37℃使其 凝固, 在凝固胶原面上, 以2×104 cm2密度接种HUVEC, 置于37℃、 5% CO2的培养 箱培养至细胞达70%~80%的融合状态。 对照组及PDGF组均换含2% FBS的培养基, PDGF组加 入浓度20 ng/ml的PDGF, 隔天换液, 1 周后显微镜镜下观察、 取材。
1.3.2 电镜检查
, 百拇医药
长有细胞的胶原块用2.5%戊二醛固定2~4 h, 削成小块后, 以0.1 Mol磷酸缓冲 液浸洗3次后, 浸泡12~15 h, 取出标本, 以1%四氧化锇固定1~1.5 h, 0.1 M ol磷酸缓冲液冲洗30 min, 梯度酒精脱水(50%、 70%、 80%、 95%、 100%)二次, 每次15 min, 用水溶性包埋剂包埋, 1∶1的包埋液和酒精浸透30 min, 纯包埋液(苯二甲酸二丙 烯酯)浸透1 h, 60℃聚合72 h, 半薄切片(1 μm)后1%美兰染色, 光镜检查, 超薄切片 后, 以醋酸双氧铀—枸橼酸铅双重染色、 制片, 用透射电子显微镜观察、 照相。
2 结 果
2.1倒置相差显微镜观察
在胶原基质的纵断面, 对照组见HUVEC向胶内浸润, 在胶原表面呈单层生长。 PDGF组可见 HUVEC沿胶原基质向胶原内浸润生长, 并形成垂直于胶原基底面的分支样结构, 相互交织 成网(图1)。
, 百拇医药
2.2 半薄切片光镜观察
垂直于培养板纵轴切片, 对照组HUVEC在胶的表面呈单层生长, 未见其向深层生长及管腔 结构形成。 PDGF组可见HUVEC在胶内细胞呈多层浸润生长; 内皮细胞伸展、 变形呈扁平状 ; 细胞之间相互连接, 形成毛细血管样管腔结构, 管腔样结构大小不一, 其间有多个散 在HUVEC(图2)。
2.3 电镜观察
对照组可见生长在胶原支架上的内皮细胞, 其结构特征清晰可见, 无毛细血管样管腔结构 。 PDGF组可见HUVEC生长在胶原支架上, 并有突起伸至胶原网架中, 胶原纤维的横纹清晰 可见; 内皮细胞与胶原纤维之间以半桥粒连接, 内皮细胞之间以桥粒连接; 二个或多个 内皮细胞之间形成管腔样结构; 部分内皮细胞内可见空泡样变, 边界由胞质与胞膜组成, 细胞核变形、 凹陷, 可见切迹, 或成薄片状, 空泡样变及细胞核形态的变化在形成管 状结构的内皮细胞中尤为明显; 内皮细胞管腔面及游离面内皮细胞均有微绒毛突起(图3~5 )。
, 百拇医药
图1 PDGF组内皮细胞向胶原基质内生长,可见分支样结构
图2 PDGF组内皮细胞呈多层浸润生长细胞生长变形,呈扁平状,形成管腔结构其间可见内皮细胞
图3 PDGF 组内皮细胞生长在在胶原支架上,胶原纤维横纹清晰可见
图4 PDGF组细胞胞间有微绒毛,细胞内有微小裂隙
图5 PDGF组见多个细胞形成的管腔样结构细胞间可见桥粒连接
3 讨 论
3.1血管再生及三维培养技术
血管再生主要有二种模式[3], 一是散在的内皮细胞聚集、 连接、 形成管腔; 二是由早期血管雏形出芽形成新血管, 其过程是复杂的。 1970年代以前, 人们在体外研 究内皮细胞成血管功能、 生长因子促血管形成作用时只能用传统的二维细胞培养技术, 但 其不能提供细胞生长的三维空间, 因而限制了离体血管的再生研究。 现今, 已有四种成 熟的离体血管的再生研究手段, 它们是生物相容多聚物法、 角膜微袋技术、 鸡胚绒膜尿 囊膜方法及血管内皮细胞的三维培养法[4]。 其中, 内皮细胞的三维培养法是利 用单一离体血管内皮细胞在一定条件下形成管状结构的特点, 模拟上述的第一种血管形成 模式, 是揭示在体血管形成的最简单模型。 根据三维培养特点, 结合我们的实验目的及 现有条件, 本研究采用了三维培养技术。
, 百拇医药
内皮细胞的三维培养法在方法学上有许多差异。 可以将内皮细胞接种于胶原基质表面, 观 察其向下生长、 形成管腔样结构能力; 也可以在二层胶原基质之间接种内皮细胞, 使其 上下生长, 即所谓的“三明治法”; 还有学者将胶原溶液与内皮细胞混合后培养[2 ~3]。 这些方法目的相同、 价值相似, 但第一种方法最为简便、 易行, 因此我们选 用了这一方法。
3.2 影响内皮细胞形成离体血管的因素
现已明确, 在离体条件下至少有二类物质决定内皮细胞能否形成血管样结构, 即可溶性和 不可溶性因子[5]。 前者主要是指内皮细胞促有丝分裂原; 后者指细胞外基质(EC M), 如层自身的胶原胶、 Matrigel和ECM分子(如粘连蛋白、 纤连蛋白及Ⅰ、 Ⅲ、 Ⅳ、 Ⅴ型胶原)。 在促血管再生方面, 二者具有协同作用, 以ECM分子占主导, 它决定内皮细 胞是否增殖、 分化; 生长因子既可以刺激内皮细胞生长又可以促进其向毛细血管分化, 但究竟起何种作用取决于它处的微环境。 培养底物中ECM的浓度也是影响离体血管样结构能 否形成的重要因素之一[6]。 Ingber等[5]报道内皮细胞包埋在有展性的 胶原胶中可以分化, 形成静态管状; 而在硬度较大的胶原中只增殖, 形成单层细胞。 因 此, 内皮细胞和ECM间的相互机械作用(如压力依赖性的)可能参与调节血管形成, ECM通过 其拮抗细胞产生的机械力可以局部调节可溶性因子促血管再生作用。 本研究所采用的胶原 浓度低于1%, 凝固后形成有展性的胶, 在该胶原面上接种细胞, 更有利于细胞的移行和 向胶原内浸润, 形成管腔样结构。
, http://www.100md.com
3.3 PDGF对三维培养内皮细胞血管样结构形成影响
Folkman[7]等曾经报道三维培养条件下的离体新生血管的超微结构特点。 首先内 皮细胞内形成匙状空泡, 24 h后相邻的细胞空泡相连, 形成管状, 4、 5个细胞相连后形 成分支, 5~10天内可见完整的管腔形成。 本实验研究中, PDGF组半薄切片光镜下见: 内皮细胞在胶原浸润生长、 形成毛细血管样管状结构。 超薄切片电镜下见: (1) 内皮细 胞和胶原纤维的空间结构关系: 内皮细胞被胶原包裹, 并有突起伸至胶原网架中, 以半 桥粒方式与胶原纤维连接, 这类似于血管内皮细胞与基底膜间的连接; (2) 二个或多个内 皮细胞之间形成管腔样结构; (3) 部分内皮细胞内可见空泡样变, 边界由胞质与胞膜组成 , 细胞核变形、 凹陷, 可见切迹, 或成薄片状, 空泡样变及细胞核形态的变化在形成 管状结构的内皮细胞中尤为明显; (4) 内皮细胞管腔面及游离面内皮细胞均有微绒毛突起 。 尽管我们未能观察到从一个细胞内的空泡变成细胞间管状结构的确切过程, 但单个细胞 内的空泡样结构及细胞内的空泡开放形成的细胞间腔隙, 已充分说明了这一演变过程。 实 验结果表明: PDGF可促进培养的HUVEC在胶原中形成毛细血管样结构, 这与Marx等[8 ]的研究结论是一致的, 所不同的是他们选用的鼠附睾脂肪垫微血管内皮细胞。 PDGF对 于离体培养内皮细胞形成血管样结构的积极作用, 说明其对缺血组织局部的血管再生和侧 支循环的形成可能有重要意义。
, http://www.100md.com
综上所述, 本研究中三维培养的HUVEC血管样结构的形成是促血管再生因子PDGF和细胞外基 质成分Ⅰ型胶原共同作用的结果, 二者缺一不可。 该实验逼真地模拟了在体血管再生的过 程, 揭示了血管再生的实质和血管形成的相关因素。
湖北省九五攻关项目(96291101)
本文作者简介:夏豪(1966~), 男, 汉族, 主治医师, 博士
参考文献
1,Sato Y, Shimada T, Takaki R. Autocrinological role of basic fibroblast growth factor on tube formation of vascular endothelial cells in vitro. Bio and Biophy Res Com, 1991, 180(2):1 098~1 102.
, 百拇医药
2,Pepper MS, Ferrara N, Orci L, et al. Potent synergism between vascular endothelial growth factor and basic fibroblast growth factor in the induction o f angiogenesis in vitro. Bio and Biophy Res Com, 1992, 189(2):824~831.
3,Granger HJ, Ziche M, Hawker JR, et al. Molecular and cellular basis of myocardial angiogenesis. Cellul Mol Biol Res, 1994, 40:81~85.
4,Morales DE, McGowan KA, Grant DS, et al. Estrogen promotes angiogenic activity in human umbilical vein endothelial cells in vitro and in a murine mode l. Circulation, 1995, 91:755~763.
, 百拇医药
5,Ingber ED, Folkman J. How does extracellular matrix control capillary morphogenesis. Cell, 1998, 53:803c805.
6,Grinnell F, Bennett MH. Fibroblast adhesion on collagen substrata in t he presence and absence of plasma fibronectin. Cell, 1981, 48:19~34.
7,Folkman J, Haudenschild C. Angiogenesis in vitro. Nature, 1980, 228:55 1~556.
8,Marx M, Perimutter RA, Madri JA. Modulatin of platelet-derived growth factor receptor expression in microvascular endothelial cells during in vitro an giogenesis. J Clin Invest, 1994, 93:131~139.
本文1999-10-22收到, 2000-04-07接受, 百拇医药