环境青石棉污染所致间皮瘤47例临床病理分析
作者:周亚康 罗素琼 宋云和 廖鹏书 王怀平
单位:675400 云南省大姚县人民医院(周亚康、宋云和、廖鹏书、王怀平);华西医科大学尘肺研究室(罗素琼)
关键词:
中华劳动卫生职业病杂志980316
间皮瘤在一般人群中较少见,流行病学和动物实验结果显示间皮瘤的增多与接触石棉高度相关[1~3]。我们地区部分乡镇地质中青石棉分布表浅,造成空气污染而致间皮瘤高发,1985年与1996年调查发病率分别为85/106人年[2]和177.5/106人年[3]。我们收集大姚县医院1984年4月至1996年6月间收治的79例间皮瘤病例中资料完整的46例,进行临床病理分析。
, http://www.100md.com
一、材料与方法
1.病理资料:46例病理资料通过查阅病理档案获得。其中活检诊断28例,4例后经尸解证实,2例送华西医大经电镜检查证实,11例经华西医大肿瘤研究所会诊确诊。组织学诊断按经典诊断标准,三型分类法分型[4,5]。另有19例胸膜间皮瘤病例经X线胸片发现胸水,抽胸水后作人工气胸X线摄片,显示胸膜增厚及胸膜肿块,胸水中检出异形间皮细胞初步诊断,后送上级医院开胸活检证实。腹膜间皮瘤病例均为组织学诊断。
2.临床资料:来源于病历记录和追踪随访。
二、结果
1.临床资料:46例病人诊断为间皮瘤,其中恶性胸膜间皮瘤36人,恶性腹膜间皮瘤8人,同时患胸、腹膜间皮瘤1人,良性腹膜间皮瘤1人。病例中男28例、女18例。发病年龄20~75岁,平均55.45±13.29岁。病例从诊断到死亡生存期限:胸膜间皮瘤3~11个月,腹膜恶性间皮瘤为4~14个月。1例良性腹膜间皮瘤在初诊时完整切除20 cm×18 cm×18 cm 瘤体,4年后复发再次手术切除,现随访2年仍健在。
, 百拇医药
36例胸膜间皮瘤病人主诉几乎都有不同程度的胸痛,其次为咳嗽(23/36),呼吸困难(15/36),发热(3/36)。体征以胸水为主,胸水早期量多,草黄色或血性,部分病人胸水粘稠,少数可为果冻状;后期多为血性,随着病情的进展,病程较长的病人胸水可逐渐减少或消失。X线检查发现胸水及胸膜弥漫增厚伴结节状肿块36例,其中仅1例为胸壁巨大肿块。10例腹膜间皮瘤患者主诉以腹部包块就诊,少数有腹痛、腹胀,个别有黄疸、发热。
2.病理资料:(1)胸膜间皮瘤多位于右侧胸腔(23/36),少数位于左侧胸腔(13/36)。腹膜间皮瘤弥漫于全腹腔4例、局限于上腹部腹膜2例、下腹部腹膜2例、乙状结肠1例、阔韧带1例(良性)。(2)我院有组织切片的28例间皮瘤中,组织学类型以上皮型居多(15例),其次为纤维型(7例)和混合型(6例)。36例胸膜间皮瘤全部为恶性,10例腹膜间皮瘤中9例为恶性,1例良性(纤维型)。(3)尸检4例,男3例、女1例,其中胸膜间皮瘤2例、腹膜间皮瘤1例,同时患胸、腹膜间皮瘤者1例。胸膜损害3例:弥漫于右胸腔脏壁层及膈胸膜1例,胸膜弥漫增厚1.5~3 cm,灰白色,布满粟粒至拇指大小之结节状突起物,其中巨块型2例,1例为右胸壁肿块达25 cm×32 cm×32 cm,向内压迫右肺,向外侵及胸膜,另1例31岁女性,左胸腔内肿块33 cm×27 cm×18 cm,并侵蚀左肺,包裹心脏,侵及心包膜,肿块使纵隔右移,食道向右弯曲。3例病人的健侧胸腔均受压,但胸膜光滑,无肿瘤生长。巨块型的2例均有同侧肺受累,肺门淋巴结转移,其中1例并侵及胸壁肌肉、肋骨、甲状腺、股部肌肉。3例中,2例检出胸膜斑。
, http://www.100md.com
腹膜损害2例:1例为弥漫于全腹脏壁层腹膜、腹膜内面及膈下,胃、肠、肝、胆,膀胱表面腹膜弥漫增厚并布满粟粒大至鸡蛋大小之灰白色结节,大网膜融合成5~7 cm
厚的大片状瘤块,表面布满结节;腹腔内脏器实质及腹壁肌层均未受累。另1例为大网膜上缘多结节性瘤块,侵及十二指肠及横结肠,形成十二指肠→肿瘤囊腔→横结肠瘘。尸检及手术所见的11例大体标本观察(胸膜间皮瘤3例、腹膜间皮瘤8例),为弥漫结节型4例、局限结节型4例、局限巨块型3例。发生淋巴结及远处转移2例,局部侵犯内脏5例,转移及侵犯内脏者均为局限巨块型或局限结节型病例。弥漫型瘤体无包膜,局限型可有纤维性包膜(图1)。尸检3例恶性胸膜间皮瘤中,2例检出胸膜斑,均为生前X线胸片未显示。
三、讨论
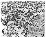
间皮瘤的诊断主要根据发病部位和光镜下肿瘤细胞的双相分化和移行过度状态(图2),电镜下可见肿瘤细胞表面细长的微绒毛[5](图3)。组织化学和免疫组织化学检查对间皮瘤的诊断和分型具有重要意义。
, 百拇医药
图1 巨块型间皮瘤有纤维性包膜(右下角) HE×128

图2 上皮型间皮瘤有腺乳头状结构,可见瘤细胞移行过度状态 HE×200
图3 电镜检查可见间皮瘤细胞有细长的微绒毛(1)及核仁(2) ×16 000
胸水细胞学检查诊断间皮瘤被认为是不可能的,但在我们的实践中,胸水细胞学检查结合X线表现可初步确诊间皮瘤,方法是抽胸水后注入氧气,形成人工气胸,再进行X线胸片检查,明确显示肿块位置,如果发现确切的胸膜增厚及(或)胸膜肿块,并在胸水中检出片状或分散的异形间皮细胞,可以提示间皮瘤的可能。本组病例中的19例胸膜间皮瘤均为胸水细胞学检查结合X线胸片检查初步诊断,后经活检证实。
, http://www.100md.com
本组病例发病年龄平均55.45岁,比以往资料偏低,可能与自幼生长于青石棉环境,长期接触青石棉有关。肿瘤的生长部位、组织学类型和临床表现等与既往文献无差异。
本课题受卫生部科研基金资助
参 考 文 献
1 王筑移兰,刚葆琪主编.现代劳动卫生学.第1版.北京:人民卫生出版社,1994.139~143、481~487.
2 刘学泽,罗素琼,王治明,等.青石棉污染与间皮瘤.中华劳动卫生职业病杂志,1988,6:193~197.
3 罗素琼,穆世惠,周亚康,等.青石棉污染区恶性肿瘤9年回顾队列研究.中华劳动卫生职业病杂志,1997,15:272~276.
4 于国,李维华,于占洋.恶性间皮瘤的病理形态学研究.临床与实验病理学,1993,9(4):4~7.
5 谭晓明,杨光华,谭永淑.石棉诱发大鼠胸腹膜间皮瘤的病理学研究.中华病理学杂志,1991,20:187~189.
(收稿:1997-03-03 修回:1998-03-04), http://www.100md.com
单位:675400 云南省大姚县人民医院(周亚康、宋云和、廖鹏书、王怀平);华西医科大学尘肺研究室(罗素琼)
关键词:
中华劳动卫生职业病杂志980316
间皮瘤在一般人群中较少见,流行病学和动物实验结果显示间皮瘤的增多与接触石棉高度相关[1~3]。我们地区部分乡镇地质中青石棉分布表浅,造成空气污染而致间皮瘤高发,1985年与1996年调查发病率分别为85/106人年[2]和177.5/106人年[3]。我们收集大姚县医院1984年4月至1996年6月间收治的79例间皮瘤病例中资料完整的46例,进行临床病理分析。
, http://www.100md.com
一、材料与方法
1.病理资料:46例病理资料通过查阅病理档案获得。其中活检诊断28例,4例后经尸解证实,2例送华西医大经电镜检查证实,11例经华西医大肿瘤研究所会诊确诊。组织学诊断按经典诊断标准,三型分类法分型[4,5]。另有19例胸膜间皮瘤病例经X线胸片发现胸水,抽胸水后作人工气胸X线摄片,显示胸膜增厚及胸膜肿块,胸水中检出异形间皮细胞初步诊断,后送上级医院开胸活检证实。腹膜间皮瘤病例均为组织学诊断。
2.临床资料:来源于病历记录和追踪随访。
二、结果
1.临床资料:46例病人诊断为间皮瘤,其中恶性胸膜间皮瘤36人,恶性腹膜间皮瘤8人,同时患胸、腹膜间皮瘤1人,良性腹膜间皮瘤1人。病例中男28例、女18例。发病年龄20~75岁,平均55.45±13.29岁。病例从诊断到死亡生存期限:胸膜间皮瘤3~11个月,腹膜恶性间皮瘤为4~14个月。1例良性腹膜间皮瘤在初诊时完整切除20 cm×18 cm×18 cm 瘤体,4年后复发再次手术切除,现随访2年仍健在。
, 百拇医药
36例胸膜间皮瘤病人主诉几乎都有不同程度的胸痛,其次为咳嗽(23/36),呼吸困难(15/36),发热(3/36)。体征以胸水为主,胸水早期量多,草黄色或血性,部分病人胸水粘稠,少数可为果冻状;后期多为血性,随着病情的进展,病程较长的病人胸水可逐渐减少或消失。X线检查发现胸水及胸膜弥漫增厚伴结节状肿块36例,其中仅1例为胸壁巨大肿块。10例腹膜间皮瘤患者主诉以腹部包块就诊,少数有腹痛、腹胀,个别有黄疸、发热。
2.病理资料:(1)胸膜间皮瘤多位于右侧胸腔(23/36),少数位于左侧胸腔(13/36)。腹膜间皮瘤弥漫于全腹腔4例、局限于上腹部腹膜2例、下腹部腹膜2例、乙状结肠1例、阔韧带1例(良性)。(2)我院有组织切片的28例间皮瘤中,组织学类型以上皮型居多(15例),其次为纤维型(7例)和混合型(6例)。36例胸膜间皮瘤全部为恶性,10例腹膜间皮瘤中9例为恶性,1例良性(纤维型)。(3)尸检4例,男3例、女1例,其中胸膜间皮瘤2例、腹膜间皮瘤1例,同时患胸、腹膜间皮瘤者1例。胸膜损害3例:弥漫于右胸腔脏壁层及膈胸膜1例,胸膜弥漫增厚1.5~3 cm,灰白色,布满粟粒至拇指大小之结节状突起物,其中巨块型2例,1例为右胸壁肿块达25 cm×32 cm×32 cm,向内压迫右肺,向外侵及胸膜,另1例31岁女性,左胸腔内肿块33 cm×27 cm×18 cm,并侵蚀左肺,包裹心脏,侵及心包膜,肿块使纵隔右移,食道向右弯曲。3例病人的健侧胸腔均受压,但胸膜光滑,无肿瘤生长。巨块型的2例均有同侧肺受累,肺门淋巴结转移,其中1例并侵及胸壁肌肉、肋骨、甲状腺、股部肌肉。3例中,2例检出胸膜斑。
, http://www.100md.com
腹膜损害2例:1例为弥漫于全腹脏壁层腹膜、腹膜内面及膈下,胃、肠、肝、胆,膀胱表面腹膜弥漫增厚并布满粟粒大至鸡蛋大小之灰白色结节,大网膜融合成5~7 cm
厚的大片状瘤块,表面布满结节;腹腔内脏器实质及腹壁肌层均未受累。另1例为大网膜上缘多结节性瘤块,侵及十二指肠及横结肠,形成十二指肠→肿瘤囊腔→横结肠瘘。尸检及手术所见的11例大体标本观察(胸膜间皮瘤3例、腹膜间皮瘤8例),为弥漫结节型4例、局限结节型4例、局限巨块型3例。发生淋巴结及远处转移2例,局部侵犯内脏5例,转移及侵犯内脏者均为局限巨块型或局限结节型病例。弥漫型瘤体无包膜,局限型可有纤维性包膜(图1)。尸检3例恶性胸膜间皮瘤中,2例检出胸膜斑,均为生前X线胸片未显示。
三、讨论
间皮瘤的诊断主要根据发病部位和光镜下肿瘤细胞的双相分化和移行过度状态(图2),电镜下可见肿瘤细胞表面细长的微绒毛[5](图3)。组织化学和免疫组织化学检查对间皮瘤的诊断和分型具有重要意义。
, 百拇医药
图1 巨块型间皮瘤有纤维性包膜(右下角) HE×128
图2 上皮型间皮瘤有腺乳头状结构,可见瘤细胞移行过度状态 HE×200
胸水细胞学检查诊断间皮瘤被认为是不可能的,但在我们的实践中,胸水细胞学检查结合X线表现可初步确诊间皮瘤,方法是抽胸水后注入氧气,形成人工气胸,再进行X线胸片检查,明确显示肿块位置,如果发现确切的胸膜增厚及(或)胸膜肿块,并在胸水中检出片状或分散的异形间皮细胞,可以提示间皮瘤的可能。本组病例中的19例胸膜间皮瘤均为胸水细胞学检查结合X线胸片检查初步诊断,后经活检证实。
, http://www.100md.com
本组病例发病年龄平均55.45岁,比以往资料偏低,可能与自幼生长于青石棉环境,长期接触青石棉有关。肿瘤的生长部位、组织学类型和临床表现等与既往文献无差异。
本课题受卫生部科研基金资助
参 考 文 献
1 王筑移兰,刚葆琪主编.现代劳动卫生学.第1版.北京:人民卫生出版社,1994.139~143、481~487.
2 刘学泽,罗素琼,王治明,等.青石棉污染与间皮瘤.中华劳动卫生职业病杂志,1988,6:193~197.
3 罗素琼,穆世惠,周亚康,等.青石棉污染区恶性肿瘤9年回顾队列研究.中华劳动卫生职业病杂志,1997,15:272~276.
4 于国,李维华,于占洋.恶性间皮瘤的病理形态学研究.临床与实验病理学,1993,9(4):4~7.
5 谭晓明,杨光华,谭永淑.石棉诱发大鼠胸腹膜间皮瘤的病理学研究.中华病理学杂志,1991,20:187~189.
(收稿:1997-03-03 修回:1998-03-04), http://www.100md.com