锰对大鼠子代脑锥体外系发育的影响
作者:张德兴 贺新红 张文光 檀进发 黄绍明 Papps BA
单位:广东药学院基础学科部,广州 510224
关键词:锰;大鼠;脑发育;锥体外系
卫生研究\990420 摘要 母鼠及子鼠饮用含氯化锰(2g/L或10g/L)的水,研究锰对大鼠子代行为和脑锥体外系发育的影响。结果显示:(1)在“Elevated Plus Arms Maze”迷宫测试中,染锰组仔鼠从中央区进入第一臂的潜伏期缩短,但进入开放臂的次数与对照组无差异;在Morris水迷宫肌力测试中,各组动物仔鼠到达平台的时间无差异。(2)高剂量染锰组尾状核和伏隔核的面积、胶质细胞纤维酸蛋白免疫反应强度及反应阳性产物的平均相对密度均较对照组显著升高;(3)高剂量组仔鼠黑质、中脑腹侧被盖区和尾状核的酷氨酸氢氧化酶免疫反应强度及其反应阳性产物的平均相对密度均比对照组明显下降。
, 百拇医药
中图分类号 R135.1 Q593.2 O614.711
Effect of manganese on the brain extrapyramidal
development of rat offspring
Zhang Dexing,He Xinhong,Zhang Wenguang,Tan Jinfa,et al.
Guangdong College of Pharmacy,Guangzhou 510224,China
The effect of manganese (Mn)exposure on the behavior and extrapyramidal system of offspring were studied.Pregnant rats and their offspring in the experimental group were exposed to manganese from drinking water containing 2g/L (low Mn-exposed group) or 10g/L (high Mn-exposed group)of MnCl2 respectively. The latent period for running from the center field to any arm of Elevated Plus Arm Maze of both low and high Mn-exposed group was significantly reduced. But the latent period for reaching the platform above the water in Morris Water Maze of the Mn-exposed group was not different from that of control group. There was a significant increase in the areas,glial fibrillary acid protein(GFAP)immunoreactivity and the average proportional densities of GFAP-positive elements in nucleus caudate and accumbens in the high Mn-exposed group, and a significant reduction in the tyrosine hydroxylase immunoreactivity (TH) and average proportional densities of TH-positive elements in substantia nigra,ventral tegmentum area of midbrain and nucleus caudate in the high Mn-exposed group.
, 百拇医药
Key words:manganese,rat,brain development,extrapyramidal system
锰中毒患者表现为类帕金森氏病样的锥体外系受损症状[1,2]。动物实验结果表明,体内过量的锰可透过血脑屏障沉积于基底神经节等锥体外系结构内,发生相应的损害[3]。动物实验结果亦证明妊娠期间染锰可通过血胎屏障从母体进入胎儿体内[4]。为研究转运到胎儿体内的锰,能否通过胎儿的血脑屏障沉积于锥体外系结构,对其发育产生有害影响,本文给受孕大鼠口服锰,观测其子代神经精神行为和锥体外系结构的变化,为较全面地评价锰的神经发育毒性和为锰中毒地区的优生优育工作提供资料。
1 材料和方法
1.1 受试物和实验动物
, 百拇医药
氯化锰(MnCl2.4H2O)为Sigma产品,分析纯。选3月龄健康SD大鼠(取自Charies River Laboratories,Montreal,Canada),按雌雄比例为2∶1同笼交配,查到阴栓之日定为受孕零天。36只孕鼠随机分为高锰组、低锰组和对照组3组,每组12只。自然分娩后,将仔鼠调整为每窝5只(雄4、雌1)。21日龄断奶后将雌、雄分笼饲养。在室温21℃,相对湿度60%~70%和昼夜循环为12/12小时的环境条件下自由摄食。染锰途径为:从母鼠受孕零天起至仔鼠120日龄止,高和低锰组分别只供以含10g/L和2g/L的MnCl2水溶液,对照组则供以自来水。
1.2 检测指标
雌雄仔鼠分别进行观测,本文只报告雌仔鼠(每组12只)的有关指标和结果。
1.2.1 仔鼠神经精神行为测试
, http://www.100md.com
(1)精神焦虑性试验:在仔鼠120日龄时采用“Elevated Plus Arm”迷宫进行[5]。置动物于各臂之间的中央区,观测其从中央区至进入任一臂的平均潜伏期,以及在规定的时间内进入开放臂或封闭臂的次数,以及进入各臂占总次数的百分比。
(2)肌力测试:在Morris水迷宫进行[6]。于完成前6天的方位学习记忆训练试验后第7天,测试仔鼠在4次试验中到达平台的平均时间。
1.2.2 仔鼠尾状核和伏隔核的面积
仔鼠经灌流固定、脑部连续冠状面冰冻切片以及Nissl法染色制片等程序同前文[7]。从各组仔鼠的第一套Nissl染色脑片中选取相当于George等图谱的Bregma 1.60mm平面(即CC平面)和Bregma-0.26mm平面(即AC平面)的切片[8],每只仔鼠选取相邻的2片,用图象分析系统微机测量双侧尾状核和伏隔核的平均面积。
, 百拇医药
1.2.3 仔鼠尾状核和伏隔核胶质细胞纤维酸蛋白(GFAP)免疫反应
从各组仔鼠的第二套脑片中,选取相当于上述CC和AC平面的脑片,用胶质细胞纤维酸蛋白单克隆抗血清(anti-glial fibrillarry acid protein serum,anti-GFAP,Sigma,G-3893) 作免疫细胞化学反应染色(ABC法,anti-GFAP的工作浓度为1∶400)。光镜下观察GFAP反应情况,并用图象分析系统微机测量GFAP反应阳性产物的平均相对密度。
1.2.4 仔鼠中脑黑质、腹侧被盖区和尾状核的酪氨酸氢氧化酶免疫反应 从各组仔鼠的第三套脑片中,选取相当于George等图谱Bregma-4.80mm平面和上述AC平面的切片,用酪氨酸氢氧化酶单克隆抗血清(mouse anti-tyrosine hydroxylase monoclinal serum,TH,Chemicon,MAB-318)作免疫细胞化学染色(ABC法)。观察黑质、腹侧被盖区和尾状核TH免疫反应情况,并用图象分析系统微机测量TH反应阳性产物的平均相对密度。
, 百拇医药
2 结果
各组仔鼠未发生死亡和畸形,但染锰组,特别是高锰组的仔鼠的生长发育却明显迟缓,结果如前文[7]。本文只报告仔鼠神经精神行为和相关脑区神经病理学的变化情况。
2.1 锰对仔鼠神经精神行为的影响
2.1.1 “Elevated Plus Arms”迷宫测试
染锰两组仔鼠从迷宫中央至进入第一臂的平均潜伏期均较对照组缩短,但其进入开放臂的次数及其占进入各臂总次数之比则无差异。
表1 锰对仔鼠在Elevated Plus Arms迷宫活动情况的影响(x±s) 组 别
进入第一臂的
潜伏期(s)
, 百拇医药
进入开
放臂次数
进入封闭
臂次数
进入开放臂次数
/入臂总次数
对照组
8.30±3.30
8.3±2.5
15.6±2.2
0.35±0.08
低锰组
5.90±2.21(1)
, 百拇医药
7.4±2.5
15.8±5.1
0.31±0.08
高锰组
5.30±1.70(2)
8.0±2.7
15.3±3.8
0.34±0.07
注:t检验,与对照组比较,(1)P<0.05,(2)P<0.012.1.2 肌力测试
在第7天进行的Morris水迷宫肌力测试中,各组仔鼠到达平台的平均时间(s)无差异。结果分别为:对照组(7.03±3.42)s,低锰组(6.02±1.90)s,高锰组(6.23±1.60)s(P>0.05)。
, http://www.100md.com
2.2 锰对仔鼠尾状核和伏隔核面积的影响
表2表明CC平面的伏隔核面积高锰组比对照组和低锰组均明显增大,而后两组间则无差异;尾状核面积各组之间无差异。
表2 锰对尾状核、伏隔核面积的影响(x±s) mm2 组 别
CC平面
AC平面
尾状核
伏隔核
尾状核
对照组
6.80±0.84
, http://www.100md.com 2.19±0.27
10.07±0.54
低锰组
6.92±0.79
2.31±0.23(1)
10.15±0.46
高锰组
7.53±0.57
3.02±0.33(2)
10.75±0.54
注:(1)与高锰组比较,P<0.05 (2)与对照组和低锰组比较,P<0.012.3 锰对仔鼠尾状核和伏隔核GFAP免疫反应的影响
, 百拇医药
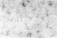
各组切片经GFAP免疫反应染色后,光镜下均可见到免疫反应阳性的胶质细胞。但高锰组仔鼠尾状核和伏膈核的GFAP反应强度均较对照组和低锰组显著增强、胶质细胞数目显著增多、胞体明显扩大、突起增多、增粗、增长(图1);而低锰组与对照组之间则无差异。图象分析系统微机测量的结果亦表明,高锰组仔鼠尾状核和伏隔核GFAP反应阳性产物的平均相对密度显著升高,如表3。
表3 锰对仔鼠尾状核和伏隔核GFAP免疫反应的影响(x±s) 组 别
AC平面尾状核
CC平面伏隔核
对照组
0.0248±0.0066
0.0087±0.0029
, http://www.100md.com 低锰组
0.0253±0.0067(1)
0.0120±0.0070(1)
高锰组
0.0506±0.0140(2)
0.0187±0.0052(2)
注:(1)低锰组与高锰组比较,P<0.05 (2)高锰组与对照组比较,P<0.01

图1 尾状核GFAP TH免疫反应染色切片 ×360
, 百拇医药
2.4 锰对仔鼠黑质、腹侧被盖区和尾状核TH免疫反应的影响
在各组仔鼠经TH免疫细胞化学反应染色后的中脑黑质、腹侧被盖区和AC平面的尾状核切片中,均可见到反应物呈灰黑色颗粒状的TH反应阳性神经细胞和神经纤维及其终末。但高锰组仔鼠黑质网状部、腹侧被盖区和尾状核的TH反应强度明显比对照组和低锰组减弱,反应阳性产物的分布亦显著稀疏(图2)。经图象分析系统微机检测,上述各区TH反应阳性产物的平均相对密度明显减少,结果见表4。与上述光镜下的形态学观察相一致。
表4 锰对中脑黑质、腹侧被盖区和尾状核TH阳性产物平均相对密度影响(x±s)
组 别
黑 质
腹侧被盖区
尾状核
, 百拇医药
外侧部
致密部
网状部
对照组
0.1724±0.759
0.6087±0.0987
0.0433±0.0022
0.5558±0.0849
0.3523±0.0830
低锰组
0.1620±0.0824
0.5942±0.0869
, 百拇医药
0.0412±0.0021(2)
0.5450±0.0912(2)
0.3384±0.0679(1)
高锰组
0.1500±0.0350
0.6069±0.0512
0.0269±0.0012(2)
0.4193±0.0812(3)
0.2479±0.0510(3)
, 百拇医药
注:低锰组与高锰组比较,(1)P<0.05 高锰组与对照组比较,(2)P<0.01 (3)P<0.001

图2 黑质网状部 TH免疫反应染色切片 ×360
3 讨论
“Elevated Plus Arms Maze”迷宫系目前测试动物精神焦虑性的一种常用方法[5]。本试验的结果显示,虽然高、低锰组仔鼠从中央区到进入第一臂的潜伏期比对照组缩短,但它们进入开放臂的次数,以及进入开放臂与入臂总数的比值均无差异,表明仔鼠的精神焦虑性未受到明显的影响。在Morris水迷宫的肌力测验中,各组仔鼠到达平台的平均时间亦无差异,表明染锰仔鼠的肌力未受严重影响。
, 百拇医药
GFAP免疫反应强度的增强和反应阳性产物平均相对密度的升高,是神经组织中神经元受损的早期信号[9,10]。本试验中高锰组仔鼠尾状核和伏隔核的GFAP反应强度和阳性产物平均相对密度均较对照组和低锰组显著加强,表明从母体经血胎屏障进入胎儿血中的锰,可透过胎儿的血脑屏障,对基底神经节的发育产生了损害性影响。基底神经节是锥体外系的重要结构,在其复杂的功能活动中,与从中脑黑质和腹侧被盖区传入的多巴胺能纤维联系,发挥着重要作用。累有实验证明,脑内锥体外系多巴胺能系统是锰在脑部沉积损害的重要靶区[3,11,12]。本试验结果表明,染锰仔鼠,特别是高锰组仔鼠黑质网状部、腹侧被盖区和尾状核的TH反应明显减弱,反应阳性产物的平均相对密度亦明显比对照组减少。进一步证实了锰经血胎屏障进入胎儿体内,再经胎儿的血脑屏障进入脑内锥体外系结构,其对发育产生损害作用的形态学基础。
尾状核和伏隔核系黑质和腹侧被盖区多巴胺能纤维投射的主要靶区。由于靶区内来源于黑质和腹侧被盖区的多巴胺能纤维及终末的损伤,导致胶质细胞的大量增生和胞体增大,突起增多增粗增长,以及伴随发生的充血、水肿等因素,促成了该两神经核面积的增大。
, http://www.100md.com
本试验中染锰仔鼠锥体外系出现的病理组织学上的改变,似与其行为的表现不相一致。但已有报告指出,由于沉积在中枢神经系统中的锰清除速度相对缓慢,故慢性锰中毒临床症状往往出现较晚[3]。本文的结果是否也反映出类似情况,这是一个值得进一步探讨的问题。
* 国家自然科学基金资助项目(No.39560072);
作者简介:张德兴,男,大学,教授,基础学科部副主任兼人体解剖学教研室主任
檀进发 黄绍明 广西医科大学解剖学教研室
Papps BA 加拿大卡尔顿大学生命科学研究中心达能营养中心
参考文献
1.Barbeau A. Manganese and extrapyramidal
, http://www.100md.com
disorders.Neurotoxicology,1984,5:13—36
2.Calne DB,Chu NS,Huang CC,et al. Manganism and idiopathic Parkinsonism:similarities and differences.Neurology,1994,44:1586—1593
3.Rabin O,Hegedus L,Bourre JM,et al.Rapid brain uptake of manganese across the blood-brain barrier.J Neurochem,1993,61(2):509—517
4.Pappas BA,Zhang DX,Davidson CM,et al.Perinatal manganese exposure:behavioral,neurochemical,and histopathological effects in the rat.Neurotoxicol Teratol,1997,19(1):17—25
, 百拇医药
5.Pellow S,Chopin P,File SE,et al.Validation of open:closed arm entries in a Elevated Plus maze as measure of anxiety in the rat.J Neurosci Meth,1985,14:149—167
6.Morris RGN,Garrud P,Pawlins JNP,et al.Place navigation impaired in rats with hippocammpus lessions.Nature,1982,297:683—691
7.张德兴,贺新红,张文光,等.锰对大鼠子代生长发育的影响.卫生研究,1998,27(4):237—241
8.George P,Charles W.The rat brain in stereotaxic coordinates.2nd Ed.Sydndy:Academic Press,1987
, http://www.100md.com
9.Ocallaghan JP.Neurotypic and gliotypic protein as biochemical markers of neurotoxicity.Neurotoxicol Teratol,1988,10(4):445—452
10.Burtrum D,Silverstein FS.Excitoxic injury stimulation glial fibrillary acid protein mRNA expression in perinatal rat brain.Exper Neurolo,1993,121:127—132
11.Yamada M,Ohno S,Okayasu I,et al.Chronic manganese poisoning:A neuropathological study with determination of manganese distribution in the brain.Acta Neuropathol.1986,70:273—278
, 百拇医药
12.Kontur PJ,Fechter LD.Brain regional manganese levels and monoamine metabolism in manganese-treated neonatal rats.Neurotoxicol Teratol,1988,10(4):295—303
13.Newland MC,Ceckler TL,Kordower JH,et al.Visualizing manganese in the primate basal ganglia with manganese resonance imaging.Exp Neurol,1989,10(6):251—257
1998-12-06收稿, 百拇医药
单位:广东药学院基础学科部,广州 510224
关键词:锰;大鼠;脑发育;锥体外系
卫生研究\990420 摘要 母鼠及子鼠饮用含氯化锰(2g/L或10g/L)的水,研究锰对大鼠子代行为和脑锥体外系发育的影响。结果显示:(1)在“Elevated Plus Arms Maze”迷宫测试中,染锰组仔鼠从中央区进入第一臂的潜伏期缩短,但进入开放臂的次数与对照组无差异;在Morris水迷宫肌力测试中,各组动物仔鼠到达平台的时间无差异。(2)高剂量染锰组尾状核和伏隔核的面积、胶质细胞纤维酸蛋白免疫反应强度及反应阳性产物的平均相对密度均较对照组显著升高;(3)高剂量组仔鼠黑质、中脑腹侧被盖区和尾状核的酷氨酸氢氧化酶免疫反应强度及其反应阳性产物的平均相对密度均比对照组明显下降。
, 百拇医药
中图分类号 R135.1 Q593.2 O614.711
Effect of manganese on the brain extrapyramidal
development of rat offspring
Zhang Dexing,He Xinhong,Zhang Wenguang,Tan Jinfa,et al.
Guangdong College of Pharmacy,Guangzhou 510224,China
The effect of manganese (Mn)exposure on the behavior and extrapyramidal system of offspring were studied.Pregnant rats and their offspring in the experimental group were exposed to manganese from drinking water containing 2g/L (low Mn-exposed group) or 10g/L (high Mn-exposed group)of MnCl2 respectively. The latent period for running from the center field to any arm of Elevated Plus Arm Maze of both low and high Mn-exposed group was significantly reduced. But the latent period for reaching the platform above the water in Morris Water Maze of the Mn-exposed group was not different from that of control group. There was a significant increase in the areas,glial fibrillary acid protein(GFAP)immunoreactivity and the average proportional densities of GFAP-positive elements in nucleus caudate and accumbens in the high Mn-exposed group, and a significant reduction in the tyrosine hydroxylase immunoreactivity (TH) and average proportional densities of TH-positive elements in substantia nigra,ventral tegmentum area of midbrain and nucleus caudate in the high Mn-exposed group.
, 百拇医药
Key words:manganese,rat,brain development,extrapyramidal system
锰中毒患者表现为类帕金森氏病样的锥体外系受损症状[1,2]。动物实验结果表明,体内过量的锰可透过血脑屏障沉积于基底神经节等锥体外系结构内,发生相应的损害[3]。动物实验结果亦证明妊娠期间染锰可通过血胎屏障从母体进入胎儿体内[4]。为研究转运到胎儿体内的锰,能否通过胎儿的血脑屏障沉积于锥体外系结构,对其发育产生有害影响,本文给受孕大鼠口服锰,观测其子代神经精神行为和锥体外系结构的变化,为较全面地评价锰的神经发育毒性和为锰中毒地区的优生优育工作提供资料。
1 材料和方法
1.1 受试物和实验动物
, 百拇医药
氯化锰(MnCl2.4H2O)为Sigma产品,分析纯。选3月龄健康SD大鼠(取自Charies River Laboratories,Montreal,Canada),按雌雄比例为2∶1同笼交配,查到阴栓之日定为受孕零天。36只孕鼠随机分为高锰组、低锰组和对照组3组,每组12只。自然分娩后,将仔鼠调整为每窝5只(雄4、雌1)。21日龄断奶后将雌、雄分笼饲养。在室温21℃,相对湿度60%~70%和昼夜循环为12/12小时的环境条件下自由摄食。染锰途径为:从母鼠受孕零天起至仔鼠120日龄止,高和低锰组分别只供以含10g/L和2g/L的MnCl2水溶液,对照组则供以自来水。
1.2 检测指标
雌雄仔鼠分别进行观测,本文只报告雌仔鼠(每组12只)的有关指标和结果。
1.2.1 仔鼠神经精神行为测试
, http://www.100md.com
(1)精神焦虑性试验:在仔鼠120日龄时采用“Elevated Plus Arm”迷宫进行[5]。置动物于各臂之间的中央区,观测其从中央区至进入任一臂的平均潜伏期,以及在规定的时间内进入开放臂或封闭臂的次数,以及进入各臂占总次数的百分比。
(2)肌力测试:在Morris水迷宫进行[6]。于完成前6天的方位学习记忆训练试验后第7天,测试仔鼠在4次试验中到达平台的平均时间。
1.2.2 仔鼠尾状核和伏隔核的面积
仔鼠经灌流固定、脑部连续冠状面冰冻切片以及Nissl法染色制片等程序同前文[7]。从各组仔鼠的第一套Nissl染色脑片中选取相当于George等图谱的Bregma 1.60mm平面(即CC平面)和Bregma-0.26mm平面(即AC平面)的切片[8],每只仔鼠选取相邻的2片,用图象分析系统微机测量双侧尾状核和伏隔核的平均面积。
, 百拇医药
1.2.3 仔鼠尾状核和伏隔核胶质细胞纤维酸蛋白(GFAP)免疫反应
从各组仔鼠的第二套脑片中,选取相当于上述CC和AC平面的脑片,用胶质细胞纤维酸蛋白单克隆抗血清(anti-glial fibrillarry acid protein serum,anti-GFAP,Sigma,G-3893) 作免疫细胞化学反应染色(ABC法,anti-GFAP的工作浓度为1∶400)。光镜下观察GFAP反应情况,并用图象分析系统微机测量GFAP反应阳性产物的平均相对密度。
1.2.4 仔鼠中脑黑质、腹侧被盖区和尾状核的酪氨酸氢氧化酶免疫反应 从各组仔鼠的第三套脑片中,选取相当于George等图谱Bregma-4.80mm平面和上述AC平面的切片,用酪氨酸氢氧化酶单克隆抗血清(mouse anti-tyrosine hydroxylase monoclinal serum,TH,Chemicon,MAB-318)作免疫细胞化学染色(ABC法)。观察黑质、腹侧被盖区和尾状核TH免疫反应情况,并用图象分析系统微机测量TH反应阳性产物的平均相对密度。
, 百拇医药
2 结果
各组仔鼠未发生死亡和畸形,但染锰组,特别是高锰组的仔鼠的生长发育却明显迟缓,结果如前文[7]。本文只报告仔鼠神经精神行为和相关脑区神经病理学的变化情况。
2.1 锰对仔鼠神经精神行为的影响
2.1.1 “Elevated Plus Arms”迷宫测试
染锰两组仔鼠从迷宫中央至进入第一臂的平均潜伏期均较对照组缩短,但其进入开放臂的次数及其占进入各臂总次数之比则无差异。
表1 锰对仔鼠在Elevated Plus Arms迷宫活动情况的影响(x±s) 组 别
进入第一臂的
潜伏期(s)
, 百拇医药
进入开
放臂次数
进入封闭
臂次数
进入开放臂次数
/入臂总次数
对照组
8.30±3.30
8.3±2.5
15.6±2.2
0.35±0.08
低锰组
5.90±2.21(1)
, 百拇医药
7.4±2.5
15.8±5.1
0.31±0.08
高锰组
5.30±1.70(2)
8.0±2.7
15.3±3.8
0.34±0.07
注:t检验,与对照组比较,(1)P<0.05,(2)P<0.012.1.2 肌力测试
在第7天进行的Morris水迷宫肌力测试中,各组仔鼠到达平台的平均时间(s)无差异。结果分别为:对照组(7.03±3.42)s,低锰组(6.02±1.90)s,高锰组(6.23±1.60)s(P>0.05)。
, http://www.100md.com
2.2 锰对仔鼠尾状核和伏隔核面积的影响
表2表明CC平面的伏隔核面积高锰组比对照组和低锰组均明显增大,而后两组间则无差异;尾状核面积各组之间无差异。
表2 锰对尾状核、伏隔核面积的影响(x±s) mm2 组 别
CC平面
AC平面
尾状核
伏隔核
尾状核
对照组
6.80±0.84
, http://www.100md.com 2.19±0.27
10.07±0.54
低锰组
6.92±0.79
2.31±0.23(1)
10.15±0.46
高锰组
7.53±0.57
3.02±0.33(2)
10.75±0.54
注:(1)与高锰组比较,P<0.05 (2)与对照组和低锰组比较,P<0.012.3 锰对仔鼠尾状核和伏隔核GFAP免疫反应的影响
, 百拇医药
各组切片经GFAP免疫反应染色后,光镜下均可见到免疫反应阳性的胶质细胞。但高锰组仔鼠尾状核和伏膈核的GFAP反应强度均较对照组和低锰组显著增强、胶质细胞数目显著增多、胞体明显扩大、突起增多、增粗、增长(图1);而低锰组与对照组之间则无差异。图象分析系统微机测量的结果亦表明,高锰组仔鼠尾状核和伏隔核GFAP反应阳性产物的平均相对密度显著升高,如表3。
表3 锰对仔鼠尾状核和伏隔核GFAP免疫反应的影响(x±s) 组 别
AC平面尾状核
CC平面伏隔核
对照组
0.0248±0.0066
0.0087±0.0029
, http://www.100md.com 低锰组
0.0253±0.0067(1)
0.0120±0.0070(1)
高锰组
0.0506±0.0140(2)
0.0187±0.0052(2)
注:(1)低锰组与高锰组比较,P<0.05 (2)高锰组与对照组比较,P<0.01
图1 尾状核GFAP TH免疫反应染色切片 ×360
, 百拇医药
2.4 锰对仔鼠黑质、腹侧被盖区和尾状核TH免疫反应的影响
在各组仔鼠经TH免疫细胞化学反应染色后的中脑黑质、腹侧被盖区和AC平面的尾状核切片中,均可见到反应物呈灰黑色颗粒状的TH反应阳性神经细胞和神经纤维及其终末。但高锰组仔鼠黑质网状部、腹侧被盖区和尾状核的TH反应强度明显比对照组和低锰组减弱,反应阳性产物的分布亦显著稀疏(图2)。经图象分析系统微机检测,上述各区TH反应阳性产物的平均相对密度明显减少,结果见表4。与上述光镜下的形态学观察相一致。
表4 锰对中脑黑质、腹侧被盖区和尾状核TH阳性产物平均相对密度影响(x±s)
组 别
黑 质
腹侧被盖区
尾状核
, 百拇医药
外侧部
致密部
网状部
对照组
0.1724±0.759
0.6087±0.0987
0.0433±0.0022
0.5558±0.0849
0.3523±0.0830
低锰组
0.1620±0.0824
0.5942±0.0869
, 百拇医药
0.0412±0.0021(2)
0.5450±0.0912(2)
0.3384±0.0679(1)
高锰组
0.1500±0.0350
0.6069±0.0512
0.0269±0.0012(2)
0.4193±0.0812(3)
0.2479±0.0510(3)
, 百拇医药
注:低锰组与高锰组比较,(1)P<0.05 高锰组与对照组比较,(2)P<0.01 (3)P<0.001
图2 黑质网状部 TH免疫反应染色切片 ×360
3 讨论
“Elevated Plus Arms Maze”迷宫系目前测试动物精神焦虑性的一种常用方法[5]。本试验的结果显示,虽然高、低锰组仔鼠从中央区到进入第一臂的潜伏期比对照组缩短,但它们进入开放臂的次数,以及进入开放臂与入臂总数的比值均无差异,表明仔鼠的精神焦虑性未受到明显的影响。在Morris水迷宫的肌力测验中,各组仔鼠到达平台的平均时间亦无差异,表明染锰仔鼠的肌力未受严重影响。
, 百拇医药
GFAP免疫反应强度的增强和反应阳性产物平均相对密度的升高,是神经组织中神经元受损的早期信号[9,10]。本试验中高锰组仔鼠尾状核和伏隔核的GFAP反应强度和阳性产物平均相对密度均较对照组和低锰组显著加强,表明从母体经血胎屏障进入胎儿血中的锰,可透过胎儿的血脑屏障,对基底神经节的发育产生了损害性影响。基底神经节是锥体外系的重要结构,在其复杂的功能活动中,与从中脑黑质和腹侧被盖区传入的多巴胺能纤维联系,发挥着重要作用。累有实验证明,脑内锥体外系多巴胺能系统是锰在脑部沉积损害的重要靶区[3,11,12]。本试验结果表明,染锰仔鼠,特别是高锰组仔鼠黑质网状部、腹侧被盖区和尾状核的TH反应明显减弱,反应阳性产物的平均相对密度亦明显比对照组减少。进一步证实了锰经血胎屏障进入胎儿体内,再经胎儿的血脑屏障进入脑内锥体外系结构,其对发育产生损害作用的形态学基础。
尾状核和伏隔核系黑质和腹侧被盖区多巴胺能纤维投射的主要靶区。由于靶区内来源于黑质和腹侧被盖区的多巴胺能纤维及终末的损伤,导致胶质细胞的大量增生和胞体增大,突起增多增粗增长,以及伴随发生的充血、水肿等因素,促成了该两神经核面积的增大。
, http://www.100md.com
本试验中染锰仔鼠锥体外系出现的病理组织学上的改变,似与其行为的表现不相一致。但已有报告指出,由于沉积在中枢神经系统中的锰清除速度相对缓慢,故慢性锰中毒临床症状往往出现较晚[3]。本文的结果是否也反映出类似情况,这是一个值得进一步探讨的问题。
* 国家自然科学基金资助项目(No.39560072);
作者简介:张德兴,男,大学,教授,基础学科部副主任兼人体解剖学教研室主任
檀进发 黄绍明 广西医科大学解剖学教研室
Papps BA 加拿大卡尔顿大学生命科学研究中心达能营养中心
参考文献
1.Barbeau A. Manganese and extrapyramidal
, http://www.100md.com
disorders.Neurotoxicology,1984,5:13—36
2.Calne DB,Chu NS,Huang CC,et al. Manganism and idiopathic Parkinsonism:similarities and differences.Neurology,1994,44:1586—1593
3.Rabin O,Hegedus L,Bourre JM,et al.Rapid brain uptake of manganese across the blood-brain barrier.J Neurochem,1993,61(2):509—517
4.Pappas BA,Zhang DX,Davidson CM,et al.Perinatal manganese exposure:behavioral,neurochemical,and histopathological effects in the rat.Neurotoxicol Teratol,1997,19(1):17—25
, 百拇医药
5.Pellow S,Chopin P,File SE,et al.Validation of open:closed arm entries in a Elevated Plus maze as measure of anxiety in the rat.J Neurosci Meth,1985,14:149—167
6.Morris RGN,Garrud P,Pawlins JNP,et al.Place navigation impaired in rats with hippocammpus lessions.Nature,1982,297:683—691
7.张德兴,贺新红,张文光,等.锰对大鼠子代生长发育的影响.卫生研究,1998,27(4):237—241
8.George P,Charles W.The rat brain in stereotaxic coordinates.2nd Ed.Sydndy:Academic Press,1987
, http://www.100md.com
9.Ocallaghan JP.Neurotypic and gliotypic protein as biochemical markers of neurotoxicity.Neurotoxicol Teratol,1988,10(4):445—452
10.Burtrum D,Silverstein FS.Excitoxic injury stimulation glial fibrillary acid protein mRNA expression in perinatal rat brain.Exper Neurolo,1993,121:127—132
11.Yamada M,Ohno S,Okayasu I,et al.Chronic manganese poisoning:A neuropathological study with determination of manganese distribution in the brain.Acta Neuropathol.1986,70:273—278
, 百拇医药
12.Kontur PJ,Fechter LD.Brain regional manganese levels and monoamine metabolism in manganese-treated neonatal rats.Neurotoxicol Teratol,1988,10(4):295—303
13.Newland MC,Ceckler TL,Kordower JH,et al.Visualizing manganese in the primate basal ganglia with manganese resonance imaging.Exp Neurol,1989,10(6):251—257
1998-12-06收稿, 百拇医药