烟雾吸入伤后肺表面活性物质活性与蛋白的关系(论著)
作者:谢尔凡 杨宗城 黎鳌
单位:630038 重庆市,第三军医大学西南医院烧伤研究所
关键词:肺表面活性物质;;;表面张力;;蛋白;;肺损伤;;;烧伤;吸入性
中华航海医学杂志/980211
摘要 目的:探讨急性烟雾吸入伤后肺表面活性物质(PS)功能活性抑制与蛋白
的关系。方法:采用大鼠烟雾吸入伤模型,分别检测了正常对照及致伤2、6、12和24小时动物的静态肺顺应性、支气管肺泡灌洗液(BALF)表面张力活性、BALF中超氧化歧化酶活性、丙二醛、总蛋白(TP)、总磷脂(TPL)、纤维蛋白原
(Fig)和纤维蛋白(原)降解产物(FDP)含量。结果:动物伤后肺顺应性显著降
, 百拇医药
低;BALF的最小表面张力进行性升高。滞后环面积、稳定指数和恢复系数进
行性下降,BALF中TP、TPL、Fig和FDP水平均明显升高,最小表面张力和肺顺
应性的变化与TP/TPL比值的改变相关显著。结论:血浆蛋白、特别是Fig和FDP
的抑制作用可能是烟雾吸入伤后继发性PS功能活性降低的主要原因之一。Relationship between the activity of pulmonary surfactant and
plasma proteins after smoke inhalation Xie Erfan,Yang Zongcheng,Li Ao.Institute of Burn Research,Southwestern Hospital,Third Military
, 百拇医药
Medical University,Chongqing 630038
Abstract Aim:To evaluate the relationship between the activity of pulmonary
surfactant(PS) and plasma proteins after acute smoke inhalation injury.Methods:
With the use of a rat smoke inhalation injury model,the static lung compliance,the
surface tension and superoxide dismutase activities of bronchoalveolar lavage
, http://www.100md.com
fluid(BALF),the contents of malondialdehyde,total protein(TP),total phospholipids
(TPL),fibrinogen(Fig) and fibrin(fibrinogen)degradation products(FDP)were
determined in normal control and injured animals at 2 h,6 h,12 h and 24 h
respectively after injury.Results:After smoke inhalation,the static lung compliance
decreased dramatically.The minimum surface tension(STmin)of BALF increased,while its hysteresis area,stability index and recruitment index decreased
, 百拇医药
progressively.The contents of TP,TPL,Fig and FDP in BALF increased
markedly.There were significant correlations between the changes of TP/TPL
ratio and the changes of STmin and static lung compliance.Conclusion:The
inhibitory effect of plasma proteins,especially the Fig and FDP,could be one
of the main causes of the decrease of secondary PS functional activity after
, 百拇医药
smoke inhalation injury.
Key words Pulmonary surfactant Surface tension Protein
Lung injury Burns,inhalation
(Chin J Naut Med,1998,5:86)
肺表面活性物质(PS)是维持正常肺功能的基础。既往研究发现,烟雾吸入
伤后PS活性进行性降低,并与肺损害的发生发展有关[1],但对PS活性降低的
机理尚未完全阐明。本实验通过动态观察大鼠烟雾吸入伤后PS功能活性的变化,以探讨血浆蛋白类抑制物对PS活性的抑制作用。
, http://www.100md.com
材料和方法
一、动物分组及致伤
290±10 g健康雄性Wistar大鼠50只,随机分为正常对照组及伤后2、6、12和24小时活杀组,每组10只。按本所模型制作重度烟雾吸入伤[2]。
二、检测指标和方法
1.静态肺顺应性:动物活杀后立即开胸,以水检压计测定总肺顺应性(C2.94)
和低容量肺顺应性(C0.49),并根据公式计算扩张指数(EI)[1]。EI是反
映PS和肺泡结构稳定性的指标,EI越大,肺泡越稳定。
, 百拇医药
2.支气管肺泡灌洗液(BALF)表面张力特性:动物活杀后经气管插管注入0.9%NaCl
行定量支气管肺泡灌洗,每次30 ml/kg,重复5次,总回收率90.6%±1.4%。BALF
经单层纱布过滤,1 100 r/min离心10分钟,取部分上清液贮-20 ℃待测。另取
上清液用我所研制的改良型Wilhelmy膜天平测定其最大表面张力(STmax)、最小
表面张力(STmin)和滞后环面积(Ha),并根据公式分别计算稳定指数(SI)和恢复
系数(RI)[1]。SI反映了PS表面单分子膜在低表面张力下的稳定性,RI则反映
单分子膜从STmin恢复到STmax过程中的扩张特性,均以值大为佳。
, 百拇医药
3.BALF生化指标检测:超氧化物歧化酶(SOD)活性及丙二醛(MDA)含量分别采用羟
胺氧化法和硫代巴比妥酸法测定,并计算MDA/SOD比值,试剂盒由南京建成生物
工程研究所提供;总蛋白(TP)和总磷脂(TPL)含量分别以Lowry法和定磷法测定,并计算TP/TPL比值;纤维蛋白原(Fig)和纤蛋白(原)降解产物(FDP)含量均以双抗
体夹心酶联免疫吸附测定法检测,试剂盒由苏州医学院血栓与止血研究室提供。
4.常规大体、光镜及透射电镜病理检查。
三、统计学处理
采用华西医科大学PEMS2.0医用统计软件包在微机上行单因素方差分析、t检
, http://www.100md.com
验及直线相关分析。
结 果
一、静态肺顺应性
肺静态顺应性指标伤后呈进行性下降,以C0.49和EI下降早而明显,2
小时已明显低于正常对照,24小时降至最低(表1)。
表1 伤后静态肺顺应性的变化(
±s)
Tab.1 Changes of static lung compliance after injury
, http://www.100md.com
对 照
control
伤后时间time after injury(h)
2
6
12
24
C2.94(ml*kPa-1*kg-1)
26.48±2.91
23.06±3.82
16.83±3.14**
, http://www.100md.com
17.64±3.56**
16.12±2.89**
C0.49(ml*kPa-1*kg-1)
86.47±5.58
60.76±6.47**
43.01±5.86**
47.14±7.31**
41.26±6.92**
EI
, 百拇医药
0.59±0.03
0.46±0.10**
0.35±0.08**
0.38±0.07**
0.32±0.04**
与对照比较υs control **P<0.01
二、BALF表面张力特性
伤后STmin迅速升高,2小时已大于正常对照4倍,且持续增加至24小时;同
时Ha、SI和RI则呈进行性下降,2小时已显著低于正常对照,并持续降低至24小
, 百拇医药
时。虽然伤后STmax有下降趋势,但与正常对照比较无统计学差异(表2)。
三、BALF中TP、TPL、Fig和FDP含量及TP/TPL比值
伤后TP和TPL含量均迅速升高,分别于12和6小时达高峰时超过正常对照14
倍和2倍,并保持高水平至24小时;同时TP/TPL比值也呈进行性升高,2小时已
明显高于正常对照,12~24小时形成类似高峰平台。Fig和FDP含量均显著增加,12小时达高峰,至24小时仍明显高于正常对照(表3)。
表2 伤后BALF表面张力特性的变化(
±s)
, 百拇医药
Tab.2 Changes of surface tension properties of BALF after injury
对 照
control
伤后时间time after injury(h)
2
6
12
24
MAX(Mn/M)
58.37±4.28
, 百拇医药
52.81±5.25
57.98±7.32
55.03±5.49
52.75±4.07
STmin(mN/m)
6.16±1.75
26.43±4.71**
34.75±5.64**
30.82±4.57**
39.46±5.42**
, 百拇医药
Ha(mN·min)
32.83±2.45
23.39±3.16**
14.60±2.71**
17.46±2.58**
11.37±2.24**
SI
1.63±0.21
0.68±0.10**
0.51±0.06**
, http://www.100md.com
0.57±0.08**
0.31±0.07**
RI
6.54±0.87
3.28±0.95**
2.19±0.64**
2.61±0.83**
1.83±0.52**
与对照比较υs control **P<0.01
表3 伤后BALF中TP、TPL、Fig和FDP含量及TP/TPL比值的变化(
±s)
, http://www.100md.com
Tab.3 Changes of TP,TPL,Fig,FDP contents and TP/TPL ratio in BALF after injury
对 照
control
伤后时间time after injury(h)
2
6
12
24
TP(g/L)
0.13±0.03
, 百拇医药
0.40±0.12**
1.44±0.28**
1.84±0.37**
1.49±0.36**
TPL(mg/L)
76.53±7.28
103.05±13.23**
151.22±18.74**
144.69±16.08**
, 百拇医药
118.28±11.69**
TP/TPL
1.69±0.18
3.01±0.42**
9.47±1.25**
12.72±1.81**
12.60±1.52**
Fig(μg/L)
2.03±0.26
5.08±0.55**
, 百拇医药
10.56±1.37**
16.01±1.56**
12.33±1.21**
FDP(ng/L)
7.35±0.51
11.58±0.94**
18.06±1.43**
32.62±2.65**
24.15±1.82**
, http://www.100md.com 与对照比较υs control **P<0.01
四、病理检查
大体见伤后肺明显充血、出血、水肿、及灶性肺萎陷等,BALF中可见大量
红细胞及细胞碎片。光镜下肺内大量炎细胞聚集、浸润,肺充血、出血、萎陷、水肿、甚至透明膜形成。电镜见血管内皮细胞、肺泡上皮细胞及间质纤维结构
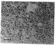
破坏,肺泡上皮细胞腔面有纤维蛋白样物附着(图1,图2)。
图1 伤后6小时,肺内大量炎细胞聚集、浸润,肺泡腔充满水肿液和红细胞,肺实变 HE
Fig1 6 hours after injury,numerous inflammatory cells aggregated and infiltrated
, 百拇医药
in the lungs with consolidation,and the alveolar spaces were flooded with
edematous fluid and red blood cells
五、相关分析
1.STmin的增加与BALF中TP/TPL比值的升高相关显著(r=0.8857 P<0.05)。
2.BALF中TP和TP/TPL比值的升高均分别与C2.94(r=-0.9417,-0.9511)、C0.49(r=-0.8824,-0.8946)和EI(r=-0.8796,-0.9069)
的降低呈明显负相关(P均<0.05)。
, 百拇医药
图2 伤后6小时,肺泡腔(Alv)内纤维蛋白样物
(↑示)附着于肺泡上皮细胞(Ep)腔面
Fig2 6 hours after injury,fibrinoid substance (↑shown) in alveolar space(Alv)
adhered to the surface of alveolar epithelial cells(Ep)
讨 论
许多急、慢性呼吸系疾病均有PS活性变化。Hall等[3]认为PS活性抑制
主要有两种类型:① PS吸附于气液界面被阻断;② PS单分子膜动态循环压
, 百拇医药
缩—扩张过程中失稳定。烟雾吸入伤后PS活性降低可能与这两种抑制作用均有关。
一、烟雾的直接作用
已证实,煤油、木材烟雾及其主要成分丙烯醛、异丁醛等均能直接抑制PS
活性[4]。烟雾中有许多氧化物及氧自由基,它们可致PS氧化失活[5]。烟
雾颗粒含大量脂肪酸,它们可通过掺入PS磷脂分子之间,使表面膜失稳定而致
PS失活[6]。
二、伤后血浆蛋白类抑制物的作用
血浆蛋白属吸附性抑制剂,包括白蛋白、免疫球蛋白、弹性蛋白、C-反应
, 百拇医药
蛋白、Fig、FDP等,它们能比PS更快地吸附于气液界面,从而阻断了PS的进一
步吸附与活性发挥。其中Fig和FDP的抑制作用最强,而白蛋白较弱。吸附性抑
制作用的大小与PS或抑制物的绝对量关系较小,主要取决于两者的浓度比[7,8]。
本研究发现,吸入伤后大量蛋白性水肿液在肺泡腔内积聚,BALF中不仅TP明显
升高,而且TP/TPL比值进行性增加,提示抑制物相对浓度明显升高,正常的蛋
白—PS比率被打破;相关分析显示,STmin升高与BALF中TP增加无明显关系,但却与TP/TPL比值升高呈显著正相关,而C2.94、C0.94和EI的变化均与TP及TPL
, 百拇医药
相关显著,表明蛋白抑制作用在吸入伤后PS失活及肺功能损害中有重要意义。
近来注意到,急性肺损伤中Fig和FDP对PS的抑制作用具有特殊重要性。肺
泡毛细血管膜通透性增加、组织细胞坏死释放凝血因子、以及肺泡巨噬细胞激
活表达大量Ⅶ因子,导致肺泡腔微环境内凝血—纤溶失平衡,转变为以前凝血
因子占优势;同时肺损伤后,肺泡内主要的纤溶激活因子尿激酶型纤溶酶原激
酶降低,纤溶蛋白激酶抑制因子1水平升高,从而使纤溶活性抑制。以上两方面
共同作用,引起肺泡内纤维蛋白凝固[9]。纤维蛋白在聚合过程中,可将PS磷
, 百拇医药
脂掺入不溶性凝块,导致可利用的PS大量丢失,引起比吸附性抑制更严重的失
活。本研究发现,吸入伤后BALF中Fig和FDP水平均呈进行性升高,电镜可见肺
泡腔内纤维蛋白样物附着于上皮细胞腔面,提示Fig和FDP可能通过吸附性抑制
和(或)将PS包埋而参与伤后PS的失活。
实验中可见烟雾吸入伤后普遍存在不同程度的肺出血现象,BALF中也可见
大量红细胞及细胞碎片,而血红蛋白和细胞膜脂质均对PS活性有强烈抑制作用[10]。
在急性肺损伤患者,BALF中可检出高水平糖脂,体外检测糖脂可降低PS活性,但吸入伤后BALF中糖脂的变化尚未见报道。
, 百拇医药
另外,PS中磷脂含量、组分、特异性PS相关蛋白、肺泡内PS亚型等的变化
也可能对吸入伤后PS的活性有直接影响,我们将另文报道。
本课题为全军“八五”指令性攻关资助项目(课题编号:91Z009-0009)
参 考 文 献
1 谢尔凡,杨宗城,黎鳌.大鼠烟雾吸入伤后肺表面活性物质功能活性的变化及
作用.中华航海医学杂志,1997,4:75-78.
2 谢尔凡,杨宗城,王敦,等.大鼠烟雾吸入性损伤模型的制作.中国实验动物学
杂志,1994,4:219-222.
, http://www.100md.com
3 Hall SB,Lu RZ,Venkitaraman R,et al.Inhibition of pulmonary surfactant
by oleic acid:mechanisms and characteritics.J Appl Physiol,1992,72:1708-1716.
4 Nieman GF,Clark WR.Effect of wood and cotton smoke on the surface
properties of pulmonary surfactant.Respir Physiol,1994,97:1-12.
5 Seeger W,Lepper H,Wolf HRD,et al.Alteration of alveolar surfactant
, 百拇医药
function after exposure to oxidative stress and to oxygenated and native
arachidonic acid in vitro.Biochem Biophys Acta,1985,835:58-67.
6 Kinsella J.Smoke inhalation.Burns,1988,14:269-279.
7 Holm BA,Notter RH,Finkelstein JN.Surface property changes from
interactions of albumin with natural lung surfactant and extracted lung lipids.
, http://www.100md.com
Chem Phys Lipids,1985,38:287-298.
8 Fuchimukai T,Fujiwara T,Takahashi A,et al.Artificial pulmonary
surfactant inhibited by proteins.J Appl Physiol,1987,62:429-437.
9 Idell S,James KK,Levin EG,et al.Local abnormalities in coagulation
and fibrinolytic pathways predispose to alveoalar fibrin deposition in the
adult respiratory distress syndrome.J Clin Invest,1989,84:695-705.
10 Holm BA,Notter RH.Effects of hemoglobin and cell membrane
lipids on pulmonary surfactant activity.J Appl Physiol,1987,63:1434-1442.
(收稿:1997-09-01), http://www.100md.com
单位:630038 重庆市,第三军医大学西南医院烧伤研究所
关键词:肺表面活性物质;;;表面张力;;蛋白;;肺损伤;;;烧伤;吸入性
中华航海医学杂志/980211
摘要 目的:探讨急性烟雾吸入伤后肺表面活性物质(PS)功能活性抑制与蛋白
的关系。方法:采用大鼠烟雾吸入伤模型,分别检测了正常对照及致伤2、6、12和24小时动物的静态肺顺应性、支气管肺泡灌洗液(BALF)表面张力活性、BALF中超氧化歧化酶活性、丙二醛、总蛋白(TP)、总磷脂(TPL)、纤维蛋白原
(Fig)和纤维蛋白(原)降解产物(FDP)含量。结果:动物伤后肺顺应性显著降
, 百拇医药
低;BALF的最小表面张力进行性升高。滞后环面积、稳定指数和恢复系数进
行性下降,BALF中TP、TPL、Fig和FDP水平均明显升高,最小表面张力和肺顺
应性的变化与TP/TPL比值的改变相关显著。结论:血浆蛋白、特别是Fig和FDP
的抑制作用可能是烟雾吸入伤后继发性PS功能活性降低的主要原因之一。Relationship between the activity of pulmonary surfactant and
plasma proteins after smoke inhalation Xie Erfan,Yang Zongcheng,Li Ao.Institute of Burn Research,Southwestern Hospital,Third Military
, 百拇医药
Medical University,Chongqing 630038
Abstract Aim:To evaluate the relationship between the activity of pulmonary
surfactant(PS) and plasma proteins after acute smoke inhalation injury.Methods:
With the use of a rat smoke inhalation injury model,the static lung compliance,the
surface tension and superoxide dismutase activities of bronchoalveolar lavage
, http://www.100md.com
fluid(BALF),the contents of malondialdehyde,total protein(TP),total phospholipids
(TPL),fibrinogen(Fig) and fibrin(fibrinogen)degradation products(FDP)were
determined in normal control and injured animals at 2 h,6 h,12 h and 24 h
respectively after injury.Results:After smoke inhalation,the static lung compliance
decreased dramatically.The minimum surface tension(STmin)of BALF increased,while its hysteresis area,stability index and recruitment index decreased
, 百拇医药
progressively.The contents of TP,TPL,Fig and FDP in BALF increased
markedly.There were significant correlations between the changes of TP/TPL
ratio and the changes of STmin and static lung compliance.Conclusion:The
inhibitory effect of plasma proteins,especially the Fig and FDP,could be one
of the main causes of the decrease of secondary PS functional activity after
, 百拇医药
smoke inhalation injury.
Key words Pulmonary surfactant Surface tension Protein
Lung injury Burns,inhalation
(Chin J Naut Med,1998,5:86)
肺表面活性物质(PS)是维持正常肺功能的基础。既往研究发现,烟雾吸入
伤后PS活性进行性降低,并与肺损害的发生发展有关[1],但对PS活性降低的
机理尚未完全阐明。本实验通过动态观察大鼠烟雾吸入伤后PS功能活性的变化,以探讨血浆蛋白类抑制物对PS活性的抑制作用。
, http://www.100md.com
材料和方法
一、动物分组及致伤
290±10 g健康雄性Wistar大鼠50只,随机分为正常对照组及伤后2、6、12和24小时活杀组,每组10只。按本所模型制作重度烟雾吸入伤[2]。
二、检测指标和方法
1.静态肺顺应性:动物活杀后立即开胸,以水检压计测定总肺顺应性(C2.94)
和低容量肺顺应性(C0.49),并根据公式计算扩张指数(EI)[1]。EI是反
映PS和肺泡结构稳定性的指标,EI越大,肺泡越稳定。
, 百拇医药
2.支气管肺泡灌洗液(BALF)表面张力特性:动物活杀后经气管插管注入0.9%NaCl
行定量支气管肺泡灌洗,每次30 ml/kg,重复5次,总回收率90.6%±1.4%。BALF
经单层纱布过滤,1 100 r/min离心10分钟,取部分上清液贮-20 ℃待测。另取
上清液用我所研制的改良型Wilhelmy膜天平测定其最大表面张力(STmax)、最小
表面张力(STmin)和滞后环面积(Ha),并根据公式分别计算稳定指数(SI)和恢复
系数(RI)[1]。SI反映了PS表面单分子膜在低表面张力下的稳定性,RI则反映
单分子膜从STmin恢复到STmax过程中的扩张特性,均以值大为佳。
, 百拇医药
3.BALF生化指标检测:超氧化物歧化酶(SOD)活性及丙二醛(MDA)含量分别采用羟
胺氧化法和硫代巴比妥酸法测定,并计算MDA/SOD比值,试剂盒由南京建成生物
工程研究所提供;总蛋白(TP)和总磷脂(TPL)含量分别以Lowry法和定磷法测定,并计算TP/TPL比值;纤维蛋白原(Fig)和纤蛋白(原)降解产物(FDP)含量均以双抗
体夹心酶联免疫吸附测定法检测,试剂盒由苏州医学院血栓与止血研究室提供。
4.常规大体、光镜及透射电镜病理检查。
三、统计学处理
采用华西医科大学PEMS2.0医用统计软件包在微机上行单因素方差分析、t检
, http://www.100md.com
验及直线相关分析。
结 果
一、静态肺顺应性
肺静态顺应性指标伤后呈进行性下降,以C0.49和EI下降早而明显,2
小时已明显低于正常对照,24小时降至最低(表1)。
表1 伤后静态肺顺应性的变化(
Tab.1 Changes of static lung compliance after injury
, http://www.100md.com
对 照
control
伤后时间time after injury(h)
2
6
12
24
C2.94(ml*kPa-1*kg-1)
26.48±2.91
23.06±3.82
16.83±3.14**
, http://www.100md.com
17.64±3.56**
16.12±2.89**
C0.49(ml*kPa-1*kg-1)
86.47±5.58
60.76±6.47**
43.01±5.86**
47.14±7.31**
41.26±6.92**
EI
, 百拇医药
0.59±0.03
0.46±0.10**
0.35±0.08**
0.38±0.07**
0.32±0.04**
与对照比较υs control **P<0.01
二、BALF表面张力特性
伤后STmin迅速升高,2小时已大于正常对照4倍,且持续增加至24小时;同
时Ha、SI和RI则呈进行性下降,2小时已显著低于正常对照,并持续降低至24小
, 百拇医药
时。虽然伤后STmax有下降趋势,但与正常对照比较无统计学差异(表2)。
三、BALF中TP、TPL、Fig和FDP含量及TP/TPL比值
伤后TP和TPL含量均迅速升高,分别于12和6小时达高峰时超过正常对照14
倍和2倍,并保持高水平至24小时;同时TP/TPL比值也呈进行性升高,2小时已
明显高于正常对照,12~24小时形成类似高峰平台。Fig和FDP含量均显著增加,12小时达高峰,至24小时仍明显高于正常对照(表3)。
表2 伤后BALF表面张力特性的变化(
, 百拇医药
Tab.2 Changes of surface tension properties of BALF after injury
对 照
control
伤后时间time after injury(h)
2
6
12
24
MAX(Mn/M)
58.37±4.28
, 百拇医药
52.81±5.25
57.98±7.32
55.03±5.49
52.75±4.07
STmin(mN/m)
6.16±1.75
26.43±4.71**
34.75±5.64**
30.82±4.57**
39.46±5.42**
, 百拇医药
Ha(mN·min)
32.83±2.45
23.39±3.16**
14.60±2.71**
17.46±2.58**
11.37±2.24**
SI
1.63±0.21
0.68±0.10**
0.51±0.06**
, http://www.100md.com
0.57±0.08**
0.31±0.07**
RI
6.54±0.87
3.28±0.95**
2.19±0.64**
2.61±0.83**
1.83±0.52**
与对照比较υs control **P<0.01
表3 伤后BALF中TP、TPL、Fig和FDP含量及TP/TPL比值的变化(
, http://www.100md.com
Tab.3 Changes of TP,TPL,Fig,FDP contents and TP/TPL ratio in BALF after injury
对 照
control
伤后时间time after injury(h)
2
6
12
24
TP(g/L)
0.13±0.03
, 百拇医药
0.40±0.12**
1.44±0.28**
1.84±0.37**
1.49±0.36**
TPL(mg/L)
76.53±7.28
103.05±13.23**
151.22±18.74**
144.69±16.08**
, 百拇医药
118.28±11.69**
TP/TPL
1.69±0.18
3.01±0.42**
9.47±1.25**
12.72±1.81**
12.60±1.52**
Fig(μg/L)
2.03±0.26
5.08±0.55**
, 百拇医药
10.56±1.37**
16.01±1.56**
12.33±1.21**
FDP(ng/L)
7.35±0.51
11.58±0.94**
18.06±1.43**
32.62±2.65**
24.15±1.82**
, http://www.100md.com 与对照比较υs control **P<0.01
四、病理检查
大体见伤后肺明显充血、出血、水肿、及灶性肺萎陷等,BALF中可见大量
红细胞及细胞碎片。光镜下肺内大量炎细胞聚集、浸润,肺充血、出血、萎陷、水肿、甚至透明膜形成。电镜见血管内皮细胞、肺泡上皮细胞及间质纤维结构
破坏,肺泡上皮细胞腔面有纤维蛋白样物附着(图1,图2)。
图1 伤后6小时,肺内大量炎细胞聚集、浸润,肺泡腔充满水肿液和红细胞,肺实变 HE
Fig1 6 hours after injury,numerous inflammatory cells aggregated and infiltrated
, 百拇医药
in the lungs with consolidation,and the alveolar spaces were flooded with
edematous fluid and red blood cells
五、相关分析
1.STmin的增加与BALF中TP/TPL比值的升高相关显著(r=0.8857 P<0.05)。
2.BALF中TP和TP/TPL比值的升高均分别与C2.94(r=-0.9417,-0.9511)、C0.49(r=-0.8824,-0.8946)和EI(r=-0.8796,-0.9069)
的降低呈明显负相关(P均<0.05)。
, 百拇医药
图2 伤后6小时,肺泡腔(Alv)内纤维蛋白样物
(↑示)附着于肺泡上皮细胞(Ep)腔面
Fig2 6 hours after injury,fibrinoid substance (↑shown) in alveolar space(Alv)
adhered to the surface of alveolar epithelial cells(Ep)
讨 论
许多急、慢性呼吸系疾病均有PS活性变化。Hall等[3]认为PS活性抑制
主要有两种类型:① PS吸附于气液界面被阻断;② PS单分子膜动态循环压
, 百拇医药
缩—扩张过程中失稳定。烟雾吸入伤后PS活性降低可能与这两种抑制作用均有关。
一、烟雾的直接作用
已证实,煤油、木材烟雾及其主要成分丙烯醛、异丁醛等均能直接抑制PS
活性[4]。烟雾中有许多氧化物及氧自由基,它们可致PS氧化失活[5]。烟
雾颗粒含大量脂肪酸,它们可通过掺入PS磷脂分子之间,使表面膜失稳定而致
PS失活[6]。
二、伤后血浆蛋白类抑制物的作用
血浆蛋白属吸附性抑制剂,包括白蛋白、免疫球蛋白、弹性蛋白、C-反应
, 百拇医药
蛋白、Fig、FDP等,它们能比PS更快地吸附于气液界面,从而阻断了PS的进一
步吸附与活性发挥。其中Fig和FDP的抑制作用最强,而白蛋白较弱。吸附性抑
制作用的大小与PS或抑制物的绝对量关系较小,主要取决于两者的浓度比[7,8]。
本研究发现,吸入伤后大量蛋白性水肿液在肺泡腔内积聚,BALF中不仅TP明显
升高,而且TP/TPL比值进行性增加,提示抑制物相对浓度明显升高,正常的蛋
白—PS比率被打破;相关分析显示,STmin升高与BALF中TP增加无明显关系,但却与TP/TPL比值升高呈显著正相关,而C2.94、C0.94和EI的变化均与TP及TPL
, 百拇医药
相关显著,表明蛋白抑制作用在吸入伤后PS失活及肺功能损害中有重要意义。
近来注意到,急性肺损伤中Fig和FDP对PS的抑制作用具有特殊重要性。肺
泡毛细血管膜通透性增加、组织细胞坏死释放凝血因子、以及肺泡巨噬细胞激
活表达大量Ⅶ因子,导致肺泡腔微环境内凝血—纤溶失平衡,转变为以前凝血
因子占优势;同时肺损伤后,肺泡内主要的纤溶激活因子尿激酶型纤溶酶原激
酶降低,纤溶蛋白激酶抑制因子1水平升高,从而使纤溶活性抑制。以上两方面
共同作用,引起肺泡内纤维蛋白凝固[9]。纤维蛋白在聚合过程中,可将PS磷
, 百拇医药
脂掺入不溶性凝块,导致可利用的PS大量丢失,引起比吸附性抑制更严重的失
活。本研究发现,吸入伤后BALF中Fig和FDP水平均呈进行性升高,电镜可见肺
泡腔内纤维蛋白样物附着于上皮细胞腔面,提示Fig和FDP可能通过吸附性抑制
和(或)将PS包埋而参与伤后PS的失活。
实验中可见烟雾吸入伤后普遍存在不同程度的肺出血现象,BALF中也可见
大量红细胞及细胞碎片,而血红蛋白和细胞膜脂质均对PS活性有强烈抑制作用[10]。
在急性肺损伤患者,BALF中可检出高水平糖脂,体外检测糖脂可降低PS活性,但吸入伤后BALF中糖脂的变化尚未见报道。
, 百拇医药
另外,PS中磷脂含量、组分、特异性PS相关蛋白、肺泡内PS亚型等的变化
也可能对吸入伤后PS的活性有直接影响,我们将另文报道。
本课题为全军“八五”指令性攻关资助项目(课题编号:91Z009-0009)
参 考 文 献
1 谢尔凡,杨宗城,黎鳌.大鼠烟雾吸入伤后肺表面活性物质功能活性的变化及
作用.中华航海医学杂志,1997,4:75-78.
2 谢尔凡,杨宗城,王敦,等.大鼠烟雾吸入性损伤模型的制作.中国实验动物学
杂志,1994,4:219-222.
, http://www.100md.com
3 Hall SB,Lu RZ,Venkitaraman R,et al.Inhibition of pulmonary surfactant
by oleic acid:mechanisms and characteritics.J Appl Physiol,1992,72:1708-1716.
4 Nieman GF,Clark WR.Effect of wood and cotton smoke on the surface
properties of pulmonary surfactant.Respir Physiol,1994,97:1-12.
5 Seeger W,Lepper H,Wolf HRD,et al.Alteration of alveolar surfactant
, 百拇医药
function after exposure to oxidative stress and to oxygenated and native
arachidonic acid in vitro.Biochem Biophys Acta,1985,835:58-67.
6 Kinsella J.Smoke inhalation.Burns,1988,14:269-279.
7 Holm BA,Notter RH,Finkelstein JN.Surface property changes from
interactions of albumin with natural lung surfactant and extracted lung lipids.
, http://www.100md.com
Chem Phys Lipids,1985,38:287-298.
8 Fuchimukai T,Fujiwara T,Takahashi A,et al.Artificial pulmonary
surfactant inhibited by proteins.J Appl Physiol,1987,62:429-437.
9 Idell S,James KK,Levin EG,et al.Local abnormalities in coagulation
and fibrinolytic pathways predispose to alveoalar fibrin deposition in the
adult respiratory distress syndrome.J Clin Invest,1989,84:695-705.
10 Holm BA,Notter RH.Effects of hemoglobin and cell membrane
lipids on pulmonary surfactant activity.J Appl Physiol,1987,63:1434-1442.
(收稿:1997-09-01), http://www.100md.com