血管活性肠肽与人类垂体和垂体腺瘤激素分泌
作者:钟延丰 王盛兰
单位:北京医科大学病理学系,北京 10008
关键词:
990321 近年研究发现,某些神经递质可由内分泌细胞自体产生而发挥作用。垂体即可受神经肽类影响,如血管活性肠肽(vasoactive intestinal paptide, VIP)[1]。本实验用免疫双标记法研究人正常垂体与垂体腺瘤中垂体固有激素及VIP定位表达、VIP与固有激素的关系,以探讨垂体腺瘤生长与分化中内分泌因素的影响。
1 材料与方法
36例垂体腺瘤(手术),4例正常人垂体(非垂体病变尸解标本),常规石蜡包埋切片。25例常规超薄切片,透射电镜观察(标本取自我校和香港大学病理学系)。
, 百拇医药
试剂:VIP抗血清, 生长激素(growth hormone, GH)、催乳素(prolactin, PRL)、促肾上腺皮质激素(adrencorticotropic hormone, ACTH)、卵泡刺激素(follicle-stimulating hormone, FSH)抗血清及二抗、ABC、APAAP试剂,蛋白A及银染试剂, 氯化金等分别购自Amersham,Dako,Sigma及Fluka公司。
方法:按文献[2]方法制备胶体金-蛋白A(G-PA)探针。
免疫双标记染色:石蜡切片厚5μm,按常规免疫组化前处理切片。第1种抗体(VIP或其它垂体固有激素抗血清)采用常规的ABC法(阳性细胞呈棕黄色)或APAAP法(阳性细胞呈红色)染色;第2种抗体采用免疫金银法(immuno-gold silver staining, IGSS)染色:10g.L-1卵白蛋白再次封闭,用1∶10(体积比)的G-PA探针代替二抗孵育,室温2 h;TBS冲洗后双蒸水冲洗。银染液加强显色。阳性细胞呈棕黑色。这样,在同一张切片上可同时显示两种激素的定位。
, 百拇医药
2 结果
2.1 临床类型及垂体固有激素表达
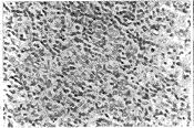
无功能性垂体腺瘤16例(指临床无激素分泌异常而导致的内分泌紊乱现象,检测血中的激素值在正常范围内,图1),占44.4%。9/16例有激素表达,5/9例有2~4种激素表达。其余病例临床表现为各类高激素血症,均有少数肿瘤无激素表达,多数存在一种以上激素表达(表1,图2、3)。电镜下同一瘤细胞内有两种不同类型的分泌颗粒。
图1 垂体“无功能腺瘤”HE图片,HE染色显示为嫌色性腺瘤 ×200
Figure 1 Nonfunctional tumor H & E staining showed chromophobic ×200
, 百拇医药
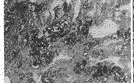
图2 “非功能性腺瘤”:免疫双标记染色。可见PRL阳性细胞
(IGSS法,呈黑色)与GH阳性细胞(ABC法,呈棕黄色)。×200
Figure 2 Nonfunctional tumor. Double immunostaining for PRL(IGSS method, positive cells showed dark color) and GH (ABC method, positive cells showed brown ×200
图3 取自Cushing综合症患者的肿瘤:可见ACTH阳性细胞(IGSS法,呈黑色)与FSH阳性细胞(APAAP法,呈红色)。 ×200
Figure 3 A tumor from a cushing syndrom patient. Double immunostaining for ACTH (IGSS method, positive cells showed black) and FSH (APAAP method, positive cells showed red) ×200
, 百拇医药
2.2 VIP在正常垂体及垂体腺瘤中的分布
正常垂体:VIP免疫染色(+)细胞弥散分布于垂体各部位,阳性物质弥散分布于单个细胞中。
垂体腺瘤:10例有VIP阳性表达,其分布与含量均不同。其中7例为分泌型肿瘤,几乎均有PRL表达(表2)。VIP(+)细胞都是弥散分布的(图4),阳性细胞的数量超过30%。
表1 临床类型及垂体固有激素表达(例数)
Table 1 The express of the pituitary hormones
in various clinical types(case) Clinical
, 百拇医药
Total
Immunoreactivity of pituitaty hormons
Total
Single
Hormone
2-4 kinds of hormones
Total
GH
PRL
ACTH
FSH
NA
, 百拇医药
16
9
4
5
2
4
4
3
A
11
8
1
7
6
, 百拇医药
7
4
4
H
2
2
0
2
1
2
0
1
HG
3
, 百拇医药
3
1
2
2
1
1
0
CN
4
2
1
1
1
1
, 百拇医药
1
0
Total
36
24
7
17
12
15
10
8
NA, nonfunction adenomas; A, acromegaly; H, hyperprolactinemia; HG, high gonadotropin; CN, cushing or Nelson syndrom.
, http://www.100md.com
表2 垂体腺瘤中VIP阳性表达及与垂体固有激素的关系(例数)
Table 2 Immunocytochemical localization of VIP
and the pituitary hormones in pituitary adenomas(case)
VIP(+)
Pituitary hormones(+)
GH
PRL
ACTH
FSH
Nonfunctional adenomas
, 百拇医药
3
1
3
2
2
Acromegaly
2
0
2
0
2
Hyperprolactinemia
2
, 百拇医药
1
2
0
1
High gonadotropin
2
1
1
0
1
Cushing or Nelson syndrom
1
1
, 百拇医药
1
1
10
Total
10
4
9
3
6
3 讨论
垂体腺瘤可以分泌多种激素而导致特殊的临床症状。本文临床诊断为无功能者占16/36,高于文献[3]报道的20%~35%。经免疫组化证实,有9例肿瘤细胞中激素表达阳性,其中5例分别表达2~4种激素。在电镜下可看到同一腺瘤细胞内有两种不同类型的分泌颗粒存在,说明临床无特异性分泌指标并不等于细胞缺乏产生激素的功能。
, 百拇医药
某些临床表现有高水平激素分泌的肿瘤,肿瘤细胞的激素免疫反应性却是阴性的。如本文11例高GH血症,其中3例各种染色均为阴性。提示现有的技术方法不足以完全反映肿瘤的激素产生状况,有待更敏感的检测方法的建立。
细胞具有分泌多种激素的能力,称为异源性成分。内分泌细胞常常具有多种分泌的能力,单一分泌的反而占少数[4]。我组观察的也证明了这种情况,尤以CH瘤与PRL瘤更明显。VIP在正常垂体中是弥散分布的。本组垂体腺瘤病例有10例含有VIP阳性的细胞,其分布与含量均不同。其中7例为分泌型肿瘤,几乎均存在PRL分泌颗粒。较早的研究认为,在垂体水平VIP对PRL刺激作用较强,而对GH无直接刺激作用。近年来有作者报道在鼠和人的垂体腺瘤VIP对GH有影响[5]。在我们的材料中,高GH血症者中有2例为VIP(+),但恰恰GH免疫染色为(-),与ACTH亦无明显的相关性,提示VIP对GH和ACTH的影响是微弱的,与PRL关系较为密切。VIP与垂体固有激素在同一种肿瘤及同一细胞内表达的现象提示VIP对垂体固有激素的分泌可能有作用。正常垂体、分泌型肿瘤及无功能性肿瘤均可见VIP阳性细胞,提示其影响作用可能不局限于某种特定细胞。
, http://www.100md.com
参考文献
1 Dalcik H, Chen IL, Phelps CJ. The cellular localization of vasoactive intestinal peptide (VIP) in the mouse median eminence by immuno-electron microscopy. Acta Histochem, 1996,1:53-59
2 John M. Lucoc Q, Jurgen R. Techniques in immunecytochemistry.Vol colloidal gold and golloidal silver-metallic markers for light microscopic histochmistry, London: Academic Press,1985.204
3 Jie Li, Lucia S, Kalman K. Growth hormone (GH) and prolactin (PRL) gene expression and immunoreactivity in GH- and PRL-producing human pituitary adenomas. Wirchows Arch [A] Pathol Anat, 1993,422:193-201
, 百拇医药
4 Kovacs K, Horvath E, Stefaneanu L. Pituitary adenoma producing growth hormone and adrenocorticotropic hormone(ACTH). J Neurosurg, 1998,6:1111-5
5 Dora WH, Peter NR, Hedley-Whyte ET. Vasoactive intestinal peptide in the human pituitary gland and adenomas. Am J Pathol, 1989, 2: 329-338
(1999-02-25收稿), 百拇医药
单位:北京医科大学病理学系,北京 10008
关键词:
990321 近年研究发现,某些神经递质可由内分泌细胞自体产生而发挥作用。垂体即可受神经肽类影响,如血管活性肠肽(vasoactive intestinal paptide, VIP)[1]。本实验用免疫双标记法研究人正常垂体与垂体腺瘤中垂体固有激素及VIP定位表达、VIP与固有激素的关系,以探讨垂体腺瘤生长与分化中内分泌因素的影响。
1 材料与方法
36例垂体腺瘤(手术),4例正常人垂体(非垂体病变尸解标本),常规石蜡包埋切片。25例常规超薄切片,透射电镜观察(标本取自我校和香港大学病理学系)。
, 百拇医药
试剂:VIP抗血清, 生长激素(growth hormone, GH)、催乳素(prolactin, PRL)、促肾上腺皮质激素(adrencorticotropic hormone, ACTH)、卵泡刺激素(follicle-stimulating hormone, FSH)抗血清及二抗、ABC、APAAP试剂,蛋白A及银染试剂, 氯化金等分别购自Amersham,Dako,Sigma及Fluka公司。
方法:按文献[2]方法制备胶体金-蛋白A(G-PA)探针。
免疫双标记染色:石蜡切片厚5μm,按常规免疫组化前处理切片。第1种抗体(VIP或其它垂体固有激素抗血清)采用常规的ABC法(阳性细胞呈棕黄色)或APAAP法(阳性细胞呈红色)染色;第2种抗体采用免疫金银法(immuno-gold silver staining, IGSS)染色:10g.L-1卵白蛋白再次封闭,用1∶10(体积比)的G-PA探针代替二抗孵育,室温2 h;TBS冲洗后双蒸水冲洗。银染液加强显色。阳性细胞呈棕黑色。这样,在同一张切片上可同时显示两种激素的定位。
, 百拇医药
2 结果
2.1 临床类型及垂体固有激素表达
无功能性垂体腺瘤16例(指临床无激素分泌异常而导致的内分泌紊乱现象,检测血中的激素值在正常范围内,图1),占44.4%。9/16例有激素表达,5/9例有2~4种激素表达。其余病例临床表现为各类高激素血症,均有少数肿瘤无激素表达,多数存在一种以上激素表达(表1,图2、3)。电镜下同一瘤细胞内有两种不同类型的分泌颗粒。
图1 垂体“无功能腺瘤”HE图片,HE染色显示为嫌色性腺瘤 ×200
Figure 1 Nonfunctional tumor H & E staining showed chromophobic ×200
, 百拇医药
图2 “非功能性腺瘤”:免疫双标记染色。可见PRL阳性细胞
(IGSS法,呈黑色)与GH阳性细胞(ABC法,呈棕黄色)。×200
Figure 2 Nonfunctional tumor. Double immunostaining for PRL(IGSS method, positive cells showed dark color) and GH (ABC method, positive cells showed brown ×200
图3 取自Cushing综合症患者的肿瘤:可见ACTH阳性细胞(IGSS法,呈黑色)与FSH阳性细胞(APAAP法,呈红色)。 ×200
Figure 3 A tumor from a cushing syndrom patient. Double immunostaining for ACTH (IGSS method, positive cells showed black) and FSH (APAAP method, positive cells showed red) ×200
, 百拇医药
2.2 VIP在正常垂体及垂体腺瘤中的分布
正常垂体:VIP免疫染色(+)细胞弥散分布于垂体各部位,阳性物质弥散分布于单个细胞中。
垂体腺瘤:10例有VIP阳性表达,其分布与含量均不同。其中7例为分泌型肿瘤,几乎均有PRL表达(表2)。VIP(+)细胞都是弥散分布的(图4),阳性细胞的数量超过30%。
表1 临床类型及垂体固有激素表达(例数)
Table 1 The express of the pituitary hormones
in various clinical types(case) Clinical
, 百拇医药
Total
Immunoreactivity of pituitaty hormons
Total
Single
Hormone
2-4 kinds of hormones
Total
GH
PRL
ACTH
FSH
NA
, 百拇医药
16
9
4
5
2
4
4
3
A
11
8
1
7
6
, 百拇医药
7
4
4
H
2
2
0
2
1
2
0
1
HG
3
, 百拇医药
3
1
2
2
1
1
0
CN
4
2
1
1
1
1
, 百拇医药
1
0
Total
36
24
7
17
12
15
10
8
NA, nonfunction adenomas; A, acromegaly; H, hyperprolactinemia; HG, high gonadotropin; CN, cushing or Nelson syndrom.
, http://www.100md.com
表2 垂体腺瘤中VIP阳性表达及与垂体固有激素的关系(例数)
Table 2 Immunocytochemical localization of VIP
and the pituitary hormones in pituitary adenomas(case)
VIP(+)
Pituitary hormones(+)
GH
PRL
ACTH
FSH
Nonfunctional adenomas
, 百拇医药
3
1
3
2
2
Acromegaly
2
0
2
0
2
Hyperprolactinemia
2
, 百拇医药
1
2
0
1
High gonadotropin
2
1
1
0
1
Cushing or Nelson syndrom
1
1
, 百拇医药
1
1
10
Total
10
4
9
3
6
3 讨论
垂体腺瘤可以分泌多种激素而导致特殊的临床症状。本文临床诊断为无功能者占16/36,高于文献[3]报道的20%~35%。经免疫组化证实,有9例肿瘤细胞中激素表达阳性,其中5例分别表达2~4种激素。在电镜下可看到同一腺瘤细胞内有两种不同类型的分泌颗粒存在,说明临床无特异性分泌指标并不等于细胞缺乏产生激素的功能。
, 百拇医药
某些临床表现有高水平激素分泌的肿瘤,肿瘤细胞的激素免疫反应性却是阴性的。如本文11例高GH血症,其中3例各种染色均为阴性。提示现有的技术方法不足以完全反映肿瘤的激素产生状况,有待更敏感的检测方法的建立。
细胞具有分泌多种激素的能力,称为异源性成分。内分泌细胞常常具有多种分泌的能力,单一分泌的反而占少数[4]。我组观察的也证明了这种情况,尤以CH瘤与PRL瘤更明显。VIP在正常垂体中是弥散分布的。本组垂体腺瘤病例有10例含有VIP阳性的细胞,其分布与含量均不同。其中7例为分泌型肿瘤,几乎均存在PRL分泌颗粒。较早的研究认为,在垂体水平VIP对PRL刺激作用较强,而对GH无直接刺激作用。近年来有作者报道在鼠和人的垂体腺瘤VIP对GH有影响[5]。在我们的材料中,高GH血症者中有2例为VIP(+),但恰恰GH免疫染色为(-),与ACTH亦无明显的相关性,提示VIP对GH和ACTH的影响是微弱的,与PRL关系较为密切。VIP与垂体固有激素在同一种肿瘤及同一细胞内表达的现象提示VIP对垂体固有激素的分泌可能有作用。正常垂体、分泌型肿瘤及无功能性肿瘤均可见VIP阳性细胞,提示其影响作用可能不局限于某种特定细胞。
, http://www.100md.com
参考文献
1 Dalcik H, Chen IL, Phelps CJ. The cellular localization of vasoactive intestinal peptide (VIP) in the mouse median eminence by immuno-electron microscopy. Acta Histochem, 1996,1:53-59
2 John M. Lucoc Q, Jurgen R. Techniques in immunecytochemistry.Vol colloidal gold and golloidal silver-metallic markers for light microscopic histochmistry, London: Academic Press,1985.204
3 Jie Li, Lucia S, Kalman K. Growth hormone (GH) and prolactin (PRL) gene expression and immunoreactivity in GH- and PRL-producing human pituitary adenomas. Wirchows Arch [A] Pathol Anat, 1993,422:193-201
, 百拇医药
4 Kovacs K, Horvath E, Stefaneanu L. Pituitary adenoma producing growth hormone and adrenocorticotropic hormone(ACTH). J Neurosurg, 1998,6:1111-5
5 Dora WH, Peter NR, Hedley-Whyte ET. Vasoactive intestinal peptide in the human pituitary gland and adenomas. Am J Pathol, 1989, 2: 329-338
(1999-02-25收稿), 百拇医药