低剂量电离辐射对小鼠下丘脑cAMP、cGMP及Fos蛋白表达的影响
作者:万虹 龚守良 刘树铮
单位:130021 长春,白求恩医科大学卫生部放射生物学重点实验室
关键词:低剂量辐射;环腺苷酸(cAMP);环鸟苷酸(cGMP);Fos蛋白;信号传递
中华放射医学与防护杂志000506 【摘要】 目的 研究低剂量辐射对小鼠下丘脑cAMP、cGMP及Fos蛋白表达的影响。方法cAMP、cGMP和Fos蛋白分别采用竞争性蛋白结合分析、放免分析和免疫组织化学法。结果 75 mGy X射线全身照射后,小鼠下丘脑cAMP含量迅速增高,15 min即达峰值,而后迅速回降,1 h后接近假照射水平,以后出现小的波动;cGMP含量的变化基本与cAMP的变化相反;Fos蛋白在下丘脑诸多神经元核团内均呈阳性,照射后8 h达峰值,12 h后逐渐减少,48 h基本恢复至假照射水平。结论 提示低剂量辐射可激活小鼠下丘脑神经元的信号传递,进而调节免疫系统功能。
, 百拇医药
Effects of low dose radiation on cAMP,cGMP and Fos protein expressions in mouse hypothalamus
WAN Hong,GONG Shouliang,LIU Shuzheng.
(MH Radiobiology Research Unit,Norman Bethune Universtity of Medical Sciences,Changchun 130021,China)
【Abstract】 Objective In the present study we observed the effects of low dose radiation (LDR) on cAMP,cGMP and Fos expressions in mouse hypothalamus. Methods The changes of cAMP and cGMP contents as well as Fos protein expression in hypothalamus were determined using competitive protein binding assay,radioimmunoassay and immuno-histochemistry,respectively. Results The cAMP content in the hypothalamus increased rapidly after irradiation with 75 mGy X-rays.It reached its peak value at 15 min,and then returned to nearly normal value at 1 h,followed by small fluctuations.The changes of cGMP content were basically opposite to those of cAMP.The Fos protein was positive in a variety of neurons of hypothalamus after irradiation,and it reached the peak value at 8 h.Then it gradually returned to the control level 48 h after irradiation. Conclusion These findings suggest that LDR could influence the neuronal signal transduction in mouse hypothalamus with modulating functions on the immune system.
, 百拇医药
【Key words】 Low dose radiation; cAMP; cGMP; Fos; Signal transduction
近年来,低剂量辐射(LDR)的免疫兴奋效应已越来越受到人们的重视。我室以往的实验证明,低剂量全身照射小鼠可引起免疫功能增强[1],同时下丘脑5-羟色胺(5-HT)产生和分泌增加,下丘脑-垂体-肾上腺皮质(HPA)轴功能下调[2]。说明在LDR免疫兴奋效应中,下丘脑的功能变化可能产生重要的影响。在细胞信号传递过程中,cAMP和cGMP与c-fos分别发挥第二和第三信使作用。因此,探讨LDR对下丘脑神经元信号传递的影响对揭示LDR免疫兴奋效应的本质具有十分重要的作用。本实验采用75 mGy全身照射小鼠模型,观察不同时间下丘脑cAMP\,cGMP和Fos蛋白表达的变化规律。
材料和方法
1.动物和照射:实验用雄性健康昆明系小鼠,体重(20±2)g,由白求恩医科大学实验动物部提供。动物随机分为假照组和照射组。采用Philips X射线机照射(10 mA,200 kV,滤片铜 0.5 mm、铝1.0 mm)。球靶距212 cm,吸收剂量率12.5 mGy/min,吸收剂量75 mGy。
, http://www.100md.com
2.cAMP和cGMP测定:cAMP和cGMP分别采用竞争性蛋白结合分析和放免分析,按试剂盒说明书操作(中国原子能研究院产品)。
4.Fos蛋白的免疫组织化学测定:小鼠照射后断头处死,取下丘脑置于液氮中,行冰冻切片。将载有组织的玻片放入盛有枸橼酸-枸橼酸钠溶液中,加热92~98℃,10 min。PBS冲洗,正常羊血清(1∶10~1∶20)阻断非特异性反应20 min。滴加Fos抗体(Santa Cruz,美国),4℃过夜。PBS冲洗,滴加碱性磷酸酶标记链亲和素(1∶1 000),置37℃,4 h。PBS冲洗,NBT和BCIP显色,镜检。采用真色彩病理图像仪定量分析Fos蛋白,测定平均吸光度(MA)。
结 果
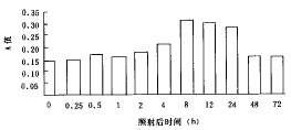
75 mGy X射线全身照射后下丘脑cAMP含量迅速增高,15 min即达峰值,而后又迅速回降,1 h后基本接近假照射水平;cGMP含量的变化基本与cAMP的变化相反,照射后15 min降至最低值,而后逐渐回升,1 h升至假照射水平;cAMP/cGMP比值变化与cAMP变化基本一致(表1)。照射后小鼠下丘脑内Fos蛋白反应阳性神经元广泛分布,其形态特点为胞核被染成紫蓝色,分布均匀,靠近核膜区更为明显;于照射后8 h达高峰(P<0.01)。12 h后逐渐减少,48 h基本恢复至假照射水平。假照组为Fos蛋白阴性反应(图1)。
, http://www.100md.com
表1 75 mGy X射线全身照射后不同时间
小鼠下丘脑cAMP和cGMP含量的变化(
+s) 照射后时间
cAMP(pmol/mg)
cGMP
(pmol/mg)
cAMP/cGMP
假照组
0.30±0.04
0.14±0.06
2.03±0.49
, http://www.100md.com
15 min
0.53±0.03**
0.03±0.01**
20.91±6.55**
30 min
0.41±0.07**
0.05±0.01**
9.53±2.85**
1 h
0.27±0.04
, 百拇医药
0.19±0.09
1.59±0.56
2 h
0.37±0.02**
0.15±0.06
2.52±1.05
4 h
0.35±0.11
0.08±0.04
5.56±3.16*
8 h
, 百拇医药 0.35±0.07
0.14±0.09
3.14±2.09
12 h
0.29±0.03
0.16±0.09
2.83±3.33
注:n=5;与假照组比较*P<0.05,**P<0.01
图1 75 mGy全身照射对小鼠下丘脑Fos蛋白表达的影响
, http://www.100md.com 讨 论
cAMP和cGMP均为细胞信息传递的第二信使,但两者信息传递系统是不同的[3]。在本研究中,小鼠下丘脑cAMP和cGMP含量相反的变化可能与信息传递的两个系统不同作用有关。c-fos作为第三信使已越来越受到人们的重视,而cAMP和c-fos两者功能变化又密切相关。现已证明,细胞内cAMP水平升高可诱导c-fos转录,如cAMP激动剂丁二酰cAMP、霍乱霉素等均可诱导c-fos mRNA表达,同时,增高cAMP水平的因素均可诱导小鼠Balb/c细胞c-fos mRNA的表达[4]。作者以往的实验证明[5],75 mGy X射线全身照射后15 min即可诱导小鼠下丘脑c-fos mRNA表达,1 h达峰值。本实验证实,75 mGy X射线全身照射后15 min下丘脑cAMP含量即达峰值,cGMP则降至最低值(表1);Fos蛋白表达于照射后8 h达峰值,12 h后逐渐减少,48 h基本恢复正常(图1)。cAMP、c-fos mRNA和Fos蛋白三者依时间的推移达峰值,符合信息传递过程,也与我室以往的实验结果相吻合。
, 百拇医药
下丘脑是内分泌和免疫系统的整合中枢,其神经元的功能状态直接影响到免疫功能。我室以往实验证明,75 mGy X射线全身照射后,小鼠血清ACTH水平降低,伴有血清皮质酮水平的降低,导致HPA轴的功能下调,伴有免疫功能的增强[2]。前阿黑皮素(POMC)是多种生物活性肽的前体,ACTH是其酶解产物之一。75 mGy X射线全身照射后,下丘脑弓状核POMC转录水平下调,随着照射后时间的推移其mRNA表达逐渐减少,12 h仍在降低[6]。POMC mRNA表达的减少,可能与HPA轴的功能下调有关。
另有文献报道,5-HT对ACTH具有双相调节作用[7]。然而,我室以往的实验还证实,75 mGy照射后下丘脑5-HT含量增高,伴有血清ACTH水平的降低。脑室内注射5-HT也产生同样的效应[2]。由此推测,LDR可能引起下丘脑神经元作为第一信使的5-HT释放,并激活第二信使cAMP,使第三信使c-fos/Fos表达增高,最终引起靶基因POMC转录水平的降低和HPA轴功能的下调,最后导致免疫功能的增强。这方面工作有待进一步探讨。
, 百拇医药
基金项目:国家自然科学基金资助项目(39570188)
参考文献
1,刘树铮,刘伟宏,齐进,等.低剂量辐射增强免疫的细胞机制.中华放射医学与防护杂志,1992,12:299-305.
2,刘树铮,赵勇,韩振波,等.下丘脑-垂体-肾上腺皮质轴功能变化在低剂量辐射诱发免疫增强机制中的作用.中华放射医学与防护杂志,1994,14:11-14.
3,刘景生主编.细胞信息与传递.北京:北京医科大学中国协和医科大学联合出版社,1998.207-227.
4,Berkowitz LA,Riabowol KT,Cilman MZ.Multiple sequence element of a single functional class is required for cyclic AMP responsiveness of the mouse c-fos promoter.Mol Cell Biol,1989,9:4292-4296.
5,万虹,龚守良,刘树铮.低剂量电离辐射诱导小鼠脑c-fos原癌基因的表达.中华放射医学与防护杂志,1996,16:15-17.
6, 万虹,刘树铮.低剂量电离辐射对小鼠下丘脑和免疫器官POMC转录水平的影响.中华放射医学与防护杂志,1998,18:145-147.
7,张荣宝主编.植物性神经系统生理与临床.北京:人民卫生出版社,1994.157-158.
(收稿日期:1999-12-05), 百拇医药
单位:130021 长春,白求恩医科大学卫生部放射生物学重点实验室
关键词:低剂量辐射;环腺苷酸(cAMP);环鸟苷酸(cGMP);Fos蛋白;信号传递
中华放射医学与防护杂志000506 【摘要】 目的 研究低剂量辐射对小鼠下丘脑cAMP、cGMP及Fos蛋白表达的影响。方法cAMP、cGMP和Fos蛋白分别采用竞争性蛋白结合分析、放免分析和免疫组织化学法。结果 75 mGy X射线全身照射后,小鼠下丘脑cAMP含量迅速增高,15 min即达峰值,而后迅速回降,1 h后接近假照射水平,以后出现小的波动;cGMP含量的变化基本与cAMP的变化相反;Fos蛋白在下丘脑诸多神经元核团内均呈阳性,照射后8 h达峰值,12 h后逐渐减少,48 h基本恢复至假照射水平。结论 提示低剂量辐射可激活小鼠下丘脑神经元的信号传递,进而调节免疫系统功能。
, 百拇医药
Effects of low dose radiation on cAMP,cGMP and Fos protein expressions in mouse hypothalamus
WAN Hong,GONG Shouliang,LIU Shuzheng.
(MH Radiobiology Research Unit,Norman Bethune Universtity of Medical Sciences,Changchun 130021,China)
【Abstract】 Objective In the present study we observed the effects of low dose radiation (LDR) on cAMP,cGMP and Fos expressions in mouse hypothalamus. Methods The changes of cAMP and cGMP contents as well as Fos protein expression in hypothalamus were determined using competitive protein binding assay,radioimmunoassay and immuno-histochemistry,respectively. Results The cAMP content in the hypothalamus increased rapidly after irradiation with 75 mGy X-rays.It reached its peak value at 15 min,and then returned to nearly normal value at 1 h,followed by small fluctuations.The changes of cGMP content were basically opposite to those of cAMP.The Fos protein was positive in a variety of neurons of hypothalamus after irradiation,and it reached the peak value at 8 h.Then it gradually returned to the control level 48 h after irradiation. Conclusion These findings suggest that LDR could influence the neuronal signal transduction in mouse hypothalamus with modulating functions on the immune system.
, 百拇医药
【Key words】 Low dose radiation; cAMP; cGMP; Fos; Signal transduction
近年来,低剂量辐射(LDR)的免疫兴奋效应已越来越受到人们的重视。我室以往的实验证明,低剂量全身照射小鼠可引起免疫功能增强[1],同时下丘脑5-羟色胺(5-HT)产生和分泌增加,下丘脑-垂体-肾上腺皮质(HPA)轴功能下调[2]。说明在LDR免疫兴奋效应中,下丘脑的功能变化可能产生重要的影响。在细胞信号传递过程中,cAMP和cGMP与c-fos分别发挥第二和第三信使作用。因此,探讨LDR对下丘脑神经元信号传递的影响对揭示LDR免疫兴奋效应的本质具有十分重要的作用。本实验采用75 mGy全身照射小鼠模型,观察不同时间下丘脑cAMP\,cGMP和Fos蛋白表达的变化规律。
材料和方法
1.动物和照射:实验用雄性健康昆明系小鼠,体重(20±2)g,由白求恩医科大学实验动物部提供。动物随机分为假照组和照射组。采用Philips X射线机照射(10 mA,200 kV,滤片铜 0.5 mm、铝1.0 mm)。球靶距212 cm,吸收剂量率12.5 mGy/min,吸收剂量75 mGy。
, http://www.100md.com
2.cAMP和cGMP测定:cAMP和cGMP分别采用竞争性蛋白结合分析和放免分析,按试剂盒说明书操作(中国原子能研究院产品)。
4.Fos蛋白的免疫组织化学测定:小鼠照射后断头处死,取下丘脑置于液氮中,行冰冻切片。将载有组织的玻片放入盛有枸橼酸-枸橼酸钠溶液中,加热92~98℃,10 min。PBS冲洗,正常羊血清(1∶10~1∶20)阻断非特异性反应20 min。滴加Fos抗体(Santa Cruz,美国),4℃过夜。PBS冲洗,滴加碱性磷酸酶标记链亲和素(1∶1 000),置37℃,4 h。PBS冲洗,NBT和BCIP显色,镜检。采用真色彩病理图像仪定量分析Fos蛋白,测定平均吸光度(MA)。
结 果
75 mGy X射线全身照射后下丘脑cAMP含量迅速增高,15 min即达峰值,而后又迅速回降,1 h后基本接近假照射水平;cGMP含量的变化基本与cAMP的变化相反,照射后15 min降至最低值,而后逐渐回升,1 h升至假照射水平;cAMP/cGMP比值变化与cAMP变化基本一致(表1)。照射后小鼠下丘脑内Fos蛋白反应阳性神经元广泛分布,其形态特点为胞核被染成紫蓝色,分布均匀,靠近核膜区更为明显;于照射后8 h达高峰(P<0.01)。12 h后逐渐减少,48 h基本恢复至假照射水平。假照组为Fos蛋白阴性反应(图1)。
, http://www.100md.com
表1 75 mGy X射线全身照射后不同时间
小鼠下丘脑cAMP和cGMP含量的变化(
cAMP(pmol/mg)
cGMP
(pmol/mg)
cAMP/cGMP
假照组
0.30±0.04
0.14±0.06
2.03±0.49
, http://www.100md.com
15 min
0.53±0.03**
0.03±0.01**
20.91±6.55**
30 min
0.41±0.07**
0.05±0.01**
9.53±2.85**
1 h
0.27±0.04
, 百拇医药
0.19±0.09
1.59±0.56
2 h
0.37±0.02**
0.15±0.06
2.52±1.05
4 h
0.35±0.11
0.08±0.04
5.56±3.16*
8 h
, 百拇医药 0.35±0.07
0.14±0.09
3.14±2.09
12 h
0.29±0.03
0.16±0.09
2.83±3.33
注:n=5;与假照组比较*P<0.05,**P<0.01
图1 75 mGy全身照射对小鼠下丘脑Fos蛋白表达的影响
, http://www.100md.com 讨 论
cAMP和cGMP均为细胞信息传递的第二信使,但两者信息传递系统是不同的[3]。在本研究中,小鼠下丘脑cAMP和cGMP含量相反的变化可能与信息传递的两个系统不同作用有关。c-fos作为第三信使已越来越受到人们的重视,而cAMP和c-fos两者功能变化又密切相关。现已证明,细胞内cAMP水平升高可诱导c-fos转录,如cAMP激动剂丁二酰cAMP、霍乱霉素等均可诱导c-fos mRNA表达,同时,增高cAMP水平的因素均可诱导小鼠Balb/c细胞c-fos mRNA的表达[4]。作者以往的实验证明[5],75 mGy X射线全身照射后15 min即可诱导小鼠下丘脑c-fos mRNA表达,1 h达峰值。本实验证实,75 mGy X射线全身照射后15 min下丘脑cAMP含量即达峰值,cGMP则降至最低值(表1);Fos蛋白表达于照射后8 h达峰值,12 h后逐渐减少,48 h基本恢复正常(图1)。cAMP、c-fos mRNA和Fos蛋白三者依时间的推移达峰值,符合信息传递过程,也与我室以往的实验结果相吻合。
, 百拇医药
下丘脑是内分泌和免疫系统的整合中枢,其神经元的功能状态直接影响到免疫功能。我室以往实验证明,75 mGy X射线全身照射后,小鼠血清ACTH水平降低,伴有血清皮质酮水平的降低,导致HPA轴的功能下调,伴有免疫功能的增强[2]。前阿黑皮素(POMC)是多种生物活性肽的前体,ACTH是其酶解产物之一。75 mGy X射线全身照射后,下丘脑弓状核POMC转录水平下调,随着照射后时间的推移其mRNA表达逐渐减少,12 h仍在降低[6]。POMC mRNA表达的减少,可能与HPA轴的功能下调有关。
另有文献报道,5-HT对ACTH具有双相调节作用[7]。然而,我室以往的实验还证实,75 mGy照射后下丘脑5-HT含量增高,伴有血清ACTH水平的降低。脑室内注射5-HT也产生同样的效应[2]。由此推测,LDR可能引起下丘脑神经元作为第一信使的5-HT释放,并激活第二信使cAMP,使第三信使c-fos/Fos表达增高,最终引起靶基因POMC转录水平的降低和HPA轴功能的下调,最后导致免疫功能的增强。这方面工作有待进一步探讨。
, 百拇医药
基金项目:国家自然科学基金资助项目(39570188)
参考文献
1,刘树铮,刘伟宏,齐进,等.低剂量辐射增强免疫的细胞机制.中华放射医学与防护杂志,1992,12:299-305.
2,刘树铮,赵勇,韩振波,等.下丘脑-垂体-肾上腺皮质轴功能变化在低剂量辐射诱发免疫增强机制中的作用.中华放射医学与防护杂志,1994,14:11-14.
3,刘景生主编.细胞信息与传递.北京:北京医科大学中国协和医科大学联合出版社,1998.207-227.
4,Berkowitz LA,Riabowol KT,Cilman MZ.Multiple sequence element of a single functional class is required for cyclic AMP responsiveness of the mouse c-fos promoter.Mol Cell Biol,1989,9:4292-4296.
5,万虹,龚守良,刘树铮.低剂量电离辐射诱导小鼠脑c-fos原癌基因的表达.中华放射医学与防护杂志,1996,16:15-17.
6, 万虹,刘树铮.低剂量电离辐射对小鼠下丘脑和免疫器官POMC转录水平的影响.中华放射医学与防护杂志,1998,18:145-147.
7,张荣宝主编.植物性神经系统生理与临床.北京:人民卫生出版社,1994.157-158.
(收稿日期:1999-12-05), 百拇医药