原发性腹腔多发黑色素瘤二例
作者:原发性腹腔多发黑色素瘤二例
单位:林光武、吕惠熙、高礼明、罗斌 四川泸州医学院附属医院放射科 646000;肖秀丽 泸州医学院病理学教研室
关键词:
中华放射学杂志991229 原发性腹腔多发黑色素瘤临床罕见。现将我院搜集的 2例结合文献报告如下。
例1 女, 36岁。左中下腹胀痛1年多,加重伴低热、消瘦、排便困难2个月入院。查体:全身皮肤、黏膜无色素斑痣,左中下腹扪及多个界限不清肿块。 B超示左中下腹囊肿伴不全性肠梗阻。CT增强检查:示左中下腹肠系膜及大网膜上多个境界清楚的类圆形肿块,直径 2~9 cm,呈均匀强化,CT值71~73 HU。较大肿块内有不规则低密度坏死区,无强化,CT值36~40 HU(图1)。左下腹大网膜上还见一直径约9 cm囊状强化肿块,壁光滑,囊内为均匀低密度区,无强化, CT值18 HU(图2)。CT考虑为肠系膜、大网膜占位。手术见:左下腹大网膜、小肠系膜上多个黑褐色肿块,直径2~9 cm,有完整包膜。较大病灶内有黑色干酪样坏死物,小者为实性。左下腹大网膜上还见一直径约9 cm黑色囊状肿块,囊壁光滑,囊液呈透明水样。肿块与邻近小肠有粘连。肠系膜及大网膜上未见肿大淋巴结。病理诊断:腹腔多发黑色素瘤(图3)。
, http://www.100md.com
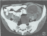
图1 CT增强扫描,示左中下腹肠系膜及大网膜上多个境界清楚的类圆形软组织肿块,直径2~6 cm,呈均匀强化,CT值71~73 HU。较大肿块内有不规则低密度坏死区,无强化,CT值36~40 HU
图2 左中下腹大网膜上一直径约9 cm囊状强化肿块,壁光滑,囊内为均匀低密度区,无强化(CT值18 HU)。病灶周围有多个结节状小病灶,呈均匀强化
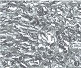
图3 病理切片(HE ×100):腹腔多发黑色素瘤
例2 女, 32岁。左下腹胀痛半年,加重伴大小便次数增多1周就诊。查体发现左下腹有一界限不清的肿块。B超示盆腔左侧多个不均匀回声光团。CT 增强检查:示盆腔左侧多个境界清楚的类圆形肿块,直径3~5 cm,呈大致均匀强化,CT值78~85 HU。较大肿块内有不规则低密度坏死区,无强化,CT值41~47 HU。 B超、CT拟诊为左侧卵巢占位。术中见乙状结肠系膜上多个黑褐色肿块,直径2~6 cm。较大者内部可见黑色干酪样坏死物,小者为实性。肿块与乙状结肠有粘连,盆腔内少量积血。病理诊断:乙状结肠系膜多发黑色素瘤。
, 百拇医药
讨论 黑色素瘤(melanoma)又称恶性黑色素瘤,是一种能产生黑色素的高度恶性肿瘤[1],大多见于 30岁以上成人,常发生于皮肤、黏膜,原发于网膜、肠系膜者极少见[2,3]。可单发或多发,病变早期及肿块较小时,一般不引起症状,肿块较大时,常推压或侵犯邻近器官,引起相应临床症状。肿瘤有包膜,易出血、坏死,瘤细胞内富含色素颗粒[1]。晚期经淋巴道及血运转移。本组2例术前体检全身皮肤、黏膜无色素斑痣,常规胸片、肝脏B超检查未见异常,术中腹腔内亦未见淋巴结转移,属腹腔多原发性肿瘤。
本病影像表现复杂,结合本组2例并复习 Kawashima等[4]、 Buzaid 等[5]的资料,CT表现可归纳为:腹腔内单、多发境界清楚的类圆形肿块,较大肿块内可伴出血或坏死,或出血与坏死并存。本组2例瘤内的低密度区为坏死组织,未见出血。增强表现为实体组织较均匀强化,坏死区无强化。本组例1 还见一较大囊性病灶,壁呈环形强化,囊内低密度区为水样密度,无强化,查阅手头国内外文献均未见提及,实属本病少有的表现。
, http://www.100md.com
但上述CT表现并无显著特异性,临床上需与腹腔淋巴瘤及转移性肿瘤鉴别,淋巴瘤常伴有肠系膜动静脉周围及其全身深、浅淋巴结肿大。腹腔转移性肿瘤常可查见原发病灶及相应表现。发生囊变者(如本组例1),多表现为囊、实性组织并存,与肠系膜囊肿鉴别不难。若发生于盆腔,则易与子宫附件占位病变相混淆,但后者临床上多有月经周期及经量等改变。上述病变有时鉴别困难,若腹腔内出现单、多发的有完整包膜的肿块,且易出血、坏死或伴囊性变,实体部分均匀强化,坏死、囊变组织无强化,结合相关临床病史,则应考虑到本病可能性。
参考文献
1 武忠弼,主编.病理学.第4版.北京:人民卫生出版社,1996.151.
2 姜英.误诊为直肠粘膜低分化腺Ca的恶 性黑色素瘤1例.齐鲁肿瘤杂志, 1996, 3: 240.
3 陈剑,陈辉.大网膜恶性黑色素瘤 1例报告.中国普通外科杂志, 1996, 5:182 .
, 百拇医药
4 Kawashima A,Fishman EK, Kuhlman JE,et al. CT of malignant melanoma:patterns of small bowel and mesenteric involvement.J Comput Assist tomogr,1991, 15:570-574.
5 Buzaid AC,Tinoco L,Ross ML, et al.Role of Computed tomography in the staging of patients with local regional metastases of melanoma.J Cl in Oncol,1995, 13:2104-2108.
收稿:1999-02-11
修回:1999-07-18, http://www.100md.com
单位:林光武、吕惠熙、高礼明、罗斌 四川泸州医学院附属医院放射科 646000;肖秀丽 泸州医学院病理学教研室
关键词:
中华放射学杂志991229 原发性腹腔多发黑色素瘤临床罕见。现将我院搜集的 2例结合文献报告如下。
例1 女, 36岁。左中下腹胀痛1年多,加重伴低热、消瘦、排便困难2个月入院。查体:全身皮肤、黏膜无色素斑痣,左中下腹扪及多个界限不清肿块。 B超示左中下腹囊肿伴不全性肠梗阻。CT增强检查:示左中下腹肠系膜及大网膜上多个境界清楚的类圆形肿块,直径 2~9 cm,呈均匀强化,CT值71~73 HU。较大肿块内有不规则低密度坏死区,无强化,CT值36~40 HU(图1)。左下腹大网膜上还见一直径约9 cm囊状强化肿块,壁光滑,囊内为均匀低密度区,无强化, CT值18 HU(图2)。CT考虑为肠系膜、大网膜占位。手术见:左下腹大网膜、小肠系膜上多个黑褐色肿块,直径2~9 cm,有完整包膜。较大病灶内有黑色干酪样坏死物,小者为实性。左下腹大网膜上还见一直径约9 cm黑色囊状肿块,囊壁光滑,囊液呈透明水样。肿块与邻近小肠有粘连。肠系膜及大网膜上未见肿大淋巴结。病理诊断:腹腔多发黑色素瘤(图3)。
, http://www.100md.com
图1 CT增强扫描,示左中下腹肠系膜及大网膜上多个境界清楚的类圆形软组织肿块,直径2~6 cm,呈均匀强化,CT值71~73 HU。较大肿块内有不规则低密度坏死区,无强化,CT值36~40 HU
图2 左中下腹大网膜上一直径约9 cm囊状强化肿块,壁光滑,囊内为均匀低密度区,无强化(CT值18 HU)。病灶周围有多个结节状小病灶,呈均匀强化
图3 病理切片(HE ×100):腹腔多发黑色素瘤
例2 女, 32岁。左下腹胀痛半年,加重伴大小便次数增多1周就诊。查体发现左下腹有一界限不清的肿块。B超示盆腔左侧多个不均匀回声光团。CT 增强检查:示盆腔左侧多个境界清楚的类圆形肿块,直径3~5 cm,呈大致均匀强化,CT值78~85 HU。较大肿块内有不规则低密度坏死区,无强化,CT值41~47 HU。 B超、CT拟诊为左侧卵巢占位。术中见乙状结肠系膜上多个黑褐色肿块,直径2~6 cm。较大者内部可见黑色干酪样坏死物,小者为实性。肿块与乙状结肠有粘连,盆腔内少量积血。病理诊断:乙状结肠系膜多发黑色素瘤。
, 百拇医药
讨论 黑色素瘤(melanoma)又称恶性黑色素瘤,是一种能产生黑色素的高度恶性肿瘤[1],大多见于 30岁以上成人,常发生于皮肤、黏膜,原发于网膜、肠系膜者极少见[2,3]。可单发或多发,病变早期及肿块较小时,一般不引起症状,肿块较大时,常推压或侵犯邻近器官,引起相应临床症状。肿瘤有包膜,易出血、坏死,瘤细胞内富含色素颗粒[1]。晚期经淋巴道及血运转移。本组2例术前体检全身皮肤、黏膜无色素斑痣,常规胸片、肝脏B超检查未见异常,术中腹腔内亦未见淋巴结转移,属腹腔多原发性肿瘤。
本病影像表现复杂,结合本组2例并复习 Kawashima等[4]、 Buzaid 等[5]的资料,CT表现可归纳为:腹腔内单、多发境界清楚的类圆形肿块,较大肿块内可伴出血或坏死,或出血与坏死并存。本组2例瘤内的低密度区为坏死组织,未见出血。增强表现为实体组织较均匀强化,坏死区无强化。本组例1 还见一较大囊性病灶,壁呈环形强化,囊内低密度区为水样密度,无强化,查阅手头国内外文献均未见提及,实属本病少有的表现。
, http://www.100md.com
但上述CT表现并无显著特异性,临床上需与腹腔淋巴瘤及转移性肿瘤鉴别,淋巴瘤常伴有肠系膜动静脉周围及其全身深、浅淋巴结肿大。腹腔转移性肿瘤常可查见原发病灶及相应表现。发生囊变者(如本组例1),多表现为囊、实性组织并存,与肠系膜囊肿鉴别不难。若发生于盆腔,则易与子宫附件占位病变相混淆,但后者临床上多有月经周期及经量等改变。上述病变有时鉴别困难,若腹腔内出现单、多发的有完整包膜的肿块,且易出血、坏死或伴囊性变,实体部分均匀强化,坏死、囊变组织无强化,结合相关临床病史,则应考虑到本病可能性。
参考文献
1 武忠弼,主编.病理学.第4版.北京:人民卫生出版社,1996.151.
2 姜英.误诊为直肠粘膜低分化腺Ca的恶 性黑色素瘤1例.齐鲁肿瘤杂志, 1996, 3: 240.
3 陈剑,陈辉.大网膜恶性黑色素瘤 1例报告.中国普通外科杂志, 1996, 5:182 .
, 百拇医药
4 Kawashima A,Fishman EK, Kuhlman JE,et al. CT of malignant melanoma:patterns of small bowel and mesenteric involvement.J Comput Assist tomogr,1991, 15:570-574.
5 Buzaid AC,Tinoco L,Ross ML, et al.Role of Computed tomography in the staging of patients with local regional metastases of melanoma.J Cl in Oncol,1995, 13:2104-2108.
收稿:1999-02-11
修回:1999-07-18, http://www.100md.com