GE Sytec 2000i CT机高压控制电路故障维修
作者:王宏春 向兴利 侯勇
单位:816000 青海省格尔木市,解放军第二十二医院
关键词:
中华放射学杂志000818 故障现象:给病人做头部检查,扫描过程中,曝光突然中止,操作台左上角信息显示键status灯亮,按下status键,监视器屏幕显示故障码:ER-116,XG response timeout (X线发生器响应超时)。
分析判断:根据故障现象,考虑此种故障可能是主控计算机由于某种原因而发出的随机错误指令,试关机,然后重新开机,系统自检通过,设置参数进行扫描,发现可以曝光,但发现在曝光准备过程中,F5(高压初级接触器)吸合时的声音与机器正常工作时的声音相比较要快得多。给病人作检查时机器的正常情况是:选择新病人,设置扫描参数,按下设置(set)键,键灯闪亮,旋转阳极开始启动加速,经过3.5 s加速完成,这时才可听见F5吸合的声音,F5工作后,扫描键(scan)键灯亮,曝光准备完成,这时如按下scan键,机器就可曝光。但在机器故障时的情况却是:几乎在按下set键的同时就听到F5吸合的声音,随后scan灯亮,曝光准备完成;这种现象表明旋转阳极没有经过加速过程F5就吸合,机器误认为曝光准备完成,允许曝光。
, 百拇医药
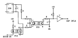
针对F5吸合过快这一现象进行分析,初步判断控制曝光时序的电路发生问题,曝光时序参见图1,图中信号高压发生器的电信号(XGON)、 高压初级接触器控制信号(F5 CONT)、曝光前准备控制信号(RDY CONT)、千伏使能信号(HV ENABL)应是在曝光准备前由主控计算机发出的高电平指令信号,而F5的工作状况实际上受曝光互锁(EXP INTLK)信号控制。对图1中逻辑门电路的输入、输出电平进行监测,发现曝光互锁信号在旋转阳极加速完成前就有5 V的高电平(正常情况应该是加速完成后才有5 V高电平),显然这5 V高电平来得过早,属异常情况。接下来检查曝光互锁信号通路,如图2所示,依据机器控制原理分析这部分电路,旋转阳极启动完成信号(ROTOR ON)是旋转阳极启动后由旋转阳极控制板反馈来的低电平信号,它是在旋转阳极加速完成后才发出,它到来后,光耦PC4工作,继而光耦PC6得电工作,发出曝光互锁信号。根据以上分析,分阳极加速前和加速完成后2种情况对ROTOR ON信号、PC4、PC6的各脚电位进行测试。发现加速前ROTOR ON信号为4.3 V,加速完成后变为0 V,证明这路信号正常;而PC6的2脚无论是在加速前和加速完成后始终保持0.6 V低电平(加速前此点正常应为27.5 V的高电平),由此判断PC6一直在工作,问题可能出在控制其工作电源的PC4上,测试PC4管脚电压,发现其中2脚电压均为0 V,分析知是其接收管的VC和VE,怀疑接收管集射极间击穿短路。为了证实这一点,拆下PC4测试,发现接收管集射极间正反向阻值仅0.7Ω,证实PC4确已损坏。
, 百拇医药
图1 曝光时序
图2 曝光互锁信号产生电路
修复:因电路板为多层板,手头又无专用拆装工具,担心损坏电路板,没有贸然拆焊,但在分析电路时注意到电路板上各光耦型号规格完全一样,均为8脚塑封,从其他光耦连接可以看出,每块光耦内部均为双路发射、双路接收,而PC4的另一半管脚悬空,外无连线,断定这路光耦空置没用。用手术刀小心将损坏光耦各管脚外连铜箔划断,再用细导线将损坏光耦原外部连线接到空置光耦各对应管脚上,最后用绝缘胶固定导线,处理好电路板,装机试曝光,机器恢复正常。
(收稿:1999-09-28), http://www.100md.com
单位:816000 青海省格尔木市,解放军第二十二医院
关键词:
中华放射学杂志000818 故障现象:给病人做头部检查,扫描过程中,曝光突然中止,操作台左上角信息显示键status灯亮,按下status键,监视器屏幕显示故障码:ER-116,XG response timeout (X线发生器响应超时)。
分析判断:根据故障现象,考虑此种故障可能是主控计算机由于某种原因而发出的随机错误指令,试关机,然后重新开机,系统自检通过,设置参数进行扫描,发现可以曝光,但发现在曝光准备过程中,F5(高压初级接触器)吸合时的声音与机器正常工作时的声音相比较要快得多。给病人作检查时机器的正常情况是:选择新病人,设置扫描参数,按下设置(set)键,键灯闪亮,旋转阳极开始启动加速,经过3.5 s加速完成,这时才可听见F5吸合的声音,F5工作后,扫描键(scan)键灯亮,曝光准备完成,这时如按下scan键,机器就可曝光。但在机器故障时的情况却是:几乎在按下set键的同时就听到F5吸合的声音,随后scan灯亮,曝光准备完成;这种现象表明旋转阳极没有经过加速过程F5就吸合,机器误认为曝光准备完成,允许曝光。
, 百拇医药
针对F5吸合过快这一现象进行分析,初步判断控制曝光时序的电路发生问题,曝光时序参见图1,图中信号高压发生器的电信号(XGON)、 高压初级接触器控制信号(F5 CONT)、曝光前准备控制信号(RDY CONT)、千伏使能信号(HV ENABL)应是在曝光准备前由主控计算机发出的高电平指令信号,而F5的工作状况实际上受曝光互锁(EXP INTLK)信号控制。对图1中逻辑门电路的输入、输出电平进行监测,发现曝光互锁信号在旋转阳极加速完成前就有5 V的高电平(正常情况应该是加速完成后才有5 V高电平),显然这5 V高电平来得过早,属异常情况。接下来检查曝光互锁信号通路,如图2所示,依据机器控制原理分析这部分电路,旋转阳极启动完成信号(ROTOR ON)是旋转阳极启动后由旋转阳极控制板反馈来的低电平信号,它是在旋转阳极加速完成后才发出,它到来后,光耦PC4工作,继而光耦PC6得电工作,发出曝光互锁信号。根据以上分析,分阳极加速前和加速完成后2种情况对ROTOR ON信号、PC4、PC6的各脚电位进行测试。发现加速前ROTOR ON信号为4.3 V,加速完成后变为0 V,证明这路信号正常;而PC6的2脚无论是在加速前和加速完成后始终保持0.6 V低电平(加速前此点正常应为27.5 V的高电平),由此判断PC6一直在工作,问题可能出在控制其工作电源的PC4上,测试PC4管脚电压,发现其中2脚电压均为0 V,分析知是其接收管的VC和VE,怀疑接收管集射极间击穿短路。为了证实这一点,拆下PC4测试,发现接收管集射极间正反向阻值仅0.7Ω,证实PC4确已损坏。
, 百拇医药
图1 曝光时序
图2 曝光互锁信号产生电路
修复:因电路板为多层板,手头又无专用拆装工具,担心损坏电路板,没有贸然拆焊,但在分析电路时注意到电路板上各光耦型号规格完全一样,均为8脚塑封,从其他光耦连接可以看出,每块光耦内部均为双路发射、双路接收,而PC4的另一半管脚悬空,外无连线,断定这路光耦空置没用。用手术刀小心将损坏光耦各管脚外连铜箔划断,再用细导线将损坏光耦原外部连线接到空置光耦各对应管脚上,最后用绝缘胶固定导线,处理好电路板,装机试曝光,机器恢复正常。
(收稿:1999-09-28), http://www.100md.com