组织纤维连接蛋白在软组织创伤修复中的作用
作者:黄晓春 李泽兵 唐红敏 邹扬华 姜立本
单位:上海医科大学附属中山医院康复科,上海枫林路180号,200032
关键词:创伤;组织纤维连接蛋白;免疫组织化学
中国康复医学杂志990607 摘要 目的:探讨组织纤维连接蛋白在软组织创伤修复过程中的变化和意义。方法:采用大鼠腓肠肌钝击伤模型,分别于伤后8h,24h,72h,7d和12d进行一般观察、组织切片、纤维连接蛋白免疫组化观察。结果:创伤后组织纤维连接蛋白迅速增加,于伤后72h达高峰,第7d开始消退,纤维连接蛋白阳性区主要分布于变性、坏死区域和小血管周围。72h后成纤维细胞明显增多,细胞纤维连接蛋白阳性,但阳性程度不如前者。结论:软组织创伤修复过程中组织纤维连接蛋白主要来源于血浆纤维连接蛋白的沉积,而后期则有一部分来自成纤维细胞的合成。
The role of tissue fibronectin in soft tissue wound healing
, http://www.100md.com
HUANG Xiaochun,LI Zebing,TANG Hongmin,et al
Chinese Journal of Rehabilitation Medicine,1999,14(6):260~263
Abstract Objective:To study the role of tissue fibronectin(FN) in the wound healing. Method:Thirty SD rats were randomly divided into control group, 8 hours group, 24 hours group , 7days group and 12 days group after trauma. Using rat gastrocnemius muscle blunt trauma model, the histological and immuno-histochemical changes of the wound was observed. Result:Tissue FN accumulated soon after the trauma. It came to a peak at 72 hours after trauma. The positive area of tissue FN are mainly located in the endomysium of the damaged area and around small vessels. In the late phase of the damage(after 72 hours), fibroblasts increased obviously, and the cell surface became FN positive, but it was less positive than the endomysium in the damaged area and around small vessels.Conclusion:Tissue FN in the damaged area mainly comes from plasma FN, in the late phase of trauma, a part of tissue FN is synthesized by fibroblasts.
, 百拇医药
Author′s address Zhongshan Hospital,Shanghai Medical University,200032
Key words Wound healing;Tissue fibronectin;Immunohistochemistry
组织纤维连接蛋白(fibronectin,FN)是高分子化合物,分子量440~450,属糖蛋白,主要分布在血液、组织液、淋巴液,以及基膜和细胞外基质(extracellular matrix,ECM)中。一般将FN分为两类:血浆FN和组织FN。血浆FN是二聚体,具有调理作用,同时还能结合到组织中去;组织FN是二聚体或多聚体,参与细胞活动,对细胞有趋化作用,与细胞分裂有关,因此FN在创伤的修复中具有重要作用。
1 材料与方法
1.1 实验动物与分组
, http://www.100md.com
将30只体重为200~250g的SD雄鼠随机分为对照组、8h组、24h组、72h组、7d组和12d组,每组各5只。
1.2 创伤模型的建立〔1〕
以0.3%的戊巴比妥钠溶液(1ml/kgBW)作腹腔麻醉。采用640g重物,打击面为圆形,直径1cm,自25cm高处垂直落下,打击实验组大鼠右侧腓肠肌。致伤部位依次涂以龙胆紫和碘酒作为标志。对照组仅作麻醉不致伤。
1.3 取材
分别于致伤后相应时间处死5个实验组动物,对照组与8h组同时处死。麻醉满意后,于创伤中心取约1cm×1cm的腓肠肌标本,作好标记后,以4%甲醛固定24h~36h,待作切片,作HE染色和纤维连接蛋白的免疫组织化学染色观察。
纤维连接蛋白免疫组织化学染色(光镜、PAP法)〔2〕。
, 百拇医药
2 结果
2.1 一般观察
对照组无异常表现。8h组出现患处肿胀,可见瘀血,略有跛行,取组织标本时,皮下及肌肉内可见血肿。24h组患处肿胀最显著。72h组肿胀已开始消退,仍有瘀血,已无跛行,取组织标本时偶可见血肿,范围小。7d组肉眼观察已接近正常组织。12d组已完全恢复正常。
2.2 HE染色
对照组:肌层肌纤维大小较一致,嗜酸性,纵横纹清晰,核呈长椭圆形,位于胞浆周边部。
8h组:病变区肌纤维变性、坏死,细胞明显肿胀,纵横纹消失,呈均质状,部分肌纤维细胞胞浆脱失,残留肌膜支架,或胞浆凝聚成颗粒状,胞浆内可见数量不等的白细胞浸润,胞核固缩或溶解,肌肉间质明显充血、水肿,大量中性白细胞浸润(图1)。
, http://www.100md.com
图1 创伤后8h肌细胞变性,炎细胞浸润(×50)
24h组:肌肉坏死明显,大量炎症细胞浸润及弥漫性出血。
72h组:肌纤维崩解,伴弥漫性出血,肌肉坏死周边区逐渐被肉芽组织所替代,病灶内可见丰富的毛细血管、幼稚的成纤维细胞及炎症细胞,肉芽组织内可见残存的变性、坏死的肌纤维细胞(图2)。
图2 创伤后72h肌细胞变性坏死(×50)
7d组:肉芽组织及纤维组织增生,穿插于病变区变性及坏死的肌组织之间,肌纤维断裂、萎缩、消失,伴有多量炎症细胞浸润。
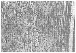
12d组:以纤维组织增生为主,疤痕形成,分隔包绕变性的肌纤维束,肌纤维萎缩,伴有少量的炎症细胞浸润,以单核及淋巴细胞为主,个别区域仍可见少数炎症细胞吞噬变性、坏死的肌纤维的现象,含铁血黄素沉积(图3)。
, http://www.100md.com
图3 创伤后12d肌间纤维结缔组织(×50)
2.3 FN免疫组织化学染色
对照组:肌肉细胞FN阴性。
8h组:受损区肌内膜FN阳性,肌浆FN阴性,故呈筛孔状分布,间质内FN主要见于小血管壁及其周围,FN阳性区与HE染色中的肌肉受损区相一致(图4)。
图4 创伤后8h小血管周围及肌内膜FN阳性(×100)
24h组:成纤维细胞可见轻度染色,FN呈细丝网状分布;肌肉变性、坏死区,肌内膜FN染色明显,呈阳性反应,为网状条索状,粗细不均,间质内FN主要以小血管为中心分布,染色较强,毛细血管壁FN阳性。
, http://www.100md.com
72h组:肌肉受损区域小血管周围FN阳性区明显扩大,小血管壁染色较强,愈向外周染色愈弱,FN沉积于变性、坏死区的肌内膜,呈强阳性反应,弥漫性分布在肉芽组织及纤维网架上(图5);成纤维细胞FN染色最强,但与小血管周围及肌内膜相比程度较轻(图6)。
图5 创伤后72h小血管周围及肌内膜FN强阳性(×50)
图6 创伤后72h成纤维细胞FN染色最强(×100)
7d组:肌肉病变区的肌内膜和小血管周围的基质FN染色逐渐减弱,肉芽组织区FN呈弱阳性反应,但坏死区FN染色仍较强,呈弥漫性分布。
12d组:肌肉病变区为肉芽及纤维组织所替代,FN呈阳性反应,弥漫性分布,血管周围FN呈弱阳性反应,且较为局限,大都仅沿着小血管壁分布。
, 百拇医药
3 讨论
正常组织中,FN主要由成纤维细胞、血管内皮细胞、巨噬细胞合成和分泌,也可由血浆FN转化而来。组织FN主要以微纤维和无定形的结构形式广泛分布于细胞表面、基膜、疏松结缔组织和血管平滑肌周围〔3〕,由于它具有粘附能力,并参与细胞运动,对细胞具有趋化性,促进细胞分裂〔4〕,因此在胚胎生长发育〔5,6〕、肿瘤的发生和转移〔7,8〕,以及创伤修复〔9〕等病理生理过程中具有重要作用。
血浆FN在变性、坏死区的沉积有其重要的意义〔10〕。由于FN对外周血中的单核、巨噬细胞具有化学趋动作用〔11〕,可吸引单核、巨噬细胞聚集于创伤区域,FN的调理作用可介导单核、巨噬细胞清除创伤区的失活组织〔12〕,为创伤修复提供必要的细胞外环境;FN还对成纤维细胞具有化学趋动作用和细胞运动的基质作用〔13〕,能吸引成纤维细胞向创伤区定向迁移,促进肉芽组织向创伤区生长,以增生修复损伤的组织结构。Charles〔14〕等在动物实验中发现FN的局部应用可加速大鼠背部切口的愈合,Fujikawa〔9〕等在实验中发现FN能促进兔角膜溃疡的愈合,这些都说明FN在创伤修复中具有重要作用。
, http://www.100md.com
本研究采用大鼠腓肠肌钝击伤的模型,用FN免疫组化的方法观察肌肉创伤的修复过程中,发现FN的阳性区主要分布在血管周围的肌内膜和间质中的小血管周围,这种现象在创伤后8h即出现(图1),贯穿于整个修复过程中并且于72h达到高峰(图2),而成纤维细胞72h明显增多,细胞FN染色增强,但阳性程度不如前者(图3),说明此时成纤维细胞虽已开始合成与分泌FN,但在创伤修复中起作用的FN主要还是渗出至血管周围和组织变性、坏死区的血浆FN〔11,12〕。我们认为在有血供的组织修复过程中,沉积的血浆FN起主要作用,早期完全来自血浆,而后期则有一部分来自成纤维细胞的合成与分泌。我们设想对临床上严重创伤的病例,给予血浆冷凝沉淀物,提高血浆FN含量,可能会增加血浆FN在创伤区域的沉积,促进组织创伤的修复。
参考文献
1 Stratton SA, et al. Therapeutic ultrasound: its effects on the integrity of a nonpenetrating wound.J Orthop Sports Phys Ther,1984,5:278~281
, 百拇医药
2 Svante Stenman, et al. Distribution of a major connective tissue protein,fibronectin,in normal human tissues,J Exp Med,1978,147(4):1054~1064.
3 Bellay YM, et al. An immunocytochemical method for quantification of lung tissue FN.Pro Exp Bio and Med,1988,188:159~161.
4 Deane FM. Physiology of fibronectin.Ann Rev Med 1984;35:561~75
5 Veronique Richoux, et al. Disribution of fibronectin and laminin in the early pig embryo. Anat Rec,1989,223:72~81.
, http://www.100md.com
6 Winklbauer R, et al. Conditions for fibronectin fibril formation in the early Xenopus embryo. Dev Dyn,1998,212(3):335~345.
7 Sugihara H, et al. Distribtion of fibronectin and laminin in early and advanced signet-ring-cell carcinomas of the stomach.Int J Cancer,1989,43:262~269.
8 Enam SA , et al. Role of extracellular matrix in tumor invasion: migration of glioma cells along fibronectin-positive mesenchymal cell processes. Neurosurgery,1998,42(3):599~607.
, http://www.100md.com
9 Fujikawa LS, et al. Fibronectin in healing rabbit corneal wound.Lab Invest,1981,45:120~129.
10 Esther OH, et al. Deposition of plasma fibronectin in tissues. Proc Natl Acad Sci USA,1981,78(5):3218~3222.
11 Norris DA, et al. Fibronectin fragments are chemotatic for human peripheral blood monocytes. J Immunol,1982,129:1612~1618.
12 David EM, et al. Tissue debris at the injury site is coated by plasma fibronectin and subsequently removed by tissue macrophages. Arch Dermatol,1988,124:226~30.
13 Sappa HEJ, et al. The cell binding fragment of fibronectin is chemotatic for fibroblasts. Cell Biol Int Rep,1981,5:813~819.
14 Charles YC, et al. Fibronectin enhances healing of excised wound in rats. Arch Dermatol,1988,124:221~226.
收稿日期:1999-06-10, 百拇医药
单位:上海医科大学附属中山医院康复科,上海枫林路180号,200032
关键词:创伤;组织纤维连接蛋白;免疫组织化学
中国康复医学杂志990607 摘要 目的:探讨组织纤维连接蛋白在软组织创伤修复过程中的变化和意义。方法:采用大鼠腓肠肌钝击伤模型,分别于伤后8h,24h,72h,7d和12d进行一般观察、组织切片、纤维连接蛋白免疫组化观察。结果:创伤后组织纤维连接蛋白迅速增加,于伤后72h达高峰,第7d开始消退,纤维连接蛋白阳性区主要分布于变性、坏死区域和小血管周围。72h后成纤维细胞明显增多,细胞纤维连接蛋白阳性,但阳性程度不如前者。结论:软组织创伤修复过程中组织纤维连接蛋白主要来源于血浆纤维连接蛋白的沉积,而后期则有一部分来自成纤维细胞的合成。
The role of tissue fibronectin in soft tissue wound healing
, http://www.100md.com
HUANG Xiaochun,LI Zebing,TANG Hongmin,et al
Chinese Journal of Rehabilitation Medicine,1999,14(6):260~263
Abstract Objective:To study the role of tissue fibronectin(FN) in the wound healing. Method:Thirty SD rats were randomly divided into control group, 8 hours group, 24 hours group , 7days group and 12 days group after trauma. Using rat gastrocnemius muscle blunt trauma model, the histological and immuno-histochemical changes of the wound was observed. Result:Tissue FN accumulated soon after the trauma. It came to a peak at 72 hours after trauma. The positive area of tissue FN are mainly located in the endomysium of the damaged area and around small vessels. In the late phase of the damage(after 72 hours), fibroblasts increased obviously, and the cell surface became FN positive, but it was less positive than the endomysium in the damaged area and around small vessels.Conclusion:Tissue FN in the damaged area mainly comes from plasma FN, in the late phase of trauma, a part of tissue FN is synthesized by fibroblasts.
, 百拇医药
Author′s address Zhongshan Hospital,Shanghai Medical University,200032
Key words Wound healing;Tissue fibronectin;Immunohistochemistry
组织纤维连接蛋白(fibronectin,FN)是高分子化合物,分子量440~450,属糖蛋白,主要分布在血液、组织液、淋巴液,以及基膜和细胞外基质(extracellular matrix,ECM)中。一般将FN分为两类:血浆FN和组织FN。血浆FN是二聚体,具有调理作用,同时还能结合到组织中去;组织FN是二聚体或多聚体,参与细胞活动,对细胞有趋化作用,与细胞分裂有关,因此FN在创伤的修复中具有重要作用。
1 材料与方法
1.1 实验动物与分组
, http://www.100md.com
将30只体重为200~250g的SD雄鼠随机分为对照组、8h组、24h组、72h组、7d组和12d组,每组各5只。
1.2 创伤模型的建立〔1〕
以0.3%的戊巴比妥钠溶液(1ml/kgBW)作腹腔麻醉。采用640g重物,打击面为圆形,直径1cm,自25cm高处垂直落下,打击实验组大鼠右侧腓肠肌。致伤部位依次涂以龙胆紫和碘酒作为标志。对照组仅作麻醉不致伤。
1.3 取材
分别于致伤后相应时间处死5个实验组动物,对照组与8h组同时处死。麻醉满意后,于创伤中心取约1cm×1cm的腓肠肌标本,作好标记后,以4%甲醛固定24h~36h,待作切片,作HE染色和纤维连接蛋白的免疫组织化学染色观察。
纤维连接蛋白免疫组织化学染色(光镜、PAP法)〔2〕。
, 百拇医药
2 结果
2.1 一般观察
对照组无异常表现。8h组出现患处肿胀,可见瘀血,略有跛行,取组织标本时,皮下及肌肉内可见血肿。24h组患处肿胀最显著。72h组肿胀已开始消退,仍有瘀血,已无跛行,取组织标本时偶可见血肿,范围小。7d组肉眼观察已接近正常组织。12d组已完全恢复正常。
2.2 HE染色
对照组:肌层肌纤维大小较一致,嗜酸性,纵横纹清晰,核呈长椭圆形,位于胞浆周边部。
8h组:病变区肌纤维变性、坏死,细胞明显肿胀,纵横纹消失,呈均质状,部分肌纤维细胞胞浆脱失,残留肌膜支架,或胞浆凝聚成颗粒状,胞浆内可见数量不等的白细胞浸润,胞核固缩或溶解,肌肉间质明显充血、水肿,大量中性白细胞浸润(图1)。
, http://www.100md.com
图1 创伤后8h肌细胞变性,炎细胞浸润(×50)
24h组:肌肉坏死明显,大量炎症细胞浸润及弥漫性出血。
72h组:肌纤维崩解,伴弥漫性出血,肌肉坏死周边区逐渐被肉芽组织所替代,病灶内可见丰富的毛细血管、幼稚的成纤维细胞及炎症细胞,肉芽组织内可见残存的变性、坏死的肌纤维细胞(图2)。
图2 创伤后72h肌细胞变性坏死(×50)
7d组:肉芽组织及纤维组织增生,穿插于病变区变性及坏死的肌组织之间,肌纤维断裂、萎缩、消失,伴有多量炎症细胞浸润。
12d组:以纤维组织增生为主,疤痕形成,分隔包绕变性的肌纤维束,肌纤维萎缩,伴有少量的炎症细胞浸润,以单核及淋巴细胞为主,个别区域仍可见少数炎症细胞吞噬变性、坏死的肌纤维的现象,含铁血黄素沉积(图3)。
, http://www.100md.com
图3 创伤后12d肌间纤维结缔组织(×50)
2.3 FN免疫组织化学染色
对照组:肌肉细胞FN阴性。
8h组:受损区肌内膜FN阳性,肌浆FN阴性,故呈筛孔状分布,间质内FN主要见于小血管壁及其周围,FN阳性区与HE染色中的肌肉受损区相一致(图4)。
图4 创伤后8h小血管周围及肌内膜FN阳性(×100)
24h组:成纤维细胞可见轻度染色,FN呈细丝网状分布;肌肉变性、坏死区,肌内膜FN染色明显,呈阳性反应,为网状条索状,粗细不均,间质内FN主要以小血管为中心分布,染色较强,毛细血管壁FN阳性。
, http://www.100md.com
72h组:肌肉受损区域小血管周围FN阳性区明显扩大,小血管壁染色较强,愈向外周染色愈弱,FN沉积于变性、坏死区的肌内膜,呈强阳性反应,弥漫性分布在肉芽组织及纤维网架上(图5);成纤维细胞FN染色最强,但与小血管周围及肌内膜相比程度较轻(图6)。
图5 创伤后72h小血管周围及肌内膜FN强阳性(×50)
图6 创伤后72h成纤维细胞FN染色最强(×100)
7d组:肌肉病变区的肌内膜和小血管周围的基质FN染色逐渐减弱,肉芽组织区FN呈弱阳性反应,但坏死区FN染色仍较强,呈弥漫性分布。
12d组:肌肉病变区为肉芽及纤维组织所替代,FN呈阳性反应,弥漫性分布,血管周围FN呈弱阳性反应,且较为局限,大都仅沿着小血管壁分布。
, 百拇医药
3 讨论
正常组织中,FN主要由成纤维细胞、血管内皮细胞、巨噬细胞合成和分泌,也可由血浆FN转化而来。组织FN主要以微纤维和无定形的结构形式广泛分布于细胞表面、基膜、疏松结缔组织和血管平滑肌周围〔3〕,由于它具有粘附能力,并参与细胞运动,对细胞具有趋化性,促进细胞分裂〔4〕,因此在胚胎生长发育〔5,6〕、肿瘤的发生和转移〔7,8〕,以及创伤修复〔9〕等病理生理过程中具有重要作用。
血浆FN在变性、坏死区的沉积有其重要的意义〔10〕。由于FN对外周血中的单核、巨噬细胞具有化学趋动作用〔11〕,可吸引单核、巨噬细胞聚集于创伤区域,FN的调理作用可介导单核、巨噬细胞清除创伤区的失活组织〔12〕,为创伤修复提供必要的细胞外环境;FN还对成纤维细胞具有化学趋动作用和细胞运动的基质作用〔13〕,能吸引成纤维细胞向创伤区定向迁移,促进肉芽组织向创伤区生长,以增生修复损伤的组织结构。Charles〔14〕等在动物实验中发现FN的局部应用可加速大鼠背部切口的愈合,Fujikawa〔9〕等在实验中发现FN能促进兔角膜溃疡的愈合,这些都说明FN在创伤修复中具有重要作用。
, http://www.100md.com
本研究采用大鼠腓肠肌钝击伤的模型,用FN免疫组化的方法观察肌肉创伤的修复过程中,发现FN的阳性区主要分布在血管周围的肌内膜和间质中的小血管周围,这种现象在创伤后8h即出现(图1),贯穿于整个修复过程中并且于72h达到高峰(图2),而成纤维细胞72h明显增多,细胞FN染色增强,但阳性程度不如前者(图3),说明此时成纤维细胞虽已开始合成与分泌FN,但在创伤修复中起作用的FN主要还是渗出至血管周围和组织变性、坏死区的血浆FN〔11,12〕。我们认为在有血供的组织修复过程中,沉积的血浆FN起主要作用,早期完全来自血浆,而后期则有一部分来自成纤维细胞的合成与分泌。我们设想对临床上严重创伤的病例,给予血浆冷凝沉淀物,提高血浆FN含量,可能会增加血浆FN在创伤区域的沉积,促进组织创伤的修复。
参考文献
1 Stratton SA, et al. Therapeutic ultrasound: its effects on the integrity of a nonpenetrating wound.J Orthop Sports Phys Ther,1984,5:278~281
, 百拇医药
2 Svante Stenman, et al. Distribution of a major connective tissue protein,fibronectin,in normal human tissues,J Exp Med,1978,147(4):1054~1064.
3 Bellay YM, et al. An immunocytochemical method for quantification of lung tissue FN.Pro Exp Bio and Med,1988,188:159~161.
4 Deane FM. Physiology of fibronectin.Ann Rev Med 1984;35:561~75
5 Veronique Richoux, et al. Disribution of fibronectin and laminin in the early pig embryo. Anat Rec,1989,223:72~81.
, http://www.100md.com
6 Winklbauer R, et al. Conditions for fibronectin fibril formation in the early Xenopus embryo. Dev Dyn,1998,212(3):335~345.
7 Sugihara H, et al. Distribtion of fibronectin and laminin in early and advanced signet-ring-cell carcinomas of the stomach.Int J Cancer,1989,43:262~269.
8 Enam SA , et al. Role of extracellular matrix in tumor invasion: migration of glioma cells along fibronectin-positive mesenchymal cell processes. Neurosurgery,1998,42(3):599~607.
, http://www.100md.com
9 Fujikawa LS, et al. Fibronectin in healing rabbit corneal wound.Lab Invest,1981,45:120~129.
10 Esther OH, et al. Deposition of plasma fibronectin in tissues. Proc Natl Acad Sci USA,1981,78(5):3218~3222.
11 Norris DA, et al. Fibronectin fragments are chemotatic for human peripheral blood monocytes. J Immunol,1982,129:1612~1618.
12 David EM, et al. Tissue debris at the injury site is coated by plasma fibronectin and subsequently removed by tissue macrophages. Arch Dermatol,1988,124:226~30.
13 Sappa HEJ, et al. The cell binding fragment of fibronectin is chemotatic for fibroblasts. Cell Biol Int Rep,1981,5:813~819.
14 Charles YC, et al. Fibronectin enhances healing of excised wound in rats. Arch Dermatol,1988,124:221~226.
收稿日期:1999-06-10, 百拇医药