Gambro AK-90S型人工肾流量泵的自动保护装置
作者:姜 林
单位:沈阳军区总医院 (110015)
关键词:
AK AK-90S型人工肾的流量泵为磁力驱动齿轮泵,流量泵故障是该机比较常见的故障。因为该机采用碳酸氢盐和醋酸盐两种透折液,而碳酸氢盐透折液的缺点之一是存在CaCO3沉淀。当CaCO3在泵内壁和齿轮及磁力从动轮表面沉淀到一定量又未及时冲洗且磁力从动轮与齿轮的传动点又比较脆弱时,就可引起其损坏。该故障既影响临床透折工作,又带来一定的经济损失,因此本人研制了流量泵的自动保护装置,来解决上述问题。
沉淀量增加时,控制系统为维持恒定的流量而提高电机供电电压,电流也随之增加。我们根据电流的变化趋势,监测CaCO3的沉淀量,当电流增加到接近危险区时,切断电机的供电电路,以保护流量泵避免损坏。
正常的泵冲洗后以每分钟500ml的流量工作时电流为80mA,工作10小时;小升为100ml,工作20个小时时,为120mA,工作30小时后为140mA。此时泵内磁力从动轮即处于危险区,随时都会损坏。因为一般情况为连续工作16小时作一次冲洗,因此我设定工作保护点为120mA即正常工作20个小时时的沉淀量。这样即有利于完成正常透折,同时与危险区尚有一段距离。
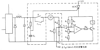
我们研制的装置电路如附图所示,虚线内为增加的保护电路,原电路的R35、R36和R37为该泵电流低于50mA时的检测电路的一部分,此电路只有当供电电路开路或泵已损坏无负载时提供一个泵电流太低的故障报警。我也利用了R36和R37的中间点B点电压做为电流采样值与R1、R2、R3设定的电位Vc比较(Vc的值是根据电机在120mA时,可在B点形成的电压值作为临界保护点),通过IC比较器比较的值送到Q1。当Vb>Vc时,Q1导通。若在开机泵工作3秒之后即可控硅导通后,J1继电回器工作,常用结点J1-1,J1-2断开、常开结点J1-3接通。J1-1断开后,切断电机回路同时机器发出泵电流太低的报警。J1-2、J1-3是维持J1继电器继续工作的自锁结点,解锁的方法是冲洗后重新开机。可控硅SCR1、R4、C1为泵加电保护延时电路,以防泵启动时电流大引起误报警。开关K为冲洗时的外部辅助开关。平时是断开的,一旦机器发出泵电流太低报警的时候,通过关闭此开关完成冲洗过程,冲洗结束后,断开开关K。
, 百拇医药
单位:沈阳军区总医院 (110015)
关键词:
AK AK-90S型人工肾的流量泵为磁力驱动齿轮泵,流量泵故障是该机比较常见的故障。因为该机采用碳酸氢盐和醋酸盐两种透折液,而碳酸氢盐透折液的缺点之一是存在CaCO3沉淀。当CaCO3在泵内壁和齿轮及磁力从动轮表面沉淀到一定量又未及时冲洗且磁力从动轮与齿轮的传动点又比较脆弱时,就可引起其损坏。该故障既影响临床透折工作,又带来一定的经济损失,因此本人研制了流量泵的自动保护装置,来解决上述问题。
沉淀量增加时,控制系统为维持恒定的流量而提高电机供电电压,电流也随之增加。我们根据电流的变化趋势,监测CaCO3的沉淀量,当电流增加到接近危险区时,切断电机的供电电路,以保护流量泵避免损坏。
正常的泵冲洗后以每分钟500ml的流量工作时电流为80mA,工作10小时;小升为100ml,工作20个小时时,为120mA,工作30小时后为140mA。此时泵内磁力从动轮即处于危险区,随时都会损坏。因为一般情况为连续工作16小时作一次冲洗,因此我设定工作保护点为120mA即正常工作20个小时时的沉淀量。这样即有利于完成正常透折,同时与危险区尚有一段距离。
我们研制的装置电路如附图所示,虚线内为增加的保护电路,原电路的R35、R36和R37为该泵电流低于50mA时的检测电路的一部分,此电路只有当供电电路开路或泵已损坏无负载时提供一个泵电流太低的故障报警。我也利用了R36和R37的中间点B点电压做为电流采样值与R1、R2、R3设定的电位Vc比较(Vc的值是根据电机在120mA时,可在B点形成的电压值作为临界保护点),通过IC比较器比较的值送到Q1。当Vb>Vc时,Q1导通。若在开机泵工作3秒之后即可控硅导通后,J1继电回器工作,常用结点J1-1,J1-2断开、常开结点J1-3接通。J1-1断开后,切断电机回路同时机器发出泵电流太低的报警。J1-2、J1-3是维持J1继电器继续工作的自锁结点,解锁的方法是冲洗后重新开机。可控硅SCR1、R4、C1为泵加电保护延时电路,以防泵启动时电流大引起误报警。开关K为冲洗时的外部辅助开关。平时是断开的,一旦机器发出泵电流太低报警的时候,通过关闭此开关完成冲洗过程,冲洗结束后,断开开关K。