Open Mark 2000磁共振成像系统的正交头线圈
作者:冯利民
单位:深圳安科公司(518067)
关键词:磁共振成像系统;正交线圈;正交合成;信噪比
中国医疗器械杂志990605 提要 Open Mark 2000磁共振成像系统中,采用正交合成技术,研制出的正交头线圈,较常规螺线管线圈的信噪比提高20%以上。
Quadrature Head Coil of Open Mark 2000 MRI System
Feng Limin
Shen Zhen Analogic Scientific Incorporation
ABSTRACT By using Quadrature c ombining technology in Open Mark 2000 MRI system of An Ke Inc.,we developed Quadrature head coil which is better than normal solenoid coil by 20% in signal to noise ratio.
, 百拇医药
KEY WORDS MRI system Quadrature coil Quadrature combining Signal to noise ratio
在磁共振成像系统中,要获得高质量的图像,提高接收线圈的性能是关键的一个步骤[1]。采用正交合成技术是提高接收线圈性能切实可行的一个途径[2]。理论上正交接收线圈比单接收线圈的信噪比可以提高41%,但考虑到在主磁场为垂直方向的情况下,欲正交合成的两个单接收线圈的性能不可能完全一样,它们存在着很大的差异,所以在正交合成时,并不能达到理论值,而且还必需对两个单接收线圈的信号采用加权合成,才能获得最佳的信噪比。为使正交线圈正常工作,还必须解决接收线圈与发射线圈之间以及两个单接收线圈之间的耦合问题。
1 正交线圈原理和方法
1.1 正交合成原理
, 百拇医药
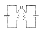
在主磁场为垂直方向的磁共振成像系统中,受激发的氢原子核绕垂直轴做进动[3],由质子自旋产生的磁化矢量在水平面内产生了一个圆极化的磁场分量。
接收线圈相当于一个磁场方向为水平方向的电感,它产生感应信号,见图1。组成正交线圈的两个单接收线圈的磁场分量分别是X和Y方向,因为它们的磁场方向正交,所以它们接收的信号在相位上相差90°,而线圈接收的噪声是不相干的。因此,通过90°移相合成器就可以使它们的信号电压相加,而噪声功率相加,达到提高信噪比的目的。图2为正交合成的框图。
图1 进动的原子核和接收线圈示意图
图2 正交合成的框图
, http://www.100md.com
假如两个接收线圈输出的信噪比为S1/N0和S2/N0,合成后的信噪比为:
其中K和
为90°移相合成器中信号S1和S2的加权传输系数。
当
时:
S/N最大为:
可以看出,如果S1=S2,则S/N=
N0,即可以使得信噪比比单线圈提高41%。
, 百拇医药
但在垂直场的MRT系统中,因为两个单线圈的结构不同,接收效率相差很大。以正交头线圈为例,因为线圈必须使人头可以沿水平方向进出线圈,磁场方向与人体纵轴方向相同的线圈可以采用效率高的螺线管线圈,而磁场方向与人体纵轴方向垂直的线圈必须采用效率较低的鞍形线圈,鞍形线圈的信噪比大约是螺线管线圈的70%。即在噪声相同的情况下,S1=0.7S2。通过正交合成后,信噪比可以提高20%以上。
1.2 正交线圈与发射线圈去耦
MRI系统中射频线圈电路可以简化为图3所示,包括由绕在线圈骨架金属条带形成的电感和金属条带中串联的电容以及由可调电容组成的匹配电路。
图3 射频线圈电路示意图
由于一般垂直场MRI系统均采用不同的发射和接收线圈,发射线圈产生的磁场垂直于平躺在病床上人体的纵轴方向,与正交线圈中的鞍形线圈磁场方向相同,两者不可避免地产生耦合,造成线圈失谐,如图4所示。对于发射线圈,失谐造成发射功率增大;对于接收线圈,失谐造成线圈损耗增大,信噪比降低。
, 百拇医药
图4 线圈耦合示意图
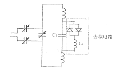
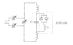
可以利用发射线圈和接收线圈分别工作在不同时间的特点来解决耦合问题。发射线圈和接收线圈分别采用图5和图6所示的去耦电路。
图5 接收线圈去耦电路示意图
图6 发射线圈去耦电路示意图
在发射线圈发射时,接收线圈不接收信号。发射线圈中二极管会自动导通,接收线圈产生感应电压,使接收线圈中二极管导通,C1、L1发生并联谐振,谐振频率与工作频率相同。C1、L1的并联谐振使得接收线圈相当于开路,不影响发射线圈正常工作。在接收线圈接收磁共振信号时,发射线圈不工作。由于磁共振信号非常微弱,接收线圈中二极管不导通,使L1失去作用,而发射线圈中二极管不导通使发射线圈开路,不影响接收线圈正常工作。
, 百拇医药
1.3 正交线圈之间去耦
由于线圈的机械加工有误差,使得正交线圈中的两个单线圈的磁场不完全正交,线圈之间有耦合,耦合同样造成线圈失谐,影响线圈的信噪比。解决线圈之间的耦合,可采用机械调整的办法,通过调整线圈金属条带的位置,使线圈磁场方向微小变化,达到两磁场完全正交。
2 实验结果和讨论
为了方便检测线圈的信噪比,我们制作一个长方形的样品,代替人头部进行扫描,样品的配置是用纯净的蒸馏水加入适量的CuSO4.5H2O和NaCl,使得样品在线圈中产生的损耗与人头部大约相同,T1、T2的驰豫时间也与人头部大约相同。
在OpenMark2000磁共振成像系统上,我们对采用螺线管结构的原头线圈和正交头线圈分别进行时域和图像信噪比测量,扫描采用Se0序列,其主要参数为,TR=500ms,TE=30ms,nav=4,nsl=11,thK=10mm,gap=20%,分别对时域和图像信噪比进行了测量,其结果见表1、表2。 表1
, 百拇医药
时域S/N
TRNS切面
SAGI切面
原头线圈
3840
4010
正交头线圈
4680
5120
正交头线圈/原头线圈
1.22
1.28
表2
, 百拇医药
时域S/N
TRNS切面
SAGI切面
原头线圈
286
290
正交头线圈
346
365
正交头线圈/原头线圈
1.21
1.26
实验结果表明,无论从时域信噪比还是图像信噪比来看,正交头线圈可以使信噪比提高20%以上。图像信噪比的改善略低于时域信噪比,这是因为影响图像信噪比的因素较多,其中一些与线圈无关。对于线圈性能的测定,应该以时域信噪比为准。 参考文献
, 百拇医药
1 G.H.Gloveret al.Comparision of Linear and Circular Polarization f or Magnetic Resonance Imaging.JOURNAL OF MAGNETIC RESONANCE.1985:255-270
2 D.I.Hoult et al. The Signal-to-Noise Ratio of the Nuclear Magn etic Resonance Experiment.JOURNAL OF MAGNETIC RESONANCE.1976:71-85
3 朱小平等.磁共振成像入门.同济大学出版社.1987
(1998年11月2日收稿), 百拇医药
单位:深圳安科公司(518067)
关键词:磁共振成像系统;正交线圈;正交合成;信噪比
中国医疗器械杂志990605 提要 Open Mark 2000磁共振成像系统中,采用正交合成技术,研制出的正交头线圈,较常规螺线管线圈的信噪比提高20%以上。
Quadrature Head Coil of Open Mark 2000 MRI System
Feng Limin
Shen Zhen Analogic Scientific Incorporation
ABSTRACT By using Quadrature c ombining technology in Open Mark 2000 MRI system of An Ke Inc.,we developed Quadrature head coil which is better than normal solenoid coil by 20% in signal to noise ratio.
, 百拇医药
KEY WORDS MRI system Quadrature coil Quadrature combining Signal to noise ratio
在磁共振成像系统中,要获得高质量的图像,提高接收线圈的性能是关键的一个步骤[1]。采用正交合成技术是提高接收线圈性能切实可行的一个途径[2]。理论上正交接收线圈比单接收线圈的信噪比可以提高41%,但考虑到在主磁场为垂直方向的情况下,欲正交合成的两个单接收线圈的性能不可能完全一样,它们存在着很大的差异,所以在正交合成时,并不能达到理论值,而且还必需对两个单接收线圈的信号采用加权合成,才能获得最佳的信噪比。为使正交线圈正常工作,还必须解决接收线圈与发射线圈之间以及两个单接收线圈之间的耦合问题。
1 正交线圈原理和方法
1.1 正交合成原理
, 百拇医药
在主磁场为垂直方向的磁共振成像系统中,受激发的氢原子核绕垂直轴做进动[3],由质子自旋产生的磁化矢量在水平面内产生了一个圆极化的磁场分量。
接收线圈相当于一个磁场方向为水平方向的电感,它产生感应信号,见图1。组成正交线圈的两个单接收线圈的磁场分量分别是X和Y方向,因为它们的磁场方向正交,所以它们接收的信号在相位上相差90°,而线圈接收的噪声是不相干的。因此,通过90°移相合成器就可以使它们的信号电压相加,而噪声功率相加,达到提高信噪比的目的。图2为正交合成的框图。
图1 进动的原子核和接收线圈示意图
图2 正交合成的框图
, http://www.100md.com
假如两个接收线圈输出的信噪比为S1/N0和S2/N0,合成后的信噪比为:
其中K和
当
S/N最大为:
可以看出,如果S1=S2,则S/N=
, 百拇医药
但在垂直场的MRT系统中,因为两个单线圈的结构不同,接收效率相差很大。以正交头线圈为例,因为线圈必须使人头可以沿水平方向进出线圈,磁场方向与人体纵轴方向相同的线圈可以采用效率高的螺线管线圈,而磁场方向与人体纵轴方向垂直的线圈必须采用效率较低的鞍形线圈,鞍形线圈的信噪比大约是螺线管线圈的70%。即在噪声相同的情况下,S1=0.7S2。通过正交合成后,信噪比可以提高20%以上。
1.2 正交线圈与发射线圈去耦
MRI系统中射频线圈电路可以简化为图3所示,包括由绕在线圈骨架金属条带形成的电感和金属条带中串联的电容以及由可调电容组成的匹配电路。
图3 射频线圈电路示意图
由于一般垂直场MRI系统均采用不同的发射和接收线圈,发射线圈产生的磁场垂直于平躺在病床上人体的纵轴方向,与正交线圈中的鞍形线圈磁场方向相同,两者不可避免地产生耦合,造成线圈失谐,如图4所示。对于发射线圈,失谐造成发射功率增大;对于接收线圈,失谐造成线圈损耗增大,信噪比降低。
, 百拇医药
图4 线圈耦合示意图
可以利用发射线圈和接收线圈分别工作在不同时间的特点来解决耦合问题。发射线圈和接收线圈分别采用图5和图6所示的去耦电路。
图5 接收线圈去耦电路示意图
图6 发射线圈去耦电路示意图
在发射线圈发射时,接收线圈不接收信号。发射线圈中二极管会自动导通,接收线圈产生感应电压,使接收线圈中二极管导通,C1、L1发生并联谐振,谐振频率与工作频率相同。C1、L1的并联谐振使得接收线圈相当于开路,不影响发射线圈正常工作。在接收线圈接收磁共振信号时,发射线圈不工作。由于磁共振信号非常微弱,接收线圈中二极管不导通,使L1失去作用,而发射线圈中二极管不导通使发射线圈开路,不影响接收线圈正常工作。
, 百拇医药
1.3 正交线圈之间去耦
由于线圈的机械加工有误差,使得正交线圈中的两个单线圈的磁场不完全正交,线圈之间有耦合,耦合同样造成线圈失谐,影响线圈的信噪比。解决线圈之间的耦合,可采用机械调整的办法,通过调整线圈金属条带的位置,使线圈磁场方向微小变化,达到两磁场完全正交。
2 实验结果和讨论
为了方便检测线圈的信噪比,我们制作一个长方形的样品,代替人头部进行扫描,样品的配置是用纯净的蒸馏水加入适量的CuSO4.5H2O和NaCl,使得样品在线圈中产生的损耗与人头部大约相同,T1、T2的驰豫时间也与人头部大约相同。
在OpenMark2000磁共振成像系统上,我们对采用螺线管结构的原头线圈和正交头线圈分别进行时域和图像信噪比测量,扫描采用Se0序列,其主要参数为,TR=500ms,TE=30ms,nav=4,nsl=11,thK=10mm,gap=20%,分别对时域和图像信噪比进行了测量,其结果见表1、表2。 表1
, 百拇医药
时域S/N
TRNS切面
SAGI切面
原头线圈
3840
4010
正交头线圈
4680
5120
正交头线圈/原头线圈
1.22
1.28
表2
, 百拇医药
时域S/N
TRNS切面
SAGI切面
原头线圈
286
290
正交头线圈
346
365
正交头线圈/原头线圈
1.21
1.26
实验结果表明,无论从时域信噪比还是图像信噪比来看,正交头线圈可以使信噪比提高20%以上。图像信噪比的改善略低于时域信噪比,这是因为影响图像信噪比的因素较多,其中一些与线圈无关。对于线圈性能的测定,应该以时域信噪比为准。 参考文献
, 百拇医药
1 G.H.Gloveret al.Comparision of Linear and Circular Polarization f or Magnetic Resonance Imaging.JOURNAL OF MAGNETIC RESONANCE.1985:255-270
2 D.I.Hoult et al. The Signal-to-Noise Ratio of the Nuclear Magn etic Resonance Experiment.JOURNAL OF MAGNETIC RESONANCE.1976:71-85
3 朱小平等.磁共振成像入门.同济大学出版社.1987
(1998年11月2日收稿), 百拇医药