一种心电和心室晚电位综合采集电路的设计
作者:吴水才 林家瑞 邓东云
单位:吴水才(华中理工大学生物工程系 武汉 430074);林家瑞(华中理工大学生物工程系 武汉 430074);邓东云(华中理工大学生物工程系 武汉 430074)
关键词:心室晚电位;心电信号;数据采集;电路设计
提 要提 要:介绍了一种心室晚电位和常规12导联心电信号综合采集电路。电路采用定时中断采样,具有程控调节放大倍数,全隔离浮地,低噪声,高共模抑制比,能够长时间连续采集数据等特点。
中图分类号:TH772.2 文献标识码:A
文章编号:1000-6974(2000)01-0020-03
Design of a Data Acquisition Circuit for Ventricular Late
, http://www.100md.com
Potentials and Electrocardiogram
WU Shui-cai
(Bioengineering Department,Huazhong University of Science and Technology)
LIN Jia-rui
(Bioengineering Department,Huazhong University of Science and Technology)
DEN Dong-yun
(Bioengineering Department,Huazhong University of Science and Technology)
, 百拇医药
Abstract:This paper introduces a data acquisition circuit that is able to acquire ventricular late potentials and standard 12-lead electrocardiogram signals.This circuit adopts time interruption acquisition,it has the characteristics of programmed gain ,isolated ground,low-noise,high-CMRR,collecting data for a long time.
Key words:Ventricular late potentials;Electrocardiogram signals;Data acquisition;Circuit design▲
心电信号是心脏在活动过程中心肌细胞的极化和除极化在体表产生的电位变化,它反映了心脏的工作情况。心室晚电位是心肌延迟除极产生的碎裂电位,位于QRS波终末部分,其病理基础为心肌的损伤或缺血。研究心电信号和心室晚电位在临床上具有重要意义,为此我们在先前开发的心室晚电位检测仪[1]的基础上加以改进,扩充了心电信号检测功能,研制出这套心电和晚电位综合采集电路,并做成采集卡形式可直接插在微型计算机扩展槽中,信号采集电极从微机面板上引出,形成一个基于微机的心电和晚电位综合数据采集分析系统。该系统也为心电向量分析,心率变异分析提供了工具。
, http://www.100md.com
该采集电路主要性能如下:(1)以1kHz的采样率对心室晚电位所用正交X、Y、Z三导联信号同时进行采集,以500Hz的采样率对心电信号进行采样,采样频率可根据需要由软件编程加以改变,数据分辨率为12位。(2)可进行长时间的连续采集,采集时间人为设定,采集数据以系列数据文件存盘。(3)以定时中断方式进行数据采集,由于采集电路中8253定时器自带时基电路,故该采集电路适用于各种档次的微机,兼容性较好。
1 电路结构及原理
由于心电和晚电位信号均取自人体表面,信号源阻抗较大,而且背面噪声强。因此要求采集电路:(1)高增益且可调节,以便处理心电信号幅值微弱且因人变化较大的情况;(2)高输入阻抗,以便拾取的信号强;(3)高共模抑制比,以消除工频及电极极化电位的干扰;(4)低噪声,使之不淹没极其微弱且信噪比低的晚电位和心电信号;(5)低漂移,以防高放大倍数的前置放大器出现饱和;(6)合适的带宽,以便有效的抑制噪声,防止采样混叠;(7)高安全性,确保人体的绝对安全。根据以上要求我们设计的采集电路总体框图如图1所示。
, 百拇医药
图 1 心电和晚电位综合采集电路总体框图
由图1可知,该信号采集电路由导联转换、前置放大、右腿驱动、带通滤波、多路开关、程控放大、模数转换、光电耦合、并行接口、DC/DC浮地电源等组成。导联转换电路选通三路信号进行采集;前置放大把心电信号放大到一定的幅度;带通为0.05Hz—300Hz的滤波器其作用一是阻断前置放大器可能输出的直流电平,防止后续电路出现饱和;二是消除混杂在信号中的高频杂波,确保后续模数转换电路在1kHz的采样频率时不发生信号混叠;右腿驱动电路,能有效地消除皮肤电阻抗不相等而引起的电压分配效应所产生的干扰,同时还能抑制工频干扰;多路开关每次把一路信号送入A/D转换器;程控放大主要功能是调节整个采集电路的放大倍数;光电耦合用于切断PC机及接口电路对模拟心电信号的干扰途径;光电耦合级前的电路均由隔离DC/DC变换电源供电,从而能有效隔绝漏电流和意外高压对人体的危害。此外在数字电路中引入光电隔离避免了光电耦合器线性差、噪声大的缺点,由于心电和晚电位信号频率较低,选用廉价的TLP521即可满足速度要求。
, 百拇医药
2 电路设计
2.1 导联系统
心室晚电位检测采用正交X、Y、Z三导联体系,加上右脚驱动共需7个电极。在常规12导联ECG的检测中我们采用同一导联输入体系,减少了因功能不同而采用多种输入导联的麻烦。信号采样时,每次同时采集3导联信号,由导联转换电路进行选择。具体做法如下:把晚电位的X、Y、Z三导联和ECG的十二导联总共15路信号分成5组,每组有3个导联,导联分组情况见表1。
表1 导联分组
第一组
第二组
第三组
第四组
第五组
, http://www.100md.com
通道1
X
Ⅰ
aVR
V1
V4
通道2
Y
Ⅱ
aVL
V2
V5
, http://www.100md.com 通道3
Z
Ⅲ
aVF
V3
V6
在计算机面板上装有五个按钮导联选择开关,每个开关对应一组导联,采集时通过按钮开关即可进行导联的选择。
2.2 放大及滤波电路
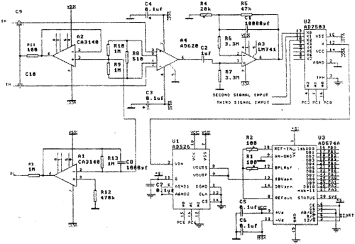
如图2所示,前置放大电路A4主要是由仪表放大器AD620及其外围电路构成,使用时只需在1脚和8脚间接一电阻Rg以设置成所需要的增益G,增益方程为:G=1+(49.4KΩ/Rg)。Rg须选用精密电阻,否则AD620的低噪声性能将丧失,我们选用精度为0.01%的金属膜电阻。A1为右脚驱动电路,A2用于驱动导联线的屏蔽层,A3为带通滤波器。图2中只画出一路信号的放大及滤波电路。
, http://www.100md.com
图 2 采集电路模拟部分电路图
2.3 程控放大及模数转换电路
如图2中U1、U2、U3所示,AD7503为8路单端输入多路模拟开头。AD526为程控放大器,通过软件编程改变A0、A1控制端电位,即可设置其放大倍数分别为1、2、4、8。模数转换器AD574被接成仅由R/
控制启动和读数的独立工作方式,这种工作方式在一次模数转换结束后,数据保持有效直至下次转换开始,因此不必加数据锁存器。AD574由并行接口电路中的8253定时器启动转换,转换结束后由20脚(SYS)输出转换结束信号至微机接口槽中的IRQ7硬件中断请求线,向CPU申请中断读取A/D转换值。
, 百拇医药
2.4 并行接口电路
并行接口电路原理框图如图3所示,它主要由并行接口芯片8255和8253定时器等器件组成,8255工作于基本输入输出方式(方式0),PA口和PB口设定为输入口,用于将12位A/D转换值读入内存。PC口设定为输出口,输出各种控制信号,如多路开关选择和程控放大器增益调节等控制信号。
图3 并行接口电路原理框图
8253定时器工作于方式2(脉冲信号发生器状态),其定时时间由信号采样频率确定,由下式计算:定时器初值=8253工作时钟频率/采样频率。8253一经启动,就定时输出脉冲信号启动A/D转换器,直至数据采集结束。8253定时器自带时基电路,从而使采集电路适用于各种档次的微机。
, 百拇医药
3 软件编程方法
数据采集软件用C语言编写,采集时先进行导联检查,即先采集5秒钟信号并进行显示,通过对采集波形的观察就可知道导联电极是否接好,采集电路放大倍数是否合适。若信号幅值过大或过小,就可通过执行程序改变程控放大器的放大倍数来进行调节。在进行上述导联检查之后就可进行信号的正式采集,在设定好采集时间后,计算机就对三路信号同时进行采样。由于在心室晚电位检测中,采样时间较长(长达5分钟),需要的数据量多达2M字节,远远超出DOS640k的管理范围,为解决内存不够问题,我们使计算机在采集数据时,以系列数据文件存盘,即计算机每采集10秒钟的数据便以一个数据文件自动存盘,文件名计算机自动取进入检测系统时输入的病人姓名,并自动加上文件序号。
4 结果
本文设计的心电和心室晚电位综合采集电路,适合于微弱心电信号和晚电位信号的长时间采集。程控放大,适应性强。全隔离浮地,安全可靠。自带时基的定时中断采样,适用于各种档次的微机,现已成功应用于我们研制的心电和心室晚电位综合检测处理系统中。使用结果表明,该数据采集电路达到了设计要求,完全能满足临床对心电和晚电位数据采集的需要,具有较高的实用价值。■
, 百拇医药
作者简介:吴水才,博士研究生
林家瑞,教授。
参考文献:
[1]邓东云,林家瑞.一个生理弱电信号采集系统的研制.数据采集与处理.1995;10(1):42-45
[2]路友荣编著.PC系列微机接口扩展设计.成都科技大学出版社.1994
[3]王士元编著.C高级实用程序设计.清华大学出版社.1996
收稿日期:1998-10-28, http://www.100md.com
单位:吴水才(华中理工大学生物工程系 武汉 430074);林家瑞(华中理工大学生物工程系 武汉 430074);邓东云(华中理工大学生物工程系 武汉 430074)
关键词:心室晚电位;心电信号;数据采集;电路设计
提 要提 要:介绍了一种心室晚电位和常规12导联心电信号综合采集电路。电路采用定时中断采样,具有程控调节放大倍数,全隔离浮地,低噪声,高共模抑制比,能够长时间连续采集数据等特点。
中图分类号:TH772.2 文献标识码:A
文章编号:1000-6974(2000)01-0020-03
Design of a Data Acquisition Circuit for Ventricular Late
, http://www.100md.com
Potentials and Electrocardiogram
WU Shui-cai
(Bioengineering Department,Huazhong University of Science and Technology)
LIN Jia-rui
(Bioengineering Department,Huazhong University of Science and Technology)
DEN Dong-yun
(Bioengineering Department,Huazhong University of Science and Technology)
, 百拇医药
Abstract:This paper introduces a data acquisition circuit that is able to acquire ventricular late potentials and standard 12-lead electrocardiogram signals.This circuit adopts time interruption acquisition,it has the characteristics of programmed gain ,isolated ground,low-noise,high-CMRR,collecting data for a long time.
Key words:Ventricular late potentials;Electrocardiogram signals;Data acquisition;Circuit design▲
心电信号是心脏在活动过程中心肌细胞的极化和除极化在体表产生的电位变化,它反映了心脏的工作情况。心室晚电位是心肌延迟除极产生的碎裂电位,位于QRS波终末部分,其病理基础为心肌的损伤或缺血。研究心电信号和心室晚电位在临床上具有重要意义,为此我们在先前开发的心室晚电位检测仪[1]的基础上加以改进,扩充了心电信号检测功能,研制出这套心电和晚电位综合采集电路,并做成采集卡形式可直接插在微型计算机扩展槽中,信号采集电极从微机面板上引出,形成一个基于微机的心电和晚电位综合数据采集分析系统。该系统也为心电向量分析,心率变异分析提供了工具。
, http://www.100md.com
该采集电路主要性能如下:(1)以1kHz的采样率对心室晚电位所用正交X、Y、Z三导联信号同时进行采集,以500Hz的采样率对心电信号进行采样,采样频率可根据需要由软件编程加以改变,数据分辨率为12位。(2)可进行长时间的连续采集,采集时间人为设定,采集数据以系列数据文件存盘。(3)以定时中断方式进行数据采集,由于采集电路中8253定时器自带时基电路,故该采集电路适用于各种档次的微机,兼容性较好。
1 电路结构及原理
由于心电和晚电位信号均取自人体表面,信号源阻抗较大,而且背面噪声强。因此要求采集电路:(1)高增益且可调节,以便处理心电信号幅值微弱且因人变化较大的情况;(2)高输入阻抗,以便拾取的信号强;(3)高共模抑制比,以消除工频及电极极化电位的干扰;(4)低噪声,使之不淹没极其微弱且信噪比低的晚电位和心电信号;(5)低漂移,以防高放大倍数的前置放大器出现饱和;(6)合适的带宽,以便有效的抑制噪声,防止采样混叠;(7)高安全性,确保人体的绝对安全。根据以上要求我们设计的采集电路总体框图如图1所示。
, 百拇医药
图 1 心电和晚电位综合采集电路总体框图
由图1可知,该信号采集电路由导联转换、前置放大、右腿驱动、带通滤波、多路开关、程控放大、模数转换、光电耦合、并行接口、DC/DC浮地电源等组成。导联转换电路选通三路信号进行采集;前置放大把心电信号放大到一定的幅度;带通为0.05Hz—300Hz的滤波器其作用一是阻断前置放大器可能输出的直流电平,防止后续电路出现饱和;二是消除混杂在信号中的高频杂波,确保后续模数转换电路在1kHz的采样频率时不发生信号混叠;右腿驱动电路,能有效地消除皮肤电阻抗不相等而引起的电压分配效应所产生的干扰,同时还能抑制工频干扰;多路开关每次把一路信号送入A/D转换器;程控放大主要功能是调节整个采集电路的放大倍数;光电耦合用于切断PC机及接口电路对模拟心电信号的干扰途径;光电耦合级前的电路均由隔离DC/DC变换电源供电,从而能有效隔绝漏电流和意外高压对人体的危害。此外在数字电路中引入光电隔离避免了光电耦合器线性差、噪声大的缺点,由于心电和晚电位信号频率较低,选用廉价的TLP521即可满足速度要求。
, 百拇医药
2 电路设计
2.1 导联系统
心室晚电位检测采用正交X、Y、Z三导联体系,加上右脚驱动共需7个电极。在常规12导联ECG的检测中我们采用同一导联输入体系,减少了因功能不同而采用多种输入导联的麻烦。信号采样时,每次同时采集3导联信号,由导联转换电路进行选择。具体做法如下:把晚电位的X、Y、Z三导联和ECG的十二导联总共15路信号分成5组,每组有3个导联,导联分组情况见表1。
表1 导联分组
第一组
第二组
第三组
第四组
第五组
, http://www.100md.com
通道1
X
Ⅰ
aVR
V1
V4
通道2
Y
Ⅱ
aVL
V2
V5
, http://www.100md.com 通道3
Z
Ⅲ
aVF
V3
V6
在计算机面板上装有五个按钮导联选择开关,每个开关对应一组导联,采集时通过按钮开关即可进行导联的选择。
2.2 放大及滤波电路
如图2所示,前置放大电路A4主要是由仪表放大器AD620及其外围电路构成,使用时只需在1脚和8脚间接一电阻Rg以设置成所需要的增益G,增益方程为:G=1+(49.4KΩ/Rg)。Rg须选用精密电阻,否则AD620的低噪声性能将丧失,我们选用精度为0.01%的金属膜电阻。A1为右脚驱动电路,A2用于驱动导联线的屏蔽层,A3为带通滤波器。图2中只画出一路信号的放大及滤波电路。
, http://www.100md.com
图 2 采集电路模拟部分电路图
2.3 程控放大及模数转换电路
如图2中U1、U2、U3所示,AD7503为8路单端输入多路模拟开头。AD526为程控放大器,通过软件编程改变A0、A1控制端电位,即可设置其放大倍数分别为1、2、4、8。模数转换器AD574被接成仅由R/
, 百拇医药
2.4 并行接口电路
并行接口电路原理框图如图3所示,它主要由并行接口芯片8255和8253定时器等器件组成,8255工作于基本输入输出方式(方式0),PA口和PB口设定为输入口,用于将12位A/D转换值读入内存。PC口设定为输出口,输出各种控制信号,如多路开关选择和程控放大器增益调节等控制信号。
图3 并行接口电路原理框图
8253定时器工作于方式2(脉冲信号发生器状态),其定时时间由信号采样频率确定,由下式计算:定时器初值=8253工作时钟频率/采样频率。8253一经启动,就定时输出脉冲信号启动A/D转换器,直至数据采集结束。8253定时器自带时基电路,从而使采集电路适用于各种档次的微机。
, 百拇医药
3 软件编程方法
数据采集软件用C语言编写,采集时先进行导联检查,即先采集5秒钟信号并进行显示,通过对采集波形的观察就可知道导联电极是否接好,采集电路放大倍数是否合适。若信号幅值过大或过小,就可通过执行程序改变程控放大器的放大倍数来进行调节。在进行上述导联检查之后就可进行信号的正式采集,在设定好采集时间后,计算机就对三路信号同时进行采样。由于在心室晚电位检测中,采样时间较长(长达5分钟),需要的数据量多达2M字节,远远超出DOS640k的管理范围,为解决内存不够问题,我们使计算机在采集数据时,以系列数据文件存盘,即计算机每采集10秒钟的数据便以一个数据文件自动存盘,文件名计算机自动取进入检测系统时输入的病人姓名,并自动加上文件序号。
4 结果
本文设计的心电和心室晚电位综合采集电路,适合于微弱心电信号和晚电位信号的长时间采集。程控放大,适应性强。全隔离浮地,安全可靠。自带时基的定时中断采样,适用于各种档次的微机,现已成功应用于我们研制的心电和心室晚电位综合检测处理系统中。使用结果表明,该数据采集电路达到了设计要求,完全能满足临床对心电和晚电位数据采集的需要,具有较高的实用价值。■
, 百拇医药
作者简介:吴水才,博士研究生
林家瑞,教授。
参考文献:
[1]邓东云,林家瑞.一个生理弱电信号采集系统的研制.数据采集与处理.1995;10(1):42-45
[2]路友荣编著.PC系列微机接口扩展设计.成都科技大学出版社.1994
[3]王士元编著.C高级实用程序设计.清华大学出版社.1996
收稿日期:1998-10-28, http://www.100md.com