DMSO促进皮肤快速扩张的实验研究
作者:赵东升 韩英军 隋志萍 周茂华 陈东明 夏兆骥
单位:赵东升、韩英军、隋志萍 武警河北总队医院 050081;陈东明、夏兆骥 北京医科大学第三医院整形外科;周茂华 武警医学院外科教研组
关键词:二甲基亚砜;皮肤扩张
中华医学美容杂志/990303 【摘要】 目的 为抑制组织扩张器周围纤维囊的形成,以实现皮肤快速扩张。方法 采用Wistar大鼠,背部埋置扩张器,实验分两组,用药组注入30 % DMSO,对照组注入生理盐水,常规等量扩张 。扩张后切取囊壁,观察囊壁的厚度组织学及超微结构的变化。结果 用药组与对照组相比,其纤维囊厚度明显较薄,成纤维细胞功能低下。结论 DMSO可抑制成纤维细胞的增殖,从而抑制纤维囊的形成,由此实现皮肤快速扩张。
The experimental research on the rapid expansion of skin by DMSO
, http://www.100md.com
Zhao Dongsheng, Han Yingjun,Sui Zhiping, et al.
Hospital of Armed Police Forces, Shijiazhuang, Hebei 050081
【Abstract】 Objective To restrain the formation of fibrous capsule around tissue expander and promote the expansion of skin quickly.Methods The expander were implanted in the Wistar mice which were devided into two groups. One group of mice were injected with 30% DMSO and the control group were injected with normal saline.Expand as equationally as usual, then excise of the capsule wall and observe its changes of its thickness,histology and ultrastructure.Result The thickness of the capsule walls in the DMSO group is thinner compared with the control group, and the function of fibroblast was reduced.Conclusion DMSO can restrain the multipliation of fibroblast and the formation of thick capsule walls, so it can promote the skin's dilation quickly .
, 百拇医药
【Key words】 Dimethyl Sulfoxide Skin expansion
在应用组织扩张术修复皮肤缺损时,扩张器[1,2]周围形成的纤维包囊,约束了组织扩张器对皮肤组织的进一步扩张。
Berliner[3]通过体外成纤维细胞的培养,观察到二甲基亚砜(Dimethyl Sulfoxide,DMSO)对成纤维组织有抑制作用。利用DMSO抑制成纤维细胞这一特征,本实验将其注入组织扩张囊中,对所形成的纤维囊壁的厚度和成纤维细胞进行了光镜和电镜的形态学研究,报道如下。
材料和方法
采用成年Wistar 大鼠20只,雄性,体重在150~180 g,分为用药组和对照组,每组10只。大鼠背部脱毛后,在无菌操作下切开背部皮肤,在肉膜浅层分离3 cm×3 cm囊腔,埋入1只无菌的特制16 ml圆形硅胶扩张器,注射壶置于近端皮下。缝合切口,外涂红霉素软膏后暴露。埋入时分别向囊内注入2 ml,30% DMSO或生理盐水 。第3天开始,用药组每隔2天向扩张囊内注入30 % DMSO 2 ml,直到总量16 ml,共22天。对照组注入生理盐水与用药组等量等时扩张。于注液完成后的第1天、第10天和第20天分别切取纤维包囊顶部,作组织切片和超薄切片行光镜和电镜观察。
, 百拇医药
结果与分析
一、纤维囊厚度的观察 实验过程中两组大鼠均未出现感染等并发症。扩张后皮肤毛发生长速度和光泽度未见异常。取材时发现扩张囊周围都有纤维囊形成,厚度不同(见表1)。
表1 DMSO对纤维囊壁厚度的影响(
±s)单位(微米) 组 别
1天
10天
20天
用药组
38.60±2.92 ①
29.22±1.27②
, 百拇医药
40.63±1.41③
对照组
48.08±1.47
36.00±1.33
58.56±2.58
用药组①②③与对照组比较纤维囊厚度有显著的差异( P<0.05)。
二、纤维囊壁光、电镜下观察
1.扩张完成后第1天,对照组光镜下观察:浅层以立方体样成纤维细胞为主,成行排列,内有毛细血管。深层多而密集,毛细血管扩张充血,可见较大的血管。电镜下观察,成纤维细胞处于活跃的分泌期,细胞内线粒体较多轻度扩张,粗面内质网也有扩张,细胞内外有与细胞相关的胶原纤维。用药组光镜下观察,囊壁以扁平成纤维细胞为主,平行排列,细胞核为扁圆形,毛细血管在细胞周围。电镜下观察,成纤维细胞体积较小,处于静止期,周围区域胶原纤维较少。这表明在扩张完成后的第1天,DMSO通过组织扩张囊渗透抑制成纤维细胞的增生,从而抑制了囊壁中胶原纤维的形成。
, http://www.100md.com
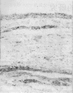
图1 扩张后第10天,光镜下对照组分两层,浅层成纤维细胞较多,血管少,深层成胞少,毛细血管多,两层分界不明显,胶原纤维细
2.扩张完成后第10天,光镜下观察对照组囊壁分为两层,浅层成纤维细胞较多,血管少,深层成纤维细胞少,毛细血管多,但两者的分界不清(图1)。电镜下可见成纤维细胞多处于分泌状态,胞质内有大量的粗面内质网、线粒体、核糖体等细胞器。在细胞周围可见分泌物,胶原纤维排列无规律(图2)。用药组光镜下观察,囊壁也分为两层,浅层成纤维细胞较多,平行排列,深层较为疏松,成纤维细胞散在于基质中,毛细血管较丰富(图3)。电镜下可见成纤维细胞体积小,细胞器少,核大。处于静止期的细胞多于活动期。在细胞周围有颗粒状和杆状的分泌物(图4)。表明在扩张完成后的第10天,用药组囊壁中的胶原纤维虽有所增加,但仍少于对照组。
图2 电镜下可见成纤维细胞多处于分泌状态,胞质内有大量粗面内质网、线粒体、核糖体。细胞周围可见分泌物,纤维排列无规律
, http://www.100md.com
3.扩张完成后第20天, 对照组在光镜下观察,浅层以成纤维细胞为主,平行排列,较为致密,深层成纤维细胞散在于基质中,较疏松,有毛细血管增生。成纤维细胞的结构与第10天的相似,但胶原纤维较10天前为多。用药组在光镜下浅层表面为立方体样上皮细胞,平行排列,深层是疏松的成纤维细胞散在于基质内,毛细血管多。成纤维细胞处于分泌期。但包囊厚度仍薄于对照组。
图3 用药组光镜下观察:分两层,浅层成纤维细胞罗多,平等排列,深层较为疏松,成纤维细胞散在于基质中毛细血客较丰富
图4 电镜下,成纤维细胞体积小,细胞器少核大,处于静止期,在细胞周围有颗粒状或杆状分泌物
讨论
, 百拇医药
常规扩张术所需时间较长。扩张缓慢的主要原因是纤维包囊的形成,同时扩张囊注液量又不能过多,如张力过高,可导致皮肤的坏死。如何减少纤维包囊的形成,实现组织快速扩张,成为整形外科临床研究的课题之一。组织扩张器由硅橡胶制成,具有一定的渗透作用。本实验利用这一特性,在组织扩张囊中注入DMSO,研究DMSO渗透到周围组织中对纤维包囊发挥的抑制作用,从而为临床应用DMSO加速皮肤扩张建立理论及实践依据。据报道,DMSO的吸收和代谢在体内分布相当均匀[4],基于DMSO的这一特点,我们认为若用在同一个体中将会产生泛化作用,有可能影响观测结果,所以在设计动物模型时选择了不同个体作为用药组和对照组。这样就排除了泛化作用对研究结果所造成的干扰。DMSO为一种油状液体,具有强吸湿性。通过预实验,我们采用30 %的DMSO溶液,可以对抗其吸湿性,增加外渗量,以有效抑制减轻纤维包囊的形成。结束后第1天,第10天,第20天,纤维囊壁随着组织扩张囊内DMSO外渗液浓度的遂渐减少,对纤维囊形成的抑制作用也遂渐减弱,故扩张结束后纤维包囊中胶原蛋白的量尚未增加,这段时间,进行组织修复为最佳时间(结束后10天)。实验结果表明:DMSO通过抑制了成纤维细胞的分泌活动而减弱可胶原纤维的产生,从而削弱了组织扩张囊周围纤维包囊的形成,可以达到皮肤的快速扩张的目的。临床应用DMSO还有待进一步深入研究。
, http://www.100md.com
参考文献
1 鲁开化.艾玉峰主编.皮肤软组织扩张术.北京:金盾出版社,1991.32-33,53-54.
2 李江.鲁开化.组织扩张术的扩张方法及展望.实用整形美容外科杂志,1996.2:57
3 Berliner DL, Ruhman AG. The influence of dimethyl sulfoxide on fibroblastic production. Ann NY Acad Sci,1983,411:159.
4 王泽民. 当代结构药物全集.北京科技出版社,1993.7444-7446.
收稿:1999-05-04 修回:1999-07-12, http://www.100md.com
单位:赵东升、韩英军、隋志萍 武警河北总队医院 050081;陈东明、夏兆骥 北京医科大学第三医院整形外科;周茂华 武警医学院外科教研组
关键词:二甲基亚砜;皮肤扩张
中华医学美容杂志/990303 【摘要】 目的 为抑制组织扩张器周围纤维囊的形成,以实现皮肤快速扩张。方法 采用Wistar大鼠,背部埋置扩张器,实验分两组,用药组注入30 % DMSO,对照组注入生理盐水,常规等量扩张 。扩张后切取囊壁,观察囊壁的厚度组织学及超微结构的变化。结果 用药组与对照组相比,其纤维囊厚度明显较薄,成纤维细胞功能低下。结论 DMSO可抑制成纤维细胞的增殖,从而抑制纤维囊的形成,由此实现皮肤快速扩张。
The experimental research on the rapid expansion of skin by DMSO
, http://www.100md.com
Zhao Dongsheng, Han Yingjun,Sui Zhiping, et al.
Hospital of Armed Police Forces, Shijiazhuang, Hebei 050081
【Abstract】 Objective To restrain the formation of fibrous capsule around tissue expander and promote the expansion of skin quickly.Methods The expander were implanted in the Wistar mice which were devided into two groups. One group of mice were injected with 30% DMSO and the control group were injected with normal saline.Expand as equationally as usual, then excise of the capsule wall and observe its changes of its thickness,histology and ultrastructure.Result The thickness of the capsule walls in the DMSO group is thinner compared with the control group, and the function of fibroblast was reduced.Conclusion DMSO can restrain the multipliation of fibroblast and the formation of thick capsule walls, so it can promote the skin's dilation quickly .
, 百拇医药
【Key words】 Dimethyl Sulfoxide Skin expansion
在应用组织扩张术修复皮肤缺损时,扩张器[1,2]周围形成的纤维包囊,约束了组织扩张器对皮肤组织的进一步扩张。
Berliner[3]通过体外成纤维细胞的培养,观察到二甲基亚砜(Dimethyl Sulfoxide,DMSO)对成纤维组织有抑制作用。利用DMSO抑制成纤维细胞这一特征,本实验将其注入组织扩张囊中,对所形成的纤维囊壁的厚度和成纤维细胞进行了光镜和电镜的形态学研究,报道如下。
材料和方法
采用成年Wistar 大鼠20只,雄性,体重在150~180 g,分为用药组和对照组,每组10只。大鼠背部脱毛后,在无菌操作下切开背部皮肤,在肉膜浅层分离3 cm×3 cm囊腔,埋入1只无菌的特制16 ml圆形硅胶扩张器,注射壶置于近端皮下。缝合切口,外涂红霉素软膏后暴露。埋入时分别向囊内注入2 ml,30% DMSO或生理盐水 。第3天开始,用药组每隔2天向扩张囊内注入30 % DMSO 2 ml,直到总量16 ml,共22天。对照组注入生理盐水与用药组等量等时扩张。于注液完成后的第1天、第10天和第20天分别切取纤维包囊顶部,作组织切片和超薄切片行光镜和电镜观察。
, 百拇医药
结果与分析
一、纤维囊厚度的观察 实验过程中两组大鼠均未出现感染等并发症。扩张后皮肤毛发生长速度和光泽度未见异常。取材时发现扩张囊周围都有纤维囊形成,厚度不同(见表1)。
表1 DMSO对纤维囊壁厚度的影响(
1天
10天
20天
用药组
38.60±2.92 ①
29.22±1.27②
, 百拇医药
40.63±1.41③
对照组
48.08±1.47
36.00±1.33
58.56±2.58
用药组①②③与对照组比较纤维囊厚度有显著的差异( P<0.05)。
二、纤维囊壁光、电镜下观察
1.扩张完成后第1天,对照组光镜下观察:浅层以立方体样成纤维细胞为主,成行排列,内有毛细血管。深层多而密集,毛细血管扩张充血,可见较大的血管。电镜下观察,成纤维细胞处于活跃的分泌期,细胞内线粒体较多轻度扩张,粗面内质网也有扩张,细胞内外有与细胞相关的胶原纤维。用药组光镜下观察,囊壁以扁平成纤维细胞为主,平行排列,细胞核为扁圆形,毛细血管在细胞周围。电镜下观察,成纤维细胞体积较小,处于静止期,周围区域胶原纤维较少。这表明在扩张完成后的第1天,DMSO通过组织扩张囊渗透抑制成纤维细胞的增生,从而抑制了囊壁中胶原纤维的形成。
, http://www.100md.com
图1 扩张后第10天,光镜下对照组分两层,浅层成纤维细胞较多,血管少,深层成胞少,毛细血管多,两层分界不明显,胶原纤维细
2.扩张完成后第10天,光镜下观察对照组囊壁分为两层,浅层成纤维细胞较多,血管少,深层成纤维细胞少,毛细血管多,但两者的分界不清(图1)。电镜下可见成纤维细胞多处于分泌状态,胞质内有大量的粗面内质网、线粒体、核糖体等细胞器。在细胞周围可见分泌物,胶原纤维排列无规律(图2)。用药组光镜下观察,囊壁也分为两层,浅层成纤维细胞较多,平行排列,深层较为疏松,成纤维细胞散在于基质中,毛细血管较丰富(图3)。电镜下可见成纤维细胞体积小,细胞器少,核大。处于静止期的细胞多于活动期。在细胞周围有颗粒状和杆状的分泌物(图4)。表明在扩张完成后的第10天,用药组囊壁中的胶原纤维虽有所增加,但仍少于对照组。
图2 电镜下可见成纤维细胞多处于分泌状态,胞质内有大量粗面内质网、线粒体、核糖体。细胞周围可见分泌物,纤维排列无规律
, http://www.100md.com
3.扩张完成后第20天, 对照组在光镜下观察,浅层以成纤维细胞为主,平行排列,较为致密,深层成纤维细胞散在于基质中,较疏松,有毛细血管增生。成纤维细胞的结构与第10天的相似,但胶原纤维较10天前为多。用药组在光镜下浅层表面为立方体样上皮细胞,平行排列,深层是疏松的成纤维细胞散在于基质内,毛细血管多。成纤维细胞处于分泌期。但包囊厚度仍薄于对照组。
图3 用药组光镜下观察:分两层,浅层成纤维细胞罗多,平等排列,深层较为疏松,成纤维细胞散在于基质中毛细血客较丰富
图4 电镜下,成纤维细胞体积小,细胞器少核大,处于静止期,在细胞周围有颗粒状或杆状分泌物
讨论
, 百拇医药
常规扩张术所需时间较长。扩张缓慢的主要原因是纤维包囊的形成,同时扩张囊注液量又不能过多,如张力过高,可导致皮肤的坏死。如何减少纤维包囊的形成,实现组织快速扩张,成为整形外科临床研究的课题之一。组织扩张器由硅橡胶制成,具有一定的渗透作用。本实验利用这一特性,在组织扩张囊中注入DMSO,研究DMSO渗透到周围组织中对纤维包囊发挥的抑制作用,从而为临床应用DMSO加速皮肤扩张建立理论及实践依据。据报道,DMSO的吸收和代谢在体内分布相当均匀[4],基于DMSO的这一特点,我们认为若用在同一个体中将会产生泛化作用,有可能影响观测结果,所以在设计动物模型时选择了不同个体作为用药组和对照组。这样就排除了泛化作用对研究结果所造成的干扰。DMSO为一种油状液体,具有强吸湿性。通过预实验,我们采用30 %的DMSO溶液,可以对抗其吸湿性,增加外渗量,以有效抑制减轻纤维包囊的形成。结束后第1天,第10天,第20天,纤维囊壁随着组织扩张囊内DMSO外渗液浓度的遂渐减少,对纤维囊形成的抑制作用也遂渐减弱,故扩张结束后纤维包囊中胶原蛋白的量尚未增加,这段时间,进行组织修复为最佳时间(结束后10天)。实验结果表明:DMSO通过抑制了成纤维细胞的分泌活动而减弱可胶原纤维的产生,从而削弱了组织扩张囊周围纤维包囊的形成,可以达到皮肤的快速扩张的目的。临床应用DMSO还有待进一步深入研究。
, http://www.100md.com
参考文献
1 鲁开化.艾玉峰主编.皮肤软组织扩张术.北京:金盾出版社,1991.32-33,53-54.
2 李江.鲁开化.组织扩张术的扩张方法及展望.实用整形美容外科杂志,1996.2:57
3 Berliner DL, Ruhman AG. The influence of dimethyl sulfoxide on fibroblastic production. Ann NY Acad Sci,1983,411:159.
4 王泽民. 当代结构药物全集.北京科技出版社,1993.7444-7446.
收稿:1999-05-04 修回:1999-07-12, http://www.100md.com