人体耳穴的α-色散
作者:朱兵 刘 朱泾文
单位:朱兵(南京大学 生物医学物理研究所,南京 210093);刘(南京大学 生物医学物理研究所,南京 210093);朱泾文(南京大学 生物医学物理研究所,南京 210093)
关键词:耳穴耗散特性;特征频率;驰豫时间
生物医学工程学杂志000112 朱兵 刘
朱泾文
摘 要:介绍40例近视眼病例的耳穴耗散特性实验研究。在交变电场1~100 kHz频域内,耳穴耗散特征关系logZ~logf与皮肤组织的α色散相似,耳穴耗散效应主要发生在体表皮肤层。特征频率fo与病理变化之间关系密切,相关系数约0.8,fo具有反应病变和病位的特异性,P<0.01。耗散驰豫时间τ的不同,可以标志生物组织中大分子构象的差异,由此设想,耳穴及其反应病变特异性的本质可能与耳穴皮肤层生物组织中的大分子构象有关。
, http://www.100md.com
The α-Dissipation Characteristic of Human Auricular Points
Zhu Bing Liu Tao Zhu Jingwen
(Institute of Biomedical Physics. Nanjing University,Nanjing 210093)
Abstract:We researched into the dissipative characteristic of human auricular points in 40 cases of myopia. The logZ-logf curve of the dissipative characteristic of the otopoint is similiar to the dermal α-Dispersion in 1-100kHz of the alternating electric field. The dissipative effect of the otopoint is generated mainly by the skin of the body surface. The characteristic frequency f0 has intimate relation to patholgic change, correlation coefficent r~0.8. The f0 has characteristic reflecting pathologic change,P<0.01. The relexation time τ signifies the space constructive characteristic of the tissue. So we suppose that the otopoint and its characteristic reflecting pathologic change essentially relate to the change of biological macromolecule conformation of the dermatic tissue under acupoint.
, http://www.100md.com
Key words:Dissipative characteristic of human auricular point Characteristic frequency Relaxation time▲
在生物活组织中,已发现的非线性电现象与生物组织的结构和特性有密切的联系。通过非线性研究,探索穴位的本质及其反应病变特异性的微观机理,是针炙医学学术界十分关注的课题。耳廓穴位作为人体的一部分,具有人体生物组织的共同特性,也存在电特性的非线性,热耗散效应就是其中之一。人体组织的结构和特性非常复杂,可以从不同层次和角度研究。从生物物理的角度看,人体复杂的组织总由许多生物大分了构成,它们含有大量的离子、离子基团和电偶极子,因而表现出显著的电介质特性。不访把耳穴与人体某参考点两个测量电极之间的生物组织,当成复杂成分构成的非均匀电介质层,当外加电场迅速变化时,极化的滞后效应会产生热耗散。生物组织的耗散特性与其微观结构有密切的联系。因此,研究耳穴耗散特性可能触及生物组织的微观结构,这对于探索穴位及其反应病变特异性的本质具有重要的意义。
, http://www.100md.com
笔者曾初步观测了耳穴在低频段(<100kHz)的耗散特征关系logZ~logf,发现特征频率f0随穴位相应脏腑有无病变而不同[1],然而个例实验结果可能有一定的随机性,要获得规律性的结果,还需要样本研究。为此,拟通过近视眼疾病的病例组和正常人组的耗散特性测量和定量统计分析,进一步研究耳穴耗散特性和特征频率反应病变的特异性。
1 实验和方法
1.1 观测对象
观测对象为近视眼病例,总数40例,男性,年龄22~25 岁,为本校学生。其中近视度数D1<300°为对照组,20例,D1=105°±64.3°;病理组20例,5002<700°,D2=590°±61.4°,排除手指部疾病和其它疾病,观测耳穴为屏间前和屏间后(曾称目1、目2)及指穴区。病理指标由南京大学医院五官科检验给出。
, 百拇医药
1.2 实验方法
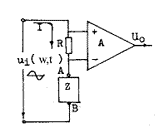
耳穴耗散特性测量原理见图1。耳穴A与参考点B(手指)两电极之间的阻抗幅值为Z。外加变化电场为正弦信号ui,频率1~100 kHz,幅值Um=1V。R为取样电阻,A为放大器增益。令R<0可以标志阻抗Z,则阻抗的大小为:
Z=ARUm/Uo (1)
图1 耳穴耗散特性测量原理
Fig 1 The scheme for measuring the dissipative characteristic of the auricular points
, http://www.100md.com
逐次测量不同频率时的取样电压Uo,由式(1)求出Z值,可得耳穴耗散特性曲线logZ~logf。热耗散在特征频率fo时为最大,它对应于曲线的拐点,因而由曲线斜率的极值位置确定fo,则耗散驰豫时间τ为:
τ=1/ωo=1/2πfor (2)
实验系统包括正弦信号源、差分放大器、高通滤波器(截止频率f=100 Hz)和整流等电路。同时用示波器和电压表观测交、直流信号。测量电极用镀铬金属,耳穴探测电极直径2.5 mm,参考电极直径5 mm。测量前用75%酒精清洁皮肤表面,参考点涂导电膏,耳穴处不宜涂。
1.3 统计分析方法
分别求得正常组与病理组的屏间前(后)和指穴区的耗散特征频率统计量,为均值
和标准差Sn。设立两个对比组:一为相同穴位正常组与病理组的统计量对照比较;二为相同病例组内不同穴位的对比。用t检验鉴别特征频率差异的显著性,从而获得耳穴耗散特征频率是否具有区分病变和病位的特异性。
, http://www.100md.com
以近视度数D为病理指标,特征频率fo为观察变量,计算D与fo之间的相关系数r,从而获得特征频率fo与病理变化的相关性。
2 实验结果与分析
2.1 耳穴耗散特征
由二组样本测得耳穴屏间(前)后的二条耗散特性曲线logZ~logf,如图2。Z1为正常组,Z2为病理组。当频率较低时,f<o,阻抗Zs很高;随f的增高,Z逐渐降低,在特征频率fo附近Z迅速变小,其斜率接近-1;当f>>fo时,Z趋于极小值Zo。病理组的特征频率f2小于正常组f1,即f21;耗散驰豫时间有τ2>τ1。近视度数与特征频率之间有强相关性,相关系数r~-0.8。两组样本屏间前(后)穴位的耗散特征参数列于表1。
, http://www.100md.com
图2 耳穴耗散特性曲线logZ~logf
Fig 2 The logZ-logf experimental curve of the dissipative characteristic of the auricular points
表1 正常组与病理组屏间(眼)穴的耗散特征参数
Table 1 Dissipative characteristic parameters of the Eye-acupoint in normal and pathologic groups 参数
正常组
病理组
斜率(slope)
, 百拇医药
-1.04
-1.05
特征频率(kHz)
13.34
11.38
驰豫时间(μs)
11.9
14.0
相关系数(r)
-0.79*
-0.82*
*相关系数的显著性:P<0.01
, http://www.100md.com
2.2 特征频率反应病变的特异性
表2给出耳穴耗散特征频率的统计结果比较。由表2可见,耳穴屏间前(后)的耗散特征频率,在正常与病理组之间有显著差异,P<0.01,而指穴的特征频率,在两组之间无显著差异,P>0.05。在病理组内,屏间前(后)与指穴之间,其特征频率有显著差异,P<0.01,而在正常组内,两穴位之间无显著差异,P>0.05。可见耳穴耗散特征频率具有区分相应部位有无病变和病位的特异性。
3 讨 论
实验表明,耳穴生物组织存在耗散特性,其特征曲线logZ~logf,与Yamamoto,Schwan等所测皮肤组织的logZ~logf的α-色散区有相似的特征[2]。随外加电场频率的增高,阻抗Z减小而电导σ增大,在特征频率fo附近变化迅速,这是由介电常数ε的变化而引起的。通常认为,α色散主要与生物组织的不均匀结构和细胞膜上的界面电极化有关[2]。耳穴与参考点两电极之间的生物组织结构成分复杂,其中体表皮肤层含水较少,阻抗大于体内深部组织,因而外加电压主要降落在皮肤层而形成较高的电场强度,低频外场引起的电极化主要贡献在皮肤层,本实验结果主要反映了穴位体表皮肤层的α色散特性。
, 百拇医药
有必要说明的是,用电阻(R)和电容(C)构成的四端网络,其传输特性中的幅频特性曲线与耳穴耗散特性曲线类似(除纵轴方向相反外),其参数却有差异,并且相频特性曲线、Nyquist图以及传递函数中的其他参数,在电路模拟与耳穴测得的结果之间存在差异。这种不一致除了考虑测量误差外,更主要的因素可能由于生物组织的非线性,因不能满足线性系统分析的条件而引起的。有关耳穴频率特性的实验结果将另文发表,本文不再细述。
图2实验曲线由正常组和病理组两个样本的统计量给出,可能给出耗散征的规律,两种病例的特征频率fo、驰豫时间τ有差异,病变器官相应耳穴的特征频率较低,驰豫时间较长。表2给出的耗散特征频率的统计量对照比较和显著性检验结果表明,耳穴耗散特征频率fo具有反应病变和病位的特异性,是一个新的特征标志量。
相关分析得到特征频率fo与病理指标D之间的相关系数值达0.8,可见器官病理变化与相应耳穴有强相关性,特征频率fo反映了两者之间存在密切联系。
, 百拇医药
耗散特征频率fo可标志驰豫时间τ。耳穴组织的生物大分子含有许多偶极子和离子基团。它们处在生物水和各种离子的环境中,这些成分之间和与外场之间的相互作用形成的热能和位阻,影响着大分子的构象和功能。生物大分子在某个势能状态时处于稳定构象位置I,在外场作用下,由于能量损耗将改变势能的相对高度,靠热涨落的作用会越过势垒U而跃迁到构象位置Ⅱ,这种改变构象的热涨落过程即驰豫过程。在人体体温条件下,当μE<[3],为:
τ=(1/2vo)exp(U/KT) (3)
其中:vo为离子基团的固有振动频率;K为玻尔兹曼常数;T为体温绝对温度。耗散驰豫时间τ可以标志生物组织中大分子所在空间的结构特征,τ的不同表明生物大分子构象的差异。由上述实验结果和分析,提出一个设想:耳穴及其反应病变特异性的本质可能与皮肤层其生物组织大分子的构象变化有关,当人体某部有生理或病理变化时,耳穴出现的变异反应是由其生物组织大分子构象发生变化而引起的。该设想还需要由其它实验,特别是生物学实验进一步论证。深入研究穴位的耗散特性,是用近代科学方法研究传统中医学问题的一种探索,这对于认识穴位及其特异性的本质具有重要的意义。
, 百拇医药
基金项目:国家自然科学基金资助项目(39370856)
作者单位:刘
(南京大学 生物医学物理研究所,南京 210093)
参考文献:
[1]朱兵,张 骏等.耳穴耗散特性的研究.第二届国际耳部医学学术会议论文集,中国针灸学会,1995∶35
[2]李缉熙,牛中奇著.生物电磁学概念.西安:西安电子科技大学出版社,1990∶43
[3]杨文修,李正明.生物医学物理概念.天津:天津科技翻译出版公司,1993∶19
收稿日期:1998-08-31
修改日期:1999-01-09, 百拇医药
单位:朱兵(南京大学 生物医学物理研究所,南京 210093);刘(南京大学 生物医学物理研究所,南京 210093);朱泾文(南京大学 生物医学物理研究所,南京 210093)
关键词:耳穴耗散特性;特征频率;驰豫时间
生物医学工程学杂志000112 朱兵 刘
摘 要:介绍40例近视眼病例的耳穴耗散特性实验研究。在交变电场1~100 kHz频域内,耳穴耗散特征关系logZ~logf与皮肤组织的α色散相似,耳穴耗散效应主要发生在体表皮肤层。特征频率fo与病理变化之间关系密切,相关系数约0.8,fo具有反应病变和病位的特异性,P<0.01。耗散驰豫时间τ的不同,可以标志生物组织中大分子构象的差异,由此设想,耳穴及其反应病变特异性的本质可能与耳穴皮肤层生物组织中的大分子构象有关。
, http://www.100md.com
The α-Dissipation Characteristic of Human Auricular Points
Zhu Bing Liu Tao Zhu Jingwen
(Institute of Biomedical Physics. Nanjing University,Nanjing 210093)
Abstract:We researched into the dissipative characteristic of human auricular points in 40 cases of myopia. The logZ-logf curve of the dissipative characteristic of the otopoint is similiar to the dermal α-Dispersion in 1-100kHz of the alternating electric field. The dissipative effect of the otopoint is generated mainly by the skin of the body surface. The characteristic frequency f0 has intimate relation to patholgic change, correlation coefficent r~0.8. The f0 has characteristic reflecting pathologic change,P<0.01. The relexation time τ signifies the space constructive characteristic of the tissue. So we suppose that the otopoint and its characteristic reflecting pathologic change essentially relate to the change of biological macromolecule conformation of the dermatic tissue under acupoint.
, http://www.100md.com
Key words:Dissipative characteristic of human auricular point Characteristic frequency Relaxation time▲
在生物活组织中,已发现的非线性电现象与生物组织的结构和特性有密切的联系。通过非线性研究,探索穴位的本质及其反应病变特异性的微观机理,是针炙医学学术界十分关注的课题。耳廓穴位作为人体的一部分,具有人体生物组织的共同特性,也存在电特性的非线性,热耗散效应就是其中之一。人体组织的结构和特性非常复杂,可以从不同层次和角度研究。从生物物理的角度看,人体复杂的组织总由许多生物大分了构成,它们含有大量的离子、离子基团和电偶极子,因而表现出显著的电介质特性。不访把耳穴与人体某参考点两个测量电极之间的生物组织,当成复杂成分构成的非均匀电介质层,当外加电场迅速变化时,极化的滞后效应会产生热耗散。生物组织的耗散特性与其微观结构有密切的联系。因此,研究耳穴耗散特性可能触及生物组织的微观结构,这对于探索穴位及其反应病变特异性的本质具有重要的意义。
, http://www.100md.com
笔者曾初步观测了耳穴在低频段(<100kHz)的耗散特征关系logZ~logf,发现特征频率f0随穴位相应脏腑有无病变而不同[1],然而个例实验结果可能有一定的随机性,要获得规律性的结果,还需要样本研究。为此,拟通过近视眼疾病的病例组和正常人组的耗散特性测量和定量统计分析,进一步研究耳穴耗散特性和特征频率反应病变的特异性。
1 实验和方法
1.1 观测对象
观测对象为近视眼病例,总数40例,男性,年龄22~25 岁,为本校学生。其中近视度数D1<300°为对照组,20例,D1=105°±64.3°;病理组20例,500
, 百拇医药
1.2 实验方法
耳穴耗散特性测量原理见图1。耳穴A与参考点B(手指)两电极之间的阻抗幅值为Z。外加变化电场为正弦信号ui,频率1~100 kHz,幅值Um=1V。R为取样电阻,A为放大器增益。令R<
Z=ARUm/Uo (1)
图1 耳穴耗散特性测量原理
Fig 1 The scheme for measuring the dissipative characteristic of the auricular points
, http://www.100md.com
逐次测量不同频率时的取样电压Uo,由式(1)求出Z值,可得耳穴耗散特性曲线logZ~logf。热耗散在特征频率fo时为最大,它对应于曲线的拐点,因而由曲线斜率的极值位置确定fo,则耗散驰豫时间τ为:
τ=1/ωo=1/2πfor (2)
实验系统包括正弦信号源、差分放大器、高通滤波器(截止频率f=100 Hz)和整流等电路。同时用示波器和电压表观测交、直流信号。测量电极用镀铬金属,耳穴探测电极直径2.5 mm,参考电极直径5 mm。测量前用75%酒精清洁皮肤表面,参考点涂导电膏,耳穴处不宜涂。
1.3 统计分析方法
分别求得正常组与病理组的屏间前(后)和指穴区的耗散特征频率统计量,为均值
, http://www.100md.com
以近视度数D为病理指标,特征频率fo为观察变量,计算D与fo之间的相关系数r,从而获得特征频率fo与病理变化的相关性。
2 实验结果与分析
2.1 耳穴耗散特征
由二组样本测得耳穴屏间(前)后的二条耗散特性曲线logZ~logf,如图2。Z1为正常组,Z2为病理组。当频率较低时,f<
, http://www.100md.com
图2 耳穴耗散特性曲线logZ~logf
Fig 2 The logZ-logf experimental curve of the dissipative characteristic of the auricular points
表1 正常组与病理组屏间(眼)穴的耗散特征参数
Table 1 Dissipative characteristic parameters of the Eye-acupoint in normal and pathologic groups 参数
正常组
病理组
斜率(slope)
, 百拇医药
-1.04
-1.05
特征频率(kHz)
13.34
11.38
驰豫时间(μs)
11.9
14.0
相关系数(r)
-0.79*
-0.82*
*相关系数的显著性:P<0.01
, http://www.100md.com
2.2 特征频率反应病变的特异性
表2给出耳穴耗散特征频率的统计结果比较。由表2可见,耳穴屏间前(后)的耗散特征频率,在正常与病理组之间有显著差异,P<0.01,而指穴的特征频率,在两组之间无显著差异,P>0.05。在病理组内,屏间前(后)与指穴之间,其特征频率有显著差异,P<0.01,而在正常组内,两穴位之间无显著差异,P>0.05。可见耳穴耗散特征频率具有区分相应部位有无病变和病位的特异性。
3 讨 论
实验表明,耳穴生物组织存在耗散特性,其特征曲线logZ~logf,与Yamamoto,Schwan等所测皮肤组织的logZ~logf的α-色散区有相似的特征[2]。随外加电场频率的增高,阻抗Z减小而电导σ增大,在特征频率fo附近变化迅速,这是由介电常数ε的变化而引起的。通常认为,α色散主要与生物组织的不均匀结构和细胞膜上的界面电极化有关[2]。耳穴与参考点两电极之间的生物组织结构成分复杂,其中体表皮肤层含水较少,阻抗大于体内深部组织,因而外加电压主要降落在皮肤层而形成较高的电场强度,低频外场引起的电极化主要贡献在皮肤层,本实验结果主要反映了穴位体表皮肤层的α色散特性。
, 百拇医药
有必要说明的是,用电阻(R)和电容(C)构成的四端网络,其传输特性中的幅频特性曲线与耳穴耗散特性曲线类似(除纵轴方向相反外),其参数却有差异,并且相频特性曲线、Nyquist图以及传递函数中的其他参数,在电路模拟与耳穴测得的结果之间存在差异。这种不一致除了考虑测量误差外,更主要的因素可能由于生物组织的非线性,因不能满足线性系统分析的条件而引起的。有关耳穴频率特性的实验结果将另文发表,本文不再细述。
图2实验曲线由正常组和病理组两个样本的统计量给出,可能给出耗散征的规律,两种病例的特征频率fo、驰豫时间τ有差异,病变器官相应耳穴的特征频率较低,驰豫时间较长。表2给出的耗散特征频率的统计量对照比较和显著性检验结果表明,耳穴耗散特征频率fo具有反应病变和病位的特异性,是一个新的特征标志量。
相关分析得到特征频率fo与病理指标D之间的相关系数值达0.8,可见器官病理变化与相应耳穴有强相关性,特征频率fo反映了两者之间存在密切联系。
, 百拇医药
耗散特征频率fo可标志驰豫时间τ。耳穴组织的生物大分子含有许多偶极子和离子基团。它们处在生物水和各种离子的环境中,这些成分之间和与外场之间的相互作用形成的热能和位阻,影响着大分子的构象和功能。生物大分子在某个势能状态时处于稳定构象位置I,在外场作用下,由于能量损耗将改变势能的相对高度,靠热涨落的作用会越过势垒U而跃迁到构象位置Ⅱ,这种改变构象的热涨落过程即驰豫过程。在人体体温条件下,当μE<
τ=(1/2vo)exp(U/KT) (3)
其中:vo为离子基团的固有振动频率;K为玻尔兹曼常数;T为体温绝对温度。耗散驰豫时间τ可以标志生物组织中大分子所在空间的结构特征,τ的不同表明生物大分子构象的差异。由上述实验结果和分析,提出一个设想:耳穴及其反应病变特异性的本质可能与皮肤层其生物组织大分子的构象变化有关,当人体某部有生理或病理变化时,耳穴出现的变异反应是由其生物组织大分子构象发生变化而引起的。该设想还需要由其它实验,特别是生物学实验进一步论证。深入研究穴位的耗散特性,是用近代科学方法研究传统中医学问题的一种探索,这对于认识穴位及其特异性的本质具有重要的意义。
, 百拇医药
基金项目:国家自然科学基金资助项目(39370856)
作者单位:刘
参考文献:
[1]朱兵,张 骏等.耳穴耗散特性的研究.第二届国际耳部医学学术会议论文集,中国针灸学会,1995∶35
[2]李缉熙,牛中奇著.生物电磁学概念.西安:西安电子科技大学出版社,1990∶43
[3]杨文修,李正明.生物医学物理概念.天津:天津科技翻译出版公司,1993∶19
收稿日期:1998-08-31
修改日期:1999-01-09, 百拇医药