海洋肽抗皮肤老化作用的实验研究
作者:王春波 贺孟泉 秦守哲 张良 王丽君 仲伟珍 王玉贞 张建
单位:266021 青岛大学医学院
关键词:栉孔扇贝;海洋肽;成纤维细胞;弹性纤维
中华医学美容杂志980408 【摘要】 目的 本文根据皮肤自然老化的原理,研究海洋肽的抗皮肤衰老作用。方法 采用自身配对设计,对老龄大鼠背部皮肤分别涂抹生理盐水和20 %海洋肽,光镜观察成纤维细胞数目和表皮平均厚度,以图像分析技术测算弹性纤维含量。结果 海洋肽能明显增加衰老皮肤的表皮平均厚度和成纤维细胞数目,提高真皮内弹性纤维含量,与生理盐水组对照,差异有高度显著性(t=2.527~9.592,P<0.05,P<0.01)。结论 海洋肽能延缓皮肤的衰老。
Experimental study on anti-aging skin of the poly peptides from the chlamys farreri Wang Chunbo,He Mengquan,Qin Shouzhe,et al.Affiliated Hospital of Medical College of QingDao University ,Qingdao 266021
, http://www.100md.com
【Abstract】 Objective In accordance with the structure in decrepit skin,the anti-aging skin of the poly peptides were studied.Methods The aged rats were externally applied with 0.9 % Nacl and 20 % poly peptides respectively,by matched-pair design.The amounts of fibroblast and the thickness of epidermis were observed by microscope .The contents of elastic fiber were calculated with image analyser computer.Results The poly peptides could significantly increase the thickness of epidermis,the amounts of fibroblast and contents of elastic fiber compared with control group(t=2.527~9.592,P<0.05,0.01).Conclusion The poly peptides could retard skin aging.
, 百拇医药
【Key words】 Chlamys farreri Poly peptides Fibroblast Elastic fiber
皮肤是人体组织与外界环境相连的重要界面,在机体衰老过程中最易显露,出现皮肤萎缩、松弛、皱纹以及色素改变等。因此,研究和开发抗皮肤衰老活性物质是化妆品工业的重要课题。目前,各种来源的水解蛋白质被广泛地用作化妆品原料,尤其是具有特殊功能的多肽、表皮生长因子(EGF)等倍受重视[1]。海洋肽是从栉孔扇贝中提取的多肽,Mr(分子量)为800~1 000。本研究根据皮肤衰老原理,以老龄大鼠皮肤为材料进行海洋肽抗皮肤衰老的初探。
材料与方法
一、材料
1.试剂 20 %海洋肽系栉孔扇贝酶解后经多级分离、纯化制成;盐基品红上海新中化学厂生产(1611128);ZK204均孔强碱性阴离子交换树脂、D001苯乙烯阳离子交换树脂、HD1弱酸性酚醛系阳离子交换树脂均由华东理工大学华震公司提供;葡聚糖凝胶G25为上海化学试剂采购供应站分装。
, http://www.100md.com
2.动物 Wistar 雄性大鼠12只,体 重547.6±62.4g,鼠龄22个月,由山东医科大学实验动物中心提供。
3.仪器 梯度混合器为上海沪西仪器厂产品;CFP-Ⅱ型恒流泵系中科院大连物化所研制;VIDA21图像分析系统系德国制造。
二、方法
将老龄大鼠背部皮肤脱毛,在左、右两侧皮肤上分别涂抹生理盐水和20%海洋肽,保鲜膜保护2h。每日2次,连续给药30天。第31天处死动物,将每只动物左、右两侧的皮肤用10 %福尔马林液固定。常规石蜡包埋切片,HE染色和AF染色均为每侧皮肤切片,分别观察每侧皮肤3张HE染色和AF染色的组织切片,求得
作为该侧皮肤的观察指标,共观察12只动物,再以统计学方法计算
。在显微镜下进行成纤维细胞计数(每片计数2 000个细胞,记录其中的成纤维细胞数目),以测微尺测量表皮平均厚度。AF染色切片,经图像分析仪测定真皮内弹性纤维的含量(积分光密度OPTDI=平均光密度X面积),配对t检验统计数据。
, 百拇医药
附表 海洋肽对皮肤形态学的影响(
) 组 别
成纤维细胞(个)
表皮平均厚度(UM)
弹性纤维(OPTDI)
左-生理盐水
1692.44±38.08
195.85±28.31
874.84±302.13
右-海洋肽
1895.91±24.36△△
, http://www.100md.com
245.64±34.61△△
1075.88±359.13△
△P<0.05 △△P<0.01结 果
观察结果表明,涂抹20%海洋肽的皮肤组织中,成纤维细胞和表皮平均厚度明显增加,与生理盐水组比较,差异有高度显著性(t=3.657~9.592,P<0.01)。图像分析结果显示,海洋肽的作用使真皮内弹性纤维嗜染,纤维增生变粗,含量增加。与生理盐水组皮肤对照差异显著(t=2.52,P<0.05),见附表和图1~4。
讨 论
文献报道[2,3],自然老化的皮肤可表现为:表皮变薄,表皮和真皮细胞减少,增殖和更新速度减慢,成纤维细胞也减少,胶原和弹性纤维合成能力下降等。本研究结果发现,成纤维细胞数目在对照组和海洋肽组间差异极显著,提示海洋肽对真皮中成纤维细胞产生了刺激作用,促进了成纤维细胞分裂及其合成和分泌胶原蛋白与弹性蛋白的能力。
, http://www.100md.com
Kligman认为[4],女性比男性皮肤薄,可能是女性比男性皮肤衰老早的原因。在海洋肽的作用下老龄大鼠表皮平均厚度增加,进一步提示海洋肽具有抗皮肤自然老化的作用,延缓女性皮肤衰老似优于男性。
研究认为,皮肤老化的主要原因是真皮结构的改变,尤其是弹性纤维的退化,导致皮肤拉伸后弹性回复力减弱和皮肤松弛,在皱纹的形成与发展上起着重要作用。故常将依靠弹性纤维维持的皮肤弹性,作为衡量皮肤老化程度的一个参数[5,6]。AF染色显示,海洋肽处理的皮肤中弹性纤维含量明显增加,提示该物质能促进恢复皮肤弹性活力,减少细小皱纹
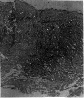
图1 镜下6号大鼠左侧生理盐水皮肤表皮平均厚度为187.5 um成纤维细胞数为1694 HE10×
, 百拇医药
图2 镜下6号大鼠右侧海洋肽皮肤表皮平均厚度为262.5 um成纤维细胞数为1894 HE10×
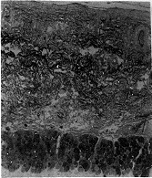
图3 镜下大鼠左侧度为生理盐水皮肤弹性纤维的OPTDI为564.63AF染色4×
图4 镜下大鼠右侧海洋肽皮肤弹性纤维的OPTDI为721.52 AF染色4×
本研究在建立老龄大鼠自然衰老皮肤模型的同时,对从组织形态学角度探讨延缓皮肤衰老的活性物质,提供了具有科学意义的参考观测指标。
由于多肽类物质分子量小,不易引起因异性蛋白而产生的过敏反应等副作用。所以,海洋肽可作为化妆品添加剂的新成员,对开发海洋资源具有广阔的前景。
, 百拇医药
参考文献
1 裘炳毅.生物技术制剂及其在化妆品的应用.日用化学工作,1995,6:39-46.
2 Gilchrest B A,Yaar M. Ageing and photoageing of the skin observations at the cellular and molecular level. Br J Dermatol,1992,127 (suppl) 41:2530.
3 Lapiere C M. The ageing dermis the main cause for the appearance of old skin. Br J Dermatol, 1990,22(suppl)35:59.
4 Kligman A M, Grove G L, Balin A K. Aging of human skin. In Finch CE. Handbook of the Biology of Aging. New York: van Nostrsnd Reinhold. 1935.820823.
5 ODonoghue M N. Cosmetic for the elderly. Dermatol clin. 1991,1:2934.
6 Escoffier C,de Rigal J, Rochefort A, et al. Age-related mechanical properties of human skin: an in vivo study. J Invest Dermatol, 1989,93:353357.
(收稿:1998-07-07), 百拇医药
单位:266021 青岛大学医学院
关键词:栉孔扇贝;海洋肽;成纤维细胞;弹性纤维
中华医学美容杂志980408 【摘要】 目的 本文根据皮肤自然老化的原理,研究海洋肽的抗皮肤衰老作用。方法 采用自身配对设计,对老龄大鼠背部皮肤分别涂抹生理盐水和20 %海洋肽,光镜观察成纤维细胞数目和表皮平均厚度,以图像分析技术测算弹性纤维含量。结果 海洋肽能明显增加衰老皮肤的表皮平均厚度和成纤维细胞数目,提高真皮内弹性纤维含量,与生理盐水组对照,差异有高度显著性(t=2.527~9.592,P<0.05,P<0.01)。结论 海洋肽能延缓皮肤的衰老。
Experimental study on anti-aging skin of the poly peptides from the chlamys farreri Wang Chunbo,He Mengquan,Qin Shouzhe,et al.Affiliated Hospital of Medical College of QingDao University ,Qingdao 266021
, http://www.100md.com
【Abstract】 Objective In accordance with the structure in decrepit skin,the anti-aging skin of the poly peptides were studied.Methods The aged rats were externally applied with 0.9 % Nacl and 20 % poly peptides respectively,by matched-pair design.The amounts of fibroblast and the thickness of epidermis were observed by microscope .The contents of elastic fiber were calculated with image analyser computer.Results The poly peptides could significantly increase the thickness of epidermis,the amounts of fibroblast and contents of elastic fiber compared with control group(t=2.527~9.592,P<0.05,0.01).Conclusion The poly peptides could retard skin aging.
, 百拇医药
【Key words】 Chlamys farreri Poly peptides Fibroblast Elastic fiber
皮肤是人体组织与外界环境相连的重要界面,在机体衰老过程中最易显露,出现皮肤萎缩、松弛、皱纹以及色素改变等。因此,研究和开发抗皮肤衰老活性物质是化妆品工业的重要课题。目前,各种来源的水解蛋白质被广泛地用作化妆品原料,尤其是具有特殊功能的多肽、表皮生长因子(EGF)等倍受重视[1]。海洋肽是从栉孔扇贝中提取的多肽,Mr(分子量)为800~1 000。本研究根据皮肤衰老原理,以老龄大鼠皮肤为材料进行海洋肽抗皮肤衰老的初探。
材料与方法
一、材料
1.试剂 20 %海洋肽系栉孔扇贝酶解后经多级分离、纯化制成;盐基品红上海新中化学厂生产(1611128);ZK204均孔强碱性阴离子交换树脂、D001苯乙烯阳离子交换树脂、HD1弱酸性酚醛系阳离子交换树脂均由华东理工大学华震公司提供;葡聚糖凝胶G25为上海化学试剂采购供应站分装。
, http://www.100md.com
2.动物 Wistar 雄性大鼠12只,体 重547.6±62.4g,鼠龄22个月,由山东医科大学实验动物中心提供。
3.仪器 梯度混合器为上海沪西仪器厂产品;CFP-Ⅱ型恒流泵系中科院大连物化所研制;VIDA21图像分析系统系德国制造。
二、方法
将老龄大鼠背部皮肤脱毛,在左、右两侧皮肤上分别涂抹生理盐水和20%海洋肽,保鲜膜保护2h。每日2次,连续给药30天。第31天处死动物,将每只动物左、右两侧的皮肤用10 %福尔马林液固定。常规石蜡包埋切片,HE染色和AF染色均为每侧皮肤切片,分别观察每侧皮肤3张HE染色和AF染色的组织切片,求得
, 百拇医药
附表 海洋肽对皮肤形态学的影响(
成纤维细胞(个)
表皮平均厚度(UM)
弹性纤维(OPTDI)
左-生理盐水
1692.44±38.08
195.85±28.31
874.84±302.13
右-海洋肽
1895.91±24.36△△
, http://www.100md.com
245.64±34.61△△
1075.88±359.13△
△P<0.05 △△P<0.01结 果
观察结果表明,涂抹20%海洋肽的皮肤组织中,成纤维细胞和表皮平均厚度明显增加,与生理盐水组比较,差异有高度显著性(t=3.657~9.592,P<0.01)。图像分析结果显示,海洋肽的作用使真皮内弹性纤维嗜染,纤维增生变粗,含量增加。与生理盐水组皮肤对照差异显著(t=2.52,P<0.05),见附表和图1~4。
讨 论
文献报道[2,3],自然老化的皮肤可表现为:表皮变薄,表皮和真皮细胞减少,增殖和更新速度减慢,成纤维细胞也减少,胶原和弹性纤维合成能力下降等。本研究结果发现,成纤维细胞数目在对照组和海洋肽组间差异极显著,提示海洋肽对真皮中成纤维细胞产生了刺激作用,促进了成纤维细胞分裂及其合成和分泌胶原蛋白与弹性蛋白的能力。
, http://www.100md.com
Kligman认为[4],女性比男性皮肤薄,可能是女性比男性皮肤衰老早的原因。在海洋肽的作用下老龄大鼠表皮平均厚度增加,进一步提示海洋肽具有抗皮肤自然老化的作用,延缓女性皮肤衰老似优于男性。
研究认为,皮肤老化的主要原因是真皮结构的改变,尤其是弹性纤维的退化,导致皮肤拉伸后弹性回复力减弱和皮肤松弛,在皱纹的形成与发展上起着重要作用。故常将依靠弹性纤维维持的皮肤弹性,作为衡量皮肤老化程度的一个参数[5,6]。AF染色显示,海洋肽处理的皮肤中弹性纤维含量明显增加,提示该物质能促进恢复皮肤弹性活力,减少细小皱纹
图1 镜下6号大鼠左侧生理盐水皮肤表皮平均厚度为187.5 um成纤维细胞数为1694 HE10×
, 百拇医药
图2 镜下6号大鼠右侧海洋肽皮肤表皮平均厚度为262.5 um成纤维细胞数为1894 HE10×
图3 镜下大鼠左侧度为生理盐水皮肤弹性纤维的OPTDI为564.63AF染色4×
图4 镜下大鼠右侧海洋肽皮肤弹性纤维的OPTDI为721.52 AF染色4×
本研究在建立老龄大鼠自然衰老皮肤模型的同时,对从组织形态学角度探讨延缓皮肤衰老的活性物质,提供了具有科学意义的参考观测指标。
由于多肽类物质分子量小,不易引起因异性蛋白而产生的过敏反应等副作用。所以,海洋肽可作为化妆品添加剂的新成员,对开发海洋资源具有广阔的前景。
, 百拇医药
参考文献
1 裘炳毅.生物技术制剂及其在化妆品的应用.日用化学工作,1995,6:39-46.
2 Gilchrest B A,Yaar M. Ageing and photoageing of the skin observations at the cellular and molecular level. Br J Dermatol,1992,127 (suppl) 41:2530.
3 Lapiere C M. The ageing dermis the main cause for the appearance of old skin. Br J Dermatol, 1990,22(suppl)35:59.
4 Kligman A M, Grove G L, Balin A K. Aging of human skin. In Finch CE. Handbook of the Biology of Aging. New York: van Nostrsnd Reinhold. 1935.820823.
5 ODonoghue M N. Cosmetic for the elderly. Dermatol clin. 1991,1:2934.
6 Escoffier C,de Rigal J, Rochefort A, et al. Age-related mechanical properties of human skin: an in vivo study. J Invest Dermatol, 1989,93:353357.
(收稿:1998-07-07), 百拇医药