5种皮肤消毒剂对绿脓杆菌杀灭 及诱导L型作用的实验观察
作者:高东旗 李仕英 * 宋 学 **
单位:北京军区军事医学研究所, 石家庄 050081
关键词:皮肤消毒剂;杀菌作用;绿脓杆菌;细菌L型;L型诱导作用
中国消毒学杂志980106 提要 经试验,以含500 mg/L有效碘的碘伏作用1~5 min或含1000 mg/L有效碘者作用1 min,以及0.1%新洁尔灭溶液作用5~15 min,均可诱导绿脓杆菌形成L型。两种消毒剂诱导的L型,菌落特征、菌体形态、革兰氏染色与生化反应等均基本一致,传1~2代可恢复亲代特征。
细菌L型同其亲代菌株一样有致病作用 〔1〕 。因绿脓杆菌为医院感染的主要病原体之一,为此进行了几种皮肤消毒剂对绿脓杆菌诱导L型作用的实验观察。现将结果报告如下。
, http://www.100md.com 1 方法
1.1 L 型菌增菌液与固体培养基的制备 制备L型菌增菌液时,将蛋白胨10 g、明胶10 g与氯化钠40 g加于1000 ml牛肉浸泡液中,加热溶解并混匀。调pH值至7.6~7.8,分装于大试管内(15 ml/管)。加塞后,经121℃压力蒸汽灭菌15 min 〔2〕 ,备用。
L型菌固体培养基的制备,系将蛋白胨10 g、明胶30 g、氯化钠40 g与琼脂8 g加入1000 ml牛肉浸泡液中,加热溶解。调pH值至7.6~7.8,分装于三角烧瓶内。经121℃压力蒸汽灭菌20 min。待冷却至约55℃后,加入10%灭活人血浆制成平 板 〔2〕 。
1.2 菌片的制备
将加有5%小牛血清(菌保护剂)的绿脓杆菌(9201,军事医学科学院微生物流行病研究所提供)菌悬液滴染于脱脂白平纹布片(1.0 cm×1.0 cm)上,制成菌片。置37℃温箱干燥10 min后用于试验。
, 百拇医药
1.3 杀菌试验
将装于平皿(直径为10 cm)中的20 ml消毒液经20℃恒温水浴预热后,放入菌片。作用至预定时间,取出菌片,投入装有5 ml中和剂试管中。中和剂以0.03 mol/L磷酸盐缓冲液加以不同成分配制。经预试验筛选,碘伏用中和剂含1%吐温80、0.5%硫代硫酸钠和0.1%卵磷脂;新洁尔灭与醋酸洗必泰用者含2%吐温80和0.2%卵磷脂;过氧化氢用者含0.5%硫代硫酸钠;乙醇用者含1%吐温80。中和作用10 min。振打试管80次以洗下菌片上的菌。取混悬液0.5 ml接种平皿,倾注普通营养琼脂并混匀。于37℃培养48 h,计数菌落,计算杀灭率。
1.4 细菌 L 型的检验
取上述混悬液0.5 ml投入装有15 ml L型菌增菌液的试管中。置二氧化碳烛缸中经35℃培养5~7 d。然后,以0.45 μm微孔滤膜将增菌后的液体加压过滤。取滤液各0.1 ml,分别置L型琼脂平板与普通营养琼脂平板上,涂抹均匀,置二氧化碳烛缸中经35℃培养,逐日观察结果。对疑为L型的菌落,做形态学观察、返祖传代和生化反应试验。
, 百拇医药
2 结果
2.1 杀灭效果
试验表明,以75%乙醇、0.1%醋酸洗必泰、1.5%过氧化氢、0.2%新洁尔灭或含500 mg/L有效碘的碘伏溶液作用5 min,对布片上绿脓杆菌的杀灭率均可达100%;以0.1%新洁尔灭溶液作用15 min,杀灭率亦可达100%(表1)。
2.2 细菌 L 型检验结果
经检验,仅低浓度新洁尔灭或碘伏短时间作用可诱导绿脓杆菌形成L型(表2)。经乙醇、醋酸洗必泰或过氧化氢按表1中剂量作用者,则均无L型绿脓杆菌形成。
2.3 绿脓杆菌 L 型的特征
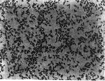
试验结果,经碘伏或新洁尔灭作用,绿脓杆菌形成的L型多在转种L型菌培养基平板培养第2天开始出现肉眼可见的细小菌落。第3~4天菌落增多,第5天不再见新菌落。与亲代菌株的菌落不同,L型菌落随培养时间延长无明显增大。亲代菌株菌落的表面及边缘均较平滑(图1)。L型菌落因嵌入培养基而不易刮下,显微镜下绝大多数菌落呈大小不等、形状不一、表面与边缘粗糙的颗粒(图2),菌落为油煎蛋样(图3)。亲代绿脓杆菌为革兰氏染色阴性杆菌
, 百拇医药
表1 不同消毒剂对布片上绿脓杆菌的杀灭效果
Table 1 Efficacy of different disinfectants in killingPseudomonas. aeruginosa on cloth strip 消毒剂Disin- fectant
浓 度Concent-ration
(%)
作用不同时间(min)的杀灭率(%)Killing rate (%) after exposurefor different periods of time(min)
1
5
10
, http://www.100md.com
15
乙醇
Ethanol
75.0
100.00
100.00……
醋酸洗必泰
Chlorhexidine
acetat
0.1
97.03
100.00……
, http://www.100md.com 过氧化氢
Hydrogen peroxide
1.5
98.44
100.00……
3.0
99.93
100.00……
新洁尔灭
Bromogera-
mine
0.1…
, 百拇医药 99.97
99.99
100.00
0.2…
100.00……
碘伏
Iodophor
500
99.95
100.00……
1000
100.00
100.00……
, http://www.100md.com
2000
100.00
100.00……
5000
100.00
100.00……
注: 试验温度为20℃。对照组回收平均菌数 1 050 000 cfu/片。结果为5次试验平均值。 碘伏浓度指有效碘含量(ml/L)。
Note: The temperature was 20℃. Average bacterial count was 1 050 000 cfu/strip. The results were means of 5 tests. The concentration of indophor means the content of available iodine (mg/L).
, http://www.100md.com
表2 碘伏和新洁尔灭诱导绿脓杆菌形成L型的结果
Table 2 Results of induction of L-form of P. aeruginosa by iodophor and bromogeramine 作用时间Exposure time(min)
碘伏不同浓度 (mg/L) 的结果 Results of different concent-rations (mg/L) of iodophor
新洁尔灭不同浓度(%)的结果 Results of different concent-rations (%) of bromogeramine
500
1000
2000
, 百拇医药
5000
0.1
0.2
1
+
+
-
-……
5
+
-
-
-
+
, 百拇医药
-
10
-
-
-
-
+
-
15…………
+
-
20…………
-
-
, 百拇医药
注:“+”为检出L型,“—”为未检出L型。
Note: “+” is L-form positive,“—” is L-form negative.
图1 绿脓杆菌亲代菌落 Fig 1 Parent colonies of P. aeruginosa (×20)
图2 新洁尔灭诱导的绿脓杆菌L型颗粒状菌落 Fig 2 Granular colonies of L-form of P. aerugi- nosa induced by bromogeramine (×40)
, http://www.100md.com
图3 出现的少数绿脓杆菌L型油煎蛋样菌落 (碘伏诱导,×40) Fig 3 Fried egg-like colonies of L-form of P. aeruginosa rarely appeared in the test (induced by iodophor, ×40)
(图4),其L型则多联成为革兰氏染色阴性的长丝状(图5),胞壁染色呈紫色。
图4 革兰氏染色的亲代绿脓杆菌 Fig 4 Gram stained parent P. aeruginosa (×1000)
图5 革兰氏染色的碘伏诱导绿脓杆菌L型 Fig 5 Garm stained L-form of P. aeruginosa induced by iodophor (×1000)
, 百拇医药
每隔2~3 d,将L型绿脓杆菌在普通营养琼脂平板上转种传代一次,对各代取样染色和作生化反应检测。结果,传1~2代,其生化反应和胞壁染色特征即恢复到与亲代基本一致(仅生化反应中氧化酶与葡萄糖时有阳性或阴性出现)。
3 讨论
3.1 结果表明,75%乙醇、0.1%醋酸洗必泰、1.5%过氧化氢、0.2%新洁尔灭或含500 mg/L有效碘的碘伏溶液对布片上绿脓杆菌作用5 min,杀灭率均可达100%。用0.1%新洁尔灭溶液则需作用15 min。
3.2 在所试5种消毒剂作用条件下,仅含500 mg/L有效碘碘伏溶液作用1~5 min或含1000 mg/L有效碘者作用1 min,以及0.1%新洁尔灭溶液作用5~15 min,可诱导绿脓杆菌形成L型。该2种消毒剂诱导形成的绿脓杆菌L型,菌落特征、菌体形态、革兰氏染色特征与生化反应均基本一致。L型菌落较亲代菌落细小,绝大多数为颗粒状(G型菌落),少数为油煎蛋样。经普通营养琼脂平板转种传1~2代,L型特征与亲代基本一致(返祖)。边藏丽等报道,用臭氧诱导的绿脓杆菌L型需传4~8代方可返祖 〔3〕 。此外,臭氧诱导者在42℃可生长并液化明胶,而碘伏、新洁尔灭及紫外线诱导者则不能;低剂量碘伏或新洁尔灭诱导的绿脓杆菌L型,动力试验阴性,而低剂量紫外线诱导者则为 阳性 〔4〕 。上述崐差别可能因诱导因子的特性而异,其机理尚待进一步研究。
, 百拇医药
3.3 以普通营养琼脂培养检测表明,1000 mg/L有效碘的碘伏溶液作用1 min或500 mg/L有效碘者作用5 min,以及0.1%新洁尔灭溶液作用15 min,对布片上绿脓杆菌杀灭率均达100%。L型培养基检验结果则表明,经上述消毒作用后,仍有绿脓杆菌L型存活,提高作用剂量才能杀灭。因此,为防止细菌L型引起医院感染,消毒时采用的剂量,应大于以普通营养琼脂检测所得杀灭的合格剂量,以避免诱导形成L型。
(本文承张立副主任技师、邵新玺副教授指导,特此致谢。)
参 考 文 献
〔1〕 黄谷良. 细菌L型与疾病. 北京:学苑出版社, 1991: 293.
〔2〕 徐志学. L型细菌的检验及其临床意义. 临床检验杂志 1987; 5(3): 135.
, 百拇医药 〔3〕 边藏丽,邓江陵,黄凤翥,等. 臭氧导致细菌L型形成的观察. 中国消毒学杂志 1994; 11(2): 75.
〔4〕 边藏丽,张群,邓江陵,等. 紫外线在杀菌中诱导绿脓杆菌与蜡状杆菌形成L型的观察. 中国消毒学杂志 1993;10(4): 211.
EXPERIMENTAL OBSERVATION ON KILLING AND INDUCTION OF L-FORM of PSEUDOMONAS AERUGINOSA BY FIVE KINDS OF SKIN DISINFECTANT
Gao Dongqi Li Shiying * Song Xue **
(Research Institute of Military Medicine, Beijing Military Area, Shijiazhuang 050081)
, 百拇医药
Abstract
Ordinary nutrient agar plate and L-form culture medium were used simultaneously to detect Pseudomonas aeruginosa after exposure to disinfectant. The results of ordinary nutrient agar plate culture indicated that the killing rate of Pseudomonas aeruginosa on cloth strip exposed to 75% ethanol, 0.1% chlorhexidine acetate, 1.5% hydrogen peroxide, 0.2% bromogeramine or iodophor solution containing 500 mg/L available iodine for 5 min was 100%. The killing rate after exposure to 0.1% bromogeramine for 15 minutes or iodophor solution containing 1000 mg/L available iodine for 1 min was also 100%. Culture on L-form culture medium showed that iodophor solution containing 500 mg/L available iodine with a 1~5 min contact time, iodophor solution containing 1000 mg/L available iodine with a 1 min contact time or 0.1% bromogeramine solution with a 5~15 min contact time could induce L-form formation of P. aeruginosa.
, 百拇医药
The L-forms of P. aeruginosa induced by iodophor and bromogeramine were essentially similar in characteristics of colonies, morphology of the bacteria, Gram staining effect and biochemical reaction. After passage for 1~2 generations on ordinary nutrient agar plate, the characteristics of parent generation could be restored.
Key words skin disinfectant bactericidal action Pseudomonas aeruginosa L-forms of bacteria induction of L-form
* Norman Bethune International Peace Hospital
** Shijiazhuang Municipal Sanitary and Anti-epidemic Station
* 白求恩国际和平医院 ** 石家庄市卫生防疫站
(1996-08-03收稿 1997-02-15修回), 百拇医药
单位:北京军区军事医学研究所, 石家庄 050081
关键词:皮肤消毒剂;杀菌作用;绿脓杆菌;细菌L型;L型诱导作用
中国消毒学杂志980106 提要 经试验,以含500 mg/L有效碘的碘伏作用1~5 min或含1000 mg/L有效碘者作用1 min,以及0.1%新洁尔灭溶液作用5~15 min,均可诱导绿脓杆菌形成L型。两种消毒剂诱导的L型,菌落特征、菌体形态、革兰氏染色与生化反应等均基本一致,传1~2代可恢复亲代特征。
细菌L型同其亲代菌株一样有致病作用 〔1〕 。因绿脓杆菌为医院感染的主要病原体之一,为此进行了几种皮肤消毒剂对绿脓杆菌诱导L型作用的实验观察。现将结果报告如下。
, http://www.100md.com 1 方法
1.1 L 型菌增菌液与固体培养基的制备 制备L型菌增菌液时,将蛋白胨10 g、明胶10 g与氯化钠40 g加于1000 ml牛肉浸泡液中,加热溶解并混匀。调pH值至7.6~7.8,分装于大试管内(15 ml/管)。加塞后,经121℃压力蒸汽灭菌15 min 〔2〕 ,备用。
L型菌固体培养基的制备,系将蛋白胨10 g、明胶30 g、氯化钠40 g与琼脂8 g加入1000 ml牛肉浸泡液中,加热溶解。调pH值至7.6~7.8,分装于三角烧瓶内。经121℃压力蒸汽灭菌20 min。待冷却至约55℃后,加入10%灭活人血浆制成平 板 〔2〕 。
1.2 菌片的制备
将加有5%小牛血清(菌保护剂)的绿脓杆菌(9201,军事医学科学院微生物流行病研究所提供)菌悬液滴染于脱脂白平纹布片(1.0 cm×1.0 cm)上,制成菌片。置37℃温箱干燥10 min后用于试验。
, 百拇医药
1.3 杀菌试验
将装于平皿(直径为10 cm)中的20 ml消毒液经20℃恒温水浴预热后,放入菌片。作用至预定时间,取出菌片,投入装有5 ml中和剂试管中。中和剂以0.03 mol/L磷酸盐缓冲液加以不同成分配制。经预试验筛选,碘伏用中和剂含1%吐温80、0.5%硫代硫酸钠和0.1%卵磷脂;新洁尔灭与醋酸洗必泰用者含2%吐温80和0.2%卵磷脂;过氧化氢用者含0.5%硫代硫酸钠;乙醇用者含1%吐温80。中和作用10 min。振打试管80次以洗下菌片上的菌。取混悬液0.5 ml接种平皿,倾注普通营养琼脂并混匀。于37℃培养48 h,计数菌落,计算杀灭率。
1.4 细菌 L 型的检验
取上述混悬液0.5 ml投入装有15 ml L型菌增菌液的试管中。置二氧化碳烛缸中经35℃培养5~7 d。然后,以0.45 μm微孔滤膜将增菌后的液体加压过滤。取滤液各0.1 ml,分别置L型琼脂平板与普通营养琼脂平板上,涂抹均匀,置二氧化碳烛缸中经35℃培养,逐日观察结果。对疑为L型的菌落,做形态学观察、返祖传代和生化反应试验。
, 百拇医药
2 结果
2.1 杀灭效果
试验表明,以75%乙醇、0.1%醋酸洗必泰、1.5%过氧化氢、0.2%新洁尔灭或含500 mg/L有效碘的碘伏溶液作用5 min,对布片上绿脓杆菌的杀灭率均可达100%;以0.1%新洁尔灭溶液作用15 min,杀灭率亦可达100%(表1)。
2.2 细菌 L 型检验结果
经检验,仅低浓度新洁尔灭或碘伏短时间作用可诱导绿脓杆菌形成L型(表2)。经乙醇、醋酸洗必泰或过氧化氢按表1中剂量作用者,则均无L型绿脓杆菌形成。
2.3 绿脓杆菌 L 型的特征
试验结果,经碘伏或新洁尔灭作用,绿脓杆菌形成的L型多在转种L型菌培养基平板培养第2天开始出现肉眼可见的细小菌落。第3~4天菌落增多,第5天不再见新菌落。与亲代菌株的菌落不同,L型菌落随培养时间延长无明显增大。亲代菌株菌落的表面及边缘均较平滑(图1)。L型菌落因嵌入培养基而不易刮下,显微镜下绝大多数菌落呈大小不等、形状不一、表面与边缘粗糙的颗粒(图2),菌落为油煎蛋样(图3)。亲代绿脓杆菌为革兰氏染色阴性杆菌
, 百拇医药
表1 不同消毒剂对布片上绿脓杆菌的杀灭效果
Table 1 Efficacy of different disinfectants in killingPseudomonas. aeruginosa on cloth strip 消毒剂Disin- fectant
浓 度Concent-ration
(%)
作用不同时间(min)的杀灭率(%)Killing rate (%) after exposurefor different periods of time(min)
1
5
10
, http://www.100md.com
15
乙醇
Ethanol
75.0
100.00
100.00……
醋酸洗必泰
Chlorhexidine
acetat
0.1
97.03
100.00……
, http://www.100md.com 过氧化氢
Hydrogen peroxide
1.5
98.44
100.00……
3.0
99.93
100.00……
新洁尔灭
Bromogera-
mine
0.1…
, 百拇医药 99.97
99.99
100.00
0.2…
100.00……
碘伏
Iodophor
500
99.95
100.00……
1000
100.00
100.00……
, http://www.100md.com
2000
100.00
100.00……
5000
100.00
100.00……
注: 试验温度为20℃。对照组回收平均菌数 1 050 000 cfu/片。结果为5次试验平均值。 碘伏浓度指有效碘含量(ml/L)。
Note: The temperature was 20℃. Average bacterial count was 1 050 000 cfu/strip. The results were means of 5 tests. The concentration of indophor means the content of available iodine (mg/L).
, http://www.100md.com
表2 碘伏和新洁尔灭诱导绿脓杆菌形成L型的结果
Table 2 Results of induction of L-form of P. aeruginosa by iodophor and bromogeramine 作用时间Exposure time(min)
碘伏不同浓度 (mg/L) 的结果 Results of different concent-rations (mg/L) of iodophor
新洁尔灭不同浓度(%)的结果 Results of different concent-rations (%) of bromogeramine
500
1000
2000
, 百拇医药
5000
0.1
0.2
1
+
+
-
-……
5
+
-
-
-
+
, 百拇医药
-
10
-
-
-
-
+
-
15…………
+
-
20…………
-
-
, 百拇医药
注:“+”为检出L型,“—”为未检出L型。
Note: “+” is L-form positive,“—” is L-form negative.
图1 绿脓杆菌亲代菌落 Fig 1 Parent colonies of P. aeruginosa (×20)
图2 新洁尔灭诱导的绿脓杆菌L型颗粒状菌落 Fig 2 Granular colonies of L-form of P. aerugi- nosa induced by bromogeramine (×40)
, http://www.100md.com
图3 出现的少数绿脓杆菌L型油煎蛋样菌落 (碘伏诱导,×40) Fig 3 Fried egg-like colonies of L-form of P. aeruginosa rarely appeared in the test (induced by iodophor, ×40)
(图4),其L型则多联成为革兰氏染色阴性的长丝状(图5),胞壁染色呈紫色。
图4 革兰氏染色的亲代绿脓杆菌 Fig 4 Gram stained parent P. aeruginosa (×1000)
图5 革兰氏染色的碘伏诱导绿脓杆菌L型 Fig 5 Garm stained L-form of P. aeruginosa induced by iodophor (×1000)
, 百拇医药
每隔2~3 d,将L型绿脓杆菌在普通营养琼脂平板上转种传代一次,对各代取样染色和作生化反应检测。结果,传1~2代,其生化反应和胞壁染色特征即恢复到与亲代基本一致(仅生化反应中氧化酶与葡萄糖时有阳性或阴性出现)。
3 讨论
3.1 结果表明,75%乙醇、0.1%醋酸洗必泰、1.5%过氧化氢、0.2%新洁尔灭或含500 mg/L有效碘的碘伏溶液对布片上绿脓杆菌作用5 min,杀灭率均可达100%。用0.1%新洁尔灭溶液则需作用15 min。
3.2 在所试5种消毒剂作用条件下,仅含500 mg/L有效碘碘伏溶液作用1~5 min或含1000 mg/L有效碘者作用1 min,以及0.1%新洁尔灭溶液作用5~15 min,可诱导绿脓杆菌形成L型。该2种消毒剂诱导形成的绿脓杆菌L型,菌落特征、菌体形态、革兰氏染色特征与生化反应均基本一致。L型菌落较亲代菌落细小,绝大多数为颗粒状(G型菌落),少数为油煎蛋样。经普通营养琼脂平板转种传1~2代,L型特征与亲代基本一致(返祖)。边藏丽等报道,用臭氧诱导的绿脓杆菌L型需传4~8代方可返祖 〔3〕 。此外,臭氧诱导者在42℃可生长并液化明胶,而碘伏、新洁尔灭及紫外线诱导者则不能;低剂量碘伏或新洁尔灭诱导的绿脓杆菌L型,动力试验阴性,而低剂量紫外线诱导者则为 阳性 〔4〕 。上述崐差别可能因诱导因子的特性而异,其机理尚待进一步研究。
, 百拇医药
3.3 以普通营养琼脂培养检测表明,1000 mg/L有效碘的碘伏溶液作用1 min或500 mg/L有效碘者作用5 min,以及0.1%新洁尔灭溶液作用15 min,对布片上绿脓杆菌杀灭率均达100%。L型培养基检验结果则表明,经上述消毒作用后,仍有绿脓杆菌L型存活,提高作用剂量才能杀灭。因此,为防止细菌L型引起医院感染,消毒时采用的剂量,应大于以普通营养琼脂检测所得杀灭的合格剂量,以避免诱导形成L型。
(本文承张立副主任技师、邵新玺副教授指导,特此致谢。)
参 考 文 献
〔1〕 黄谷良. 细菌L型与疾病. 北京:学苑出版社, 1991: 293.
〔2〕 徐志学. L型细菌的检验及其临床意义. 临床检验杂志 1987; 5(3): 135.
, 百拇医药 〔3〕 边藏丽,邓江陵,黄凤翥,等. 臭氧导致细菌L型形成的观察. 中国消毒学杂志 1994; 11(2): 75.
〔4〕 边藏丽,张群,邓江陵,等. 紫外线在杀菌中诱导绿脓杆菌与蜡状杆菌形成L型的观察. 中国消毒学杂志 1993;10(4): 211.
EXPERIMENTAL OBSERVATION ON KILLING AND INDUCTION OF L-FORM of PSEUDOMONAS AERUGINOSA BY FIVE KINDS OF SKIN DISINFECTANT
Gao Dongqi Li Shiying * Song Xue **
(Research Institute of Military Medicine, Beijing Military Area, Shijiazhuang 050081)
, 百拇医药
Abstract
Ordinary nutrient agar plate and L-form culture medium were used simultaneously to detect Pseudomonas aeruginosa after exposure to disinfectant. The results of ordinary nutrient agar plate culture indicated that the killing rate of Pseudomonas aeruginosa on cloth strip exposed to 75% ethanol, 0.1% chlorhexidine acetate, 1.5% hydrogen peroxide, 0.2% bromogeramine or iodophor solution containing 500 mg/L available iodine for 5 min was 100%. The killing rate after exposure to 0.1% bromogeramine for 15 minutes or iodophor solution containing 1000 mg/L available iodine for 1 min was also 100%. Culture on L-form culture medium showed that iodophor solution containing 500 mg/L available iodine with a 1~5 min contact time, iodophor solution containing 1000 mg/L available iodine with a 1 min contact time or 0.1% bromogeramine solution with a 5~15 min contact time could induce L-form formation of P. aeruginosa.
, 百拇医药
The L-forms of P. aeruginosa induced by iodophor and bromogeramine were essentially similar in characteristics of colonies, morphology of the bacteria, Gram staining effect and biochemical reaction. After passage for 1~2 generations on ordinary nutrient agar plate, the characteristics of parent generation could be restored.
Key words skin disinfectant bactericidal action Pseudomonas aeruginosa L-forms of bacteria induction of L-form
* Norman Bethune International Peace Hospital
** Shijiazhuang Municipal Sanitary and Anti-epidemic Station
* 白求恩国际和平医院 ** 石家庄市卫生防疫站
(1996-08-03收稿 1997-02-15修回), 百拇医药