早、晚期增生性瘢痕组织内β1、α1整合素表达研究
作者:姚建 杨军 季建峰 李玉明 赵烨德
单位:姚建 杨军 季建峰 李玉明(南通医学院第二附属医院烧伤整形科,226001);赵烨德(上海海军第四一一医院整形外科,上海200081)
关键词:增生性瘢痕;成纤维细胞;整合素;免疫组织化学染色技术
南通医学院学报000126[摘 要] 目的:了解早、晚期增生性瘢痕组织内β1、α1整合素粘附分子表达水平及在瘢痕增生发展中的作用和意义。方法:制备早、晚期增生性瘢痕组织石蜡切片标本 ,借助整合素粘附分子单克隆抗体,通过免疫组织化学染色技术检测组织内β1、α1整合素的表达情况。结果:在早、晚期增生性瘢痕组织中,β1、α1整合素粘附分子的表达有着较为明显的差异。主要表现为在增生早期瘢痕组织内β1、α1整合素粘附分子表达较为广泛,无论是表皮基底细胞,还是瘢痕浅层、深层以及接近正常皮肤组织边缘的成纤维细胞均有较强的阳性信号表达。而在增生晚期的瘢痕组织中,β1、α1整合素粘附分子的表达一般局限于表皮基底细胞和部分瘢痕成纤维细胞膜上,同时β1、α1的信号强度也比瘢痕增生早期弱。结论:早、晚期增生性瘢痕组织内β1、α1整合素粘附分子表达差异一方面反映了在瘢痕增生发展过程中组织内成纤维细胞的活性变化,另一方面也提示了整合素粘附分子积极参与增生性瘢痕结缔组织的构建。
, http://www.100md.com
[中图分类号] R619+.6;R364.3 [文献标识码] A
[文章编号]1000-2057(2000)01-0054-02
EXRESSION OF β1 α1 INTGERINS IN HYPERTROPHIC SCAR TISSUES
YAO Jian YANG Jun JI Jianfeng LI Yuming ZHAO Yede
(Department of Plastic Surgery and Burns,the Second Affilated Hospital,Nantong Medical College,Nantong226001)
[Abstract] Objective:To investigate the expression levels of β1 and α1 integrins in hypertrophic scar tissues.Methods:Hypertrophic scars tissue specimens were collected.The expressive levels of β1 and α1 integrins in specimens were determined by immunohistochemistry stainning technique.Results:Although in all hypertrophic scars tussue specimens there were ositive signals of β1 and α1 integrins,the distribution and intensity of signals were obviously different.In hypertrophic scar tissues of early period,we found that epidermal cells and extensive fibroblasts expressed abundant β1 and α1 integrins.But in hypertrophic scar tissues of later period,only partly fibroblasts located in collagen nodules and beside normal tissue were examined to express β1 and α1 integrins.Conclusions:During the developing process of hypertrophic scar,expressive change of β1 and α1 integrins in the tissues not only reflected the active situation of fibroblasts,but also suggested integrins may play an important role in scartissue remodelling.
, 百拇医药
[Key words] hypertrophic scar;fibroblasts;integrins;expression
增生性瘢痕作为伤口上皮化愈合后组织继续增生的病理改变,其发生、发展与瘢痕成纤维细胞生物学功能异常有着密切的内在联系。许多疾病的发生、发展与整合素缺乏、功能不良或过度表达有着密切联系[1,2]。目前有关瘢痕组织增生发展是否与瘢痕成纤维细胞整合素表达报道不多。为此,我们利用整合素单克隆抗体通过S-P免疫组织化学染色技术对35例增生性瘢痕进行β1及α1整合素表达水平检测,以了解整合素在瘢痕增生发展中的作用。
1 材料与方法
1.1 主要试剂 免疫组化染色试剂盒、鼠抗人β1及α1整合素单克隆抗体及DAB均购于上海华胜生物技术有限公司。
, http://www.100md.com
1.2 组织标本 35例增生性瘢痕组织分别取自南通医学院第二附属医院烧伤整形科和上海海军第四一一医院整形科住院病人。年龄23~52岁,平均35.6岁,其中瘢痕增生6~9个月的标本11例,增生12个月以上的瘢痕标本24例;病人在取材前没有长时间外用各种防治增生性瘢痕药物史,不伴肿瘤及其它严重疾患。
1.3 整合素免疫组织化学染色(S-P法) 石蜡切片脱蜡至水,3%过氧化氢液过夜, PBS 5min 3次,抗原修复缓冲液(1.8mmol/L枸橼酸、8.2mmol/L枸橼酸钠)95℃ 10min,二抗血清37℃ 20min,一抗4℃过夜, PBS 5min 3次, 生物素化IgG和S-P复合物37℃各45min;DAB显色。
2 结 果
实验均采用石蜡组织切片,为排除细胞色素及固定液封闭抗原决定簇对实验结果的影响,组织切片用3%过氧化氢液脱色处理及枸橼酸缓冲液抗原修复。结果显示:在11例增生早期瘢痕组织标本中 ,β1、α1整合素的阳性信号表达部位主要位于表皮基底细胞和结缔组织成纤维细胞膜上,但β1的阳性信号要比α1信号强。同时,β1整合素在瘢痕成纤维细胞中区域性表达既无显著性差异,也无明显信号强弱变化。而在24例瘢痕增生晚期组织标本中,虽然β1和α1整合素在瘢痕表皮基底细胞上的表达情况与早期瘢痕组织内的表达无明显变化。但在组织成纤维细胞膜上的区域性表达则有着差异,一般表现为在瘢痕胶原结节内部以及接近正常皮肤组织区的瘢痕成纤维细胞膜上有着较高表达,而在胶原结节之间以及瘢痕组织浅层的成纤维细胞中表达较弱。
, 百拇医药
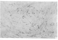
图1 β1整合素在早期瘢痕组织内的表达(×200)
图2 α1整合素在早期瘢痕组织内的表达(×200)
3 讨 论
整合素在组织修复过程中的作用已为许多实验研究所证实。目前研究表明,伤口愈合过程中,伤口的凝固、炎症、血管化、纤维化、基质沉积以及上皮化等彼此有别而又重迭的每一个步骤的顺利实施均离不开相应细胞膜上整合素的表达或激活[3,4]。增生性瘢痕作为伤口上皮化愈合后组织内成纤维细胞继续旺盛增殖、细胞外间质过度沉积的病理疾患,瘢痕成纤维细胞众多异常的生物学活性功能已为人们逐步所发现。但有关瘢痕成纤维细胞表达整合素粘附分子水平以及整合素表达与瘢痕增生发展联系如何的文献报道不多。我们通过对35例早晚期增生性瘢痕组织内β1、α1整合素表达水平检测, 结果发现增生性瘢痕组织内成纤维细胞膜上β1、α1整合素表达情况与瘢痕的增生发展时期有密切联系。我们知道β1和α1作为整合素粘附分子家族中主要成员,由β1和α1所组成的多种整合素粘附分子不但是多种细胞外间质的结合受体,同时也是介导细胞间以及细胞内信号传递的主要媒介。1996年, Gailit及Carver等人发现预先用β1和α1单克隆抗体处理后的细胞,其结合细胞外间质的能力受到明显抑制[5]; Lallier等人则通过转染反义α1整合素基因抑制细胞α1整合素表达后,也证实被转染细胞的生物学活性显著减弱。因此,我们认为,在瘢痕增生早期成纤维细胞膜上β1和α1整合素粘附分子的丰富表达既是瘢痕成纤维细胞异常活化的一种生物学表现,同时对进一步促进细胞外间质对细胞活性功能调节以及瘢痕自身结缔组织构建也有着积极影响。
, http://www.100md.com
[参考文献]
[1] Miyamoto S, Teramoto H, Coso O, et al.Integrin function: Molecular hierarchies of cytoskeletal and signal molecules[J].J Cell Biol,1995;131∶791.
[2] Palecek SP, Schmidt C, Lauffenburger D, et al. Integrin dynamics on the tail region of migrating fibroblasts[J].J Cell Sci,1996;109∶941.
[3] 傅诚强.粘附分子作为疾病的决定因子[J].国外医学外科学分册,1997,24∶31.
[4] 冯信忠 徐文严.细胞粘附分子与皮肤病理[J].国外医学皮肤病学分册,1997,23∶109.
[5] Gailit J, and Clark R. Studies in vitro on the role of α1 and β1 integrins in the adhesion of human dermal fibroblasts to provisional matrix proteins: fibronectin, vitronectin and fibrogen[J].J Invest Dermal,1996;106∶102.
(1999-08-09收稿), http://www.100md.com
单位:姚建 杨军 季建峰 李玉明(南通医学院第二附属医院烧伤整形科,226001);赵烨德(上海海军第四一一医院整形外科,上海200081)
关键词:增生性瘢痕;成纤维细胞;整合素;免疫组织化学染色技术
南通医学院学报000126[摘 要] 目的:了解早、晚期增生性瘢痕组织内β1、α1整合素粘附分子表达水平及在瘢痕增生发展中的作用和意义。方法:制备早、晚期增生性瘢痕组织石蜡切片标本 ,借助整合素粘附分子单克隆抗体,通过免疫组织化学染色技术检测组织内β1、α1整合素的表达情况。结果:在早、晚期增生性瘢痕组织中,β1、α1整合素粘附分子的表达有着较为明显的差异。主要表现为在增生早期瘢痕组织内β1、α1整合素粘附分子表达较为广泛,无论是表皮基底细胞,还是瘢痕浅层、深层以及接近正常皮肤组织边缘的成纤维细胞均有较强的阳性信号表达。而在增生晚期的瘢痕组织中,β1、α1整合素粘附分子的表达一般局限于表皮基底细胞和部分瘢痕成纤维细胞膜上,同时β1、α1的信号强度也比瘢痕增生早期弱。结论:早、晚期增生性瘢痕组织内β1、α1整合素粘附分子表达差异一方面反映了在瘢痕增生发展过程中组织内成纤维细胞的活性变化,另一方面也提示了整合素粘附分子积极参与增生性瘢痕结缔组织的构建。
, http://www.100md.com
[中图分类号] R619+.6;R364.3 [文献标识码] A
[文章编号]1000-2057(2000)01-0054-02
EXRESSION OF β1 α1 INTGERINS IN HYPERTROPHIC SCAR TISSUES
YAO Jian YANG Jun JI Jianfeng LI Yuming ZHAO Yede
(Department of Plastic Surgery and Burns,the Second Affilated Hospital,Nantong Medical College,Nantong226001)
[Abstract] Objective:To investigate the expression levels of β1 and α1 integrins in hypertrophic scar tissues.Methods:Hypertrophic scars tissue specimens were collected.The expressive levels of β1 and α1 integrins in specimens were determined by immunohistochemistry stainning technique.Results:Although in all hypertrophic scars tussue specimens there were ositive signals of β1 and α1 integrins,the distribution and intensity of signals were obviously different.In hypertrophic scar tissues of early period,we found that epidermal cells and extensive fibroblasts expressed abundant β1 and α1 integrins.But in hypertrophic scar tissues of later period,only partly fibroblasts located in collagen nodules and beside normal tissue were examined to express β1 and α1 integrins.Conclusions:During the developing process of hypertrophic scar,expressive change of β1 and α1 integrins in the tissues not only reflected the active situation of fibroblasts,but also suggested integrins may play an important role in scartissue remodelling.
, 百拇医药
[Key words] hypertrophic scar;fibroblasts;integrins;expression
增生性瘢痕作为伤口上皮化愈合后组织继续增生的病理改变,其发生、发展与瘢痕成纤维细胞生物学功能异常有着密切的内在联系。许多疾病的发生、发展与整合素缺乏、功能不良或过度表达有着密切联系[1,2]。目前有关瘢痕组织增生发展是否与瘢痕成纤维细胞整合素表达报道不多。为此,我们利用整合素单克隆抗体通过S-P免疫组织化学染色技术对35例增生性瘢痕进行β1及α1整合素表达水平检测,以了解整合素在瘢痕增生发展中的作用。
1 材料与方法
1.1 主要试剂 免疫组化染色试剂盒、鼠抗人β1及α1整合素单克隆抗体及DAB均购于上海华胜生物技术有限公司。
, http://www.100md.com
1.2 组织标本 35例增生性瘢痕组织分别取自南通医学院第二附属医院烧伤整形科和上海海军第四一一医院整形科住院病人。年龄23~52岁,平均35.6岁,其中瘢痕增生6~9个月的标本11例,增生12个月以上的瘢痕标本24例;病人在取材前没有长时间外用各种防治增生性瘢痕药物史,不伴肿瘤及其它严重疾患。
1.3 整合素免疫组织化学染色(S-P法) 石蜡切片脱蜡至水,3%过氧化氢液过夜, PBS 5min 3次,抗原修复缓冲液(1.8mmol/L枸橼酸、8.2mmol/L枸橼酸钠)95℃ 10min,二抗血清37℃ 20min,一抗4℃过夜, PBS 5min 3次, 生物素化IgG和S-P复合物37℃各45min;DAB显色。
2 结 果
实验均采用石蜡组织切片,为排除细胞色素及固定液封闭抗原决定簇对实验结果的影响,组织切片用3%过氧化氢液脱色处理及枸橼酸缓冲液抗原修复。结果显示:在11例增生早期瘢痕组织标本中 ,β1、α1整合素的阳性信号表达部位主要位于表皮基底细胞和结缔组织成纤维细胞膜上,但β1的阳性信号要比α1信号强。同时,β1整合素在瘢痕成纤维细胞中区域性表达既无显著性差异,也无明显信号强弱变化。而在24例瘢痕增生晚期组织标本中,虽然β1和α1整合素在瘢痕表皮基底细胞上的表达情况与早期瘢痕组织内的表达无明显变化。但在组织成纤维细胞膜上的区域性表达则有着差异,一般表现为在瘢痕胶原结节内部以及接近正常皮肤组织区的瘢痕成纤维细胞膜上有着较高表达,而在胶原结节之间以及瘢痕组织浅层的成纤维细胞中表达较弱。
, 百拇医药
图1 β1整合素在早期瘢痕组织内的表达(×200)
图2 α1整合素在早期瘢痕组织内的表达(×200)
3 讨 论
整合素在组织修复过程中的作用已为许多实验研究所证实。目前研究表明,伤口愈合过程中,伤口的凝固、炎症、血管化、纤维化、基质沉积以及上皮化等彼此有别而又重迭的每一个步骤的顺利实施均离不开相应细胞膜上整合素的表达或激活[3,4]。增生性瘢痕作为伤口上皮化愈合后组织内成纤维细胞继续旺盛增殖、细胞外间质过度沉积的病理疾患,瘢痕成纤维细胞众多异常的生物学活性功能已为人们逐步所发现。但有关瘢痕成纤维细胞表达整合素粘附分子水平以及整合素表达与瘢痕增生发展联系如何的文献报道不多。我们通过对35例早晚期增生性瘢痕组织内β1、α1整合素表达水平检测, 结果发现增生性瘢痕组织内成纤维细胞膜上β1、α1整合素表达情况与瘢痕的增生发展时期有密切联系。我们知道β1和α1作为整合素粘附分子家族中主要成员,由β1和α1所组成的多种整合素粘附分子不但是多种细胞外间质的结合受体,同时也是介导细胞间以及细胞内信号传递的主要媒介。1996年, Gailit及Carver等人发现预先用β1和α1单克隆抗体处理后的细胞,其结合细胞外间质的能力受到明显抑制[5]; Lallier等人则通过转染反义α1整合素基因抑制细胞α1整合素表达后,也证实被转染细胞的生物学活性显著减弱。因此,我们认为,在瘢痕增生早期成纤维细胞膜上β1和α1整合素粘附分子的丰富表达既是瘢痕成纤维细胞异常活化的一种生物学表现,同时对进一步促进细胞外间质对细胞活性功能调节以及瘢痕自身结缔组织构建也有着积极影响。
, http://www.100md.com
[参考文献]
[1] Miyamoto S, Teramoto H, Coso O, et al.Integrin function: Molecular hierarchies of cytoskeletal and signal molecules[J].J Cell Biol,1995;131∶791.
[2] Palecek SP, Schmidt C, Lauffenburger D, et al. Integrin dynamics on the tail region of migrating fibroblasts[J].J Cell Sci,1996;109∶941.
[3] 傅诚强.粘附分子作为疾病的决定因子[J].国外医学外科学分册,1997,24∶31.
[4] 冯信忠 徐文严.细胞粘附分子与皮肤病理[J].国外医学皮肤病学分册,1997,23∶109.
[5] Gailit J, and Clark R. Studies in vitro on the role of α1 and β1 integrins in the adhesion of human dermal fibroblasts to provisional matrix proteins: fibronectin, vitronectin and fibrogen[J].J Invest Dermal,1996;106∶102.
(1999-08-09收稿), http://www.100md.com