砷中毒患者皮肤组织增殖细胞核抗原的表达
作者:胡昌军 张爱华 黄晓欣 刘忠义
单位:胡昌军 张爱华(贵阳医学院 预防医学系,贵州 贵阳 550004);黄晓欣 刘忠义(中国人民解放军第44医院,贵州 贵阳 550009)
关键词:燃煤型砷中毒;增殖细胞核抗原;免疫组化技术;病变皮肤
中国地方病学杂志000401 [摘要] 目的 分析燃煤型砷中毒患者皮肤增殖细胞核抗原(PCNA)的表达。方法 免疫组化ABC法。结果 A、B及C 3个组的阳性细胞密度分别为62.83±16.50、47.48±21.30和41.97±13.60,差异有显著意义(A与B:P<0.05;A与C:P<0.01);3个组的阳性率分别为100%、90.91%和84.62%;3个组阳性分级构成差别有显著意义(P<0.01)。结论 在燃煤型砷中毒发病过程中,细胞增殖起重要作用;PCNA可作为该病预后的生物标记物。
, 百拇医药
[中图分类号]R99.9 [文献标识码] A
[文章编号]1000-4955(2000)04-241-02
Expression of skin proliferous cell nucleus antigen in arseniasis patients
HU Chang-jun, ZHANG Ai-hua, HUANG Xiao-xin, et al
(Department of Preventive Medicine, Guiyang Medical College, Guiyang 550004, China)
Abstract: Objective To analyze the expression of skin proliferous cell nucleus antingen(PCNA) of patients with arseniasis caused by coal-burning.Method ABC immunohistochemistry stain was used.Results Positive cell densities of PCNA in groups A,B and C were 62.83±16.50,47.48±21.30 and 41.97±13.60,respectively (between A and B:P<0.05;A and C:P<0.01).Positive percentages were 100%,90.91% and 84.62% for groups A,B and C,respectively.The difference of positive grade had reached statistical significance (P<0.01) among the three groups.Conclusions Cell proliferation played a critical role in the development of arseniasis caused by coal-burning.PCNA might be used as a biomarker for prognosis of the disease.
, 百拇医药
Key words:Arseniasis caused by coal-burning; PCNA; Immunohistochemistry technique; Skin with signs
国内外一系列流行病学调查研究均表明,砷可引起皮肤癌。但在分子病理学方面的研究报道较少。为进一步探索砷致皮肤癌的机理,作者检测了燃煤型砷中毒患者不同病变皮肤组织中增殖细胞核抗原(PCNA)的表达情况。
1 材料与方法
1.1 标本来源及分组 选择贵州省燃煤型砷中毒高发区兴仁县交乐病区的68例燃煤型砷中毒患者为观察研究对象。根据病理学诊断结果将其分为癌变组即A组(包括Bowen病、基底细胞癌简称基癌及鳞状细胞癌简称鳞癌)、癌前组即B组(包括不典型增生、皮角及经久不愈溃疡)和一般病变组即C组(包括色素增多、皮炎和角化过度)共3个组。同时设正常对照组。
, http://www.100md.com
1.2 研究方法 按常规方法取正常对照皮肤和患者病变部位皮肤(砷疔及破溃皮肤),立即放入10%的中性福尔马林固定24 h,常规石蜡包埋,制备4 μm厚连续切片。PCNA的免疫组化用ABC法,PCNA抗体(工作浓度1∶200)及ABC试剂盒为美国Santa Cruz公司产品;主要步骤:切片常规二甲苯脱蜡,梯度酒精水化,PBS洗5 min;3%H2O2 10 min;PBS洗5 min;10%山羊血清10 min,一抗60 min,PBS洗5 min;生物素标记二抗(1∶150)45 min,PBS洗5 min;ABC(1∶150)45 min,PBS洗5 min;DAB显色5~10 min;自来水充分冲洗,苏木精复染,脱水、透明、封固。用PBS代替一抗作为阴性对照。
1.3 免疫组化结果判断及分析 以细胞核出现棕黄色着色为阳性,随机选择5个视野,计数500个细胞,阳性细胞率≤25%为Ⅰ级,25%~≤50%为Ⅱ组,50%~≤75%为Ⅲ级,>75%为Ⅳ级。阳性细胞密度=(阳性细胞数/计数细胞数)×100;PCNA阳性分级Ⅱ级及其以上为阳性样本,其阳性率=(阳性样本数/检测样本数)×100%。
, http://www.100md.com
1.4 资料统计学处理 阳性细胞密度的统计分析用t′,t检验;阳性细胞率及其构成的统计分析分别用χ2检验和Fisher's exact test[1]。
2 结果
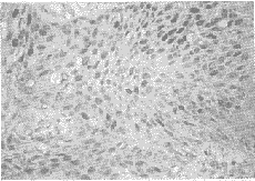
2.1 燃煤型砷中毒患者一般情况 68例患者中,A组18例(Bowen病14例,其皮肤表皮细胞见图1,鳞癌3例,基癌1例);B组11例(不典型增生8例,皮角化2例,经久不愈溃疡1例);C组39例(角化过度20例,其他19例)。年龄最大的74岁,最小的18岁,平均45.86岁。由表1可见,癌变组的年龄均在40岁以上,3个组间年龄构成差异有显著意义(Fisher's exact test,P<0.01)。
表1 燃煤型砷中毒患者一般情况 组别
男
, 百拇医药 女
≤30岁
31~40岁
41~50岁
≥51岁
A组B组
C组
合计
15
10
28
53
3
, http://www.100md.com 1
11
15
0
2
7
9
0
2
12
14
10
4
5
, http://www.100md.com
19
8
3
15
26
图1 Bowen病患者皮肤表皮细胞(PCNA阳性,ABC法×400)
2.2 患者皮肤组织PCNA阳性表达 癌变组PCNA阳性细胞密度较一般病变组及癌前组高,且差异均有显著意义。但3个组间阳性率差异无显著意义(见表2)。
表2 燃煤型砷中毒患者皮肤组织PCNA阳性结果 组别
例数
, http://www.100md.com
细胞密度(
±s)
阳性率(%)
A组B组
C组
对照
18
11
39
12
62.83±160.50**△##
47.48±21.30**
, 百拇医药
41.97±13.60**
6.75±3.95
100.0**
90.91**
84.62**
0
注:3个组与对照比较:**P<0.01;A与B比较:△P<0.05;A与C比较:##P<0.01
2.3 患者皮肤组织PCNA表达分级 A组主要为Ⅲ、Ⅳ级,占77.78%;B、C 2个组的Ⅲ、Ⅳ级分别仅占36.36%和15.38%。3个组间分级构成差异有统计学意义(表3)。表3 燃煤型砷中毒患者皮肤组织PCNA表达分级构成比较 组别
, http://www.100md.com
例数
Ⅰ
Ⅱ
Ⅲ
Ⅳ
A组B组
C组
合计
18
11
39
68
0(0.00)
1(9.09)
, 百拇医药
6(15.38)
7(10.29)
4(22.22)
6(54.55)
27(69.23)
37(54.41)
7(38.89)
2(18.18)
5(12.82)
14(20.59)
7(38.89)
2(18.18)
, 百拇医药
1(2.56)
10(14.71)
注:()内为构成百分比,Fisher's exact test,P<0.01
3 讨论
PCNA是真核细胞DNA合成所必须的一种36KD核蛋白,与细胞增殖有关[2];而细胞增殖在癌变过程中起重要作用[3]:会使自发突变率增加,导致突变细胞积累;增加前突变性DNA损伤的固定和表达,促进引发细胞的克隆扩增。作为细胞增殖标记物,PCNA在哺乳动物的性器官发育、神经系统发生及胚胎组织中普遍表达[4]。本研究中,PCNA在癌变组、癌前组和一般病变组中普遍表达,阳性率分别为100%、90.91%和84.62%;癌变组的阳性细胞密度明显高于癌前组、一般病变组及有关文献[5]的报道,且3个组间PCNA阳性细胞率分级构成的差异亦有显著意义。表明细胞增殖是燃煤型砷中毒致皮肤癌变过程中的一种重要分子病理学改变,对皮肤癌变可能起积极促进作用;PCNA的表达强度不但可用于肿瘤的预测[3]和良、恶性病变的鉴别,并有助于判断燃煤型砷中毒预后的好坏。
, http://www.100md.com
[基金来源]国家自然科学基金资助(39660070)
[作者简介]胡昌军(1966-),男,主管医师,硕士。
参考文献
[1] 苏冠华.医学统计学及其软件包[M].上海:上海医科大学出版社,1996,122-126.
[2] Bravo R,Frank R,Blundell PA,et al.Cyclin/PCNA is the auxilliary protein of DNA polymerase-delta[J].Nature(Lond),1987,326:515.
[3] Cohen SM and Ellwein LB.Cell proliferation in carcinogenesis[J].Science,1990,249:1007.
[4] Tauber Z,Vichnovsky V,Kolor Z.Proliferating cell nuclear antigen in tissues and organs of human embryos[J].Acta Univ Palacki Olomuc Fac Med,1995,139:29-32.
[5] 何春涤,陈洪铎,王雅坤,等.几种皮肤良、恶性肿瘤p53蛋白及增殖细胞核抗原表达的观察[J].中华皮肤科杂志,1996,29(6):440-441.
[收稿日期]1999-11-15;[修订日期]2000-04-09, 百拇医药
单位:胡昌军 张爱华(贵阳医学院 预防医学系,贵州 贵阳 550004);黄晓欣 刘忠义(中国人民解放军第44医院,贵州 贵阳 550009)
关键词:燃煤型砷中毒;增殖细胞核抗原;免疫组化技术;病变皮肤
中国地方病学杂志000401 [摘要] 目的 分析燃煤型砷中毒患者皮肤增殖细胞核抗原(PCNA)的表达。方法 免疫组化ABC法。结果 A、B及C 3个组的阳性细胞密度分别为62.83±16.50、47.48±21.30和41.97±13.60,差异有显著意义(A与B:P<0.05;A与C:P<0.01);3个组的阳性率分别为100%、90.91%和84.62%;3个组阳性分级构成差别有显著意义(P<0.01)。结论 在燃煤型砷中毒发病过程中,细胞增殖起重要作用;PCNA可作为该病预后的生物标记物。
, 百拇医药
[中图分类号]R99.9 [文献标识码] A
[文章编号]1000-4955(2000)04-241-02
Expression of skin proliferous cell nucleus antigen in arseniasis patients
HU Chang-jun, ZHANG Ai-hua, HUANG Xiao-xin, et al
(Department of Preventive Medicine, Guiyang Medical College, Guiyang 550004, China)
Abstract: Objective To analyze the expression of skin proliferous cell nucleus antingen(PCNA) of patients with arseniasis caused by coal-burning.Method ABC immunohistochemistry stain was used.Results Positive cell densities of PCNA in groups A,B and C were 62.83±16.50,47.48±21.30 and 41.97±13.60,respectively (between A and B:P<0.05;A and C:P<0.01).Positive percentages were 100%,90.91% and 84.62% for groups A,B and C,respectively.The difference of positive grade had reached statistical significance (P<0.01) among the three groups.Conclusions Cell proliferation played a critical role in the development of arseniasis caused by coal-burning.PCNA might be used as a biomarker for prognosis of the disease.
, 百拇医药
Key words:Arseniasis caused by coal-burning; PCNA; Immunohistochemistry technique; Skin with signs
国内外一系列流行病学调查研究均表明,砷可引起皮肤癌。但在分子病理学方面的研究报道较少。为进一步探索砷致皮肤癌的机理,作者检测了燃煤型砷中毒患者不同病变皮肤组织中增殖细胞核抗原(PCNA)的表达情况。
1 材料与方法
1.1 标本来源及分组 选择贵州省燃煤型砷中毒高发区兴仁县交乐病区的68例燃煤型砷中毒患者为观察研究对象。根据病理学诊断结果将其分为癌变组即A组(包括Bowen病、基底细胞癌简称基癌及鳞状细胞癌简称鳞癌)、癌前组即B组(包括不典型增生、皮角及经久不愈溃疡)和一般病变组即C组(包括色素增多、皮炎和角化过度)共3个组。同时设正常对照组。
, http://www.100md.com
1.2 研究方法 按常规方法取正常对照皮肤和患者病变部位皮肤(砷疔及破溃皮肤),立即放入10%的中性福尔马林固定24 h,常规石蜡包埋,制备4 μm厚连续切片。PCNA的免疫组化用ABC法,PCNA抗体(工作浓度1∶200)及ABC试剂盒为美国Santa Cruz公司产品;主要步骤:切片常规二甲苯脱蜡,梯度酒精水化,PBS洗5 min;3%H2O2 10 min;PBS洗5 min;10%山羊血清10 min,一抗60 min,PBS洗5 min;生物素标记二抗(1∶150)45 min,PBS洗5 min;ABC(1∶150)45 min,PBS洗5 min;DAB显色5~10 min;自来水充分冲洗,苏木精复染,脱水、透明、封固。用PBS代替一抗作为阴性对照。
1.3 免疫组化结果判断及分析 以细胞核出现棕黄色着色为阳性,随机选择5个视野,计数500个细胞,阳性细胞率≤25%为Ⅰ级,25%~≤50%为Ⅱ组,50%~≤75%为Ⅲ级,>75%为Ⅳ级。阳性细胞密度=(阳性细胞数/计数细胞数)×100;PCNA阳性分级Ⅱ级及其以上为阳性样本,其阳性率=(阳性样本数/检测样本数)×100%。
, http://www.100md.com
1.4 资料统计学处理 阳性细胞密度的统计分析用t′,t检验;阳性细胞率及其构成的统计分析分别用χ2检验和Fisher's exact test[1]。
2 结果
2.1 燃煤型砷中毒患者一般情况 68例患者中,A组18例(Bowen病14例,其皮肤表皮细胞见图1,鳞癌3例,基癌1例);B组11例(不典型增生8例,皮角化2例,经久不愈溃疡1例);C组39例(角化过度20例,其他19例)。年龄最大的74岁,最小的18岁,平均45.86岁。由表1可见,癌变组的年龄均在40岁以上,3个组间年龄构成差异有显著意义(Fisher's exact test,P<0.01)。
表1 燃煤型砷中毒患者一般情况 组别
男
, 百拇医药 女
≤30岁
31~40岁
41~50岁
≥51岁
A组B组
C组
合计
15
10
28
53
3
, http://www.100md.com 1
11
15
0
2
7
9
0
2
12
14
10
4
5
, http://www.100md.com
19
8
3
15
26
图1 Bowen病患者皮肤表皮细胞(PCNA阳性,ABC法×400)
2.2 患者皮肤组织PCNA阳性表达 癌变组PCNA阳性细胞密度较一般病变组及癌前组高,且差异均有显著意义。但3个组间阳性率差异无显著意义(见表2)。
表2 燃煤型砷中毒患者皮肤组织PCNA阳性结果 组别
例数
, http://www.100md.com
细胞密度(
阳性率(%)
A组B组
C组
对照
18
11
39
12
62.83±160.50**△##
47.48±21.30**
, 百拇医药
41.97±13.60**
6.75±3.95
100.0**
90.91**
84.62**
0
注:3个组与对照比较:**P<0.01;A与B比较:△P<0.05;A与C比较:##P<0.01
2.3 患者皮肤组织PCNA表达分级 A组主要为Ⅲ、Ⅳ级,占77.78%;B、C 2个组的Ⅲ、Ⅳ级分别仅占36.36%和15.38%。3个组间分级构成差异有统计学意义(表3)。表3 燃煤型砷中毒患者皮肤组织PCNA表达分级构成比较 组别
, http://www.100md.com
例数
Ⅰ
Ⅱ
Ⅲ
Ⅳ
A组B组
C组
合计
18
11
39
68
0(0.00)
1(9.09)
, 百拇医药
6(15.38)
7(10.29)
4(22.22)
6(54.55)
27(69.23)
37(54.41)
7(38.89)
2(18.18)
5(12.82)
14(20.59)
7(38.89)
2(18.18)
, 百拇医药
1(2.56)
10(14.71)
注:()内为构成百分比,Fisher's exact test,P<0.01
3 讨论
PCNA是真核细胞DNA合成所必须的一种36KD核蛋白,与细胞增殖有关[2];而细胞增殖在癌变过程中起重要作用[3]:会使自发突变率增加,导致突变细胞积累;增加前突变性DNA损伤的固定和表达,促进引发细胞的克隆扩增。作为细胞增殖标记物,PCNA在哺乳动物的性器官发育、神经系统发生及胚胎组织中普遍表达[4]。本研究中,PCNA在癌变组、癌前组和一般病变组中普遍表达,阳性率分别为100%、90.91%和84.62%;癌变组的阳性细胞密度明显高于癌前组、一般病变组及有关文献[5]的报道,且3个组间PCNA阳性细胞率分级构成的差异亦有显著意义。表明细胞增殖是燃煤型砷中毒致皮肤癌变过程中的一种重要分子病理学改变,对皮肤癌变可能起积极促进作用;PCNA的表达强度不但可用于肿瘤的预测[3]和良、恶性病变的鉴别,并有助于判断燃煤型砷中毒预后的好坏。
, http://www.100md.com
[基金来源]国家自然科学基金资助(39660070)
[作者简介]胡昌军(1966-),男,主管医师,硕士。
参考文献
[1] 苏冠华.医学统计学及其软件包[M].上海:上海医科大学出版社,1996,122-126.
[2] Bravo R,Frank R,Blundell PA,et al.Cyclin/PCNA is the auxilliary protein of DNA polymerase-delta[J].Nature(Lond),1987,326:515.
[3] Cohen SM and Ellwein LB.Cell proliferation in carcinogenesis[J].Science,1990,249:1007.
[4] Tauber Z,Vichnovsky V,Kolor Z.Proliferating cell nuclear antigen in tissues and organs of human embryos[J].Acta Univ Palacki Olomuc Fac Med,1995,139:29-32.
[5] 何春涤,陈洪铎,王雅坤,等.几种皮肤良、恶性肿瘤p53蛋白及增殖细胞核抗原表达的观察[J].中华皮肤科杂志,1996,29(6):440-441.
[收稿日期]1999-11-15;[修订日期]2000-04-09, 百拇医药