便携式多通道大容量生理信号记录仪的研制
作者:单红旭 蔡国平 白 净
单位:单红旭 蔡国平 白 净 清华大学 生命科学与工程研究院(北京 100084)
关键词:模数转换;快闪存储器
北京生物医学工程990109 摘 要 本文介绍了采用快闪随机存储器的高精度、大容量生理信号记录仪的设计方法与电路结构。并对其与计算机进行数据通讯的方法进行了阐述。
The Development of a Portable Multi-channel and Large
Volume Physiological Signal Recorder
Shan Hongxu,Cai Guoping,Bai Jing
, 百拇医药
(School of Life Science and Eingineering,Tsinghua University,Beijing,100084)
Abstract It is an introduction to the design method and the circuit structure of a high precision and large volume physiological signal recorder with super flash RAM.The data communication method of the recorder with personal computer is also provided.
Key words:A/D conversion; Super flash RAM
0 引 言
, 百拇医药
近年来,对信号的记录已经由采用以纸或磁带为存储介质的记录设备发展到应用配备采集卡的计算机数据采集系统,但在某些特定的场合这些采集系统的应用又因其体积或电源等方面的原因而受到很大限制,为此就需要开发一种便于携带、容量大、功能齐全的记录仪,现有的一些数据记录仪多以静态RAM为存储器,但其容量小、价格高,系统掉电后数据就会丢失,无法满足长时间数据存储与保护的要求。
为了满足经络研究中需长时间同步记录由不同传感针获取的多种信号的要求我们研制了本记录仪,它克服了上述记录仪存在的缺点,为大量数据的获取与保存提供了一种可靠而便捷的工具。系统以89C51为核心,采用高精度快速模数转换器AD1674,以新型SUPERFLASH RAM AM29F040为存储器,通过液晶显示系统信息,与计算机的数据通讯通过并行打印口快速进行。通过操作其面板上的八个薄膜开关可以完成数据存储,数据传送,采样率调整,采样校准,通道切换,通道开关等一系列功能,面板上的LED阵列可直观地显示出各通道的开关状态。下面分述系统的各组成部分。
, http://www.100md.com
1 模数转换接口电路的设计
AD1674为混合集成的AD转换器,其转换速率小于10μs,有八位和十二位两种转换方式。因AD1674与微处理器兼容,其使用方式十分灵活方便,通过单片机控制R/C、12/8、A0三个管脚就可实现8位/12位模数转换或8位/12位转换结果的输出[1],本系统中,AD部分的接口电路如图1所示,由单片机P1口控制A0、R/C,定时器1完成采样率控制功能,定时时间到就启动AD转换,命令序列如下:
CLR P1.3;CLR P1.4;
MOVDPTR,#4000H;
MOVX@DPTR,A;
当AD转换完成后触发单片机外中断INT0。在中断服务程序中,按如下方式读取采样结果:
, 百拇医药
CLR P1.4;SETB P1.3;
MOV DPTR,#4000H; MOVX A,@DPTR; ∥读取高八位
SETB P1.4;MOVX A,@DPTR;ANL A,#0F0H; ∥读取低八位
图1 AD接口电路
2 FLASHRAM的使用方法
静态RAM虽读写速度快,但其容量小、掉电数据不保护、价格高等特点限制了其使用范围,为此我们选用了兼具ROM、RAM优点的新型快闪存储器(super flash RAM)AM29F040。AM29F040具有容量大、掉电数据不丢失、可在线快速读写、可整片或分页擦除等特点。典型地,其读出一字节的时间<200ns,写入一字节的时间<30μs,可完全满足低采样率A/D转换数据的实时存储的需求,是固态数据存储器的一种理想选择[2]。29F040的容量为512K×8,有19条地址总线,而89C51单片机的有效寻址范围为64K,因而需要对单片机寻址空间进行扩展。因本系统拟设计存储容量为1.5M,仅需要三片29F040,这样我们就采取了最简单的扩展方式;使用P1.0、P1.1、P1.2分别作为地址线A16、A17、A18。对AM29F040的读写操作非常简单,因其内部已经固化了相应的程序,所以只需向特定的地址写入特定的命令字序列即可,如向地址ADR1写入数据DAT1的命令序列为:(地址/数据)5555/AA→2AAA/55→5555/A0→ADR1/DAT1,从地址ADR1读出数据的命令字序列如下:5555/AA→2AAA/55→5555/F0→ADR1/DATA,片擦除命令序列如下:5555/AA→2AAA/55→5555/80→5555/AA→2AAA/55→5555/10。
, 百拇医药
在发出上述命令字序列后,要紧接着执行Data Polling以确定片内算法是否已经完成或是否已被正确地执行,Data Polling的程序流程如图2所示(VA为某一特定的写入地址或任一页内地址或任一片内地址)。
图2 DataPolling的程序流程图
3 基于打印口的数据通讯方法
为了解决因数据量大而导致串行通讯费时甚多的问题,本系统中借用了PC机的打印口(378H/379H)来完成记录仪与计算机间的并行数据传输,其电路连接如图3所示:在PC机一侧,由打印机状态输入口379H读入记录仪发送的四位数据(P0.0~P0.3)和一位记录仪申请信号(P0.4)。记录仪则通过P3.5口来获取由PC机最低数据位D0输出的接收允许信号。
, http://www.100md.com
图3 记录仪与PC间并行通讯接口
双方通讯程序流程见图4(规定:PC机预置P0.4=0,记录仪预置P3.5=0,发送方每发一次数据后就置位本机)。
图4 通讯程序流程图
4 单片机整体控制方法
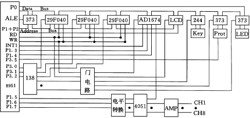
89C51单片机通过其PA、PB、PC端口的操作实现了对整个系统的控制,各端口具体使用方法如下:P1.0、P1.1、P1.2、与P2口作为地址总线以实现对数据存储器29F040的寻址,P1.3与P1.4口用于控制AD1674,P1.5、P1.6、与P1.7口控制4051以实现八输入通道的切换,P3.0(RXD)、P3.1(TXD)、与P3.2(INT0)作为第一功能使用,通过138地址译码后来选通相应的芯片,P3.3(INT1)口接收AD的中断触发信号,P3.4(T0)口用于定时功能以控制采样频率,P3.5(T1)口用作普通I/O口以读取PC机的接收应答信号,P3.6(WR)与P3.7(RD)为读写控制口。系统的结构框图如图5所示。
, 百拇医药
图5 系统结构框图
5 结 果
本记录仪已配合同济医科大学研制的五种医用传感针在协和医院进行了临床测试工作,实时记录了人体某一特定经络线内外的五种生理生化参数在针炙治疗过程中的动态变化情况。在测试中,每次我们同时打开五个通道,以50Hz的采样率进行40min的数据记录,测量两位病人后就将记录仪带回实验室进行数据回放与分析,并由计算机绘制出各个参数的变化趋势图。应用表明,本记录仪的采样精度可达12位,采样频率在1~5kHz范围内可调,可选择1~8通道同时进行数据记录,要求输入信号幅值为0~5V。当以50Hz采样率对八通道信号同时进行数据采集时,它可记录长达1h的数据。记录仪存储的全部数据可在10min内通过并行打印口传送至计算机。
记录仪的操作步骤及其工作状态均通过液晶显示屏给予提示,这大大方便了用户的使用。同时,记录仪还对数据的储存进行实时校验,当发现存储错误时自动进行纠正,若出现FLASHRAM工作故障或其它无法自身纠正的错误时,记录仪给予声光报警提示。
, 百拇医药
本记录仪性能可靠,操作方便,是一种进行大容量数据采集与保存的比较理想的工具。
作者简介:单红旭 男,26岁,清华大学生命科学与工程研究院研究生.
6 参考文献
[1]李华,孙晓民,等.MCS-51系列单片机实用接口技术.北京航空航天大学出版社,1996,411—419
[2]Atmel.ATMEL DATA BOOK.Atmel Corporation,1996,1—114
(1998-03-20收稿), http://www.100md.com
单位:单红旭 蔡国平 白 净 清华大学 生命科学与工程研究院(北京 100084)
关键词:模数转换;快闪存储器
北京生物医学工程990109 摘 要 本文介绍了采用快闪随机存储器的高精度、大容量生理信号记录仪的设计方法与电路结构。并对其与计算机进行数据通讯的方法进行了阐述。
The Development of a Portable Multi-channel and Large
Volume Physiological Signal Recorder
Shan Hongxu,Cai Guoping,Bai Jing
, 百拇医药
(School of Life Science and Eingineering,Tsinghua University,Beijing,100084)
Abstract It is an introduction to the design method and the circuit structure of a high precision and large volume physiological signal recorder with super flash RAM.The data communication method of the recorder with personal computer is also provided.
Key words:A/D conversion; Super flash RAM
0 引 言
, 百拇医药
近年来,对信号的记录已经由采用以纸或磁带为存储介质的记录设备发展到应用配备采集卡的计算机数据采集系统,但在某些特定的场合这些采集系统的应用又因其体积或电源等方面的原因而受到很大限制,为此就需要开发一种便于携带、容量大、功能齐全的记录仪,现有的一些数据记录仪多以静态RAM为存储器,但其容量小、价格高,系统掉电后数据就会丢失,无法满足长时间数据存储与保护的要求。
为了满足经络研究中需长时间同步记录由不同传感针获取的多种信号的要求我们研制了本记录仪,它克服了上述记录仪存在的缺点,为大量数据的获取与保存提供了一种可靠而便捷的工具。系统以89C51为核心,采用高精度快速模数转换器AD1674,以新型SUPERFLASH RAM AM29F040为存储器,通过液晶显示系统信息,与计算机的数据通讯通过并行打印口快速进行。通过操作其面板上的八个薄膜开关可以完成数据存储,数据传送,采样率调整,采样校准,通道切换,通道开关等一系列功能,面板上的LED阵列可直观地显示出各通道的开关状态。下面分述系统的各组成部分。
, http://www.100md.com
1 模数转换接口电路的设计
AD1674为混合集成的AD转换器,其转换速率小于10μs,有八位和十二位两种转换方式。因AD1674与微处理器兼容,其使用方式十分灵活方便,通过单片机控制R/C、12/8、A0三个管脚就可实现8位/12位模数转换或8位/12位转换结果的输出[1],本系统中,AD部分的接口电路如图1所示,由单片机P1口控制A0、R/C,定时器1完成采样率控制功能,定时时间到就启动AD转换,命令序列如下:
CLR P1.3;CLR P1.4;
MOVDPTR,#4000H;
MOVX@DPTR,A;
当AD转换完成后触发单片机外中断INT0。在中断服务程序中,按如下方式读取采样结果:
, 百拇医药
CLR P1.4;SETB P1.3;
MOV DPTR,#4000H; MOVX A,@DPTR; ∥读取高八位
SETB P1.4;MOVX A,@DPTR;ANL A,#0F0H; ∥读取低八位
图1 AD接口电路
2 FLASHRAM的使用方法
静态RAM虽读写速度快,但其容量小、掉电数据不保护、价格高等特点限制了其使用范围,为此我们选用了兼具ROM、RAM优点的新型快闪存储器(super flash RAM)AM29F040。AM29F040具有容量大、掉电数据不丢失、可在线快速读写、可整片或分页擦除等特点。典型地,其读出一字节的时间<200ns,写入一字节的时间<30μs,可完全满足低采样率A/D转换数据的实时存储的需求,是固态数据存储器的一种理想选择[2]。29F040的容量为512K×8,有19条地址总线,而89C51单片机的有效寻址范围为64K,因而需要对单片机寻址空间进行扩展。因本系统拟设计存储容量为1.5M,仅需要三片29F040,这样我们就采取了最简单的扩展方式;使用P1.0、P1.1、P1.2分别作为地址线A16、A17、A18。对AM29F040的读写操作非常简单,因其内部已经固化了相应的程序,所以只需向特定的地址写入特定的命令字序列即可,如向地址ADR1写入数据DAT1的命令序列为:(地址/数据)5555/AA→2AAA/55→5555/A0→ADR1/DAT1,从地址ADR1读出数据的命令字序列如下:5555/AA→2AAA/55→5555/F0→ADR1/DATA,片擦除命令序列如下:5555/AA→2AAA/55→5555/80→5555/AA→2AAA/55→5555/10。
, 百拇医药
在发出上述命令字序列后,要紧接着执行Data Polling以确定片内算法是否已经完成或是否已被正确地执行,Data Polling的程序流程如图2所示(VA为某一特定的写入地址或任一页内地址或任一片内地址)。
图2 DataPolling的程序流程图
3 基于打印口的数据通讯方法
为了解决因数据量大而导致串行通讯费时甚多的问题,本系统中借用了PC机的打印口(378H/379H)来完成记录仪与计算机间的并行数据传输,其电路连接如图3所示:在PC机一侧,由打印机状态输入口379H读入记录仪发送的四位数据(P0.0~P0.3)和一位记录仪申请信号(P0.4)。记录仪则通过P3.5口来获取由PC机最低数据位D0输出的接收允许信号。
, http://www.100md.com
图3 记录仪与PC间并行通讯接口
双方通讯程序流程见图4(规定:PC机预置P0.4=0,记录仪预置P3.5=0,发送方每发一次数据后就置位本机)。
图4 通讯程序流程图
4 单片机整体控制方法
89C51单片机通过其PA、PB、PC端口的操作实现了对整个系统的控制,各端口具体使用方法如下:P1.0、P1.1、P1.2、与P2口作为地址总线以实现对数据存储器29F040的寻址,P1.3与P1.4口用于控制AD1674,P1.5、P1.6、与P1.7口控制4051以实现八输入通道的切换,P3.0(RXD)、P3.1(TXD)、与P3.2(INT0)作为第一功能使用,通过138地址译码后来选通相应的芯片,P3.3(INT1)口接收AD的中断触发信号,P3.4(T0)口用于定时功能以控制采样频率,P3.5(T1)口用作普通I/O口以读取PC机的接收应答信号,P3.6(WR)与P3.7(RD)为读写控制口。系统的结构框图如图5所示。
, 百拇医药
图5 系统结构框图
5 结 果
本记录仪已配合同济医科大学研制的五种医用传感针在协和医院进行了临床测试工作,实时记录了人体某一特定经络线内外的五种生理生化参数在针炙治疗过程中的动态变化情况。在测试中,每次我们同时打开五个通道,以50Hz的采样率进行40min的数据记录,测量两位病人后就将记录仪带回实验室进行数据回放与分析,并由计算机绘制出各个参数的变化趋势图。应用表明,本记录仪的采样精度可达12位,采样频率在1~5kHz范围内可调,可选择1~8通道同时进行数据记录,要求输入信号幅值为0~5V。当以50Hz采样率对八通道信号同时进行数据采集时,它可记录长达1h的数据。记录仪存储的全部数据可在10min内通过并行打印口传送至计算机。
记录仪的操作步骤及其工作状态均通过液晶显示屏给予提示,这大大方便了用户的使用。同时,记录仪还对数据的储存进行实时校验,当发现存储错误时自动进行纠正,若出现FLASHRAM工作故障或其它无法自身纠正的错误时,记录仪给予声光报警提示。
, 百拇医药
本记录仪性能可靠,操作方便,是一种进行大容量数据采集与保存的比较理想的工具。
作者简介:单红旭 男,26岁,清华大学生命科学与工程研究院研究生.
6 参考文献
[1]李华,孙晓民,等.MCS-51系列单片机实用接口技术.北京航空航天大学出版社,1996,411—419
[2]Atmel.ATMEL DATA BOOK.Atmel Corporation,1996,1—114
(1998-03-20收稿), http://www.100md.com