长春新碱对肺癌细胞粘弹特性的影响
作者:张婷 薛亚梅 屈谦 吴泽志 蔡绍皙 宋关斌
单位:张婷 薛亚梅 屈谦 吴泽志(重庆大学生物工程研究院);蔡绍皙 宋关斌(重庆大学生物工程研究院)
关键词:肺肿瘤;细胞骨架;粘弹性;微管吸吮技术
中国肺癌杂志000409
【摘要】 目的 探讨长春新碱对低转移人肺腺癌细胞(PAa)和高转移人肺巨细胞癌细胞(PG)粘弹特性的影响及其机理。方法 应用电子显微镜观察细胞超微结构,采用微管吸吮技术定量测定体外培养的肺癌细胞在长春新碱(VCR)作用下粘弹特性的变化情况。粘弹性分析采用特殊的三元素标准线性固体模型拟合实验数据。K1、K2为弹性元件,μ为粘性元件。结果 肺癌细胞粘弹性系数,在未使用VCR前PAa细胞大于PG细胞(P<0.001),且K1>K2;随着VCR的剂量增加,粘弹性系数在PAa细胞逐渐下降,在PG细胞则表现为低VCR浓度(1.00?μg/ml以下)时降低而后以弹性系数为主的反弹。超微结构观察见PAa细胞微管、微丝稀疏,VCR作用后进一步减少;PG细胞微管、微丝减缺,VCR作用后分裂期形态多见。结论 细胞内微管、微丝等细胞骨架成份的改变与癌细胞粘弹特性有关,VCR等细胞骨架干扰剂可影响肺癌细胞粘弹特性,其抗肿瘤作用可能主要通过调控癌细胞的增殖分化信息来实现。
, 百拇医药
【中图分类号】 R734.2
The effect of vinblastine on the viscoelastic properties of lung cancer cells
ZHANG Ting XUE Yamei QU Qian WU Zezhi CAI Shaoxi SONG Guanbin
(Department of Respiratory Diseases, The Second Hospital, Chongqing Medical University, Chongqing 400010, P.R.China)
【Abstract】 Objective To explore the effect of vinblastine on the viscoelastic properties of high metastatic human giant cell carcinoma cells (PC) and low metastatic adenocarcinoma cells (PAa) of the lung and its biomechanical mechanisms.Methods The viscoelastic properties of PG and PAa cells and their changes after treated with vinblastine (VCR,0.10~2.00?μg/ml) were detected by micropipette aspiration technique. Viscoelasticity was analyzed by the special three-element standard linear solid model.Results Before treated with VCR, the elastic coefficients K1 and K2 as well as viscous coefficient μ of PAa were significantly higher than those of PG cells. The values of K1, K2 and μ of PAa cells decreased along with the increase of VCR concentration. However, the viscoelastic coefficient values in PG cells decreased when the VCR concentration was lower than 1.00μg/ml and then turned to increase as concentration of VCR went on increasing. The microtubules and microfilaments were sparse random in the PAa cells and diminished in PG cells. After treated with VCR, they were cut down seriously in PAa cells, and manifestations of mitotic arrest of cell cycle increased unusually in PG cells.Conclusion The cytoskeleton structure component changes are related to the viscoelasticity of the tumor cells. The anti-neoplasm actions of cytoskeleton interferents such as VCR might be realized by mainly regulating the message of tumor cells growth and differentiation.
, 百拇医药
【Key words】 Lung neoplasms Cytoskeleton Viscoelasticity Micropipette aspiration
几乎所有的生物固体都是粘弹性体,只不过有的“弹性”较强,有的“粘性”较强,在程度上有所差别,肺癌细胞也不例外。研究细胞粘弹性即是研究细胞的应力—应变关系。当细胞试样在外力作用下作拉伸变形时,组织细胞中瞬时产生的应力称为弹性响应;生物组织是粘弹性体,则应力的变化进程影响着应变,使其表现为一定的蠕变过程。人们往往应用Viogt、Maxwell或Kelvin模型来拟合实验结果,有时需结合若干个不同元件才能表达组织细胞的粘弹性能。在恶性肿瘤中,肿瘤细胞胞质骨架结构的异常与肿瘤的侵袭转移密切相关[1]。本研究结合超微结构检查,采用先进的微管吸吮技术定量测定低转移人肺腺癌细胞(PAa)和高转移人肺巨细胞癌细胞(PG)在长春新碱(VCR)作用下粘弹特性的变化情况,力图揭示肺癌细胞粘弹特性及其微管结构的相关关系。
, 百拇医药
1 材料与方法
1.1 细胞样本的制备 PG和PAa肺癌细胞株购于北京医科大学病理教研室,复苏后接种于25ml培养瓶中,在含10%小牛血清的RPMI1640培养液(GIBC,美国)内常规传代培养。传代2~3天收获细胞,于培养瓶中加入含0.01%EDTA的0.1%胰酶3ml消化细胞5分钟,在倒置显微镜下观察细胞剥脱分离成单个细胞后转入15ml离心管离心800r/min3~5分钟,弃上清,加RPMI1640培养液制成细胞悬液备用,浓度约5×104细胞/ml。
1.2 微管吸吮实验系统及微管吸吮技术 微管吸吮系统实验装置主要由压力控制及记录系统(自制)、显微操作器(MR5170,Eppendorf Co.)、倒置显微镜(Axiovert35,Zeiss Co.)、电视摄像机和磁带录像机(NV-HD100MC,Panasonic Co.)、图像处理系统(Vidas21,Kontron Co.)及微管等组成,微管在P-87型微管拉制器(Sutter Instrument Co.,美国)上拉制而成,微管内半径控制在(2.03±0.51)μm(n=1127)。实验系统联结完毕后,取0.5ml肺癌细胞悬液注入一特制的实验用圆形小室内,并置于倒置显微镜载物台上,镜下选择确定待实验的细胞后,利用显微操作器引导微管尖端靠近细胞表面,由在计算机控制下的压力控制及记录系统通过微管对微管尖端施加一个阶跃负压以吸吮细胞,使细胞一小部分被吸入微管内,通过电视摄像记录细胞进入微管的变形过程。所有实验均在室温(25℃)下进行。
, 百拇医药
1.3 粘弹性实验及结果拟合 细胞骨架干扰剂的处理是在培养液中加入一定浓度(0.05~2.00μg/ml)的VCR,于37℃孵育24小时后,以RPMI1640细胞培养液配制成相应的细胞悬液进行实验。
细胞在微管内的变形表现为一个初始的快速响应和随后的一个稳定的蠕变过程。通过录像带回放在图像处理仪上测定细胞的变形值,采用一标准线性固体模型来拟合实验数据。该模型由两条平行的“臂”组成,一“臂”为弹性系数为K1的弹性元件,另一“臂”由弹性系数为K2的弹性元件与粘性系数为μ的粘性元件串联组成。K1和K2与时间无关,μ则反映了细胞变形对时间的依赖性。细胞的初始变形程度与1/(K1+K2)成正比,最大变形程度与1/K1成正比,时间常数(K1+K2)μ/K1.K2反映了细胞蠕变程度。
, http://www.100md.com
1.4 肺癌细胞胞质内骨架结构观察 将经胰酶消化分离的肺癌细胞1000r/min离心15分钟后,转入1μl样品管内,用含双抗生素的4%戊二醛固定液原位固定40分钟,再经1%OSO4处理后固定1小时,酒精和丙酮梯度脱水,环氧树脂618浸透包埋,超薄切片,透射电镜下观察。
1.5 统计学处理 实验结果的表述中,以弹性系数K1、K2(
±s,dyn/cm2)、粘性系数μ(
±s,dyn.s/cm2)作为细胞粘弹性的定量指标。所有数据采用新复极差方差分析法(Duncan新法)进行统计学处理。
2 结果
, http://www.100md.com
2.1 VCR作用下PG和PAa细胞粘弹性的变化(表1) 结果显示,在使用VCR前,PAa细胞粘弹性系数均显著高于PG细胞(P均<0.001),且K1>K2(P<0.01)。在VCR作用下,随着VCR浓度的增加,PG细胞的粘弹性先降低,而后反弹性增高,尤其表现在K1、K2上,而在PAa细胞中则随VCR浓度的增高呈浓度依赖性下降。
表1 VCR作用下PG和PAa细胞粘弹性系数的变化(
±s)
Tab 1 The changes of viscoelasticity of the PG and PAa cells treated by VCR(
±s) VCR(μg/ml)
, 百拇医药
No. of Cell
Elastic coefficient K1
(dyn/cm2)
Elastic coefficient K2
(dyn/cm2)
Viscous coefficient μ
(dyn*s/cm2)
PG
Control
12
, 百拇医药
1068.50±115.62
385.00±112.22
132.75±63.85
0.10
26
705.27±202.13**
191.73±103.14**
25.95±12.74**
0.20
27
785.63±155.13**
, http://www.100md.com
208.63±95.00**
28.89±13.39**
0.50
22
200.22±265.92
430.82±173.63
80.36±60.95*
1.00
17
1558.82±357.74**
577.53±221.41*
, http://www.100md.com
153.35±118.22
2.00
23
2093.96±462.73**
559.52±266.16*
91.13±44.52*
PAa
Control
22
1458.59±163.54△
486.59±234.99△
, http://www.100md.com
188.41±148.65△
0.10
28
1380.39±239.46
354.57±126.71*
64.18±53.87**
0.20
26
1044.00±236.10**
255.96±101.44**
, 百拇医药
49.50±37.25**
0.50
20
541.75±127.61**
108.85±40.33**
22.55±17.96**
1.00
30
446.20±80.03**
117.23±39.45**
, 百拇医药
24.37±14.70**
2.00
26
637.46±171.89**
186.50±79.98**
27.15±13.94**
*:Comparing with their own control groups, P<0.05; **:Comparing with their own control groups, P<0.001; △:Comparing between the two control groups, P<0.001
, 百拇医药
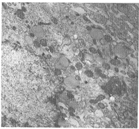
2.2 人肺癌细胞胞质骨架的形态结构(图1~4) 在透射电镜下,肺癌细胞核畸形,核仁肥大,多呈致密型或网状,可见双核、多核。与PG细胞相比,PAa细胞中微管、微丝稀疏但可见,而PG细胞中微管、微丝则明显减缺;PG细胞比PAa细胞核仁更多,分裂相多见,细胞膜微绒毛较多。经VCR处理后,两种细胞均有脂滴增加,微管减少,内质网扩张,空泡形成,甚至出现细胞蜕变、胞膜缺损等改变,PG细胞呈现分裂期形态表现较为多见。
图1 未经VCR处理的PAa细胞,可见稀少的微管、微丝 ×17000
Fig 1 The microtubules and microfilaments were sparse random in the PAa cells untreated with VCR. ×17000
, 百拇医药
图2 经1μg/mlVCR处理后的PAa细胞,细胞蜕变,膜损伤,呈现分裂期表现 ×8000
Fig 2 The PAa cells treated with 1μg/ml of VCR had cell transmutament, membrane impairment and fission period manifestation. ×8000
图3 未经VCR处理的PG细胞,多核仁,核仁边集,核内假性包涵物 ×10000
Fig 3 The PG cells untreated with VCR had more nucleoli, nucleolar margination and false intranuclear inclusion. ×10000
, http://www.100md.com
图4 经0.2μg/mlVCR处理后的PG细胞,微绒毛多,分裂相多见,核大 ×5000
Fig 4 The PG cells treated with 0.2μg/ml VCR had big nucleus, more microvilli and cleavage products. ×5000
3 讨论
肺癌具有多能分化和异质性[2],细胞的分化常取决于微环境的变化,故同一肿瘤尽管有共同的组织发生,但由于微环境改变,可以形成不同的类型,具有不同的细胞骨架结构。本超微结构研究发现肺癌细胞的微管明显减少,呈稀疏型(低转移PAa细胞)或减缺型(高转移PG细胞),与文献报道是一致的[3]。而粘弹性系数是反映细胞流变特性的重要参数,理论上是与细胞形态和几何尺寸无关的细胞流变学指标,主要取决于细胞质,特别是细胞骨架结构和功能状态的完整性[4]。因而PG和PAa细胞的粘弹性系数存在明显差异。
, http://www.100md.com
正常情况下,微管的聚合与解聚处于动态平衡状态,内外诸多因素均可干扰其平衡。VCR是细胞微管结构的干扰剂,可选择性地作用于有丝分裂的微管,具纺锤丝毒性,能明显抑制细胞的有丝分裂和增殖,在体内体外均有抗浸润的作用[5]。在VCR作用下,PG和PAa细胞粘弹性系数出现了一系列的差异性变化。肿瘤细胞的产生和发展主要由两部分组成:一是瘤细胞的异常分化,二是瘤细胞的无限增殖。当VCR与肺癌细胞为数不多的微管结合后,首先可能以抑制瘤细胞的异常分化信息为主,可能表现为在VCR作用下癌细胞粘弹性系数随其浓度升高而呈依赖性下降,其中PAa细胞几乎在VCR作用下浓度梯度呈单向改变,而PG细胞仅表现在0.10、0.20μg/ml的较低浓度时粘弹性系数下降。然而,由于PG细胞微管数量极少甚至缺如,在VCR作用下微管进一步解聚。微管解聚被认为与细胞增殖失控的关系最密切[6],此阶段VCR的作用可能迅速转移到对瘤细胞无限活跃增殖信息调控的作用上,表现为以弹性系数(K1、K2)为主的反弹,细胞刚性增加。VCR作用下癌细胞分裂相的增加可能是VCR抗癌作用的表现之一,如同微管解聚药物紫杉醇一样可导致细胞分裂阻滞,激活促细胞凋亡发生的因子,使细胞走向死亡[7]。因此,肺癌细胞粘弹性改变的差异与瘤细胞的细胞骨架有关,还可能与癌细胞的分化生长有关,这些差异必将导致肿瘤细胞浸润迁徙能力的差异,具体机理尚有待进一步探明。
, 百拇医药
参 考 文 献
1,Ben Ze'ev A. The cytoskeleton in cancer cells. Biochemi Biophysi Acta, 1985, 780(3)∶197.
2,Tramp BF, Liotta LA, Rifkin DB, et al. The repiratory epithelium Ⅲ histogenesis of epidermoid metaplasis and carcinoma in situ in human. J Natl Cancer Inst, 1978, 61(7)∶577.
3,王瑞瑜,张仁玉,吴洪,等.体外培养不同转移能力肿瘤细胞与正常肺细胞骨架系统的比较分析.解剖学报, 1993, 24(2)∶153-157.
4,Chien S, Sung KLP. Effect of colchicine on viscoelastic properties of neutrophile. Biophys J, 1984, 46(1)∶383-386.
, 百拇医药
5,Luomahaara S, Norppa H. Induction of micronuclei in cultured human lymphocytes treated with vinblastine before and after mitogen stimulation. Mutation Res, 1994, 324(1-2)∶29.
6,Kamech N, Sief R. Effect of microtubule disorganizing of overstablilizing drugs on the proliferation of rat 3T3 and their virally induced transformed derivatives. Cancer Res, 1988, 48(21)∶4892.
7,陈丽荣,郑树, Willingham MC,等.紫杉醇诱发人乳腺癌细胞凋亡的机制研究.中华肿瘤杂志, 1997, 19(2)∶103-106.
(收稿:1999-10-30 修回:2000-02-21), 百拇医药
单位:张婷 薛亚梅 屈谦 吴泽志(重庆大学生物工程研究院);蔡绍皙 宋关斌(重庆大学生物工程研究院)
关键词:肺肿瘤;细胞骨架;粘弹性;微管吸吮技术
中国肺癌杂志000409
【摘要】 目的 探讨长春新碱对低转移人肺腺癌细胞(PAa)和高转移人肺巨细胞癌细胞(PG)粘弹特性的影响及其机理。方法 应用电子显微镜观察细胞超微结构,采用微管吸吮技术定量测定体外培养的肺癌细胞在长春新碱(VCR)作用下粘弹特性的变化情况。粘弹性分析采用特殊的三元素标准线性固体模型拟合实验数据。K1、K2为弹性元件,μ为粘性元件。结果 肺癌细胞粘弹性系数,在未使用VCR前PAa细胞大于PG细胞(P<0.001),且K1>K2;随着VCR的剂量增加,粘弹性系数在PAa细胞逐渐下降,在PG细胞则表现为低VCR浓度(1.00?μg/ml以下)时降低而后以弹性系数为主的反弹。超微结构观察见PAa细胞微管、微丝稀疏,VCR作用后进一步减少;PG细胞微管、微丝减缺,VCR作用后分裂期形态多见。结论 细胞内微管、微丝等细胞骨架成份的改变与癌细胞粘弹特性有关,VCR等细胞骨架干扰剂可影响肺癌细胞粘弹特性,其抗肿瘤作用可能主要通过调控癌细胞的增殖分化信息来实现。
, 百拇医药
【中图分类号】 R734.2
The effect of vinblastine on the viscoelastic properties of lung cancer cells
ZHANG Ting XUE Yamei QU Qian WU Zezhi CAI Shaoxi SONG Guanbin
(Department of Respiratory Diseases, The Second Hospital, Chongqing Medical University, Chongqing 400010, P.R.China)
【Abstract】 Objective To explore the effect of vinblastine on the viscoelastic properties of high metastatic human giant cell carcinoma cells (PC) and low metastatic adenocarcinoma cells (PAa) of the lung and its biomechanical mechanisms.Methods The viscoelastic properties of PG and PAa cells and their changes after treated with vinblastine (VCR,0.10~2.00?μg/ml) were detected by micropipette aspiration technique. Viscoelasticity was analyzed by the special three-element standard linear solid model.Results Before treated with VCR, the elastic coefficients K1 and K2 as well as viscous coefficient μ of PAa were significantly higher than those of PG cells. The values of K1, K2 and μ of PAa cells decreased along with the increase of VCR concentration. However, the viscoelastic coefficient values in PG cells decreased when the VCR concentration was lower than 1.00μg/ml and then turned to increase as concentration of VCR went on increasing. The microtubules and microfilaments were sparse random in the PAa cells and diminished in PG cells. After treated with VCR, they were cut down seriously in PAa cells, and manifestations of mitotic arrest of cell cycle increased unusually in PG cells.Conclusion The cytoskeleton structure component changes are related to the viscoelasticity of the tumor cells. The anti-neoplasm actions of cytoskeleton interferents such as VCR might be realized by mainly regulating the message of tumor cells growth and differentiation.
, 百拇医药
【Key words】 Lung neoplasms Cytoskeleton Viscoelasticity Micropipette aspiration
几乎所有的生物固体都是粘弹性体,只不过有的“弹性”较强,有的“粘性”较强,在程度上有所差别,肺癌细胞也不例外。研究细胞粘弹性即是研究细胞的应力—应变关系。当细胞试样在外力作用下作拉伸变形时,组织细胞中瞬时产生的应力称为弹性响应;生物组织是粘弹性体,则应力的变化进程影响着应变,使其表现为一定的蠕变过程。人们往往应用Viogt、Maxwell或Kelvin模型来拟合实验结果,有时需结合若干个不同元件才能表达组织细胞的粘弹性能。在恶性肿瘤中,肿瘤细胞胞质骨架结构的异常与肿瘤的侵袭转移密切相关[1]。本研究结合超微结构检查,采用先进的微管吸吮技术定量测定低转移人肺腺癌细胞(PAa)和高转移人肺巨细胞癌细胞(PG)在长春新碱(VCR)作用下粘弹特性的变化情况,力图揭示肺癌细胞粘弹特性及其微管结构的相关关系。
, 百拇医药
1 材料与方法
1.1 细胞样本的制备 PG和PAa肺癌细胞株购于北京医科大学病理教研室,复苏后接种于25ml培养瓶中,在含10%小牛血清的RPMI1640培养液(GIBC,美国)内常规传代培养。传代2~3天收获细胞,于培养瓶中加入含0.01%EDTA的0.1%胰酶3ml消化细胞5分钟,在倒置显微镜下观察细胞剥脱分离成单个细胞后转入15ml离心管离心800r/min3~5分钟,弃上清,加RPMI1640培养液制成细胞悬液备用,浓度约5×104细胞/ml。
1.2 微管吸吮实验系统及微管吸吮技术 微管吸吮系统实验装置主要由压力控制及记录系统(自制)、显微操作器(MR5170,Eppendorf Co.)、倒置显微镜(Axiovert35,Zeiss Co.)、电视摄像机和磁带录像机(NV-HD100MC,Panasonic Co.)、图像处理系统(Vidas21,Kontron Co.)及微管等组成,微管在P-87型微管拉制器(Sutter Instrument Co.,美国)上拉制而成,微管内半径控制在(2.03±0.51)μm(n=1127)。实验系统联结完毕后,取0.5ml肺癌细胞悬液注入一特制的实验用圆形小室内,并置于倒置显微镜载物台上,镜下选择确定待实验的细胞后,利用显微操作器引导微管尖端靠近细胞表面,由在计算机控制下的压力控制及记录系统通过微管对微管尖端施加一个阶跃负压以吸吮细胞,使细胞一小部分被吸入微管内,通过电视摄像记录细胞进入微管的变形过程。所有实验均在室温(25℃)下进行。
, 百拇医药
1.3 粘弹性实验及结果拟合 细胞骨架干扰剂的处理是在培养液中加入一定浓度(0.05~2.00μg/ml)的VCR,于37℃孵育24小时后,以RPMI1640细胞培养液配制成相应的细胞悬液进行实验。
细胞在微管内的变形表现为一个初始的快速响应和随后的一个稳定的蠕变过程。通过录像带回放在图像处理仪上测定细胞的变形值,采用一标准线性固体模型来拟合实验数据。该模型由两条平行的“臂”组成,一“臂”为弹性系数为K1的弹性元件,另一“臂”由弹性系数为K2的弹性元件与粘性系数为μ的粘性元件串联组成。K1和K2与时间无关,μ则反映了细胞变形对时间的依赖性。细胞的初始变形程度与1/(K1+K2)成正比,最大变形程度与1/K1成正比,时间常数(K1+K2)μ/K1.K2反映了细胞蠕变程度。
, http://www.100md.com
1.4 肺癌细胞胞质内骨架结构观察 将经胰酶消化分离的肺癌细胞1000r/min离心15分钟后,转入1μl样品管内,用含双抗生素的4%戊二醛固定液原位固定40分钟,再经1%OSO4处理后固定1小时,酒精和丙酮梯度脱水,环氧树脂618浸透包埋,超薄切片,透射电镜下观察。
1.5 统计学处理 实验结果的表述中,以弹性系数K1、K2(
2 结果
, http://www.100md.com
2.1 VCR作用下PG和PAa细胞粘弹性的变化(表1) 结果显示,在使用VCR前,PAa细胞粘弹性系数均显著高于PG细胞(P均<0.001),且K1>K2(P<0.01)。在VCR作用下,随着VCR浓度的增加,PG细胞的粘弹性先降低,而后反弹性增高,尤其表现在K1、K2上,而在PAa细胞中则随VCR浓度的增高呈浓度依赖性下降。
表1 VCR作用下PG和PAa细胞粘弹性系数的变化(
Tab 1 The changes of viscoelasticity of the PG and PAa cells treated by VCR(
, 百拇医药
No. of Cell
Elastic coefficient K1
(dyn/cm2)
Elastic coefficient K2
(dyn/cm2)
Viscous coefficient μ
(dyn*s/cm2)
PG
Control
12
, 百拇医药
1068.50±115.62
385.00±112.22
132.75±63.85
0.10
26
705.27±202.13**
191.73±103.14**
25.95±12.74**
0.20
27
785.63±155.13**
, http://www.100md.com
208.63±95.00**
28.89±13.39**
0.50
22
200.22±265.92
430.82±173.63
80.36±60.95*
1.00
17
1558.82±357.74**
577.53±221.41*
, http://www.100md.com
153.35±118.22
2.00
23
2093.96±462.73**
559.52±266.16*
91.13±44.52*
PAa
Control
22
1458.59±163.54△
486.59±234.99△
, http://www.100md.com
188.41±148.65△
0.10
28
1380.39±239.46
354.57±126.71*
64.18±53.87**
0.20
26
1044.00±236.10**
255.96±101.44**
, 百拇医药
49.50±37.25**
0.50
20
541.75±127.61**
108.85±40.33**
22.55±17.96**
1.00
30
446.20±80.03**
117.23±39.45**
, 百拇医药
24.37±14.70**
2.00
26
637.46±171.89**
186.50±79.98**
27.15±13.94**
*:Comparing with their own control groups, P<0.05; **:Comparing with their own control groups, P<0.001; △:Comparing between the two control groups, P<0.001
, 百拇医药
2.2 人肺癌细胞胞质骨架的形态结构(图1~4) 在透射电镜下,肺癌细胞核畸形,核仁肥大,多呈致密型或网状,可见双核、多核。与PG细胞相比,PAa细胞中微管、微丝稀疏但可见,而PG细胞中微管、微丝则明显减缺;PG细胞比PAa细胞核仁更多,分裂相多见,细胞膜微绒毛较多。经VCR处理后,两种细胞均有脂滴增加,微管减少,内质网扩张,空泡形成,甚至出现细胞蜕变、胞膜缺损等改变,PG细胞呈现分裂期形态表现较为多见。
图1 未经VCR处理的PAa细胞,可见稀少的微管、微丝 ×17000
Fig 1 The microtubules and microfilaments were sparse random in the PAa cells untreated with VCR. ×17000
, 百拇医药
图2 经1μg/mlVCR处理后的PAa细胞,细胞蜕变,膜损伤,呈现分裂期表现 ×8000
Fig 2 The PAa cells treated with 1μg/ml of VCR had cell transmutament, membrane impairment and fission period manifestation. ×8000
图3 未经VCR处理的PG细胞,多核仁,核仁边集,核内假性包涵物 ×10000
Fig 3 The PG cells untreated with VCR had more nucleoli, nucleolar margination and false intranuclear inclusion. ×10000
, http://www.100md.com
图4 经0.2μg/mlVCR处理后的PG细胞,微绒毛多,分裂相多见,核大 ×5000
Fig 4 The PG cells treated with 0.2μg/ml VCR had big nucleus, more microvilli and cleavage products. ×5000
3 讨论
肺癌具有多能分化和异质性[2],细胞的分化常取决于微环境的变化,故同一肿瘤尽管有共同的组织发生,但由于微环境改变,可以形成不同的类型,具有不同的细胞骨架结构。本超微结构研究发现肺癌细胞的微管明显减少,呈稀疏型(低转移PAa细胞)或减缺型(高转移PG细胞),与文献报道是一致的[3]。而粘弹性系数是反映细胞流变特性的重要参数,理论上是与细胞形态和几何尺寸无关的细胞流变学指标,主要取决于细胞质,特别是细胞骨架结构和功能状态的完整性[4]。因而PG和PAa细胞的粘弹性系数存在明显差异。
, http://www.100md.com
正常情况下,微管的聚合与解聚处于动态平衡状态,内外诸多因素均可干扰其平衡。VCR是细胞微管结构的干扰剂,可选择性地作用于有丝分裂的微管,具纺锤丝毒性,能明显抑制细胞的有丝分裂和增殖,在体内体外均有抗浸润的作用[5]。在VCR作用下,PG和PAa细胞粘弹性系数出现了一系列的差异性变化。肿瘤细胞的产生和发展主要由两部分组成:一是瘤细胞的异常分化,二是瘤细胞的无限增殖。当VCR与肺癌细胞为数不多的微管结合后,首先可能以抑制瘤细胞的异常分化信息为主,可能表现为在VCR作用下癌细胞粘弹性系数随其浓度升高而呈依赖性下降,其中PAa细胞几乎在VCR作用下浓度梯度呈单向改变,而PG细胞仅表现在0.10、0.20μg/ml的较低浓度时粘弹性系数下降。然而,由于PG细胞微管数量极少甚至缺如,在VCR作用下微管进一步解聚。微管解聚被认为与细胞增殖失控的关系最密切[6],此阶段VCR的作用可能迅速转移到对瘤细胞无限活跃增殖信息调控的作用上,表现为以弹性系数(K1、K2)为主的反弹,细胞刚性增加。VCR作用下癌细胞分裂相的增加可能是VCR抗癌作用的表现之一,如同微管解聚药物紫杉醇一样可导致细胞分裂阻滞,激活促细胞凋亡发生的因子,使细胞走向死亡[7]。因此,肺癌细胞粘弹性改变的差异与瘤细胞的细胞骨架有关,还可能与癌细胞的分化生长有关,这些差异必将导致肿瘤细胞浸润迁徙能力的差异,具体机理尚有待进一步探明。
, 百拇医药
参 考 文 献
1,Ben Ze'ev A. The cytoskeleton in cancer cells. Biochemi Biophysi Acta, 1985, 780(3)∶197.
2,Tramp BF, Liotta LA, Rifkin DB, et al. The repiratory epithelium Ⅲ histogenesis of epidermoid metaplasis and carcinoma in situ in human. J Natl Cancer Inst, 1978, 61(7)∶577.
3,王瑞瑜,张仁玉,吴洪,等.体外培养不同转移能力肿瘤细胞与正常肺细胞骨架系统的比较分析.解剖学报, 1993, 24(2)∶153-157.
4,Chien S, Sung KLP. Effect of colchicine on viscoelastic properties of neutrophile. Biophys J, 1984, 46(1)∶383-386.
, 百拇医药
5,Luomahaara S, Norppa H. Induction of micronuclei in cultured human lymphocytes treated with vinblastine before and after mitogen stimulation. Mutation Res, 1994, 324(1-2)∶29.
6,Kamech N, Sief R. Effect of microtubule disorganizing of overstablilizing drugs on the proliferation of rat 3T3 and their virally induced transformed derivatives. Cancer Res, 1988, 48(21)∶4892.
7,陈丽荣,郑树, Willingham MC,等.紫杉醇诱发人乳腺癌细胞凋亡的机制研究.中华肿瘤杂志, 1997, 19(2)∶103-106.
(收稿:1999-10-30 修回:2000-02-21), 百拇医药