草酸钾液治疗牙本质敏感症远期疗效
作者:张广耘 徐秦 潘涛
单位:青岛医学院附属青岛市市立医院口腔科 266011
关键词:草酸钾;牙本质过敏;治疗结果;电子扫描显微镜检查
实用口腔医学杂志000517
〔摘要〕 目的:研究250 g/L草酸钾溶液治疗牙本质敏感症的远期疗效和作用 机制。方法:采用病例自身对照,量化观察指标,对治疗前 和治疗后一年内不同 时期的观察数据进行 统计学分析;建立牙本质敏感症模型,采用扫描电镜观察。结果: 即刻治疗后1/3的患者显 效;1周后有效率明显升高;半年时疗效最佳(有效率达89.72%);1年时有效率仍保 持在65.42%;牙本质小管总堵塞率达90%左右。结论:250 g/L草酸钾液的作用机制是堵塞牙本质小管,是治疗牙本质敏感症较为理想的药 物,远期疗效甚佳。
, 百拇医药
中图分类号:R781.2 文献标识码:A 文章编号:1001-3733(2000)05-0383-03
The long-term effects of potassium oxalate solution on the treatment of dentine hypersensitivity
Zhang Guangyun Xu Qin Pan Tao
(Department of Stomatology of Affiliated Qingdao Mu nicipal Hospital,Qingdao Medical College)
〔Abstract〕Objective:To study the long-term effects of potassium ox alate solut ion (POS) in the treatment of dentine hypersensitivity.Methods:82 teeth with den tine hypersensitivity in 36 patients aged 32~70 years old were treated with 25 0 g/L POS by smearing for 3 min after drying and followed by mouth-wash.The pat ients were follwed-up for 1 year and the effects were evaluated by probe and st imulation with cold air or cold water. In vitro study was conducted on extra cted intact impacted teeth those had been processed by washing,removing of enamel,sec tioning and smearing with POS; then the teeth were observed under scanning elect ro n microscopy.Results:Effectiveness was observed in 34.83%, 66.53%,83.37%,89.72 and 65.42% immeditely,l week,2 weeks,6 months and 1 year after treatment respec tively.Blockade of dental tuble by POS was observed in more than 50% of those after treatment.Concl usion:POS is effective in the treatment of dentine hypersensitivity b y blocking the dental tubes.
, http://www.100md.com
Key words Potassium oxalate;Dentine sensitivity; Treatment outcome;Scanning electron microscopy
牙本质敏感症患病率高,病因复杂,目前治疗的药物和方法虽多,但均不能满足Grossm an 〔1〕提出的六项临床标准,因此寻求更为有效的脱敏药物仍是口腔科学领域中的重要 课题之一。据报道草酸钾溶液近期脱牙敏作用甚佳,而且适用于包括前牙在内的牙本质敏感 症的治疗〔1,2〕。因远期疗效是评价药物或材料优劣更为重要的指标,所以有必要 对远期疗效进行深入的研究和探讨;并采用扫描电镜观察钾离子封闭小管的超微结构和表面 形态,研究其作用机制,为新药物的开发和临床应用提供基础性依据。
1 研究方法
1.1 研究对象
, http://www.100md.com
随机选择门诊确诊为牙本质敏感症的患者103人,256个患牙。规定处理前 的所有患牙为对照组,处理后的所有患牙为各观察阶段的实验组。剔除未按时复诊和资料不 全者,实际统计处理人数36人,共82个患牙,年龄32~70岁,平均51.8岁。男性16人,女性 20人,牙根部者14人,患牙41个;牙颈部者16人,患牙33个,牙 合[ HT5SS〗面者6人,患牙8个。
1.2 观察指标、药物和使用方法
观察指标分为探痛,冷气痛和冷水痛,并将上述指标量化为4度。0:完全无痛;1:轻度酸 痛;2:明显酸痛;3:显著疼痛。药物为250 g/L草酸钾液。擦干患牙,隔湿,用250 g/L草 酸钾液饱和棉片贴敷于患牙的敏感部位,静止3 min后去除,漱口,分别检查记录治疗前、 治疗后即刻、治疗后1周、2周、6个月和1年各项观察指标的变化。
1.3 实验模型的制备和扫描电镜观察
, http://www.100md.com
将临床离体完整新鲜阻生牙(4个)冲洗干净后置于100 g/L的福尔马林液中冷藏备用 。用自凝塑料将实验牙包埋并固定于其特制的底座中,再把底座 固定至精密切削机上,用特制金钢砂片在注水条件下以500 r/min的低速削去牙冠釉质层, 同 理再将近表层的牙本质切削成10 mm×10 mm×1.0 mm的牙本质薄片,将同一牙齿、同一部位 的牙本质薄片一分为二,制成各自约0.5 cm×0.5 cm分别作为实验组和对照组。按齐藤法 〔3〕完成牙本质敏感症临床模型的制备。将250 g/L草酸钾液饱和棉片贴覆于实验组
本质敏感症模型薄片上,静置3 min后去除棉片,用蒸馏水冲洗后自然干燥48 h;对照组则 不 作上述处理。标本固定后用10 g/L的四氧化锇液固定60 min,梯度乙醇脱水,丙酮酸异戊脂 置 换,临界点干燥离子溅射镀膜后,用S-700扫描电镜,在5~15 kV加电压条件下进行观察。
2 结 果
, http://www.100md.com
2.1 临床疗效观察
本研究采用所有入选者治疗前为对照组,治疗后各阶段为实验组,行 前后自身对照,以探讨250 g/L草酸钾液治疗前与治疗后各不同阶段之间的差别,以及各组 相互之间的内在联系。
表1 治疗前后6个时间有效率比较 序号
治疗时间
牙数
有效率(%)
P
1
治疗前
, http://www.100md.com 82
0
2
治 即刻
82
34.83
3
1 周
82
66.53
4
疗 2 周
82
83.37
, 百拇医药
73.98
<0.05
5
6月
82
89.72
6
后 1 年
82
65.42
表1有效率比较说明,治疗后即刻约有1/3的患者显效;1周后有效率逐渐升高;半年时 疗效最佳(89.72%);1年时其有效率与治疗后1周时大致相同(65.42%)。
, 百拇医药
表2说明治疗前后6个不同时间3种观察指标均有统计学意义,P<0.005,差别显著。 表2 治疗前后6个不同时间疗效比较的秩和检验 观察指标
观察牙数
χ2
P
探痛
82
78.89
<0.005
冷水痛
82
72.54
, 百拇医药
<0.005
冷气痛
82
64.78
<0.005
统计学分析治疗前与治疗后5个不同时间的疗效比较均有显著性差别(P<0.01),说 明治疗后即刻直至1年时,仍保持着一定或显著的临床疗效。
两两比较的概率值说明治疗前(1)与治疗后(2~6)之间各观察指标均有显著性差别(P<0. 01);(2)与(3、4、5、6)之间除了(2)与(3、6)间的冷气痛无差别外(P>0.05),其余两 项观察指标在各观察时间均有显著性差别(P<0.01或0.05);(3)与(4、5、6)之间,(4) 与(5、6)之间,(5)与(6)之间差别无统计学意义,其疗效间似无显著性差别。
, 百拇医药
2.2 扫描电镜观察
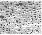
牙本质敏感症模型在500倍扫描电镜下表面平整、洁净,牙本质小管近似圆形,形态雷同、 规则,边缘清晰。除个别直径较小的小管有钙化倾向外均呈开放状态。小管直径大小不一, 最大者约有10 μm,最小者仅有1~2 μm。小管周围绕以钙比较高的连续白线,且白线呈螺 旋 形向小管深部延续,小管间质钙化均匀(见图1)。在5 000倍扫描电镜下小管近似卵圆形。
实验组模型在500倍扫描电镜下,被草酸钾微粒堵塞的小管呈白色高度阻射区,完全被堵塞 者占50%以上,部分堵塞者约有40%,完全暴露者不足10%(见图2)。在5 000倍扫描电镜下被 堵 塞的小管内可见形态不规则、大小不均、密集重叠的草酸钾微粒,小管被严密堵塞(见图3) 。2 0000倍条件下其重叠密集的堵塞情况则更为清晰。
, 百拇医药 图1 牙本质小管图 ×500
图2 牙本质小管被草酸钾微粒堵塞 ×500
图3 牙本质小管完全堵塞 ×5 000
3 讨 论
当外界理化和化学等刺激因素作用于已暴露的牙本质时,所引起的一过性电击 样酸痛症状即牙本质敏感症。据报道患牙牙髓的电阻值为1.5~5 Ω,此值显著低于正常牙 齿的电阻值800 Ω 以上〔4〕,说明有敏感症状的牙髓组织正处于异常的兴奋状态。牙本质敏感症的病 因 大致可分为器质性,生理性和心因性三类〔5〕。目前作为生理性病因之一的液体动 力学说已被大多数学者所接受,即作用于已暴露牙本质表面的物理性、化学性、渗透压性的 以及脱水性的外来刺激,促使牙本质小管内的液体流动,导致牙髓神经纤维兴奋亢进,从 而 引起牙齿酸痛等典型的临床症状。基于这一理论,应用能堵塞牙本质小管、阻止小管内液体 流动的药物和措施理当有效。保存活髓并能显著、持久地消除或改善其临床敏感症状是治疗 本症的基本原则。敏感症的持续存在将明显影响口腔卫生水平和对菌斑的有效控制。由于细 菌及其代谢产物通过小管对牙髓末梢神经甚至牙髓组织的侵袭,将进一步加重临床症状,如 此即形成了临床恶性循环,严重时可导致牙髓炎症直至牙髓坏死。因此,对牙本质敏感症进 行积极的治疗并保存活髓是医、患之间的共同愿望。据Pashley〔6〕,张广耘〔 3〕等报道草酸钾可显著减少牙本质小管的通透性,并能阻断作用于牙本质的各种外界刺 激,对牙髓和牙周组织亦无明显的不良影响,能显著改善牙本质敏感症状。250 g/L草酸钾 液治疗牙本质敏感症的远期疗效究竟如何,对此有必要进行较深入的追踪观察和研究。本研 究发现,草酸钾溶液确有良好的脱牙敏作用,且随着时间的延长其疗效更佳。约有1/3的病 例治疗后即刻显效;治疗后1周有效率达64.63%;治疗后6个月时疗效最佳,有效率为89.72 %;治疗后1年仍显示出良好的临床效果,有效率65.42%。值得注意的是,牙齿敏感并不是牙 本质敏感症的特有症状,如牙髓充血、龋病以及慢性牙髓炎等许多疾患均可同时存在牙齿敏 感症状,应加以鉴别,因为对牙本质敏感症的正确诊断是保证治疗效果的基本前提。
, 百拇医药
草酸钾离子具有较强的螜合性能,可与钙离子相结合, 在牙本质小管内生成不溶性的草酸钙 微粒,促进了小管的矿化,从而显著降低了小管的通透性〔7〕。本研究亦未发现它 对牙周和牙髓组织的明显刺激和不良反应。松本宏之〔8〕研究草酸钾溶液对牙髓组 织的影响发现,除成牙本质细胞层有轻度的排列紊乱外,未见其它组织学反应。说明草酸钾 液 作为治疗牙本质敏感症的临床药物,安全可靠,显效快,疗效持久,是很有希望的牙本质脱 敏药物。
扫描电镜研究发现牙本质小管直径相差甚大(1~10 μm),草酸钾微粒则极其细微,即使直 径为1 μm的小管也能被其微粒有效地堵塞;被堵塞的牙本质小管在5 000倍扫描电镜下,可 见草酸钾微粒紧密衔接,相互重叠并渗入到小管之深部。在本实验条件下形态稳定,能有效 堵塞牙本质小管,总堵塞率达90%以上。本实验为良好持久的临床疗效提供了一定的基础依 据。
参考文献
, http://www.100md.com
1,池田英治,山本宽,砂川光宏.象牙质の感觉过敏に对するシエウ酸カリウム溶 液の效果について.日本齿科保存学杂志,1998,31:1202
2,张广耘,徐秦,袁祥民.25%草酸钾溶液治疗牙本质敏感症的临床研究.口腔医学进展,19 97,1:20
3,齐藤康雄,掘田邦孝,冈本安生.象牙质清扫研磨面に接着する酸浓度の效果.齿科器 械,1993,12:418
4,石川修二.牙本质知觉过敏症に关する临床学的なならぴに组织学的研究.日本口腔病理学 会会志,1969,36:278
5,伊藤宏,齿周处置后に出现した象牙质知觉过敏症に对する25%シエウ酸カリウム临床应用 .日本齿周病学会会志,1993,35:162
6,Pashley D H, Galloway S E.The effects of oxalate treatment on the smear laye r of ground surface of human dentin.Arch Oral Biol,1985,30:731
7,池田英治.象牙质の知觉感过敏に对するシエウ酸カリウム溶液の效果について.日本 齿科保存学杂志,1988,31:1201
8,松本宏之.シエウ酸カリウム溶液による象牙质处理が齿髓组织に及ぼす影响.日本齿 科保存学杂志,1991,51:1449
(收稿:1999-05-22修回:2000-02-16), http://www.100md.com
单位:青岛医学院附属青岛市市立医院口腔科 266011
关键词:草酸钾;牙本质过敏;治疗结果;电子扫描显微镜检查
实用口腔医学杂志000517
〔摘要〕 目的:研究250 g/L草酸钾溶液治疗牙本质敏感症的远期疗效和作用 机制。方法:采用病例自身对照,量化观察指标,对治疗前 和治疗后一年内不同 时期的观察数据进行 统计学分析;建立牙本质敏感症模型,采用扫描电镜观察。结果: 即刻治疗后1/3的患者显 效;1周后有效率明显升高;半年时疗效最佳(有效率达89.72%);1年时有效率仍保 持在65.42%;牙本质小管总堵塞率达90%左右。结论:250 g/L草酸钾液的作用机制是堵塞牙本质小管,是治疗牙本质敏感症较为理想的药 物,远期疗效甚佳。
, 百拇医药
中图分类号:R781.2 文献标识码:A 文章编号:1001-3733(2000)05-0383-03
The long-term effects of potassium oxalate solution on the treatment of dentine hypersensitivity
Zhang Guangyun Xu Qin Pan Tao
(Department of Stomatology of Affiliated Qingdao Mu nicipal Hospital,Qingdao Medical College)
〔Abstract〕Objective:To study the long-term effects of potassium ox alate solut ion (POS) in the treatment of dentine hypersensitivity.Methods:82 teeth with den tine hypersensitivity in 36 patients aged 32~70 years old were treated with 25 0 g/L POS by smearing for 3 min after drying and followed by mouth-wash.The pat ients were follwed-up for 1 year and the effects were evaluated by probe and st imulation with cold air or cold water. In vitro study was conducted on extra cted intact impacted teeth those had been processed by washing,removing of enamel,sec tioning and smearing with POS; then the teeth were observed under scanning elect ro n microscopy.Results:Effectiveness was observed in 34.83%, 66.53%,83.37%,89.72 and 65.42% immeditely,l week,2 weeks,6 months and 1 year after treatment respec tively.Blockade of dental tuble by POS was observed in more than 50% of those after treatment.Concl usion:POS is effective in the treatment of dentine hypersensitivity b y blocking the dental tubes.
, http://www.100md.com
Key words Potassium oxalate;Dentine sensitivity; Treatment outcome;Scanning electron microscopy
牙本质敏感症患病率高,病因复杂,目前治疗的药物和方法虽多,但均不能满足Grossm an 〔1〕提出的六项临床标准,因此寻求更为有效的脱敏药物仍是口腔科学领域中的重要 课题之一。据报道草酸钾溶液近期脱牙敏作用甚佳,而且适用于包括前牙在内的牙本质敏感 症的治疗〔1,2〕。因远期疗效是评价药物或材料优劣更为重要的指标,所以有必要 对远期疗效进行深入的研究和探讨;并采用扫描电镜观察钾离子封闭小管的超微结构和表面 形态,研究其作用机制,为新药物的开发和临床应用提供基础性依据。
1 研究方法
1.1 研究对象
, http://www.100md.com
随机选择门诊确诊为牙本质敏感症的患者103人,256个患牙。规定处理前 的所有患牙为对照组,处理后的所有患牙为各观察阶段的实验组。剔除未按时复诊和资料不 全者,实际统计处理人数36人,共82个患牙,年龄32~70岁,平均51.8岁。男性16人,女性 20人,牙根部者14人,患牙41个;牙颈部者16人,患牙33个,牙 合[ HT5SS〗面者6人,患牙8个。
1.2 观察指标、药物和使用方法
观察指标分为探痛,冷气痛和冷水痛,并将上述指标量化为4度。0:完全无痛;1:轻度酸 痛;2:明显酸痛;3:显著疼痛。药物为250 g/L草酸钾液。擦干患牙,隔湿,用250 g/L草 酸钾液饱和棉片贴敷于患牙的敏感部位,静止3 min后去除,漱口,分别检查记录治疗前、 治疗后即刻、治疗后1周、2周、6个月和1年各项观察指标的变化。
1.3 实验模型的制备和扫描电镜观察
, http://www.100md.com
将临床离体完整新鲜阻生牙(4个)冲洗干净后置于100 g/L的福尔马林液中冷藏备用 。用自凝塑料将实验牙包埋并固定于其特制的底座中,再把底座 固定至精密切削机上,用特制金钢砂片在注水条件下以500 r/min的低速削去牙冠釉质层, 同 理再将近表层的牙本质切削成10 mm×10 mm×1.0 mm的牙本质薄片,将同一牙齿、同一部位 的牙本质薄片一分为二,制成各自约0.5 cm×0.5 cm分别作为实验组和对照组。按齐藤法 〔3〕完成牙本质敏感症临床模型的制备。将250 g/L草酸钾液饱和棉片贴覆于实验组
2 结 果
, http://www.100md.com
2.1 临床疗效观察
本研究采用所有入选者治疗前为对照组,治疗后各阶段为实验组,行 前后自身对照,以探讨250 g/L草酸钾液治疗前与治疗后各不同阶段之间的差别,以及各组 相互之间的内在联系。
表1 治疗前后6个时间有效率比较 序号
治疗时间
牙数
有效率(%)
P
1
治疗前
, http://www.100md.com 82
0
2
治 即刻
82
34.83
3
1 周
82
66.53
4
疗 2 周
82
83.37
, 百拇医药
73.98
<0.05
5
6月
82
89.72
6
后 1 年
82
65.42
表1有效率比较说明,治疗后即刻约有1/3的患者显效;1周后有效率逐渐升高;半年时 疗效最佳(89.72%);1年时其有效率与治疗后1周时大致相同(65.42%)。
, 百拇医药
表2说明治疗前后6个不同时间3种观察指标均有统计学意义,P<0.005,差别显著。 表2 治疗前后6个不同时间疗效比较的秩和检验 观察指标
观察牙数
χ2
P
探痛
82
78.89
<0.005
冷水痛
82
72.54
, 百拇医药
<0.005
冷气痛
82
64.78
<0.005
统计学分析治疗前与治疗后5个不同时间的疗效比较均有显著性差别(P<0.01),说 明治疗后即刻直至1年时,仍保持着一定或显著的临床疗效。
两两比较的概率值说明治疗前(1)与治疗后(2~6)之间各观察指标均有显著性差别(P<0. 01);(2)与(3、4、5、6)之间除了(2)与(3、6)间的冷气痛无差别外(P>0.05),其余两 项观察指标在各观察时间均有显著性差别(P<0.01或0.05);(3)与(4、5、6)之间,(4) 与(5、6)之间,(5)与(6)之间差别无统计学意义,其疗效间似无显著性差别。
, 百拇医药
2.2 扫描电镜观察
牙本质敏感症模型在500倍扫描电镜下表面平整、洁净,牙本质小管近似圆形,形态雷同、 规则,边缘清晰。除个别直径较小的小管有钙化倾向外均呈开放状态。小管直径大小不一, 最大者约有10 μm,最小者仅有1~2 μm。小管周围绕以钙比较高的连续白线,且白线呈螺 旋 形向小管深部延续,小管间质钙化均匀(见图1)。在5 000倍扫描电镜下小管近似卵圆形。
实验组模型在500倍扫描电镜下,被草酸钾微粒堵塞的小管呈白色高度阻射区,完全被堵塞 者占50%以上,部分堵塞者约有40%,完全暴露者不足10%(见图2)。在5 000倍扫描电镜下被 堵 塞的小管内可见形态不规则、大小不均、密集重叠的草酸钾微粒,小管被严密堵塞(见图3) 。2 0000倍条件下其重叠密集的堵塞情况则更为清晰。
, 百拇医药 图1 牙本质小管图 ×500
图2 牙本质小管被草酸钾微粒堵塞 ×500
图3 牙本质小管完全堵塞 ×5 000
3 讨 论
当外界理化和化学等刺激因素作用于已暴露的牙本质时,所引起的一过性电击 样酸痛症状即牙本质敏感症。据报道患牙牙髓的电阻值为1.5~5 Ω,此值显著低于正常牙 齿的电阻值800 Ω 以上〔4〕,说明有敏感症状的牙髓组织正处于异常的兴奋状态。牙本质敏感症的病 因 大致可分为器质性,生理性和心因性三类〔5〕。目前作为生理性病因之一的液体动 力学说已被大多数学者所接受,即作用于已暴露牙本质表面的物理性、化学性、渗透压性的 以及脱水性的外来刺激,促使牙本质小管内的液体流动,导致牙髓神经纤维兴奋亢进,从 而 引起牙齿酸痛等典型的临床症状。基于这一理论,应用能堵塞牙本质小管、阻止小管内液体 流动的药物和措施理当有效。保存活髓并能显著、持久地消除或改善其临床敏感症状是治疗 本症的基本原则。敏感症的持续存在将明显影响口腔卫生水平和对菌斑的有效控制。由于细 菌及其代谢产物通过小管对牙髓末梢神经甚至牙髓组织的侵袭,将进一步加重临床症状,如 此即形成了临床恶性循环,严重时可导致牙髓炎症直至牙髓坏死。因此,对牙本质敏感症进 行积极的治疗并保存活髓是医、患之间的共同愿望。据Pashley〔6〕,张广耘〔 3〕等报道草酸钾可显著减少牙本质小管的通透性,并能阻断作用于牙本质的各种外界刺 激,对牙髓和牙周组织亦无明显的不良影响,能显著改善牙本质敏感症状。250 g/L草酸钾 液治疗牙本质敏感症的远期疗效究竟如何,对此有必要进行较深入的追踪观察和研究。本研 究发现,草酸钾溶液确有良好的脱牙敏作用,且随着时间的延长其疗效更佳。约有1/3的病 例治疗后即刻显效;治疗后1周有效率达64.63%;治疗后6个月时疗效最佳,有效率为89.72 %;治疗后1年仍显示出良好的临床效果,有效率65.42%。值得注意的是,牙齿敏感并不是牙 本质敏感症的特有症状,如牙髓充血、龋病以及慢性牙髓炎等许多疾患均可同时存在牙齿敏 感症状,应加以鉴别,因为对牙本质敏感症的正确诊断是保证治疗效果的基本前提。
, 百拇医药
草酸钾离子具有较强的螜合性能,可与钙离子相结合, 在牙本质小管内生成不溶性的草酸钙 微粒,促进了小管的矿化,从而显著降低了小管的通透性〔7〕。本研究亦未发现它 对牙周和牙髓组织的明显刺激和不良反应。松本宏之〔8〕研究草酸钾溶液对牙髓组 织的影响发现,除成牙本质细胞层有轻度的排列紊乱外,未见其它组织学反应。说明草酸钾 液 作为治疗牙本质敏感症的临床药物,安全可靠,显效快,疗效持久,是很有希望的牙本质脱 敏药物。
扫描电镜研究发现牙本质小管直径相差甚大(1~10 μm),草酸钾微粒则极其细微,即使直 径为1 μm的小管也能被其微粒有效地堵塞;被堵塞的牙本质小管在5 000倍扫描电镜下,可 见草酸钾微粒紧密衔接,相互重叠并渗入到小管之深部。在本实验条件下形态稳定,能有效 堵塞牙本质小管,总堵塞率达90%以上。本实验为良好持久的临床疗效提供了一定的基础依 据。
参考文献
, http://www.100md.com
1,池田英治,山本宽,砂川光宏.象牙质の感觉过敏に对するシエウ酸カリウム溶 液の效果について.日本齿科保存学杂志,1998,31:1202
2,张广耘,徐秦,袁祥民.25%草酸钾溶液治疗牙本质敏感症的临床研究.口腔医学进展,19 97,1:20
3,齐藤康雄,掘田邦孝,冈本安生.象牙质清扫研磨面に接着する酸浓度の效果.齿科器 械,1993,12:418
4,石川修二.牙本质知觉过敏症に关する临床学的なならぴに组织学的研究.日本口腔病理学 会会志,1969,36:278
5,伊藤宏,齿周处置后に出现した象牙质知觉过敏症に对する25%シエウ酸カリウム临床应用 .日本齿周病学会会志,1993,35:162
6,Pashley D H, Galloway S E.The effects of oxalate treatment on the smear laye r of ground surface of human dentin.Arch Oral Biol,1985,30:731
7,池田英治.象牙质の知觉感过敏に对するシエウ酸カリウム溶液の效果について.日本 齿科保存学杂志,1988,31:1201
8,松本宏之.シエウ酸カリウム溶液による象牙质处理が齿髓组织に及ぼす影响.日本齿 科保存学杂志,1991,51:1449
(收稿:1999-05-22修回:2000-02-16), http://www.100md.com