不同通气方式对机械通气引起急性肺损伤兔模型的影响
作者:邹 军 杨拔贤 张京范 张熙哲
单位:北京医科大学第一医院麻醉科,北京 100034
关键词:通气过度;通气机;机械;肺;损伤;肿瘤坏死因子;副作用;疾病模型;动物
北京医科大学学报990514 摘 要 目的:通过表面活性物质缺乏的兔肺模型,评估传统通气模式(conventional mechanical ventilation, CMV)与允许性高碳酸血症加最佳PEEP(permissive hypercapnia associated with ideal PEEP ventilation, PHY+PEEPi)的通气模式对肺损伤的影响,了解肿瘤坏死因子α(tumor necrosis factor-α, TNFα)与机械通气引起肺损伤(ventilator-induced lung injury, VILI)的关系。方法:12只成年兔,以反复肺灌洗法制备表面活性物质缺乏兔肺模型。以CMV (C组) 或PHY+PEEPi (P组)通气4 h后,测定通气前、后的支气管肺泡灌洗液(bronchoalveolar lavage fluid, BALF)中TNFα含量和白细胞分类计数,测定肺水量,进行动脉血气分析和病理检查。结果:CMV组表现为明显的低氧血症,BALF中较多的中性粒细胞数,总肺水量及血管外肺水量明显增多,肺内病理改变为较明显透明膜形成及炎性细胞聚集;而PHY+PEEPi组引起较少的上述病理、生理变化。且CMV组BALF中的TNFα含量明显高于PHY+PEEPi组。结论:CMV通气方式较PHY+PEEPi通气方式引起较多炎性细胞因子TNFα释放和较重程度肺损伤,TNFα在机械通气引起的肺损伤中可能起十分重要的作用。
, 百拇医药
中国图书资料分类法分类号 R563-332
Effects of different ventilatory strategies on ventilator-induced lung injury:a study of a rabbit model of acute lung injury
ZOU Jun, YANG Ba-Xian, ZHANG Jing-Fan, ZHANG Xi-Zhe
(Department of Anesthesiology, the First Hospital, Beijing Medical University, Beijing 100034)
MeSH Hyperventilation Ventilators, mechanical Lung/inj Tumor necrosis factor/adv eff
, 百拇医药
Disease models, animal
ABSTRACT Objective: To evaluate the influence of conventional mechanical ventilation (CMV) and permissive hypercapnia associated with ideal PEEP ventilation (PHY+PEEPi) on lung injury in surfactant-depleted rabbit lungs, and to better understand the relationship between tumor necrosis factor-α(TNFα) and ventilator-induced lung injury. Methods: 12 anesthetized adult rabbits were tracheostomized, and surfactant depletion was induced by repeated saline lavage. Lung lavage for measurement of TNFα level was repeated after 4 h of CMV at FiO2 of 1.0 or PHY+PEEPi at the same FiO2. Arterial blood gas analysis, lavage cell counts and differential cytology, lung water measurement and pathological microscopic examination were performed. Results: Conventional mechanical ventilation (CMV) resulted in a progressive hypoxemia, increased number of neutrophils in bronchoalveolar lavage fluid (BALF), substantial morphological changes including hyaline membrane formation and neutrophils accumulation, increased total lung water (TLW) and extravascular lung water (EVLW) whereas PHY+PEEPi was associated with minimal changes in such physiological and pathological abnormalities. The levels of TNFα in lung lavage fluid were significantly greater in undergoing CMV than in undergoing PHY+PEEPi. Conclusion: The data suggest that CMV could result in much release of such inflammatory chemical mediator-TNFα and much degree of lung injury than PHY+PEEPi, and that proinflammatory cytokines-TNFα may play a pivotal role in ventilator-induced lung injury.
, http://www.100md.com
(J Beijing Med Univ, 1999,31:432-435)
机械通气可以引起或加重肺损伤(ventilator-induced lung injury,VILI)[1],减少吸气末与呼气末的容量差成为近年来机械通气时肺保护的趋势。一些对成人呼吸窘迫综合征(adult respiratory distress syndrome, ARDS)前瞻性的研究表明:允许性高碳酸血症(permissive hypercapnia,PHY)与最佳PEEP(PEEPi,PEEPideal)相结合的通气模式(PHY+PEEPi)可使脱机和肺恢复时间缩短及降低ICU病人死亡率[2]。肿瘤坏死因子-α(tumor necrosis factor-α, TNF-α)作为重要的炎性细胞因子,其在ARDS中的作用也被日益重视[3,4]。本文通过建立表面活性物质缺乏的兔肺损伤模型,观察在不同通气模式下肺损伤的程度及TNFα的变化,评估不同的通气模式和TNFα在VILI中的作用。
, 百拇医药
1 材料与方法
1.1 动物模型和分组
健康家兔12只,性别不限,体重2.4~3.1 kg,耳缘静脉注射戊巴比妥钠每千克体重25 mg麻醉后,置于仰卧位,自一侧耳静脉及股动脉分别穿刺留置22#套管针,分别用于输液及持续监测动脉血压、心率,采集动脉血样。耳静脉给予潘库溴铵每千克体重2 mg后,气管切开插管,机械通气:FiO2 1.0, RR 25 min-1, IT 1.0 s,MV 350 ml.kg-1,麻醉维持给以戊巴比妥钠4 mg.kg-1.h-1及潘库溴铵0.3 mg.h-1, 林格氏液7 ml.kg-1.h-1。稳定15 min后开始制备表面活性物质缺乏模型:自插管注入37 ℃ 9 g.L-1 NaCl (30 ml.kg-1)后立即回抽,重复3次后,再接呼吸机,PEEP为0.3 kPa(3 cm H2O),余指标不变,收集第一次灌洗样本。上述灌洗每5 min重复1次直至PaO2/FiO2小于13.3 kPa。平均灌洗4次。 模型建立后10 min,测P-V曲线。根据通气方式不同,兔随机分为两组: C组(n=6),以CMV模式通气, RR 25 min-1, MV 350 ml.kg-1, IT 1.0 s, PEEP 0.3 kPa(3 cmH2O); P组(n=6), 以PHY+PEEPi模式通气,RR 25 min-1, IT 1.0 s, PEEP根据P-V 曲线, 取大于P-V 曲线低位折点处压力0.2 kPa(2 cm H2O)为最佳PEEP (PEEPi), 一般为1.0~1.2 kPa(10~12 cm H2O) (图1), MV 175 ml.kg-1,机械通气4 h后, 重复上述灌洗1次,收集第2次灌洗样本。静注氯化钾液处死, 即刻开胸取双侧肺。
, 百拇医药
UI,upper inflection; LI,lower inflection.
图1 P-V曲线吸气相图
Figure 1 Inspiratory static P-V curve
1.2 测定指标
血流动力学:持续监测平均动脉压(mean arterial pressure, MAP)。
血气:模型建立即刻、机械通气后30 min、1 h、2 h、3 h、4 h。
TNFα(均相竞争放射免疫分析法):两次灌洗液样本。药盒购自北京东亚免疫技术研究所。
UI, upper inflection; LI, lower inflection.
, 百拇医药
肺水量:动物处死即刻开胸取双侧肺,重量法测定血管外肺水(extravascular lung water, EVLW)及总肺水(total lung water, TLW)。
病理:右肺下叶外侧取样,大体及光镜检查。
BALF中细胞总数及细胞分类计数:两次灌洗液样本400×g离心(4℃)5 min,收集细胞,PBS液冲洗两次,光镜下记数细胞总数,瑞特染色后油镜下分类记数。
1.3 实验仪器
呼吸机 (Newport E200,American),血气分析仪(Radiometer Copenhagen ABL3,Denmark),多功能生理监护仪(Spacelabs,American),紫外分光光度计(SHIMADZU UV2100,Japan),超速低温离心机(Dupont RC5C,American),γ计数仪(LKB 1260,Switzland)
, 百拇医药
1.4 统计方法
所有数据以(
±s)表示。组内差异用t检验和单因素方差分析,组间差异用t检验和两因素方差分析。P<0.05表明差异有统计学意义。
2 结果
血流动力学: 两组MAP、HR在实验过程中差异无显著性。
动脉血气:模型建立机械通气后,P组的PaO2明显高于C组,且一直持续至实验结束(P<0.01);P组的PaCO2明显高于C组(P<0.01);pH值在通气2 h内,P组低于C组 (P<0.05), 而至3 h、4 h时,两组已无显著性差异 (P>0.05);P组SaO2明显高于C组 (P<0.01,见表1)。肺水体积: P组的TLW量明显少于C组 (P<0.05),EVLW量亦明显少于C组 (P<0.01,见表2)。
, 百拇医药
表1 两组机械通气过程中血气的变化(
±s)
Table 1 The changes of ABG in both groups during mechanical ventilation(
±s) Groups
0 min
30 min
1 h
2 h
3 h
4 h
, 百拇医药
PaO2
C
9.3±0.5
8.8±1.1
7.3±0.4
9.2±0.6
6.9±0.7
6.0±0.6
(kPa)
P
9.2±0.7
59.2±2.8*##
, http://www.100md.com
61.3±3.9*##
63.1±2.9*##
69.6±2.1*##
68.4±3.4*##
PaCO2
C
6.35±0.19
5.81±0.34
5.56±0.39
5.13±0.16
, 百拇医药 5.11±0.33
4.94±0.24
(kPa)
P
6.25±0.21
10.88±0.94*##
11.53±0.88*##
12.83±0.80*##
12.75±0.80*##
11.96±1.13*##
, 百拇医药
pH
C
7.266±0.020
7.296±0.011
7.298±0.038
7.227±0.049
7.187±0.051
7.187±0.069
P
7.322±0.027
7.130±0.039*#
, 百拇医药 7.122±0.032*#
7.073±0.030*#
7.075±0.021*
7.064±0.020*
SaO2
C
91.43±1.81
79.42±2.36
79.05±3.18
84.22±2.68
, 百拇医药
78.57±6.20
78.57±3.75
(%)
P
89.95±2.87
99.33±0.32*##
99.58±0.20*##
99.32±0.27*##
99.53±0.27*#
99.41±0.38##
, 百拇医药
* P<0.01, compared with 0 min; #P<0.05, ## P<0.01,compared between groups.表2 机械通气后两组肺水体积、BALF中细胞计数及分类和TNFα质量浓度(
±s)
Table 2 Lung water, cell count and classification and TNFα content in BALF in both groups after mechanical ventilation(
±s) Groups
Cell count
(106 L-1)
, http://www.100md.com
Neutrophil
(106 L-1)
TLW
(ml.g-1)
EVLW
(ml.g-1)
TNFα
(μg.L-1)
C
74.01±3.71
, http://www.100md.com
0.73±0.15
15.59±0.60
4.84±0.39
3.21±0.58
P
69.83±3.52
0.54±0.13#
13.99±0.19#
3.28±0.18##
1.08±0.26##
t
, 百拇医药
0.576
2.781
2.594
3.998
4.247
#P<0.05, ##P<0.01 compared between groups.
BALF中的细胞总数及白细胞分类计数:机械通气4 h后,两组间细胞总数未见显著性差异,中性粒细胞数P组明显少于C组 (P<0.05,见表2)。
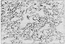
BALF中TNFα的质量浓度: 本实验所用I125-TNF药盒的检测下限为0.3 μg.L-1, 模型建立时两组BALF均未检出TNFα。机械通气4 h后,C组BALF中的TNFα量较P组明显增高 (表2)。病理检查:肺组织标本光镜下可见C组有明显的透明膜形成及炎性细胞浸润,而P组的改变较轻 (见图2,3)。
, 百拇医药
图2 C组兔肺组织,可见明显的透明膜形成及炎性细胞浸润 HE ×200
Figure 2 C group lung, apparent hyaline membrane and inflammatory infiltration HE ×200
图3 P组兔肺组织,透明膜形成及炎性细胞浸润程度较轻 HE ×200
Figure 3 P group lung, less degree of hyaline membrane and inflammatory infiltration HE ×200
3 讨论
本实验中采用的表面活性物质缺乏兔肺损伤模型类似ARDS的进行性病理、生理改变,因此具有很高的特征性及应用价值[3,5]。
, 百拇医药
机械通气本身可以引起或加重肺损伤,近年的研究发现:不伴大潮气量的高气道峰压并不产生压力伤[6],因而容量伤被日益重视:(1)大潮气量时,已受损的肺持续大面积肺泡萎陷,容量分配不均,造成局部肺泡过伸,一方面微血管膜通透性改变,另一方面表面活性物质失活,进而引起肺损伤。Dreyfuss[7]等认为吸气末容量过高可能是VILI最有害的因素。(2)呼气末肺容量低时,即使小潮气量的机械通气也可加重已有的肺损伤,主要原因为小气道重复开启时作用于肺泡的“切应力”(shear stress)。
在ARDS的病人中使用大于P-V曲线吸气相低位折点(lower inflection,LI)PEEP的观点在20年前已被提出,但当时的主要目的是改善肺顺应性、增加气体交换面积、减少肺内分流、改善氧合;同时减少由于肺泡反复开启造成的VILI。但已受损的肺其P-V吸气曲线的低位折点与高位折点(upper inflection,UI)之间的距离明显缩短,不难看出当选用最佳PEEP时,目前临床常用的潮气量也会使已损伤的肺的吸气末容量超过UI处的容量,使肺泡过张,进一步造成肺损伤(图1)。因此,对于已受损的肺来说(特别是ARDS患者),低潮气量与PEEPi相结合的通气方式(PHY+PEEPi)应是临床可行的肺保护的治疗策略。本实验发现C组的病理、生理变化较P组明显,证明PHY+PEEPi的通气方式在肺保护方面明显优于CMV。
, http://www.100md.com
需要指出的是,PHY有其临床应用局限性[8]。本实验中,两组血流动力学未见明显差异;在前两小时P组呼吸性酸中毒明显,差异有显著性,到3、4小时,由于C组代谢性酸中毒的加重,两组pH值差异已无显著性。PHY作为一种非生理范围的代偿性治疗手段,其适应证、pH值改变的程度有待进一步研究。
细胞因子在ARDS中的作用已成为近年来研究的热点之一,许多文献认为,通气方式对肺内细胞因子的释放及炎性细胞的趋化作用明显,从而在触发与扩大局部和全身的炎症反应方面起了十分重要的作用[3,5]。TNFα作为重要的炎性细胞因子,在急性肺损伤中一方面以自分泌的形式激活单核巨噬细胞,进一步释放细胞因子和炎症介质;另一方面诱生和上调内皮细胞表面黏附因子,引起中性粒细胞在肺内的"扣押",同时刺激中性粒细胞释放活性氧自由基造成肺损伤。当肺泡毛细血管膜通透性增高时,不仅血循环中的TNFα可进入肺泡,而且肺泡内TNFα也可以返回血循环,从而使炎症反应不断放大。在本实验中,我们也发现C组较P组BALF中TNFα明显增高,同时BALF中中性粒细胞亦增多,说明TNFα在VILI的发生发展中可能起了十分重要的作用。
, 百拇医药
机械通气本身可以改变肺内细胞因子及其基因表达。许多ARDS病人发展或死亡是由于多器官功能衰竭,而不是其肺部疾病,机械通气作为ARDS支持治疗中无法替代的主要措施之一,可能参与了ARDS的发生发展:通过诱发细胞因子的释放,启动或加重了局部的炎症反应,同时机械通气本身与炎性细胞等一同进一步改变了肺泡通透性,从而使局部炎症反应扩展为链锁式全身性炎症反应。Lorraine等[4]认为,尽管始动因素是机械性的,但导致肺损伤的步骤可能是一系列细胞反应。我们对VILI的防治应在调整机械通气的同时也着手于调整肺内细胞因子和炎性细胞的变化。
通过本实验研究,证实炎性反应参与了VILI,机械性过程和炎性过程一起在VILI的发生、发展中起了十分重要的作用。
参考文献
1 Parker JC, Hernandez LA, Peevy K. Mechanisms of ventilator-induced lung injury. Crit Care Med, 1993; 21: 131-143
, 百拇医药
2 Amato MBP, Barbas CSV, Medeiros DM, et al. Beneficial effects of the "open lung approach" with low distending pressures in acute respiratory distress syndrome. Am J Respir Crit Care Med, 1995, 152:1835-1846
3 Takata M, Abe J, Tanaka H, et al. Intra-alveolar expression of tumor necrosis factor-α gene during conventional and high-frequency ventilation. Am J Respir Crit Care Med, 1997, 156: 272-279
4 Tremblay L, Valenza F, Ribeiro SP, et al. Injurious ventilatory strategies increase cytokines and c-fos m-RNA expression in an isolated rat lung model. J Clin Invest, 1997, 99:944-952
, 百拇医药
5 Imai Y, Kawano T, Miyasaka K, et al. Inflammatory chemical mediators during conventional ventilation and during high frequency oscillatory ventilation. Am J Respir Crit Care Med, 1994, 150:1550-1554
6 Dreyfuss D, Solar P, Basset G, et al. High inflation pressure pulmonary edema: respective effects of high airway pressure, high tidal volume, and positive end-expiratory pressure. Am Rev Respir Dis, 1988;137:1159-1164
7 Dreyfuss D, Saumon G. Barotrauma is volutrauma, but which volume is the one responsible? Intensive Care Med, 1992, 18:139-141
8 Carlos RRC, Barbas CSV, Medeiros DM, et al. Temporal hemodynamic effects of permissive hypercapnia associated with ideal PEEP in ARDS. Am J Respir Crit Care Med, 1997, 156: 1458-1466
(1998-11-17收稿), 百拇医药
单位:北京医科大学第一医院麻醉科,北京 100034
关键词:通气过度;通气机;机械;肺;损伤;肿瘤坏死因子;副作用;疾病模型;动物
北京医科大学学报990514 摘 要 目的:通过表面活性物质缺乏的兔肺模型,评估传统通气模式(conventional mechanical ventilation, CMV)与允许性高碳酸血症加最佳PEEP(permissive hypercapnia associated with ideal PEEP ventilation, PHY+PEEPi)的通气模式对肺损伤的影响,了解肿瘤坏死因子α(tumor necrosis factor-α, TNFα)与机械通气引起肺损伤(ventilator-induced lung injury, VILI)的关系。方法:12只成年兔,以反复肺灌洗法制备表面活性物质缺乏兔肺模型。以CMV (C组) 或PHY+PEEPi (P组)通气4 h后,测定通气前、后的支气管肺泡灌洗液(bronchoalveolar lavage fluid, BALF)中TNFα含量和白细胞分类计数,测定肺水量,进行动脉血气分析和病理检查。结果:CMV组表现为明显的低氧血症,BALF中较多的中性粒细胞数,总肺水量及血管外肺水量明显增多,肺内病理改变为较明显透明膜形成及炎性细胞聚集;而PHY+PEEPi组引起较少的上述病理、生理变化。且CMV组BALF中的TNFα含量明显高于PHY+PEEPi组。结论:CMV通气方式较PHY+PEEPi通气方式引起较多炎性细胞因子TNFα释放和较重程度肺损伤,TNFα在机械通气引起的肺损伤中可能起十分重要的作用。
, 百拇医药
中国图书资料分类法分类号 R563-332
Effects of different ventilatory strategies on ventilator-induced lung injury:a study of a rabbit model of acute lung injury
ZOU Jun, YANG Ba-Xian, ZHANG Jing-Fan, ZHANG Xi-Zhe
(Department of Anesthesiology, the First Hospital, Beijing Medical University, Beijing 100034)
MeSH Hyperventilation Ventilators, mechanical Lung/inj Tumor necrosis factor/adv eff
, 百拇医药
Disease models, animal
ABSTRACT Objective: To evaluate the influence of conventional mechanical ventilation (CMV) and permissive hypercapnia associated with ideal PEEP ventilation (PHY+PEEPi) on lung injury in surfactant-depleted rabbit lungs, and to better understand the relationship between tumor necrosis factor-α(TNFα) and ventilator-induced lung injury. Methods: 12 anesthetized adult rabbits were tracheostomized, and surfactant depletion was induced by repeated saline lavage. Lung lavage for measurement of TNFα level was repeated after 4 h of CMV at FiO2 of 1.0 or PHY+PEEPi at the same FiO2. Arterial blood gas analysis, lavage cell counts and differential cytology, lung water measurement and pathological microscopic examination were performed. Results: Conventional mechanical ventilation (CMV) resulted in a progressive hypoxemia, increased number of neutrophils in bronchoalveolar lavage fluid (BALF), substantial morphological changes including hyaline membrane formation and neutrophils accumulation, increased total lung water (TLW) and extravascular lung water (EVLW) whereas PHY+PEEPi was associated with minimal changes in such physiological and pathological abnormalities. The levels of TNFα in lung lavage fluid were significantly greater in undergoing CMV than in undergoing PHY+PEEPi. Conclusion: The data suggest that CMV could result in much release of such inflammatory chemical mediator-TNFα and much degree of lung injury than PHY+PEEPi, and that proinflammatory cytokines-TNFα may play a pivotal role in ventilator-induced lung injury.
, http://www.100md.com
(J Beijing Med Univ, 1999,31:432-435)
机械通气可以引起或加重肺损伤(ventilator-induced lung injury,VILI)[1],减少吸气末与呼气末的容量差成为近年来机械通气时肺保护的趋势。一些对成人呼吸窘迫综合征(adult respiratory distress syndrome, ARDS)前瞻性的研究表明:允许性高碳酸血症(permissive hypercapnia,PHY)与最佳PEEP(PEEPi,PEEPideal)相结合的通气模式(PHY+PEEPi)可使脱机和肺恢复时间缩短及降低ICU病人死亡率[2]。肿瘤坏死因子-α(tumor necrosis factor-α, TNF-α)作为重要的炎性细胞因子,其在ARDS中的作用也被日益重视[3,4]。本文通过建立表面活性物质缺乏的兔肺损伤模型,观察在不同通气模式下肺损伤的程度及TNFα的变化,评估不同的通气模式和TNFα在VILI中的作用。
, 百拇医药
1 材料与方法
1.1 动物模型和分组
健康家兔12只,性别不限,体重2.4~3.1 kg,耳缘静脉注射戊巴比妥钠每千克体重25 mg麻醉后,置于仰卧位,自一侧耳静脉及股动脉分别穿刺留置22#套管针,分别用于输液及持续监测动脉血压、心率,采集动脉血样。耳静脉给予潘库溴铵每千克体重2 mg后,气管切开插管,机械通气:FiO2 1.0, RR 25 min-1, IT 1.0 s,MV 350 ml.kg-1,麻醉维持给以戊巴比妥钠4 mg.kg-1.h-1及潘库溴铵0.3 mg.h-1, 林格氏液7 ml.kg-1.h-1。稳定15 min后开始制备表面活性物质缺乏模型:自插管注入37 ℃ 9 g.L-1 NaCl (30 ml.kg-1)后立即回抽,重复3次后,再接呼吸机,PEEP为0.3 kPa(3 cm H2O),余指标不变,收集第一次灌洗样本。上述灌洗每5 min重复1次直至PaO2/FiO2小于13.3 kPa。平均灌洗4次。 模型建立后10 min,测P-V曲线。根据通气方式不同,兔随机分为两组: C组(n=6),以CMV模式通气, RR 25 min-1, MV 350 ml.kg-1, IT 1.0 s, PEEP 0.3 kPa(3 cmH2O); P组(n=6), 以PHY+PEEPi模式通气,RR 25 min-1, IT 1.0 s, PEEP根据P-V 曲线, 取大于P-V 曲线低位折点处压力0.2 kPa(2 cm H2O)为最佳PEEP (PEEPi), 一般为1.0~1.2 kPa(10~12 cm H2O) (图1), MV 175 ml.kg-1,机械通气4 h后, 重复上述灌洗1次,收集第2次灌洗样本。静注氯化钾液处死, 即刻开胸取双侧肺。
, 百拇医药
UI,upper inflection; LI,lower inflection.
图1 P-V曲线吸气相图
Figure 1 Inspiratory static P-V curve
1.2 测定指标
血流动力学:持续监测平均动脉压(mean arterial pressure, MAP)。
血气:模型建立即刻、机械通气后30 min、1 h、2 h、3 h、4 h。
TNFα(均相竞争放射免疫分析法):两次灌洗液样本。药盒购自北京东亚免疫技术研究所。
UI, upper inflection; LI, lower inflection.
, 百拇医药
肺水量:动物处死即刻开胸取双侧肺,重量法测定血管外肺水(extravascular lung water, EVLW)及总肺水(total lung water, TLW)。
病理:右肺下叶外侧取样,大体及光镜检查。
BALF中细胞总数及细胞分类计数:两次灌洗液样本400×g离心(4℃)5 min,收集细胞,PBS液冲洗两次,光镜下记数细胞总数,瑞特染色后油镜下分类记数。
1.3 实验仪器
呼吸机 (Newport E200,American),血气分析仪(Radiometer Copenhagen ABL3,Denmark),多功能生理监护仪(Spacelabs,American),紫外分光光度计(SHIMADZU UV2100,Japan),超速低温离心机(Dupont RC5C,American),γ计数仪(LKB 1260,Switzland)
, 百拇医药
1.4 统计方法
所有数据以(
2 结果
血流动力学: 两组MAP、HR在实验过程中差异无显著性。
动脉血气:模型建立机械通气后,P组的PaO2明显高于C组,且一直持续至实验结束(P<0.01);P组的PaCO2明显高于C组(P<0.01);pH值在通气2 h内,P组低于C组 (P<0.05), 而至3 h、4 h时,两组已无显著性差异 (P>0.05);P组SaO2明显高于C组 (P<0.01,见表1)。肺水体积: P组的TLW量明显少于C组 (P<0.05),EVLW量亦明显少于C组 (P<0.01,见表2)。
, 百拇医药
表1 两组机械通气过程中血气的变化(
Table 1 The changes of ABG in both groups during mechanical ventilation(
0 min
30 min
1 h
2 h
3 h
4 h
, 百拇医药
PaO2
C
9.3±0.5
8.8±1.1
7.3±0.4
9.2±0.6
6.9±0.7
6.0±0.6
(kPa)
P
9.2±0.7
59.2±2.8*##
, http://www.100md.com
61.3±3.9*##
63.1±2.9*##
69.6±2.1*##
68.4±3.4*##
PaCO2
C
6.35±0.19
5.81±0.34
5.56±0.39
5.13±0.16
, 百拇医药 5.11±0.33
4.94±0.24
(kPa)
P
6.25±0.21
10.88±0.94*##
11.53±0.88*##
12.83±0.80*##
12.75±0.80*##
11.96±1.13*##
, 百拇医药
pH
C
7.266±0.020
7.296±0.011
7.298±0.038
7.227±0.049
7.187±0.051
7.187±0.069
P
7.322±0.027
7.130±0.039*#
, 百拇医药 7.122±0.032*#
7.073±0.030*#
7.075±0.021*
7.064±0.020*
SaO2
C
91.43±1.81
79.42±2.36
79.05±3.18
84.22±2.68
, 百拇医药
78.57±6.20
78.57±3.75
(%)
P
89.95±2.87
99.33±0.32*##
99.58±0.20*##
99.32±0.27*##
99.53±0.27*#
99.41±0.38##
, 百拇医药
* P<0.01, compared with 0 min; #P<0.05, ## P<0.01,compared between groups.表2 机械通气后两组肺水体积、BALF中细胞计数及分类和TNFα质量浓度(
Table 2 Lung water, cell count and classification and TNFα content in BALF in both groups after mechanical ventilation(
Cell count
(106 L-1)
, http://www.100md.com
Neutrophil
(106 L-1)
TLW
(ml.g-1)
EVLW
(ml.g-1)
TNFα
(μg.L-1)
C
74.01±3.71
, http://www.100md.com
0.73±0.15
15.59±0.60
4.84±0.39
3.21±0.58
P
69.83±3.52
0.54±0.13#
13.99±0.19#
3.28±0.18##
1.08±0.26##
t
, 百拇医药
0.576
2.781
2.594
3.998
4.247
#P<0.05, ##P<0.01 compared between groups.
BALF中的细胞总数及白细胞分类计数:机械通气4 h后,两组间细胞总数未见显著性差异,中性粒细胞数P组明显少于C组 (P<0.05,见表2)。
BALF中TNFα的质量浓度: 本实验所用I125-TNF药盒的检测下限为0.3 μg.L-1, 模型建立时两组BALF均未检出TNFα。机械通气4 h后,C组BALF中的TNFα量较P组明显增高 (表2)。病理检查:肺组织标本光镜下可见C组有明显的透明膜形成及炎性细胞浸润,而P组的改变较轻 (见图2,3)。
, 百拇医药
图2 C组兔肺组织,可见明显的透明膜形成及炎性细胞浸润 HE ×200
Figure 2 C group lung, apparent hyaline membrane and inflammatory infiltration HE ×200
图3 P组兔肺组织,透明膜形成及炎性细胞浸润程度较轻 HE ×200
Figure 3 P group lung, less degree of hyaline membrane and inflammatory infiltration HE ×200
3 讨论
本实验中采用的表面活性物质缺乏兔肺损伤模型类似ARDS的进行性病理、生理改变,因此具有很高的特征性及应用价值[3,5]。
, 百拇医药
机械通气本身可以引起或加重肺损伤,近年的研究发现:不伴大潮气量的高气道峰压并不产生压力伤[6],因而容量伤被日益重视:(1)大潮气量时,已受损的肺持续大面积肺泡萎陷,容量分配不均,造成局部肺泡过伸,一方面微血管膜通透性改变,另一方面表面活性物质失活,进而引起肺损伤。Dreyfuss[7]等认为吸气末容量过高可能是VILI最有害的因素。(2)呼气末肺容量低时,即使小潮气量的机械通气也可加重已有的肺损伤,主要原因为小气道重复开启时作用于肺泡的“切应力”(shear stress)。
在ARDS的病人中使用大于P-V曲线吸气相低位折点(lower inflection,LI)PEEP的观点在20年前已被提出,但当时的主要目的是改善肺顺应性、增加气体交换面积、减少肺内分流、改善氧合;同时减少由于肺泡反复开启造成的VILI。但已受损的肺其P-V吸气曲线的低位折点与高位折点(upper inflection,UI)之间的距离明显缩短,不难看出当选用最佳PEEP时,目前临床常用的潮气量也会使已损伤的肺的吸气末容量超过UI处的容量,使肺泡过张,进一步造成肺损伤(图1)。因此,对于已受损的肺来说(特别是ARDS患者),低潮气量与PEEPi相结合的通气方式(PHY+PEEPi)应是临床可行的肺保护的治疗策略。本实验发现C组的病理、生理变化较P组明显,证明PHY+PEEPi的通气方式在肺保护方面明显优于CMV。
, http://www.100md.com
需要指出的是,PHY有其临床应用局限性[8]。本实验中,两组血流动力学未见明显差异;在前两小时P组呼吸性酸中毒明显,差异有显著性,到3、4小时,由于C组代谢性酸中毒的加重,两组pH值差异已无显著性。PHY作为一种非生理范围的代偿性治疗手段,其适应证、pH值改变的程度有待进一步研究。
细胞因子在ARDS中的作用已成为近年来研究的热点之一,许多文献认为,通气方式对肺内细胞因子的释放及炎性细胞的趋化作用明显,从而在触发与扩大局部和全身的炎症反应方面起了十分重要的作用[3,5]。TNFα作为重要的炎性细胞因子,在急性肺损伤中一方面以自分泌的形式激活单核巨噬细胞,进一步释放细胞因子和炎症介质;另一方面诱生和上调内皮细胞表面黏附因子,引起中性粒细胞在肺内的"扣押",同时刺激中性粒细胞释放活性氧自由基造成肺损伤。当肺泡毛细血管膜通透性增高时,不仅血循环中的TNFα可进入肺泡,而且肺泡内TNFα也可以返回血循环,从而使炎症反应不断放大。在本实验中,我们也发现C组较P组BALF中TNFα明显增高,同时BALF中中性粒细胞亦增多,说明TNFα在VILI的发生发展中可能起了十分重要的作用。
, 百拇医药
机械通气本身可以改变肺内细胞因子及其基因表达。许多ARDS病人发展或死亡是由于多器官功能衰竭,而不是其肺部疾病,机械通气作为ARDS支持治疗中无法替代的主要措施之一,可能参与了ARDS的发生发展:通过诱发细胞因子的释放,启动或加重了局部的炎症反应,同时机械通气本身与炎性细胞等一同进一步改变了肺泡通透性,从而使局部炎症反应扩展为链锁式全身性炎症反应。Lorraine等[4]认为,尽管始动因素是机械性的,但导致肺损伤的步骤可能是一系列细胞反应。我们对VILI的防治应在调整机械通气的同时也着手于调整肺内细胞因子和炎性细胞的变化。
通过本实验研究,证实炎性反应参与了VILI,机械性过程和炎性过程一起在VILI的发生、发展中起了十分重要的作用。
参考文献
1 Parker JC, Hernandez LA, Peevy K. Mechanisms of ventilator-induced lung injury. Crit Care Med, 1993; 21: 131-143
, 百拇医药
2 Amato MBP, Barbas CSV, Medeiros DM, et al. Beneficial effects of the "open lung approach" with low distending pressures in acute respiratory distress syndrome. Am J Respir Crit Care Med, 1995, 152:1835-1846
3 Takata M, Abe J, Tanaka H, et al. Intra-alveolar expression of tumor necrosis factor-α gene during conventional and high-frequency ventilation. Am J Respir Crit Care Med, 1997, 156: 272-279
4 Tremblay L, Valenza F, Ribeiro SP, et al. Injurious ventilatory strategies increase cytokines and c-fos m-RNA expression in an isolated rat lung model. J Clin Invest, 1997, 99:944-952
, 百拇医药
5 Imai Y, Kawano T, Miyasaka K, et al. Inflammatory chemical mediators during conventional ventilation and during high frequency oscillatory ventilation. Am J Respir Crit Care Med, 1994, 150:1550-1554
6 Dreyfuss D, Solar P, Basset G, et al. High inflation pressure pulmonary edema: respective effects of high airway pressure, high tidal volume, and positive end-expiratory pressure. Am Rev Respir Dis, 1988;137:1159-1164
7 Dreyfuss D, Saumon G. Barotrauma is volutrauma, but which volume is the one responsible? Intensive Care Med, 1992, 18:139-141
8 Carlos RRC, Barbas CSV, Medeiros DM, et al. Temporal hemodynamic effects of permissive hypercapnia associated with ideal PEEP in ARDS. Am J Respir Crit Care Med, 1997, 156: 1458-1466
(1998-11-17收稿), 百拇医药