L-精氨酸对肾性高血压心肌肥厚大鼠左心室肌原癌基c-fos蛋白表达及血浆NO含量的影响
作者:尹时华 肖立新 陈业文 金延安 化长林
单位:尹时华(咸宁医学院生理学教研室 咸宁437100);肖立新(深圳卫校 深圳 518020);陈业文(咸宁医学院组织胚胎学教研室 咸宁437100);金延安 化长林(咸宁医学院生理学教研室 咸宁437100)
关键词:L-精氨酸;肾性高血压;c-fos;一氧化氮
高血压杂志000128 摘 要:目的:探讨L-精氨酸对肾性高血压心肌肥厚大鼠左室肌原癌基因c-fos表达及血浆NO含量的影响。方法:采用免疫组织化学方法测定左室肌原癌基因c-fos蛋白表达,用比色法测定血浆一氧化氮含量。结果:通过8周治疗后,L-Arg使高血压心肌肥厚大鼠c-fos蛋白表达显著减少(P<0.005),使血浆中NO含量显著升高(P<0.001)结论:L-Arg治疗高血压心肌肥厚大鼠能减轻c-fos表达和提高血浆中NO含量。
, 百拇医药
分类号:R544.1;Q753;R446.1;R972;N33 文献标识码:A
文章编号:1006-2866(2000)01-0085-03
The Effects of L-Arg on the Expression of Proto-oncogene c-fos in the Left Ventricle and Plasma Nitric Oxide inRats with Renovascular Hypertensive Hypertrophy
YIN Shihua JIN Yanan HUA Changlin
(Department of Physiology,Xianning Medical College,Xianning 437100)
, 百拇医药
XIAO Lixing
(Shenzhen Health School,shenzhen 518020)
CHENG Yewen
(Department of Histolo gy and Embryology,Xianning Medical College,Xianning 437100)
ABSTRACT:Objective:To study the effects of L-Arg on the expression of proto-oncogene c-fos in the left ventricle and plasma nitric oxide in rats with renovascular hypertensive hypertrophy.Methods:The level of c-fos was measured by immunohistochemical method and the plasma nitric oxide by colorimetric method.Results:After eight weeks of L-Arg p.o treatment,the expression of oncogene c-fos of the L-Arg-200 mg/kg.d-1 and L-Arg-400 mg/kg.d-1groups decreased markedly,while the plasma nitric oxide increased significantly compared with those of 2K1C group(P<0.01) Conclusion:The expression of proto-oncogene c-fos could be dec reased and the plasma nitric oxide could be increased by L-Arg.
, 百拇医药
Key Words:L-Arg; renovascular hypertension; c-fos ni tric oxide▲
高血压引起左心室肥厚(LVH)可导致多种病理性后果。LVH是心血管疾病发病率和死亡率的独立危险因素,转基因动物和反义核酸技术均证明c-fos在心肌肥厚的信号传递过程中作用十分重要[1~3],实验证明在高血压LVH时大鼠核内癌基因c-fos表达增强,本实验使用一氧化氮(Nitric oxide ,NO)合成前体L-精氨酸(L-Arginine,L-Arg)[4]治疗肾性高血压所致左心室肥厚大鼠,观察其对大鼠左心室原癌基因c-fos蛋白表达及血浆NO含量的影响,旨在研究L-Arg在左室肥厚中的作用,并进一步探讨左室肥厚的发病机制。
MATERIALS AND METHODS
1 动物与模型 选用雄性Wistar大鼠(由本院动物中心提供),体重180~220g。二肾一夹(2K1C)型肾血管型高血压大鼠采用经典造模方法[5]:经3%戊巴比妥钠(30mg/kg腹腔注射)麻醉,游离左肾动脉并用内径为0.2~0.3mm银夹缩窄,右侧肾不触及。假手术组手术方法同上,但不安置银夹,术后前4周每周测血压一次,凡术后第四周末收缩压较术前升高20mmHg以上,且高于125mmHg者确定为已形成高血压[6],并进行药物实验。
, 百拇医药
2 实验动物分组:实验随机将成功造模后的40只大鼠分5组,每组8只:A组:假手术组;B组:2K1C组;C1组:2K1C+L-Arg(100mg/kg.d-1广州军区南岳制药厂)组,术后四周开始灌饲L-Arg水溶液治疗8周后处死检测;C2组:2K1C+L-Arg(200mg/kg.d-1)组,喂饲及处死方法同C1组;C3组2K1C+L-Arg(400mg/kg.d-1)组,喂饲及处死方法同C1组。
3 观测指标:
3.1收缩压的测定:微型动物测压仪(湖南医科大学生理学教研室研制)测量尾动脉收缩压。
3.2左心室/体重比测定:处死动物之前麻醉称体重,处死后分离左室用滤纸吸去处表面水份称重以求得比值。
, http://www.100md.com
3.3血浆NO含量测定:断颈采静脉血2ml注入肝素抗凝,离心分离血浆-20℃保存2天后测定,NO用经铜离子活化镉还原加格氏试剂显色(Greess法)[7]测定,主要步骤:用5mmol/L甘氨酸缓冲液配制的硫酸铜将镉活化,然后用活化镉将去蛋白血浆中硝酸盐还原成亚硝酸盐,亚硝酸盐再与格氏试剂反应生成粉红色的偶氮化合物,于754紫外分光光度计比色,使用波长为546nm。亚硝酸盐/硝酸盐在体内均为NO的稳定代谢产物,测量其含量并根据标准曲线计算NO的含量。
3.4免疫组织化学染色:采用SABC法,参照试剂盒使用说明书操作c-fos单克隆抗体购自Sigma公司,用Olympus显微照像,并进行图像分析,以细胞阳性染色(核呈棕黄色)的积分光密度值(OD值)表示抗原表达量。
4统计分析: 所有数据用均数±标准差(
±s)表示, 两组间比较采用t检验,多组间比较采用方差分析和q检验。P<0.05为显著性标准。
, 百拇医药
RESULTS
1收缩压,左室/体重比:从Tab1可见,SBP L-Arg-100治疗组与2K1C组比较有显著性差异(P<0.05),L-Arg-200和L-Arg-400与2K1C组比较P<0.001。
Tab 1 The effects of L-Arg on SBP LVW/BW and
the expression of proto-oncogene c-fos in Left ventricle
of rats with renovascular hypertensive hypertrophy(
±s)
SBP
, 百拇医药
(mmHg)
(n=8)
LVW/
BW(mg/g)
(n=8)
c-fos蛋白
表达(OD)值
(n=30)
NO
(μmol/L)
(n=8)
Sham
116±15
, 百拇医药
2.59±0.12
22.3±11.3
9.26±2.96
2K1C
171±16
3.38±0.32
36.4±11.5
6.43±2.08#
(1)
154±15△
3.12±0.31
, http://www.100md.com 34.2±11.7
7.14±2.07
(2)
132±13△△**
2.82±0.26*
23.9±10.8△
13.94±2.40△△
(3)
133±15△△
2.65±0.21△△
, http://www.100md.com
24.1±11.6△
14.80±2.87△△
(1)2K1C+L-Arg-100mg/kg;(2)2K1C+L-Arg-200mg/kg;(3)2K1C+L-Arg-400mg/kg
△:P<0.005vs2K1Cgroup;△△:P<0.001 vs2K1Cgroup,*:P<0.05vs2K1C+L-Arg-100group;**:P<0.01 vs 2K1C group;#:P<0.005 vs Sham group
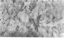
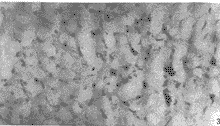
2c-fos原癌基因表达:c-fos蛋白表达见Fig1~5,Sham组胞核染色淡,染色细胞数少;2K1C组胞核染色深,着色细胞核多;L-Arg-100治疗组胞核着色亦深,着色细胞多;L-Arg-200与L-Arg-400治疗组细胞着色与Sham组相似,胞核着色淡,染色细胞数少。OD值比较L-Arg-100与2K1C组蛋白表达无显著性差异,而L-Arg-200和L-Arg-400治疗组与2K1C组比较蛋白表达有显著性差异(P<0.005),见Tab1。
, 百拇医药
Fig 1 Immunohistochemical stains showing the expression
of poto-o ncogene c-fos in sham group (light microscope,×400)
Fig 2 Immunohistochemical stains showing the expression of
proto- oncogene c-fos in 2K1C group (light microscope,×400)
Fig3.Immunohistochemical stains showing the expression
, 百拇医药
of poto-onc ogene c-fos in L-Arg-100 group (light microscope,×400)
Fig 4 Immunohistochemical stains showing the expression of
proto- oncogene c-fos in L-Arg-200 group (light microscope,×400)
Fig 5 Immunohistochemical stains showing the expression of
poto-o ncogene c-fos in L-Arg-400 group (light microscope,×400)
, 百拇医药
3 血浆NO含量:从Tab1可见2K1C组与Sham组比较P<0.005,L-Arg-100治疗组与2K1C组比较无显著性差异,但L-Arg-200及L-Arg-400治疗组与2K1C比较P<0.001有高度显著性差异。
DISCUSSION
高血压是一种多基因遗传疾病,其发病机理涉及一系列高血压相关基因表达异常[8],c-fos编码核内转录因子调控着细胞的增殖与分化,属立即早期反应基因,实验证明c-fos可编码核内多种信息分子,对细胞分化,增殖起重要作用[9],c-fos的表达与不同组织、细胞类型及发育阶段密切相关,左室肥厚是高血压最常见的器官损害,也是心血管疾病的独立危险因子,实验证明高血压左室肥厚的形成和发展过程与心肌组织内原癌基因c-fos的高表达有密切的联系[10]。
L-Arg是NO合成的前体,它能扩张血管,抑制单核细胞——内皮细胞间的相互作用[11],降低血小板粘附聚集反应[12],并能抑制血管平滑肌细胞增殖[13],另外许多实验证明L-Arg在血液中的浓度与体内NO的释放呈密切的剂量依赖关系[14]。
, 百拇医药
我们使用三个不同剂量L-Arg对肾性高血压心肌肥厚大鼠进行治疗,观察其对心肌c-fos表达以及血浆NO含量的影响,观察到,三种剂量的L-Arg均能降低高血压大鼠的血压,以L-Arg-200最为显著,三种剂量中L-Arg-100不能降低LVW/BW比值,L-Arg-200和L-Arg-400能显著降低LVW/BW比值,以L-Arg-400效果最为显著,说明L-Arg不论是对血压还是对LVW/BW比值要产生影响必须要达到一定的浓度,并且其对LVW/BW比值产生影响的最低浓度比对SBP影响所需的最低浓度要高,L-Arg对c-fos蛋白表达的影响与其对LVW/BW的影响相似,2K1C模型组有高表达,L-Arg-200和L-Arg-400能显著降低c-fos原癌基因在左室的表达,血浆NO在2K1C模型组较低,通过L-Arg治疗后均有不同程度升高,但以L-Arg-400治疗组血浆中NO含量最高。通过本实验,我们推测L-Arg抗高血压及逆转左室肥厚的可能途径:(1)L-Arg能有效地降低高血压大鼠血压,降低压力负荷,从而达到逆转心肌肥厚的作用;(2)L-Arg能影响c-fos原癌基因的表达,抑制细胞增殖机制减少成纤维细胞生成,并且抑制心肌细胞肥大;(3)较高剂量L-Arg能有效地提高血浆中NO含量,NO可通过脱氨基作用或超氧离子生成更具毒性的自由基造成DNA损伤、诱导细胞凋亡机制,抑制增殖基因表达,从而抑制心肌胶原增生和心肌细胞肥大。
, http://www.100md.com
另外:有报道认为L-Arg也能影响环氧化酶产物PGI2和超氧化物歧化酶的产生[15]是否通过该途径或其它途径来降低血压及逆转左室肥厚尚待进一步研究。■
REFERENCES:
[1]Shi Y, Hutchinson HG,Hall DJ,et al. A down-regulation of c-myc expression by antisense oligo nucleotides inhibits proliferation of human smooth muscle cells[J] circulation 1993;88:1109
[2]Jackson T. Allard MF,Sreenan,et al. The c-myc proto-oncogene regulates cardiac development of trans-genic mice[J] Molecul cellul Biolog 1990;10:3709
, http://www.100md.com
[3]Adamson ED. Oncogenes in development[J] development 1987;99:449
[4]Richard MJ. et al. L-Arginine is the physiological precussor for the formation of nitric oxide in endothelium dependent relaxation [J] Biochem Biophys Res Commun 1088;153:1251
[5]Taska K,Kamei C,Tagnli H,et al. Anti hypertensive effects of nisoldipine and reference drugs in certain types of hypertensive rats[J] Arzneim-Forsch Drug Res 1987;37(1):316
, 百拇医药
[6]顾德官,顾天华,宋代军等. 实验性高血压大鼠的血压观察[J] 上海第二医学院学报 1985;2:102
[7]王成彬,沈文海,田亚平等. 铜离子活化镉还原法测定血清中硝酸盐浓度[J] 中华医学检验杂志 1996;19:281
[8]杨亚东,李倩虹,张新波. 原发性高血压相关基因的研究进展[J] 中国高血压杂志 1993;1:1
[9]Simpson PC. Proto-oncogene and cardiac hypertrophy[J] Annu Rev physiol 1989;51:189
[10]单铮铮,戴生明,陈红等. 高血压左心室肥厚与心肌原癌基因c-fos的表达[J]高血压杂志 1997;5(3):168-171
[11]Weyrich AS,Maxl,Lefer AM. The role of L-Arginine in ameliorating reperfusion injury after myocardial ischemia in the rat[J] Circulation 1992;86:279-288
, 百拇医药
[12]Provost P. Lam JYT,Lasooste T,et al. Endotheliumderived nitric oxide atteruates neutrophil adhesion to endothelium under arterial flow conditions[J] Arteriocler Thromb 1994;14:331-335
[13]Tarry WC,Makoul RG. L-Arginine improves endothelium dependent vaso relaxation and reduces intimal hyperphasia after balloon angioplasty. Arterioscler Thromb. 1994,14:939~943
[14]Moncada S. Palmer RMJ Higgs EA. Nitric oxide: physiology,pathophysiology and pharmacology[J] Pharmacol Res 1991;43:109~142
[15]钟慈声,孙安阳. 一氧化氮的生物医学[M] 上海:上海医科大学出版社。1997(1):134
收稿日期:1999-09-08, http://www.100md.com
单位:尹时华(咸宁医学院生理学教研室 咸宁437100);肖立新(深圳卫校 深圳 518020);陈业文(咸宁医学院组织胚胎学教研室 咸宁437100);金延安 化长林(咸宁医学院生理学教研室 咸宁437100)
关键词:L-精氨酸;肾性高血压;c-fos;一氧化氮
高血压杂志000128 摘 要:目的:探讨L-精氨酸对肾性高血压心肌肥厚大鼠左室肌原癌基因c-fos表达及血浆NO含量的影响。方法:采用免疫组织化学方法测定左室肌原癌基因c-fos蛋白表达,用比色法测定血浆一氧化氮含量。结果:通过8周治疗后,L-Arg使高血压心肌肥厚大鼠c-fos蛋白表达显著减少(P<0.005),使血浆中NO含量显著升高(P<0.001)结论:L-Arg治疗高血压心肌肥厚大鼠能减轻c-fos表达和提高血浆中NO含量。
, 百拇医药
分类号:R544.1;Q753;R446.1;R972;N33 文献标识码:A
文章编号:1006-2866(2000)01-0085-03
The Effects of L-Arg on the Expression of Proto-oncogene c-fos in the Left Ventricle and Plasma Nitric Oxide inRats with Renovascular Hypertensive Hypertrophy
YIN Shihua JIN Yanan HUA Changlin
(Department of Physiology,Xianning Medical College,Xianning 437100)
, 百拇医药
XIAO Lixing
(Shenzhen Health School,shenzhen 518020)
CHENG Yewen
(Department of Histolo gy and Embryology,Xianning Medical College,Xianning 437100)
ABSTRACT:Objective:To study the effects of L-Arg on the expression of proto-oncogene c-fos in the left ventricle and plasma nitric oxide in rats with renovascular hypertensive hypertrophy.Methods:The level of c-fos was measured by immunohistochemical method and the plasma nitric oxide by colorimetric method.Results:After eight weeks of L-Arg p.o treatment,the expression of oncogene c-fos of the L-Arg-200 mg/kg.d-1 and L-Arg-400 mg/kg.d-1groups decreased markedly,while the plasma nitric oxide increased significantly compared with those of 2K1C group(P<0.01) Conclusion:The expression of proto-oncogene c-fos could be dec reased and the plasma nitric oxide could be increased by L-Arg.
, 百拇医药
Key Words:L-Arg; renovascular hypertension; c-fos ni tric oxide▲
高血压引起左心室肥厚(LVH)可导致多种病理性后果。LVH是心血管疾病发病率和死亡率的独立危险因素,转基因动物和反义核酸技术均证明c-fos在心肌肥厚的信号传递过程中作用十分重要[1~3],实验证明在高血压LVH时大鼠核内癌基因c-fos表达增强,本实验使用一氧化氮(Nitric oxide ,NO)合成前体L-精氨酸(L-Arginine,L-Arg)[4]治疗肾性高血压所致左心室肥厚大鼠,观察其对大鼠左心室原癌基因c-fos蛋白表达及血浆NO含量的影响,旨在研究L-Arg在左室肥厚中的作用,并进一步探讨左室肥厚的发病机制。
MATERIALS AND METHODS
1 动物与模型 选用雄性Wistar大鼠(由本院动物中心提供),体重180~220g。二肾一夹(2K1C)型肾血管型高血压大鼠采用经典造模方法[5]:经3%戊巴比妥钠(30mg/kg腹腔注射)麻醉,游离左肾动脉并用内径为0.2~0.3mm银夹缩窄,右侧肾不触及。假手术组手术方法同上,但不安置银夹,术后前4周每周测血压一次,凡术后第四周末收缩压较术前升高20mmHg以上,且高于125mmHg者确定为已形成高血压[6],并进行药物实验。
, 百拇医药
2 实验动物分组:实验随机将成功造模后的40只大鼠分5组,每组8只:A组:假手术组;B组:2K1C组;C1组:2K1C+L-Arg(100mg/kg.d-1广州军区南岳制药厂)组,术后四周开始灌饲L-Arg水溶液治疗8周后处死检测;C2组:2K1C+L-Arg(200mg/kg.d-1)组,喂饲及处死方法同C1组;C3组2K1C+L-Arg(400mg/kg.d-1)组,喂饲及处死方法同C1组。
3 观测指标:
3.1收缩压的测定:微型动物测压仪(湖南医科大学生理学教研室研制)测量尾动脉收缩压。
3.2左心室/体重比测定:处死动物之前麻醉称体重,处死后分离左室用滤纸吸去处表面水份称重以求得比值。
, http://www.100md.com
3.3血浆NO含量测定:断颈采静脉血2ml注入肝素抗凝,离心分离血浆-20℃保存2天后测定,NO用经铜离子活化镉还原加格氏试剂显色(Greess法)[7]测定,主要步骤:用5mmol/L甘氨酸缓冲液配制的硫酸铜将镉活化,然后用活化镉将去蛋白血浆中硝酸盐还原成亚硝酸盐,亚硝酸盐再与格氏试剂反应生成粉红色的偶氮化合物,于754紫外分光光度计比色,使用波长为546nm。亚硝酸盐/硝酸盐在体内均为NO的稳定代谢产物,测量其含量并根据标准曲线计算NO的含量。
3.4免疫组织化学染色:采用SABC法,参照试剂盒使用说明书操作c-fos单克隆抗体购自Sigma公司,用Olympus显微照像,并进行图像分析,以细胞阳性染色(核呈棕黄色)的积分光密度值(OD值)表示抗原表达量。
4统计分析: 所有数据用均数±标准差(
, 百拇医药
RESULTS
1收缩压,左室/体重比:从Tab1可见,SBP L-Arg-100治疗组与2K1C组比较有显著性差异(P<0.05),L-Arg-200和L-Arg-400与2K1C组比较P<0.001。
Tab 1 The effects of L-Arg on SBP LVW/BW and
the expression of proto-oncogene c-fos in Left ventricle
of rats with renovascular hypertensive hypertrophy(
SBP
, 百拇医药
(mmHg)
(n=8)
LVW/
BW(mg/g)
(n=8)
c-fos蛋白
表达(OD)值
(n=30)
NO
(μmol/L)
(n=8)
Sham
116±15
, 百拇医药
2.59±0.12
22.3±11.3
9.26±2.96
2K1C
171±16
3.38±0.32
36.4±11.5
6.43±2.08#
(1)
154±15△
3.12±0.31
, http://www.100md.com 34.2±11.7
7.14±2.07
(2)
132±13△△**
2.82±0.26*
23.9±10.8△
13.94±2.40△△
(3)
133±15△△
2.65±0.21△△
, http://www.100md.com
24.1±11.6△
14.80±2.87△△
(1)2K1C+L-Arg-100mg/kg;(2)2K1C+L-Arg-200mg/kg;(3)2K1C+L-Arg-400mg/kg
△:P<0.005vs2K1Cgroup;△△:P<0.001 vs2K1Cgroup,*:P<0.05vs2K1C+L-Arg-100group;**:P<0.01 vs 2K1C group;#:P<0.005 vs Sham group
2c-fos原癌基因表达:c-fos蛋白表达见Fig1~5,Sham组胞核染色淡,染色细胞数少;2K1C组胞核染色深,着色细胞核多;L-Arg-100治疗组胞核着色亦深,着色细胞多;L-Arg-200与L-Arg-400治疗组细胞着色与Sham组相似,胞核着色淡,染色细胞数少。OD值比较L-Arg-100与2K1C组蛋白表达无显著性差异,而L-Arg-200和L-Arg-400治疗组与2K1C组比较蛋白表达有显著性差异(P<0.005),见Tab1。
, 百拇医药
Fig 1 Immunohistochemical stains showing the expression
of poto-o ncogene c-fos in sham group (light microscope,×400)
Fig 2 Immunohistochemical stains showing the expression of
proto- oncogene c-fos in 2K1C group (light microscope,×400)
Fig3.Immunohistochemical stains showing the expression
, 百拇医药
of poto-onc ogene c-fos in L-Arg-100 group (light microscope,×400)
Fig 4 Immunohistochemical stains showing the expression of
proto- oncogene c-fos in L-Arg-200 group (light microscope,×400)
Fig 5 Immunohistochemical stains showing the expression of
poto-o ncogene c-fos in L-Arg-400 group (light microscope,×400)
, 百拇医药
3 血浆NO含量:从Tab1可见2K1C组与Sham组比较P<0.005,L-Arg-100治疗组与2K1C组比较无显著性差异,但L-Arg-200及L-Arg-400治疗组与2K1C比较P<0.001有高度显著性差异。
DISCUSSION
高血压是一种多基因遗传疾病,其发病机理涉及一系列高血压相关基因表达异常[8],c-fos编码核内转录因子调控着细胞的增殖与分化,属立即早期反应基因,实验证明c-fos可编码核内多种信息分子,对细胞分化,增殖起重要作用[9],c-fos的表达与不同组织、细胞类型及发育阶段密切相关,左室肥厚是高血压最常见的器官损害,也是心血管疾病的独立危险因子,实验证明高血压左室肥厚的形成和发展过程与心肌组织内原癌基因c-fos的高表达有密切的联系[10]。
L-Arg是NO合成的前体,它能扩张血管,抑制单核细胞——内皮细胞间的相互作用[11],降低血小板粘附聚集反应[12],并能抑制血管平滑肌细胞增殖[13],另外许多实验证明L-Arg在血液中的浓度与体内NO的释放呈密切的剂量依赖关系[14]。
, 百拇医药
我们使用三个不同剂量L-Arg对肾性高血压心肌肥厚大鼠进行治疗,观察其对心肌c-fos表达以及血浆NO含量的影响,观察到,三种剂量的L-Arg均能降低高血压大鼠的血压,以L-Arg-200最为显著,三种剂量中L-Arg-100不能降低LVW/BW比值,L-Arg-200和L-Arg-400能显著降低LVW/BW比值,以L-Arg-400效果最为显著,说明L-Arg不论是对血压还是对LVW/BW比值要产生影响必须要达到一定的浓度,并且其对LVW/BW比值产生影响的最低浓度比对SBP影响所需的最低浓度要高,L-Arg对c-fos蛋白表达的影响与其对LVW/BW的影响相似,2K1C模型组有高表达,L-Arg-200和L-Arg-400能显著降低c-fos原癌基因在左室的表达,血浆NO在2K1C模型组较低,通过L-Arg治疗后均有不同程度升高,但以L-Arg-400治疗组血浆中NO含量最高。通过本实验,我们推测L-Arg抗高血压及逆转左室肥厚的可能途径:(1)L-Arg能有效地降低高血压大鼠血压,降低压力负荷,从而达到逆转心肌肥厚的作用;(2)L-Arg能影响c-fos原癌基因的表达,抑制细胞增殖机制减少成纤维细胞生成,并且抑制心肌细胞肥大;(3)较高剂量L-Arg能有效地提高血浆中NO含量,NO可通过脱氨基作用或超氧离子生成更具毒性的自由基造成DNA损伤、诱导细胞凋亡机制,抑制增殖基因表达,从而抑制心肌胶原增生和心肌细胞肥大。
, http://www.100md.com
另外:有报道认为L-Arg也能影响环氧化酶产物PGI2和超氧化物歧化酶的产生[15]是否通过该途径或其它途径来降低血压及逆转左室肥厚尚待进一步研究。■
REFERENCES:
[1]Shi Y, Hutchinson HG,Hall DJ,et al. A down-regulation of c-myc expression by antisense oligo nucleotides inhibits proliferation of human smooth muscle cells[J] circulation 1993;88:1109
[2]Jackson T. Allard MF,Sreenan,et al. The c-myc proto-oncogene regulates cardiac development of trans-genic mice[J] Molecul cellul Biolog 1990;10:3709
, http://www.100md.com
[3]Adamson ED. Oncogenes in development[J] development 1987;99:449
[4]Richard MJ. et al. L-Arginine is the physiological precussor for the formation of nitric oxide in endothelium dependent relaxation [J] Biochem Biophys Res Commun 1088;153:1251
[5]Taska K,Kamei C,Tagnli H,et al. Anti hypertensive effects of nisoldipine and reference drugs in certain types of hypertensive rats[J] Arzneim-Forsch Drug Res 1987;37(1):316
, 百拇医药
[6]顾德官,顾天华,宋代军等. 实验性高血压大鼠的血压观察[J] 上海第二医学院学报 1985;2:102
[7]王成彬,沈文海,田亚平等. 铜离子活化镉还原法测定血清中硝酸盐浓度[J] 中华医学检验杂志 1996;19:281
[8]杨亚东,李倩虹,张新波. 原发性高血压相关基因的研究进展[J] 中国高血压杂志 1993;1:1
[9]Simpson PC. Proto-oncogene and cardiac hypertrophy[J] Annu Rev physiol 1989;51:189
[10]单铮铮,戴生明,陈红等. 高血压左心室肥厚与心肌原癌基因c-fos的表达[J]高血压杂志 1997;5(3):168-171
[11]Weyrich AS,Maxl,Lefer AM. The role of L-Arginine in ameliorating reperfusion injury after myocardial ischemia in the rat[J] Circulation 1992;86:279-288
, 百拇医药
[12]Provost P. Lam JYT,Lasooste T,et al. Endotheliumderived nitric oxide atteruates neutrophil adhesion to endothelium under arterial flow conditions[J] Arteriocler Thromb 1994;14:331-335
[13]Tarry WC,Makoul RG. L-Arginine improves endothelium dependent vaso relaxation and reduces intimal hyperphasia after balloon angioplasty. Arterioscler Thromb. 1994,14:939~943
[14]Moncada S. Palmer RMJ Higgs EA. Nitric oxide: physiology,pathophysiology and pharmacology[J] Pharmacol Res 1991;43:109~142
[15]钟慈声,孙安阳. 一氧化氮的生物医学[M] 上海:上海医科大学出版社。1997(1):134
收稿日期:1999-09-08, http://www.100md.com